10 ПЗ РАЗРАБОТКА АВТОМАТИЧЕСКОЙ СИСТЕМЫ УПРАВЛЕНИЯ УЗЛОМ ПОДОГРЕВА ГАЗА НА ГАЗОРАСПРЕДЕЛИТЕЛЬНОЙ СТАНЦИИ (1228391), страница 4
Текст из файла (страница 4)
Система является статичной в широком временном интервале, медленные изменения давления и температуры не оказывают большого динамического скачка, а следовательно включение интегрального и дифференциального регулятора в данном случает не требуется. Пропорциональные изменения величин с высокой точностью измеряются микроконтроллерной системой, и далее происходит, в зависимости от условия, достаточно быстрый ответ на изменения сигнала.
Для визуализации и настройки требуемых диапазонов температур и давления, микроконтроллерная система имеет жидкокристаллический индикатор, способный отображать значение изменяющихся величин, давления и температуры. Для входа в системные настройки предусмотрены кнопки вызова настроек, выбора значения температуры и давления, а так же кнопка записи нужных параметров в энергонезависимую память микроконтроллера.
Электропитание оптопар осуществляется при помощи стабилизированного источника питания 12 В, это же значение требуется для электромагнитной катушки реле автоматической задвижки. Питание микроконтроллера осуществляется при помощи стабилизированного источника питания 5 В, это же питание подаётся на жидкокристаллический индикатор для его непосредственного питания, а так же подсветки.
4 РАЗРАБОТКА АЛГОРИТМА РАБОТЫ АВТОМАТИЧЕСКОГО
УЗЛА ПОДОГРЕВА ГАЗА
4.1 РЕЖИМЫ РАБОТЫ СИСТЕМЫ ПОДОГРЕВА ГАЗА ГРС
Для создания системы автоматического управления подогрева газа на ГРС 3 необходимо определить режимы работы устройств горелок, для дальнейшего построения нужного алгоритма.
Рассмотрим режимы системы подачи газа. На рисунке 4.1 изображена зависимость аэродинамического сопротивления в камере сгорания от мощности в топке теплогенератора, она представляет собой полный диапазон работы горелки.
Рисунок 4.1 Диапазон работы горелки
При выборе мощности в топке теплогенератора 600 кВт и аэродинамического сопротивления 4 мбара находится точка пересечения вертикальной линии, которая обозначает мощность в топке и горизонтальной, обозначающей интересующее нас значение аэродинамического давления. Горелка будет считаться подходящей только в том случае, если точка пересечения «А» двух прямых окажется внутри обведенного жирной линией контура диапазона горелки [21].
При данных значения аэродинамического давление для конкретной горелки горелки составляется временная диаграмма. На рисунке 4.2 изображена временная диаграмма с учетом всех временных интервалов.
Рисунок 4.2 Временная диаграмма горелки
При подачи питания на входные контакты горелки, происходит подготовительная продувка камеры сгорания, путем подачи воздушного потока по давлением, на диаграмме это время характеризуется диапазоном t1-t2. Промежуток t2-t3 небольшая временная задержка, обычно составляет несколько секунд, служит для открытия нужных клапанов и подачи газа. Интервал t3-t4 характеризуется процессом малого горения. Он служит для розжига котла, в этом момент подаётся под ограниченным давлением газ, далее срабатывает электророзжиг, продолжительность интервала составляет от 15 до 20 секунд. Интервал времени t4-t5 характеризуется полным открытием электроклапана газовой горелки, то есть максимальное количество газа поступает в камеру сгорания. Продолжительность периода не регламентируется временным интервалом, этот процесс зависит от скорости нагрева циркулирующей жидкости. Придостижения температуры жидкости 85 градусов Цельсия, согласно временной диаграмме, горелка переходит в режим малого горения t5-t6, далее происходит процесс остывания жидкости до 60 градусов, после чего горелка снова переходит в режим малого горения. Процесс циклический, до момента срабатывания на горелки индикатора «Авария».
4.2 БЛОК-СХЕМА АЛГОРИТМА РАБОТЫ
Изобразим алгоритм работы системы автоматического обогрева газа в виде блок схемы на рисунке 4.3.
Рисунок 4.3 Блок-схема алгоритма работы блока подогрева газа
В начальный момент времени, при подаче питания, происходит выбор котла по принципу задействованной переменной N, которая в начальный момент равна 0, то есть задействована первая горелка. Принудительно сбрасываются дискретный выводы PA0, PA1, PA2 порта А микроконтроллера, отвечающие за подачу сигнала на включение котла. Далее следует задержка в 50 секунд, требуемая для инициализации АЦП микроконтроллера, а так же для выполнения процесса розжига горелкой и выхода на номинальный режим. После этого происходит проверка температуры в циркулирующем контуре, для датчиков Т1 и Т2 осуществляется параллельный опрос где сравниваются имеющиеся показания с константами записываемыми в энергонезависимую память, а именно для Т1 константа равна 85 градусов Цельсия, для Т2 – 60 градусов Цельсия. Если условие Т1>85 и Т2<60 не выполняются бесконечно, иначе происходит либо переключение горелки в режим малого горения, либо переход её в режим большого горения.
Параллельно основному циклу работы горелки выполняется цикл проверки горелки на сигнал «Авария», который возникает в случае внутренняя система управления горелки сама диагностирует некорректную работу и подаёт сигнал оповещающий что система дала сбой, микроконтроллер в реальном времени опрашивает выводы PA6, PA7 порта А и PC7 порта С. Если авария произошла, происходит процесс переключения котлового агрегата для резервный, отключение работы всех агрегатов а так же, инициализация работы агрегата N+1 (Если N=2, счетчик скидывается, все агрегаты останавливаются), так же происходит переключение автоматических задвижек входного и обратного клапана. Далее процесс происходит циклически.
Для микроконтроллера так же существует параллельная ветвь программы, которая поддерживает на нужном уровне давление в системе циркуляции. Данный алгоритм изображен в блок-схеме на рисунку 4.4.
Рисунок 4.3 Блок-схема алгоритма работы узла поддержания давления
Давление в системе измеряется датчиком давление, преобразовывая аналоговый сигнал 0-5В требуемый для АЦП. Оцифрованные показания сравниваются с константами давления для верхней величины 0.22 Мпа и для нижней величины 0.18 Мпа, при выходе за верхний интервал значения происходит открытие клапана сброса лишнего жидкости, давление стабилизируется. Охлаждении температуры наружного воздуха циркулирующая жидкость в системе сжимается, и давление падает, до уровня нижнего значения, далее включается подкачивающий насос. В обоих случая и насос и сбрасывающий клапан доводит давление системы до среднего значения.
Каждый из алгоритмов работы независим, при нарушении работы одного, второй будет продолжать работать, что исключает взаимных коллизий. То есть в случае если система будет нагревать жидкость а давление не перестанет опускаться, получат повреждение трубные стыки и соединения.
5 РАСЧЕТ И ВЫБОР ЭЛЕМЕНТОВ СИЛОВЫХ ЧАСТЕЙ И
ЧАСТЕЙ УПРАВЛЕНЯ
5.1 ПОДБОР ЭЛЕМЕНТОВ УПРАВЛЕНИЯ БПГ
Ключевую роль управления силовыми ключами берёт на себя микроконтроллер. Он представляет собой микросхему выполненную в однокристальном исполнении, которая исполняет функции процессора и периферийных устройств, содержит ОЗУ и ПЗУ. Одними из оптимальных решений для нашей задачи является семейство 8-битных микроконтроллеров фирмы Atmel
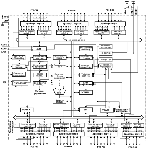
Ядро микроконтроллеров AVR различных семейств выполнено по усовершенствованной RISC-архитектуре. Они имеют электрически стираемую память программ (FLASH) и данных (EEPROM), так же разнообразие периферийных устройств. Арифметико-логическое устройство (АЛУ), выполняющее все вычисления, подключено к 32-м рабочим регистрам, объединённым в регистровый файл. Благодаря этому АЛУ выполняет одну операцию (чтение содержимого регистров, выполнение операции и запись результата обратно в регистровый файл) за один машинный цикл. Практически каждая команда занимает одну ячейку памяти программ. В микроконтроллере AVR реализована Гарвардская архитектура, которая характеризуется раздельной памятью программ и данных, каждая из которых имеет собственные шины доступа к ним. Структурная схема изображена на рисунке 5.3.
Рисунок 5.3 Структурная схема микроконтроллеров семейства MEGA
Микроконтроллеры AVR имеют гарвардскую архитектуру (программа и данные находятся в разных адресных пространствах) и систему команд, близкую к идеологии RISC. Процессор AVR имеет 32 8-битных регистра общего назначения, объединённых в регистровый файл. В отличие от «идеального» RISC, регистры не абсолютно ортогональны:
- Некоторые команды работают только с регистрами r16…r31. К ним относятся команды работающие с непосредственным операндом: ANDI/CBR, ORI/SBR, CPI, LDI, LDS(16-бит), STS(16-бит), SUBI, SBCI, а также SER и MULS;
- Команды увеличивающие и уменьшающие 16-битное значение (в тех моделях, где они доступны) с непосредственным операндом (ADIW, SBIW) работают только с одной из пар r25:r24, r27:r26 (X), r29:r28 (Y), или r31:r30 (Z);Команда копирования пары регистров (в тех моделях, где доступна) работает только с соседними регистрами, начинающимися с нечётного (r1:r0, r3:r2, …, r31:r30);
- Результат умножения (в тех моделях, в которых есть модуль умножения) всегда помещается в r1:r0. Также, только эта пара используется в качестве операндов для команды самопрограммирования (где доступна);
- Некоторые варианты команд умножения принимают в качестве аргументов только регистры из диапазона r16…r23 (FMUL, FMULS, FMULSU, MULSU).
Система команд микроконтроллеров AVR весьма развита и насчитывает в различных моделях от 90 до 133 различных инструкций. Большинство команд занимает только 1 ячейку памяти (16 бит). Большинство команд выполняется за 1 такт. Всё множество команд микроконтроллеров AVR можно разбить на несколько групп:
- команды логических операций;
- команды арифметических операций и команды сдвига;
- команды операции с битами;
- команды пересылки данных;
- команды передачи управления;
- команды управления системой.
Управление периферийными устройствами осуществляется через адресное пространство данных. Для удобства существуют «сокращённые команды» IN/OUT.
Для реализации управления автоматическим вводом резерва, полностью удовлетворяет нужным нам требованиям микроконтроллер ATMEGA16-16PU он изображён на рисунке 5.4.
Рисунок 5.4 Микроконтроллер ATMEGA16-16PU
Микроконтроллер семейства MEGA является 8-разрядным микроконтроллером в DIP-40 корпусе для встраиваемых приложений. Он изготовлен по малопотребляющей КМОП-технологии, которая в сочетании с усовершенствованной RISC-архитектурой позволяет достичь наилучшего соотношения между быстродействием и энергопотреблением. Имеет 3 порта ввода-вывода данных, в них входят 6 аналогово-цифровых преобразователя, аналоговый компаратор, цифро-аналоговый преобразователь. Так же два восьмиразрядных таймера-счётчика.
Основные характеристики ATMEGA16:
- память программ (FLASH) 8 Кбайт;
- память данных (EEPROM) 512 байт;
- память данных (ОЗУ) 1 Кбайт;
- количество линий ввода/вывода -23;
- напряжение питания 4,5…5,5 В;
- тактовая частота 0…16 МГц;
- тип корпуса DIP-40.
На языке-компиляторе ассемблер пишется определённая последовательность действий, которая потом преобразуется в машинный код. Этот код загружается в микроконтроллер, и тем самым выполняются различные запрограммированные действия управления системы. Написание программ также возможно на языках более высокого уровня, таких как – СИ, Бэйсик[27].
На рисунке 5.5 изображено расположение выводов микроконтроллера ATMEGA16-16PU.
Рисунок 5.5 Расположение выводов микроконтроллера ATMEGA8-16PU
Одной из главных достоинств AtMega16-16PU - наличие 10-разрядного шестиканального встроенного аналогово-цифрового преобразователя. Это позволяют микроконтроллеру принимать аналоговые сигналы с датчиков и преобразовывать их в дискретные сигналы, для дальнейшей обработки и преобразования величины [11]. Определим максимальное число кодовых комбинаций и разрядность АЦП микроконтроллера:
(5.1)
где n-разрядность микроконтроллера, следовательно:
(5.2)
Разрядность АЦП I – это обратная величина максимального числа кодовых операций, из этого следует, что:















