ПЗ (1226706), страница 6
Текст из файла (страница 6)
В этом случае расчёт ЗУ происходит в следующем порядке [4].
Определяем расчётное удельное сопротивление грунта, Ом м:
, (4.40)
где
– удельное сопротивление грунта, измеренное при нормальной лажности, Ом м;
Ом м;
– коэффициент сезонности, учитывающий промерзание и просыхание грунта,
для вертикальных электродов длиной 3-5 м.
Определяем сопротивление одного вертикального заземлителя (стержня):
, (4.41)
где
– длина стержня, м;
м.
– глубина заложения вертикальных заземлителей, равная расстоянию от поверхности земли до середины заземлителя, м;
– расчётное сопротивление земли для вертикальных заземлителей, Ом
м.
Стержни размещаются по периметру сетки из горизонтальных заземлителей, причём расстояние между ними принимается не менее их длины.
Определим количество вертикальных заземлителей, шт:
, (4.42)
где
коэффициент использования вертикальных заземлителей, зависящий от расстояния между ними (a), их длины и количества [4], и учитывающих их взаимное экранирование.
Определяем сопротивление горизонтальных заземлителей, (соединительной полосы контура), Ом:
, (4.43)
где
– суммарная длина горизонтальных заземлителей, найденная предварительно по вычерченному плану ЗУ, м;
ширина полосы горизонтального заземлителя, м;
– глубина заложения горизонтальных заземлителей, м;
– расчётное сопротивление земли для горизонтальных заземлителей, Ом м.
С учётом коэффициента использования сопротивление сложного горизонтального заземлителя, Ом
, (4.44)
где
коэффициент использования горизонтальных заземлителей [4].
Определяем необходимое общее сопротивление вертикальных заземлителей с учётом использования соединительной полосы, Ом:
. (4.45)
Определяем уточнённое количество вертикальных заземлителей, шт:
, (4.46)
где
- уточнённое значение коэффициента использования.
В случае если требуемое количество вертикальных заземлителей невозможно разместить по контуру ЗУ с соблюдением условия
, используется один из способов снижения сопротивления ЗУ. Например увеличение площади, занимаемой ЗУ, увеличение длины вертикальных стержней (но не более 5 м), увеличение сечения заземлителей (применять не рекомендуется), увеличение глубины заложения заземлителей ( но не глубже 0,7 м), изменение соотношения между количеством вертикальных стержней и расстояния между ними.
Произведём расчёт по формулам (4.41) – (4.46).
Определяем сопротивление одного вертикального заземлителя (стержня):
.
Определим количество вертикальных заземлителей, шт:
.
Определяем сопротивление горизонтальных заземлителей, (соединительной полосы контура), Ом:
.
С учётом коэффициента использования сопротивление сложного горизонтального заземлителя, Ом:
.
где
коэффициент использования горизонтальных заземлителей [4].
Определяем необходимое общее сопротивление вертикальных заземлителей с учётом использования соединительной полосы, Ом:
.
Определяем уточнённое количество вертикальных заземлителей, шт:
.
Заземляющее устройство, которое выполняется с соблюдением требований, предъявляемых к напряжению прикосновения, должно обеспечивать в любое время года при стекании с него тока замыкания на землю значения напряжений прикосновения, не превышающие нормированных [4].
Должно выполняться условие, В:
. (4.47)
За расчетную длительность воздействия, принято, время протекания тока короткого замыкания, состоящее из времени срабатывания защиты и времени полного отключения выключателя. Согласно [4], при длительности воздействия 2,6 с,
= 400 В.
Определим напряжение прикосновения, В:
, (4.48)
где
– ток однофазного короткого замыкания на землю, в РУ питающего напряжения, указан в таблице 2.2,
= 2050 А;
– сопротивление заземлителя, Ом;
– коэффициент напряжения прикосновения:
, (4.49)
где а – расстояние между вертикальными заземлителями, м; M – параметр зависящий от грунта, по [4], M = 0,5; β – коэффициент, определяемый по сопротивлению тела человека и сопротивлению растекания тока со ступней:
, (4.50)
где
– сопротивление тела человека,
=1000 Ом;
– сопротивлению растекания тока со ступней,
=195 Ом.
.
Подставив значения в выражение (5.45), определим коэффициент напряжения прикосновения:
.
Определим напряжение прикосновения по выражению (4.44), В:
.
В.
Заземляющее устройство удовлетворяет требованиям.
5 ОЦЕНКА ПОТЕРЬ НАПРЯЖЕНИЯ В СЕТИ 10 КВ
Одна из основных задач электрического расчета – определение потерь напряжения, допустимая величина которых составляет от минус 10 до 5 %. Потери напряжения определяют для случая одностороннего питания от одного до смежного с ним другого пункта питания
Для упрощения расчетов принимаются следующие допущения. В связи с большим числом однофазных трансформаторов, которые практически равномерно распределены по всем фазам, нагрузку трансформаторов условно принимают трехфазной симметричной.
Зададимся значением коэффициента мощности
.
Рассчитаем все рассмотренные выше режимы работы сети.
Составим расчётную схему рассматриваемого режима.
Рисунок 2.1.1 – Расчётная схема
Определение мощностей потребителей подстанций. Исходя из номинальной мощности трансформатора и принятого коэффициента мощности, определяем максимальную нагрузку подстанций по формулам:
Для активной мощности:
|
| (5.1) |
Для реактивной мощности:
|
| (5.2) |
Пример расчёта нагрузок для подстанции «c »:
Номинальная мощность трансформатора
|
| |
Активная мощность:
|
| |
Реактивная мощность
|
| |
Результаты расчётов нагрузок подстанций сведём в таблицу.
Таблица 5.1 – Мощность нагрузок на шинах подстанций в расчётных режимах
| Подстанция | Мощности на шинах подстанции кВА | |
| P, Вт | Q, ВАр | |
| ТМ 400/10 | 340,0 | 210,7 |
| ТМ 315/10 | 267,8 | 165,9 |
| ТМ 250/10 | 212,5 | 131,7 |
| ТМ 160/10 | 136,0 | 84,3 |
| ТМ 63/10 | 53,6 | 33,2 |
На основании расчётных нагрузок определим приведённые нагрузки подстанций. Под приведённой нагрузкой подстанций понимается нагрузка на шинах ВН с учётом потери мощности в трансформаторе.
Определение потерь мощности в трансформаторах и приведенных нагрузок подстанций
На основании имеющихся данных о типах и количестве трансформаторов на подстанциях рассчитаем потери в трансформаторах.
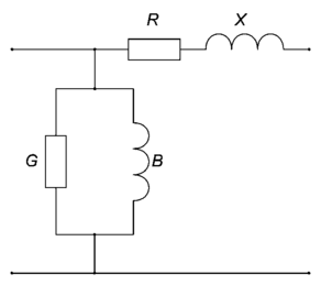
Для расчёта потерь мощности составим Г-образную схему замещения трансформатора.
Рисунок 5.2 – Г-образная схема
замещения трансформатора.
Параметры схемы замещения определяются по формулам:
Активное сопротивление:
|
| (5.3) |
Реактивное сопротивление:
|
| (5.4) |
Активная проводимость:
|
| (5.5) |
Ёмкостная проводимость:
|
| (5.6) |
Параметры трансформаторов и результаты расчётов сведём в таблицу.
Таблица 5.2 – Параметры силовых трансформаторов подстанций
| Тип трансформатора | Параметр | |||||
| ∆Pхх, | ∆Pкз, | Uk | iхх | RТ, | XТ, | |
| ТМ-400/10 | 1,0 | 5,5 | 4,5 | 2,1 | 1,6 | 4,5 |
| ТМ-315/10 | 0,7 | 4,3 | 4,5 | 2,3 | 2,1 | 5,7 |
| ТМ-250/10 | 0,6 | 3,4 | 5,5 | 2,4 | 2,6 | 7,1 |
| ТМ-160/10 | 0,4 | 2,2 | 6,5 | 2,6 | 4,1 | 11,2 |
| ТМ-100/10 | 0,2 | 1,4 | 7,0 | 3,0 | 6,5 | 17,9 |
| ТМ-63/10 | 0,1 | 0,9 | 8,5 | 3,2 | 10,4 | 28,3 |
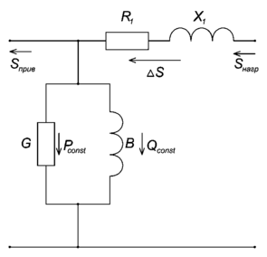
Рисунок 5.3 – Потери мощности в
Г-образной схеме замещения
трансформатора.
Потери мощности в трансформаторах определяются по формулам:
Постоянные потери:
|
| (5.7) |
|
| (5.8) |
Переменные потери:
|
| (5.9) |
|
| (5.10) |
Приведённая нагрузка подстанций определяется по формулам:
|
| (5.11) |
|
| (5.12) |
Определение параметров элементов схемы замещения линий электропередачи.
















