ПЗ (1226674), страница 2
Текст из файла (страница 2)
Пусть, например, АЧР состоит из трех очередей с уставками срабатывания 48, 47,5 и 47 Гц. Когда частота снизится до 48 Гц (точка 1), сработают АЧР первой очереди и отключат часть потребителей, дефицит активной мощности уменьшится, благодаря чему уменьшится скорость снижения частоты. При частоте 47,5 Гц (точка 2) сработают АЧР второй очереди, отключив дополнительно часть потребителей, еще больше уменьшив дефицит активной мощности и скорость снижения частоты.
При частоте 47 Гц (точка 3) сработает АЧР третьей очереди и отключит потребителей, мощность которых достаточна не только для прекращения снижения частоты, но и для ее восстановления.
-
КАТЕГОРИИ ЧАСТОТНОЙ РАЗГРУКИ
1.2.1 Частотная разгрузка АЧР-1
Частотной разгрузкой АЧР-1 принято называть такую разгрузку по частоте, когда отключение очередей нагрузки происходит по мере снижения частоты (иногда такую разгрузку называют быстродействующей).
Частотно-временная характеристика такой разгрузки показана на рис. 1.2, где линией 1 изображено изменение частоты f во времени при дефиците активной мощности в энергосистеме.
Рисунок 1.2 - Графики изменения частоты, характеризующие работу алгоритма АЧР-1
Срабатывание алгоритма АЧР-1 должно происходить при достижении контролируемой частотой значения Fп АЧР-1 - уставки пуска алгоритма АЧР-1. После достижения этого значения через некоторый промежуток времени T АЧР-1, называемый временем срабатывания, происходит отключение соответствующей очереди нагрузки. Таким образом, устройство, реализующее функцию АЧР-1, должно содержать элементы, измеряющие текущее значение контролируемой частоты и сравнивать его с заданной уставкой по частоте.
Рассматривая работу устройства частотной разгрузки в условиях дефицита активной мощности, необходимо обратить внимание еще на один параметр, характеризующий работу энергосистемы в этих условиях, - скорость изменения контролируемой частоты f АЧР. На рис. 1.2 этот параметр показан в виде касательной f'1, проведенной в точке перегиба линии 1, характеризующей изменение частоты во времени. Принципиально возможен и другой вариант снижения частоты, когда при потере питания со стороны системы напряжение в контролируемом узле поддерживается за счет подпитки от работающих в режиме выбега асинхронных двигателей. В этом случае изменение частоты происходит по линии 2 со скоростью f'2> f'1.
Чтобы не допустить излишних отключений нагрузки при потере питания, в алгоритм АЧР-1 необходимо ввести специальные элементы, которые должны учитывать скорость изменения частоты при формировании сигнала на отключение нагрузки и не производить отключений нагрузки в тех случаях, когда скорость изменения частоты превышает некоторое заранее установленное значение f'2> f'бл.
Эти элементы должны обеспечивать:
- измерение скорости изменения частоты;
- сравнение текущего значения скорости с заранее заданной уставкой f'бл.
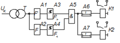
Все сказанное позволяет составить обобщенную функциональную схему алгоритма АЧР-1, рисунке 1.3.
Рисунок 1.3 - Обобщенная функциональная схема алгоритма АЧР-1
Контролируемое напряжение UK поступает через разделительный и масштабирующий трансформатор Т на входы двух измерительных элементов А1 и А2, а текущие значения измеренных величин - на входы соответствующих пороговых элементов A3 и А4.
В связи с тем, что введение запрета на отключение нагрузки по скорости изменения частоты определяется характеристиками той или иной энергосистемы, в схеме предусмотрен функциональный блок, позволяющий исключить сигнал по скорости из алгоритма АЧР-1. На рис. 1.3. этот блок показан в виде ключа SA1.
Суммирование сигналов от пороговых элементов осуществляется по логической схеме И — НЕ элементом А5. Появление на выходе элемента А5 сигнала позволяет формировать команду на отключение очередей нагрузки, однако для исключения ложных срабатываний и недопущения излишних отключений нагрузки в функциональную схему алгоритма АЧР-1 включен элемент А6, обеспечивающий некоторый промежуток времени между моментом выполнения рассмотренных выше условий АЧР-1 и временем включения исполнительного реле К. Согласно действующим нормативным документам этот промежуток времени может изменяться от 0,15 до 0,3 с.
При настройке устройств частотной разгрузки для алгоритма АЧР-1 должны быть заданы:
Fп АЧР-1 - частота пуска алгоритма (элемент А3);
Т АЧР-1 - время срабатывания алгоритма (элемент А6);
f'бл - скорость изменения частоты.
1.2.2 Частотная разгрузка АЧР-2
Частотной разгрузкой АЧР-2 принято называть отключение нагрузки после достижения заданной уставки по частоте, с некоторой, достаточно продолжительной, уставкой по времени срабатывания, или, как сказано в ПУЭ, отключение нагрузки по мере увеличения продолжительности существования пониженной частоты.
Частотная разгрузка АЧР-2 предназначена для восстановления значения частоты и недопущения работы генераторов при частоте ниже 49 Гц.
Разгрузка по алгоритму АЧР-2 происходит при медленном снижении частоты после действия разгрузки по алгоритму АЧР-1 или зависании на уровне ниже 50 Гц.
Для предотвращения излишних отключений описание алгоритма АЧР-2 должно быть дополнено следующим условием: нагрузка не должна отключаться, если до истечения промежутка времени Т АЧР-2, контролируемая частота станет равной частоте возврата алгоритма АЧР-2 fВ АЧР-2.
Графически это показано на рис. 1.4 в виде линии 1, отображающей процесс изменения частоты, соответствующий изложенному выше условию.
Рисунок 1.4 - Графики изменения частоты, характеризующие работу алгоритма АЧР-2
Линия 2 на этом же рисунке представляет такой процесс изменения контролируемой частоты, при котором ее значение до момента разгрузки t 3 не успевает вернуться к fВ АЧР-2.
Функциональная схема рассмотренного алгоритма представлена на рис. 1.5
Рисунок 1.5 - Обобщенная функциональная схема алгоритма АЧР-2
В отличие от ранее рассмотренной схемы (рис. 1.3) здесь не предусмотрен контроль скорости изменения частоты, а излишние отключения нагрузки предотвращают большой выдержкой времени на срабатывание.
Для возврата алгоритма при восстановлении значения контролируемой частоты до заранее установленного значения FB предусмотрен второй пороговый элемент А4, формирующий сигнал, поступающий на вход R триггера А8.
В алгоритм АЧР-2 введен канал, формирующий сигнал на отключение нагрузки до завершения выдержки времени, задаваемой реле времени А10, если при наличии команды Пуск АЧР-2 напряжение, поступающее на вход порогового элемента А5, станет ниже заранее заданной уставки.
В название алгоритма разгрузки, использующего информацию о значении напряжения, принято добавлять слова "с ускорением по напряжению" и обозначать как АЧР-Н.
Для исключения ложных срабатываний при кратковременных провалах напряжения и частоты в функциональной схеме предусмотрены элементы А6, А7 с фиксированным временем срабатывания.
При настройке устройств частотной разгрузки задают:
Fпуска АЧР-2 < - частоту пуска алгоритма (элемент A3);
Fвозрата АЧР-2 > - частоту возврата алгоритма (элемент А4);
Т АЧР-2 - время срабатывания алгоритма (элемент А10);
U - напряжение, при котором ускорение срабатывания алгоритма при замкнутом положении программного ключа S2 происходит раньше момента времени, задаваемого элементом А10.
1.2.3 Частотная разгрузка АЧР-С
Использование алгоритма частотной разгрузки по скорости изменения частоты (АЧР-С) позволяет значительно улучшить работу энергосистем при больших дефицитах мощности, так как дает возможность отключать нагрузку с опережением, не допуская глубокого снижения частоты.
На рис. 1.6 графически представлен процесс работы данного алгоритма.
Рисунок 1.6 - Графики изменения частоты, характеризующие работу алгоритма АЧР-С
Горизонталь 1 соответствует верхней границе значения частоты fp АЧР-С, начиная с которой разрешается действие алгоритма.
Наклонные линии 2 - 4 представляют собой графики изменений частоты f при скорости большей, равной и меньшей уставки F'yст соответственно.
Пуск алгоритма должен происходить при соблюдении двух условий:
- значение контролируемой частоты достигло заданного уровня fp АЧР-С;
- скорость изменения частоты равна уставке F'yст.
Для графика эти три условия выполняются в момент времени t2. При фактической скорости изменения частоты, превышающей F'yст, пуск алгоритма произойдет при том же значении частоты fp АЧР-С, но ранее, в момент t1.
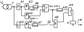
Приведенным условиям соответствует обобщенная функциональная схема алгоритма АЧР-С, приведенная на рис. 1.7.
Рисунок 1.7 - Обобщенная функциональная схема алгоритма АЧР-С
Выходы измерительных элементов А1 и А2 соединены со входами соответствующих пороговых элементов A3 и А4, а выполнение условий для пуска алгоритма контролирует элемент А5.
Для недопущения случайных отключений нагрузки при кратковременных срабатываниях пороговых элементов в функциональную схему введен элемент задержки А6. Значения F<и время задержки являются фиксированными и не изменяются.
Для обеспечения нескольких очередей разгрузки по алгоритму АЧР-С функциональная схема может быть дополнена еще одним (см. реле К2) или несколькими выходными реле и одним (см. элемент А7) или несколькими элементами задержки, выдержка времени у которых превышает выдержку времени элемента А6.
1.2.4 Совмещенная частотная разгрузка
Для более рационального отключения очередей нагрузки предусматривают объединение действия всех рассмотренных ранее алгоритмов на один исполнительный орган (выходное реле) или, как принято говорить, совмещают в любом сочетании действие разных алгоритмов на одну и ту же ступень нагрузки.
Процесс работы такого алгоритма иллюстрирует рис. 1.8, на котором совмещены все три ранее рассмотренных графика изменения частоты, характеризующих работу алгоритмов АЧР-1, АЧР-2 и АЧР-С.
Рисунок 1.8 - Графики изменения частоты, характеризующие работу алгоритма совмещенной частотной разгрузки.
Если изменение контролируемой частоты в системе будет происходить по линии 3, когда f ' > F', то отключение нагрузки произойдет в момент времени t1.
При изменении частоты по линии 2 запуск алгоритма АЧР-С не происходит из-за изменения частоты со скоростью, меньшей уставки срабатывания этого алгоритма. Однако при достижении частотой значения Fп АЧР-1 (момент t3) алгоритм АЧР-1 запускается. Через промежуток времени ТАЧР-1 (момент срабатывания tcp) алгоритм АЧР-1 срабатывает и происходит отключение нагрузки.
Последний из рассматриваемых алгоритмов - АЧР-2 действует аналогично и, если значение контролируемой частоты не вернулось к FB АЧР-2, срабатывает в момент t5.
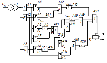
Все сказанное позволяет представить обобщенную функциональную схему алгоритма совмещенной частотной разгрузки в виде, показанном на рис. 1.9. Фактически она представляет собой объединение ранее рассмотренных обобщенных функциональных схем отдельных алгоритмов.
Рисунок 1.9 - Обобщенная функциональная схема алгоритма совмещенной частотной разгрузки.
При настройке устройств частотной разгрузки для алгоритма совмещенной частотной разгрузки задают:
Fп АЧР-1 - частоту пуска алгоритма АЧР-1 (элемент А4);
Fп АЧР-2 - частоту пуска алгоритма АЧР-2 (элемент А6);
FB АЧР-2 - частоту возврата алгоритма АЧР-2 (элемент А 7);
Fбл - скорость изменения частоты, при достижении которой блокируется работа алгоритма АЧР-1 при замкнутом положении программного ключа SA1 (элемент А5);
F'> - скорость изменения частоты, при которой происходит запуск алгоритма АЧР-С (элемент А10);
Tачр-1 - время срабатывания алгоритма АЧР-1 (элемент А15);
Tачр-2 - время срабатывания алгоритма АЧР-2 (элемент А16);
















