ПЗ (1226674), страница 3
Текст из файла (страница 3)
U< - напряжение, при котором происходит ускорение срабатывания алгоритма АЧР-2 (раньше момента времени, задаваемого элементом А16) при замкнутом положении программного ключа SA2.
1.2.5. Включение нагрузки по частоте (ЧАПВ)
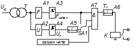
В результате срабатывания алгоритмов частотной разгрузки происходит восстановление частоты (графики изменения частоты во времени показаны на рис. 1.8) до значения F ЧАПВ (моменты времени t4, t7, t8 на рис. 1.8 для линий 2, 3 и 1 соответственно), что позволяет включить нагрузку, отключенную ранее по сигналам алгоритмов АЧР. Выполнение условий, позволяющих включить нагрузку, контролирует алгоритм включения нагрузки по частоте (ЧАПВ) (рис. 1.10). Этот же алгоритм формирует соответствующие сигналы на включение нагрузки.
Рисунок 1.10 - Обобщенная функциональная схема алгоритма ЧАПВ
Для исключения срабатывания алгоритма ЧАПВ при пониженном напряжении сети в обобщенную функциональную схему алгоритма должен быть введен элемент, контролирующий напряжение сети и дающий разрешение на включение нагрузки только при определенном значении U>.
В обобщенной функциональной схеме алгоритма ЧАПВ (рис. 1.10) предусмотрен специальный ключ SA1, позволяющий дополнить данный алгоритм узлом контроля напряжения и тем самым учесть особенности работы энергосистемы.
В функциональной схеме предусмотрено использование внешнего, не связанного с работой алгоритма, сигнала "Запрет ЧАПВ", блокирующего работу алгоритма ЧАПВ.
При настройке работы алгоритма в реальных условиях необходимо задать следующие уставки:
Fчапв - по частоте запуска (возврата) алгоритма ЧАПВ (элемент A3);
U - по напряжению разрешения срабатывания алгоритма ЧАПВ при нижнем положении контакта программного ключа SA1 (элемент A4);
T - по выдержке времени алгоритма ЧАПВ (элемент А6).
Выдержка времени канала по напряжению (элемент A5) не регулируется и предназначена для устранения срабатываний при кратковременных изменениях напряжения UK.
1.2.6 Дополнительная автоматическая разгрузка (ДАР)
Дополнительная автоматическая разгрузка применяется при ликвидации больших местных относительных дефицитов активной мощности со скоростью снижения частоты более 1,8-2,0 Гц/сек, при которой действие АЧР может оказаться неэффективным. Поэтому ДАР должна быть быстродействующей и срабатывать в начале процесса снижения частоты – до начала работы АЧР-1 или в процессе срабатывания ее первых очередей.
ДАР обеспечивает ускоренное отключение заданной мощности нагрузки потребителей и способствует уменьшению глубины и скорости снижения частоты, чем улучшает условия действия АЧР.
ДАР осуществляет автоматическое отключение крупной нагрузки потребителей по факторам, характеризующим возникновение местного дефицита активной мощности, без фиксации снижения частоты. Запуск автоматики осуществляется по факту отключения генерирующих источников, питающих линий, силовых трансформаторов и т.д. с контролем направления и величины предшествующей мощности.
К настоящему времени существует достаточно цельное представление о том, какой должна быть совокупность контролируемых параметров частотной аварии, их уставок и условий взаимодействия всех частей устройств АЧР.
На практике такую совокупность стало принято называть алгоритмом частотной разгрузки. Различают описанные выше алгоритмы АЧР-1, АЧР-2, АЧР-С, АЧР-Н (разгрузка по отклонению частоты и напряжения), а также комбинированные алгоритмы, объединяющие в различных вариантах все или отдельные из названных алгоритмов. Алгоритмы ЧАПВ (включение нагрузки, отключенной ранее по одному из алгоритмов разгрузки, после восстановления значения частоты) также не ограничиваются контролем частоты, а учитывают и напряжение в контролируемой сети.
1.2.7 Алгоритм расчета мощности нагрузки
Субъекты электроэнергетики, обеспечивающие поставку электрической энергии, отвечают перед потребителями электрической энергии за надежность обеспечения их электрической энергией и ее качество в соответствии с требованиями технических регламентов и иными обязательными требованиями.
В случае возникновения аварийного дефицита активной мощности, субъектами оперативно-диспетчерского управления применяется ограничение режима потребления, включая использование противоаварийной автоматики.
При этом участие нагрузки потребителей в автоматической разгрузке при аварийном дефиците активной мощности должно отражаться в договорах на технологическое присоединение к электрическим сетям и электроснабжение.
Потребителей, включенных в графики ограничений и аварийных отключений, по возможности следует подключать к первым очередям АЧР.
Устройства АЧР, установленные у потребителей, рекомендуется резервировать на питающих энергообъектах устройствами с меньшими уставками по частоте или большими уставками по времени срабатывания. При этом в суммарных отчетных данных одна и та же нагрузка, подключенная к основному и резервному устройствам АЧР, должна учитываться только один раз.
Действие устройств автоматического включения резерва (АВР) должно быть увязано с действием АЧР таким образом, чтобы действием АВР не восстанавливалось питание отключенной от АЧР нагрузки от тех же или других электрически связанных источников питания.
Запрещается переключать нагрузки, отключенные устройствами АЧР, на оставшиеся в работе электрически связанные источники питания. Нагрузка потребителей, не допускающих длительного перерыва в электроснабжении, должна быть переключена на автономные (независимые) источники питания.
Длительность отключения потребителей действием автоматической разгрузки определяется временем ликвидации аварийной ситуации и должна быть минимально возможной.
Мощность нагрузки, подключаемой к АЧР, должна выбираться из условий ликвидации расчетных дефицитов активной мощности и приниматься с некоторым запасом, необходимость которого обусловлена:
- возможностью возникновения аварийного дефицита активной мощности, превышающего расчетный;
- возможностью снижения мощности нагрузки в режимах выходных и праздничных дней, ночных и дневных часов и т.д.
Расчет аварийной разгрузки и определение расчетных дефицитов активной мощности осуществляется на основе последовательного анализа схем и режимов, начиная с аварийного отделения энергорайона, двух смежных энергорайонов и т.д., вплоть до разделения ЕЭС на части. При этом должны быть рассмотрены реально возможные аварийные режимы в нормальной и ремонтных схемах.
При выборе расчетных условий, как правило, следует исходить:
а) для изолированно работающих энергосистем – из возможности отключения наиболее мощной электростанции;
б) для небольшого энергорайона – из возможности его аварийного отделения с дефицитом мощности вследствие отключения питающих связей и/или наиболее мощного генератора (энергоблока);
в) для более крупного энергорайона или нескольких смежных энергорайонов - из возможности аварийного отделения с дефицитом мощности вследствие отключения питающих связей и/или наиболее мощной электростанции;
г) для ЕЭС в целом – из возможности аварийного ее разделения на части с дефицитом мощности в отделившейся части вследствие отключения питающих межсистемных связей и генерируемой мощности (в том числе разгрузки и отключения энергоблоков АЭС в соответствии с технологическим регламентом при снижении частоты ниже 49,0 Гц).
Мощность, подключаемых к АЧР-1 потребителей в любом энергорайоне с учетом запаса, определяется по выражению:
Р (АЧР1)³DРг + 0,05;
где DРг и 0,05 – соответственно расчетный дефицит активной мощности и необходимый запас (в относительных единицах от суммарного потребления в исходном режиме).
В качестве расчетного принимается максимально возможный для энергорайона аварийный дефицит мощности.
Подключаемая к АЧР мощность нагрузки должна распределяться равномерно по очередям.
Допускается незначительная неравномерность распределения по очередям мощности нагрузки при условии увеличения ее доли на очередях более высоких уставок по частоте АЧР.
Мощность нагрузки, подключаемой к несовмещенной АЧР-2, рассчитывается по условию достаточности для подъема частоты от нижней границы уставок АЧР-1, до заданной частоты возврата несовмещенной АЧР-2 (выше 49,0 Гц).
С учетом запаса к очередям несовмещенной АЧР-2 должна подключаться мощность потребителей:
Р (АЧР-2)³ 0,1.
Суммарная мощность, подключаемой к АЧР нагрузки (АЧР-1 и несовмещенной АЧР-2), с учетом запасов составляет:
Р (АЧР) = Р(АЧР1) + Р(АЧР2)³ (DРг + 0,05) + 0,1 = DРг + 0,15
Суммарная мощность нагрузки потребителей, подключаемой к АЧР в отдельных энергорайонах, принимается по наиболее жесткому из требований ликвидации местного и системного дефицита мощности.
ЧАПВ восстанавливает питание отключенных от АЧР потребителей при подъеме частоты в результате мобилизации резервов генерирующей мощности и восстановления отключившихся связей.
Суммарная мощность подключаемой к ЧАПВ нагрузки не регламентируется и определяется по местным условиям работы энергорайона.
Устройства ЧАПВ устанавливаются, в первую очередь, в случаях невозможности быстрого восстановления питания потребителей оперативным путем после действия устройств АЧР (на удаленных подстанциях без постоянного дежурного персонала).
Очередность включения потребителей устройствами ЧАПВ должна быть обратной очередности отключения их устройствами АЧР.
При подключении к одной очереди ЧАПВ нескольких присоединений, их выключатели должны включаться поочередно с интервалами времени не менее 1 сек (если это требуется по режиму работы источников оперативного тока).
Мощность, подключаемая к ДАР нагрузки потребителей, выбирается такой величины, чтобы после действия ДАР остаточный дефицит активной мощности не превышал допустимый, при котором обеспечивается эффективность работы АЧР.
Величина дефицита активной мощности, которая может быть ликвидирована суммарным действием ДАР и АЧР в энергорайоне, зависит от постоянной времени механической инерции района, времени отключения потребителей устройствами АЧР и ДАР и определяется расчетами.
Допускается подключение одних и тех же потребителей к АЧР и ДАР. При этом суммарная мощность разгрузки должна быть достаточной для подъема частоты выше 49,0 Гц после срабатывания ДАР и АЧР при расчетном дефиците активной мощности.
1.2.8 Понятие выбега двигательной нагрузки и методы борьбы с ним
Выбег электродвигателей - снижение скорости вращения электродвигателей, возникающее при аварийном прекращении их электроснабжения и вызывающее изменение частоты электрического тока в обесточенных узлах двигательной нагрузки.
Если двигатель работает в основном (двигательном) режиме с номинальной нагрузкой, то при отключении двигатели от сети вращающий
момент М = 0, но якорь двигателя за счет кинетической энергии вращающихся масс электропривода некоторое время будет продолжать вращение, т.е. произойдет выбег двигателя.
Чтобы уменьшить время выбега двигателя, применяют торможение противовключением. С этой целью изменяют полярность напряжения на клеммах обмотки якоря (полярность клемм обмотки возбуждения должна остаться прежней) и напряжение питания обмотки якоря становится отрицательным (- U).
Но якорь двигателя под действием кинетической энергии вращающихся масс электропривода сохраняет прежнее (положительное) направление вращения, и так как направление магнитного потока не изменилось, то ЭДС якоря Еа также не меняет своего направления и действует согласно напряжению (-U), при этом ток якоря создается суммой напряжения сети U и ЭДС якоря Еа:
где rт, — сопротивление резистора в цепи якоря двигателя.
В этих условиях электромагнитный момент станет отрицательным.
Под действием тормозящего момента - Mт, частота вращения якоря уменьшается, достигнув нулевого значения. Если в этот момент цепь якоря не отключить от сети, то произойдет реверсирование двигателя и его якорь под действием момента, который прежде был тормозным, начнет вращение в противоположную сторону. При этом двигатель перейдет в двигательный (основной) режим с отрицательными значениями частоты вращения и вращающего момента. Во избежание нежелательного реверсирования операцию торможения противовключением автоматизируют, чтобы при нулевом значении частоты вращения цепь якоря отключалась от сети.
Выбег электродвигателя, электрически не связанного с другими электроприемниками, называют индивидуальным. Продолжительность выбега определяется характеристиками момента сопротивления приводного механизма.
При этом взаимное влияние электродвигателей друг на друга отсутствует, а за счет переходных токов на валу каждого двигателя создается дополнительный тормозной момент.
Если выбег электродвигателей вызван КЗ на сборных шинах или вблизи них, то в начале процесса, пока не затухли ЭДС машин, все электродвигатели работают в режиме генератора. При этом взаимное влияние электродвигателей друг на друга отсутствует, а за счет переходных токов на валу каждого двигателя создается дополнительный тормозной момент. Поэтому выбег всех электродвигателей происходит несколько быстрее, чем при отключении от шин.















