Plita_ispravlena2 (1221766)
Текст из файла
 
 
 
 
 
2.1 Расчет междуэтажного перекрытия на отм.+4,300.
Здание киноконцертного зала, переменной этажности 1-2эт.
Высота этажа 4,3м. Перекрытие опирается на кирпичные стены. Принимаем сборно-монолитный вариант перекрытия с многопустотными плитами, опертыми на несущие стены. Размеры перекрытия в осях 24,51х6,305м. Производим расчет многопустотной плиты перекрытия с круглыми пустотами, размером 6,0х1,5 м.
Рис.2.1. Схема расположения плит перекрытия на участке в осях 1-2/А-Б
2.1.1 РАСЧЕТ ПРЕДВАРИТЕЛЬНО НАПРЯЖЕННОЙ ПЛИТЫ С
КРУГЛЫМИ ПУСТОТАМИ
Исходные данные, характеристика материалов и технология
изготовления плиты
Пролет плиты – 6.0 м.
Ширина плиты – 1.5 м.
Класс бетона В25, расчетное сопротивление RB=14,5 МПа; RBt=1,05 МПа [1, табл. 6.8]. Сопротивление бетона при расчете по второй группе предельных состояний RB,ser=18,5 МПа; RBt, ser =1,55 МПа [1, табл. 6.7]. Модуль деформации бетона ЕВ=30000 МПа [1, табл. 6.11].
Класс предварительно напрягаемой арматуры А800.
 Сопротивление напрягаемой арматуры: Rsp=695 МПа и Rsc=400 Мпа [1(табл.6.14)]., Rs,ser=800 МПа[1(табл.6.13)]. Модуль деформации Es=190000[1(п. 6.2.12)]. Класс ненапрягаемой арматуры В-500. Влажность воздуха окружающей среды менее 75% - 
 . Формирование плит на металлическом поддоне с теплообработкой – в тоннельных камерах. напряжение арматуры – на упорах электротермическим способом.
Нагрузка на 1 м2 плиты приведена в табл.2.1
Сбор нагрузок на 1 м2 перекрытия
Таблица 2.1. – Сбор нагрузок на перекрытие
|   Нагрузка  |    Нормативная нагрузка, кН/м2  |    Расчетная нагрузка, кН/м2  |  |
|   Постоянная  |  |||
|   Паркет 0.02х8 кН/м3  |    0.16  |    1.3  |    0.208  |  
|   Шлакобетон 0.065х16 кН/м3  |    1.04  |    1.1  |    1.144  |  
|   Звукоизоляция из пенобетонных плит 0.06х5 кН/м3  |    0.30  |    1.2  |    0.36  |  
|   Многопустотная плита с круглыми пустотами  |    5,5  |    1.1  |    6,05  |  
|   перегородки  |    0,50  |    1,1  |    0,55  |  
|   Итого постоянная  |    7,50  |    8,312  |  |
|   Временная  |    2,0  |    1.2  |    2,40  |  
|   Итого полная  |    9,50  |    10,712  |  
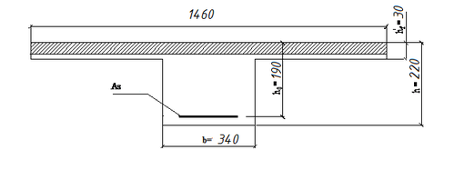
Назначение основных размеров плиты
Высота плиты:
Рис.2.2– Опалубочный чертеж плиты
2.1.2Расчет по 1-ой группе предельных состояний
Расчет полки плиты на изгиб
Для расчета выделяем полосу шириной в один метр. Сбор нагрузок на полку представлен в табл. 2.2.
Таблица 2.2. – Загружение полки плиты
|   Наименование нагрузок  |    q, кН/м  |  ||
|   1. Вес пола (табл.3.1)  |    1.5  |    -  |    1.712  |  
|   2. Вес полки 0.03х25  |    0.75  |    1.1  |    0.825  |  
|   3. Временная нагрузка (табл.3.1)  |    2,0  |    1.2  |    2,40  |  
|   Итого  |    4,25  |    -  |    4,937  |  
Изгибающий момент:
 
 – диаметр пустотного отверстия.
Полезная высота сечения при расположении арматуры в середине полки:
Подбор сечения арматуры:
Предельная относительная высота сжатой зоны
  
 относительная деформация растянутой арматуры при напряжениях, равных Rs
 
 -относительная деформация сжатого бетона при напряжениях Rb, принимаемая по [1, п.6.1.20]
 Принимаем минимальную сварную сетку по ГОСТ 8478-8 
 с площадью Аs= 0.63 см2 (5 4 В500).
Шаг поперечной арматуры – S1=200 мм.
Шаг продольной арматуры – S2=300 мм.
Следовательно, расчет продольной арматуры не нужен.
Устанавливаем продольную арматуру – конструктивно.
Такая же сетка принята к установке в нижней части плиты, во избежание вырывания бетона под пустотами при снятии опалубки.
Предварительный подбор сечения продольной арматуры
Изгибающий момент в середине пролета:
 где 
 – полная нагрузка на 1 м2 плиты;
Ширина полки, вводимой в расчет, принимается равной всей ширине верхней полки плиты так как имеет место:
В соответствии с [1, (п.3.16)], ширина полки bf’ ,
вводимой в расчет, принимается равной всей ширине верхней полки плиты: bf’ = 1,50 – 0,0052 – 0,0152 = 1,46 м.
Ширина ребра:
Рис.2.3. – Расчетное сечение плиты для I ГПС
Предположим, что нейтральная ось проходит в пределах полки (1 случай), то есть
где h0=h – a= 22–3= 19 см.
 
 , подтверждается первый случай расчета, нейтральная ось проходит в полке.
 Для вычисления коэффициента условия работы 
 по формуле:
 принимаем предварительно 
 . Для арматуры А800 коэффициент 
   [1, (п.3.13)]
Тогда :
 Принимаем 
 . Требуемое сечение арматуры равно:
Рис.2.4 Схема армирования П1
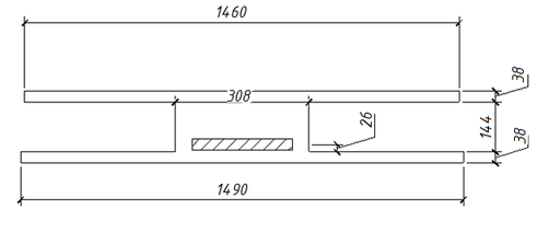
Определение приведенных характеристик сечения.
Заменяем пустоты равновеликими по площади и моментам инерции прямоугольниками.
 Толщина полок приведенного сечения 
 
Ширина ребра 146-8x14.4=30,8см:
Рис. 2.6 – Приведенное сечение плиты
Приведенная площадь сечения:
 где 
 – площадь приведенного сечения плиты;
 
 – площадь сечения продольной арматуры.
Приведенный статический момент относительно нижней грани сечения:
Положение центра тяжести приведенного сечения:
Приведенный момент инерции
Момент сопротивления по нижней зоне:
то же по верхней зоне:
Назначение величины предварительного напряжения арматуры
Для арматуры должны выполняться условия:
 
 для горячекатаной арматуры периодического профиля
Определение потерь предварительного напряжения
Первые потери:
1. От релаксации напряжений арматуры.
 При электротермическом натяжении стержневой арматуры 
 [1, (табл.5, поз.1)].
2. От температурного перепада
 
 [1, (табл.5, поз.2)]. Так как форма с изделием подогревается в тоннельной камере до одинаковой температуры, то 
 и 
 .
3. От обмятия анкеров.
 При электротермическом способе натяжения в расчете не учитывается
 [2, табл.5, поз.3].
4. От сил трения арматуры.
 При натяжении на упоры и отсутствии огибающих приспособлений не учитываются 
 [2, табл.5, поз.4].
5. От деформации стальной формы.
 При электротермическом способе натяжения в расчете не учитываются 
 [2, табл.5, поз.5].
6. От быстронатекающей ползучести бетона.
 Напряжения в бетоне на уровне центра тяжести предварительно напряженной арматуры 
 равны:
Передаточная прочность бетона Rbp для арматуры A800 назначается из условия Rbp≥11МПа, Rbp≥0.5·В25=12.5 МПа. Принимаем Rbp=12.5 МПа.
Так как
Вторые потери.
7. От усадки бетона.
 Для В25<В35 и при тепловой обработке изделия при атмосферном давлении 
 .
8. От ползучести бетона
 где 
 при тепловой обработке бетона.
 В итоге вторые потери 
 . Полные потери равны 
 
 Принимаем 
 = 136,18 МПа . (>100МПа)
Проверка прочности бетона в стадии обжатия
Напряжения в бетоне на уровне крайнего сжатого волокна после отпуска арматуры равны:
 Отношение 
 . Прочность бетона в стадии обжатия обеспечена.
Определение коэффициента точности натяжения арматуры
 Коэффициент точности натяжения арматуры 
 определяется по формуле:
При электротермическом способе натяжения:
Проверка принятого сечения предварительно напряженной арматуры
 Проверка сводится к вычислению коэффициента 
 , уточнению значения коэффициента 
 и сечения арматуры Аsp.
 Для определения коэффициента 
 вычислим следующие величины:
- предельное напряжение в арматуре сжатой зоны
 при неавтоматизированном электротермическом натяжении арматуры 
 
- предварительное напряжение в напрягаемой арматуре до обжатия бетона
Предельная относительная высота сжатой зоны
 Поскольку значение 
 не совпадает со значением, принятым ранее, то перерасчет арматуры требуется:
Характеристики
Тип файла документ
Документы такого типа открываются такими программами, как Microsoft Office Word на компьютерах Windows, Apple Pages на компьютерах Mac, Open Office - бесплатная альтернатива на различных платформах, в том числе Linux. Наиболее простым и современным решением будут Google документы, так как открываются онлайн без скачивания прямо в браузере на любой платформе. Существуют российские качественные аналоги, например от Яндекса.
Будьте внимательны на мобильных устройствах, так как там используются упрощённый функционал даже в официальном приложении от Microsoft, поэтому для просмотра скачивайте PDF-версию. А если нужно редактировать файл, то используйте оригинальный файл.
Файлы такого типа обычно разбиты на страницы, а текст может быть форматированным (жирный, курсив, выбор шрифта, таблицы и т.п.), а также в него можно добавлять изображения. Формат идеально подходит для рефератов, докладов и РПЗ курсовых проектов, которые необходимо распечатать. Кстати перед печатью также сохраняйте файл в PDF, так как принтер может начудить со шрифтами.















