ВКР Шевцов (1220519), страница 3
Текст из файла (страница 3)
Как только сигнал прекратится, управляющее устройство выключит ток во втором соленоиде и включит ток в следующем, третьем соленоиде. Таким образом, происходит поочередное включение всех ступеней ускорителя на основе сигнала единственного датчика ускорения.
В реальной конструкции после отключения соленоида от конденсаторного источника ток в обмотке соленоида исчезает не мгновенно, а вследствие индуктивности обмотки снижается за некоторое время выключения, зависящее от цепей гашения ЭДС самоиндукции обмотки соленоида и перегрузочной способности средств коммутации. Поэтому управляющее устройство начинает переключение ступеней заблаговременно, не дожидаясь точного положения полного втягивания снаряда в соленоид.
Для этого за время работы каждой ступени управляющее устройство фиксирует максимальный уровень сигнала от датчика, соответствующий максимальному ускорению ступени, и начинает отключение соленоида при снижении ускорения ниже некоторого значения, зависящего от зафиксированного максимального уровня. Таким образом, к моменту полного втягивания дроби ток в обмотке соленоида успевает снизиться до несущественной величины и при работе не происходит торможения дроби при её вылете из соленоида.
2.3 Электромагнитный ускоритель метаемого тела
Изобретение относится к электротехнике - электромагнитным ускорителям массы, и может быть использовано для метания ферромагнитных тел. Техническим результатом является увеличение эффективности преобразования электромагнитной энергии в кинетическую. Устройство состоит из катушек с расположенным внутри них по осевой линии цилиндрическим немагнитным стволом для метаемого тела, средств раздельного питания каждой из катушек и средств коммутации цепей питания каждой из катушек. Катушки выполнены с магнитопроводами. Каждая пара рядом расположенных катушек охвачена общим для этих двух катушек магнитопроводом. Кроме того, каждые из любых трех последовательно расположенных рядом катушек имеют пространственно разнесенные (повернутые относительно оси ствола) магнитопроводы – первый магнитопровод повернут относительно второго магнитопровода вокруг оси ствола таким образом, чтобы минимизировать влияние магнитных полей рассеяния одного магнитопровода на другой. Причем первый из этих магнитопроводов охватывает первую и вторую катушки, а второй охватывает вторую и третью катушки и т.д. Между магнитопроводами имеется немагнитный участок; они образуют практически независимые и не связанные между собой магнитные цепи. Источником питания каждой из катушек являются конденсаторы. Параметры средств управления ключами, коммутирующими цепи питания каждой из катушек, выбираются таким образом, чтобы после включения питания первой катушки при движении метаемого тела ток в первой катушке отключался при включенном питании второй катушки и, чтобы питание второй катушки выключалось после включения питания третьей катушки. Коммутации последующих катушек выполняются аналогично описанному способу. В результате ток вторичной индукции при отключении питания предыдущей катушки усиливает магнитное поле последующей катушки.
Основной технической задачей предложенного решения является увеличение эффективности преобразования электромагнитной энергии в кинетическую путем переноса части энергии от каждой выключаемой катушки к последующей включенной катушке синхронно с движением метаемого тела.
Рисунок 2.3 а, б – Схемы пространственного расположения магнитопроводов и катушек.
На рисунке 2.3. а, б схемы пространственного расположения магнитопроводов и катушек.
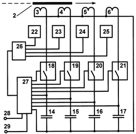
На рисунке 2.4 изображена электрическая схема электромагнитного ускорителя.
Рисунок 2.4 – Электрическая схема электромагнитного ускорителя.
На схемах приняты следующие обозначения:
1 – ствол; 2 – м етаемое тело; 3-6 – катушки; 7-13 – элементы магнитопроводов; 14-17 – конденсаторы питания катушек 3-6; 18-21 – коммутаторы в цепях питания катушек 3-6; 22-25 – датчики положения метаемого тела 2; 26 – средство предварительной обработки сигналов датчиков 22-25; 27 – средство заряда конденсаторов 14-17 и управления коммутаторами 18-21; 28-29 – выводы для подсоединения к источнику питания ускорителя.
Применение данного технического решения позволяет увеличить эффективность преобразования электромагнитной энергии в кинетическую.
2.4 Электромагнитное дробемётное устройство
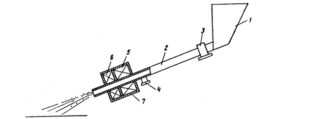
Изобретение относится к металлургии при непрерывной разливке стали может быть использовано для улучшения качества слитка и повышения производительности процесса путем ввода ферромагнитных дисперсных материалов в струю жидкого металла, а также в машиностроении при обработке поверхности изделий ферримагнитным абразивом с целью удаления окалины, ржавчины, краски и получения наклепа. Электромагнитное дробеметное устройство (рисунок 2.5, 2.6) содержит загрузочный бункер 1, наклонную направляющую трубу 2 из неферромагнитного непроводящего
Рисунок 2.5 – Общий вид
Рисунок 2.6 – Секция ускоряющих соленоидов с магнитопроводом, разрез
материала, электромагнитный дозатор 3, электромагнитный двухобмоточный фиксатор 4 начального положения дроби, основной ускоряющий соленоид 5 и вспомогательный ускоряющий соленоид 6 с магнитопроводами 7 стаканного типа.Основной ускоряющий соленоид 5 помещен в магнитопровод 8 стаканного типа, а вспомогательный соленоид 6 - в магнитопровод 9. Между соленоидами находится ферромагнитная шайба 10. Соленоиды охватывают неферромагнитный непроводящий трубопровод 2, который зафиксирован в осевом направлении упорными клиньями 11 из текстолита. Секция из двух соленоидов собрана с помощью крепежных шпилек 12.
Схема питания соленоидов (рисунок 2.7) содержит тиристорный блок 13 трехфазного двухполупериодного выпрямления переменного тока для питания основного соленоида 5, цепочку, состоящую из последовательно соединенных конденсатора 14 и диода 15 и включенную параллельно основному ускоряющему соленоиду, цепь, состоящую из последовательно соединенных тиристора 16, вспомогательного соленоида 6 и резистора 17 и включенную параллельно конденсатору 14, а также схему 18 управления тиристорами. Тиристорный блок 13 содержит тиристоры 19 и диоды 20.
Электромагнитное дробемётное устройство работает следующим образом. Из бункера 1 сыпучий ферромагнитный груз (чугунная или стальная дробь, сечка стальной проволоки и т.д.) подается по трубопроводу 2 в импульсный электромагнитный дозатор 3 (рисунок 2.5).
Рисунок 2.7 – Схема питания соленоидов
Отдозированная порция ферромагнитного материала самотеком движется вдоль трубопровода, захватывается магнитным полем фиксатора 4 и занимает исходное положение на входе основного ускоряющего соленоида 5. Одна из двух обмоток фиксатора питается от регулируемого источника напряжения и создает магнитное поле, необходимое для фиксации сыпучего материала, а другая обмотка включена последовательно с соленоидом 5 и создает нейтрализующее магнитное поле, снимающее фиксацию материала в момент нарастания ускоряющего силового поля соленоида. Основной ускоряющий соленоид 5 осуществляет разгон ферромагнитного сыпучего материала до требуемой скорости.
В зависимости от длительности прямоугольного импульса тока, обтекающего соленоид, можно получить различные по величине скорости движения груза в прямом и даже обратном направлении. Наибольшую скорость в направлении разгона можно получить тогда, когда отключение тока в соленоиде приходится на момент прохождения грузом центра соленоида, в результате чего на груз не оказывают влияние тормозящие его движение магнитные силы поля соленоида и груз тормозится только за счет механических сил сопротивления движению, обусловленных трением. Однако рассмотренная задача является идеализированной, так как в реальных условиях необходимо считаться с экспоненциальным характером нарастания и спада тока в соленоиде. Медленно спадающий ток соленоида после отключения его от источника создает тормозящее силовое поле и ферромагнитный груз теряет ранее полученную скорость, в результате чего установившаяся скорость груза на выходе оказывается в несколько раз меньшей по отношению к максимальной.
Для ускорения спада тока в основном соленоиде и, следовательно, получения более высоких выходных скоростей сыпучего ферромагнитного материала, а также для более рационального использования энергии магнитного поля этого соленоида предлагается схема питания дробеметной установки (рисунок 2.7).
Ток в цепи соленоида нарастает по экспоненциальному закону (участок кривых om на рисунке 2.8 б) и силовое поле соленоида разгоняет абразив до максимальной скорости. В момент времени t1, когда абразив находится вблизи центра соленоида 15, ток i6 соленоида медленно уменьшается по экспоненциальному закону (участок кривых mn рисунок 2.8 б) производя на груз останавливающий эффект. При включении последовательно с диодом 15 конденсатора 14 соответствующей ёмкости ток i5 начнёт спадать по периодическому закону (участок mcd), однако из-за диода появление отрицательных значений тока невозможно и процесс спада тока ограничивается участком mc кривых (рисунок 2.8 б). Таким образом, использование емкости 14 приводит к быстрому спаду тока в главном ускоряющем соленоиде 5. При этом энергия магнитного поля соленоида за вычетом тепловых потерь переходит в энергию электрического поля конденсатора.
Рисунок 2.8 – Графики зависимости напряжений и токов от времени для различных цепей схемы электропитания
Применение магнитопровода стаканного типа, выполненного из стали СТ-3 приводит к увеличению движущих сил метательного соленоида в 2,5-4 раза, что позволяет получить более высокие скорости ферромагнитного материала на выходе электромагнитного дробеметного устройства по сравнению с таковым без магнитопровода.
Использование вспомогательного метательного соленоида, питающегося за счет энергии, запасенной в магнитном поле основного ускоряющего соленоида и служащего дополнительной ступенью разгона ферромагнитного материала, позволяет существенно улучшить скоростные и энергетические показатели работы электромагнитного дробемётного устройства.
Предлагаемая схема электропитания соленоидов не только обеспечивает необходимую последовательность питания соленоидов, но и позволяет реализовать более быстрый спад тока в основном ускоряющем соленоиде после его отключения от источника, что также приводит к получению более, высоких скоростей вылета материала.
2.5 Анализ работ проведённых на кафедре ЭТЭЭМ по тематике ферромагнитного перемещения тел
Данная работа основана на изысканиях, проведённых на кафедре ЭТЭЭМ ДВГУПС, результаты которых подробно изложены в статьях «О возможности перемещения ферромагнитных тел в некоторых технологических установках промышленных предприятий» [7], «Перемещение ферромагнитных тел внутри соленоидов» [8]. Для дальнейшего исследования и отработки технологии ферромагнитного перемещения тел, проведён анализ указанных работ с целью выявления факторов, способных повысить эффективность превращения электрической энергии в энергию движения дроби, а так же характеристик установки, влияющих на скорость метаемого тела.
На кафедре ЭТЭЭМ была разработана установка, состоящая из катушек, надетых на полую диэлектрическую трубку. Катушки по бокам ограничены ферромагнитными кольцами, которые в тоже время являются частью магнитопровода. Кольца обтягиваются цилиндрическим ферромагнитным кожухом. К катушкам, через полупроводниковые диоды, подводится трехфазное напряжение. Количество катушек определяется способом питания катушек. Так как используется трёхфазная электрическая сеть, то для получения эффекта бегущего магнитного поля число катушек кратно числу фаз. Использование диодов обусловлено необходимостью ограничить ток, проходящий через катушки только одним направлением, то бы при переходе синусоиды напряжения не происходило втягивания метаемого тела внутрь катушки. Таким образом, диоды пропускают только одну полуволну напряжения в каждую катушку.
В ходе проведения экспериментов установлены факторы, влияющие на скорость движения метаемого тела, а так же определены методы по улучшению этого показателя.















