005 Основная часть с содержанием, введением и списком лит-ры (1217416), страница 6
Текст из файла (страница 6)
AB-320FRM, AB-321FK, AK-3165
Система непрерывно следит за состоянием агрегатов по параметрам вибрации, температуры и потребляемого тока, обеспечивая, благодаря встроенной экспертной системе, оперативную автоматическую диагностику агрегатов с указанием на дисплее причин неудовлетворительного состояния и предупреждая персонал речевым сообщением о недопустимых режимах работы оборудования.
4.2 Нормирование вибрации насосных агрегатов
Установлен факт, что при нормальном функционировании параметры вибрации различных агрегатов лежат ниже некоторых значений, которые можно использовать в качестве границ. Стандарт ассоциации “РОСТЕХЭКСПЕРТИЗА” СА-03-001-05 и руководящий документ “Центробежные электроприводные насосные и компрессорные агрегаты, оснащенные системами компьютерного мониторинга для предупреждения аварий и контроля технического состояния типа «КОМПАКС». Эксплуатационные нормы вибрации.”, утвержденный Госгортехнадзором и Минтопэнерго расширяют указанные нормативы в части использования для диагностики параметра "виброускорение" и скорости изменения трендов вибропараметров. Приведенные в этих документах нормы вибрации распространяются на электроприводные насосные и компрессорные агрегаты, оснащенные системами «КОМПАКС», и устанавливают нормы вибрации для оценки их технического состояния при эксплуатации и приемочных испытаниях после монтажа и ремонта.
По результатам исследований потери работоспособности насосными агрегатами и сопутствующих им виброакустических, температурных и токовых процессов было установлено, что основными причинами потери работоспособности являются износ и дефекты подшипников, нарушение центровки валов машины и привода и нарушение крепления агрегата к фундаменту. Существует также большое число сопутствующих причин потери работоспособности, определяемых уже индивидуально спецификой каждой машины. Например, для насосов - это кавитация, нагрузки в присоединенных трубопроводах, износ соединительной муфты, пропуск торцового уплотнения, при перекачке шламов и твердых отходов возможно нарушение балансировки и т.д. Для электродвигателей - это неравномерность магнитного зазора, потеря контакта в стержнях беличьей клетки ротора, повышенные нагрузки на обмотку статора. На основании накопленных знаний и числовых оценок процессов был разработан способ оценки технического состояния центробежного насосного агрегата по вибрации корпуса путем измерения вибропараметров с последующим построением трендов их изменения по времени и оценки по ним технического состояния агрегата.
Способ отличается тем, что вибрацию измеряют в процессе эксплуатации агрегата одновременно от совокупности входящих в него элементов, роторов насоса и двигателя, опорных подшипниковых узлов, соединительной муфты, всасывающего и нагнетательного трубопроводов и фундамента, к которому крепится агрегат. Тренды строят с помощью системы компьютерного мониторинга по вибрации отдельных частотных полос, например, высокочастотной, среднечастотной и низкочастотной, соответствующих виброускорению, виброскорости и виброперемещению элементов агрегата. По ним определяют одновременно значения указанных вибропараметров и скорости их изменения. Выделяют быстрый, медленный и знакопеременный тренды, соответствующие процессам быстрой и медленной деградации технического состояния разных узлов агрегата. Упомянутые параметры и тренды используют в качестве совокупности диагностических признаков, соответствующих совокупности входящих в агрегат элементов. Предварительно обучают систему компьютерного мониторинга, вводя в нее пороговые значения и комбинации диагностических признаков указанной совокупности. Оценку технического состояния агрегата и его элементов производят комплексно по табличной зависимости путем сравнения текущих и пороговых значений совокупности диагностических признаков и их комбинаций упомянутой совокупности, входящих в агрегат элементов. Персонал предупреждают о недопустимом состоянии агрегата визуальной сигнализацией и посредством речевого вывода предупреждения через громкоговоритель. Табличную зависимость состояния элементов агрегата от значений диагностических признаков строят предварительно эмпирическим путем в виде базы знаний, содержащей пороговые значения признаков и их комбинаций, обусловленные причинно-следственными связями между ними и элементами агрегата, и представленной в виде таблицы 4.2
Таблица 4.2 – база знаний
где A – виброускорение, V – виброскорость, S – виброперемещение, соответствующие высокочастотной, среднечастотной и низкочастотной полосам вибрации; Va – скорость изменения тренда виброускорения в ходе эксплуатации; Vv – скорость изменения тренда виброскорости в ходе эксплуатации; VS – скорость изменения тренда виброперемещения в ходе эксплуатации; >Vi – быстрый тренд, когда вибропараметр изменяется от предупредительного до аварийного порога на коротком интервале времени; <Vi – медленный тренд, когда вибропараметр изменяется от предупредительного до аварийного порога на длинном интервале времени; ⊕ Vi – медленный знакопеременный тренд; A, V, S, (<±>) Va, Vv, VS – диагностические признаки, входящие в совокупность диагностических признаков, по которым оценивают состояние элементов агрегата, и превышающие пороговые значения; &, + - знаки логических операций, конъюнкции (И) и дизъюнкции (ИЛИ), комбинаций диагностических признаков, соответственно, обусловленных причинно-следственными связями между ними и элементами агрегата.
Разработана оболочка экспертной системы, которая имеет возможность задания в файлах конфигурации набора решающих правил в виде файла конфигурации. Это приводит к открытой архитектуре экспертной системы, позволяющей производить ее расширение и изменение без изменения ядра системы. Экспертная система, используя высказывания в виде логических выражений, часть из которых приведена в указанной базе знаний, выдает сообщения о состоянии оборудования на экран, выдает речевое предупреждение персоналу и команду на останов агрегата, если последний оснащен электрозадвижками и клапанами, отсекающими его от технологического потока при соответствующих возможностях производственного процесса.
Наличие встроенной экспертной системы обеспечивает достаточно быструю полную и надежную безразборную диагностику технического состояния агрегата путем выявления следующих неисправностей:
-
ослабление крепления насоса и двигателя к фундаменту;
-
нарушение центровки и балансировки вращающихся деталей;
-
недопустимые колебания фундамента и трубопроводов;
-
кавитация и гидроудар;
-
дефекты подшипников насоса и двигателя;
-
износ соединительной муфты;
-
пропуск торцового уплотнения насоса;
-
недопустимые пульсации и амплитуды тока приводных двигателей по каждой фазе.
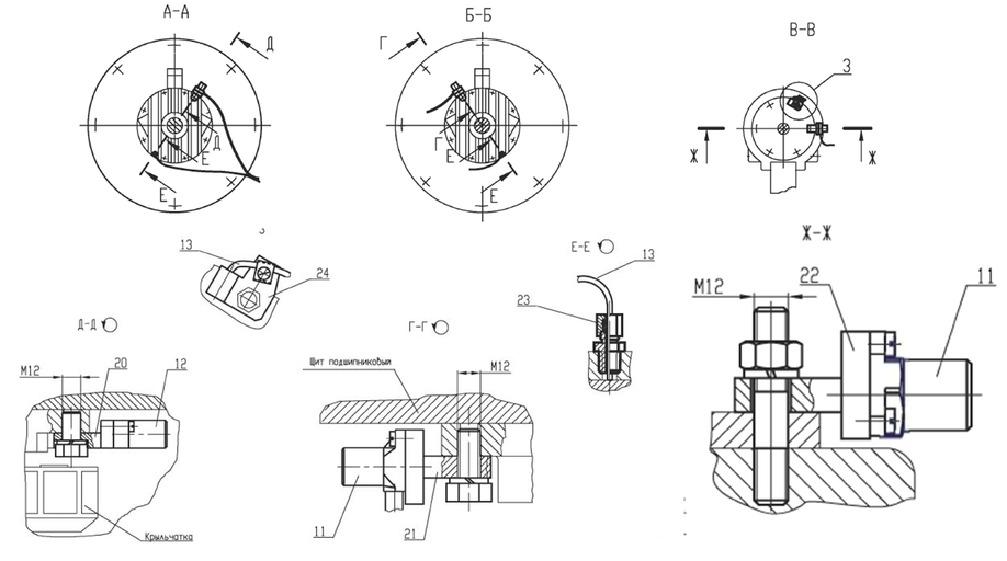
4.3 Схемы подключения и монтажа датчиков подшипников
электродвигателя
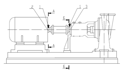
На рисунке 4.3 показан способ установки двух вибродатчиков для диагностики технического состояния электродвигателей, который устанавливается на передний подшипниковый щит электродвигателя в горизонтально-радиальном направлении к оси вала под углом 45° к плоскости горизонта. На рисунках 4.4.1 и 4.4.2 показан способ установки трех датчиков вибрации и трех датчиков температуры на насосы Н-1, Н-2 и Н-3 бойлерной установки.
Рисунок 4.3 Схема расположения датчиков вибрации на агрегатах
Н-1, Н-2 и Н-3 бойлерной установки
Рисунок 4.4.1 Схема монтажа датчиков системы «КОМПАКС-М»
Рисунок 4.4.2 Схема монтажа датчиков системы «КОМПАКС-М»
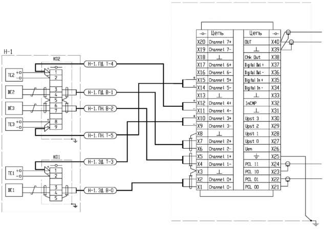
На рисунке 4.5 изображена схема подключения датчиков температуры и вибрации коренного и полевого подшипников насоса Н-1, для оставшихся насосов Н-2 и Н-3 данная схемы выполняется аналогично.
Рисунок 4.5 Схема подключения датчиков температуры и вибрации
коренного и полевого подшипников насоса Н-1
Для диагностики технического состояния насосов на бойлерной установке используется расположение вибродатчиков, показанное на рисунке 4.3. Вибродатчик устанавливается на передний подшипниковый узел в горизонтально радиальном направлении к оси вала под углом 45° к плоскости горизонта. В этой точке вибродатчик способен зафиксировать возникновение механических дефектов: крепления, расцентровки со стороны насоса, дисбаланса, дефектов подшипников, рабочего колеса, соединительной муфты и технологических дефектов: прохват, кавитация, гидроудар.
Система «КОМПАКС-М» осуществляет непрерывный круглосуточный мониторинг технического состояния агрегата с непрерывной фиксацией в памяти на жестком диске всех параметров, измеряемых на данном агрегате, что позволяет осуществить его надежную противоаварийную защиту в течение всего межремонтного пробега установки.
4.4. Отчет по эксплуатации насосных агрегатов
Система «КОМПАКС-М» на бойлерной установке измеряет по каждому подшипнику 3 параметра вибрации: виброускорение, виброскорость, виброперемещение, а также ток потребления агрегата и температуру подшипников. В качестве примера анализа эксплуатации насосов бойлерной установки приведен отрывок из отчета по эксплуатации насосов, который наглядно показывает необходимость в системе мониторинга состояния электропривода.
Анализ эксплуатации насосов бойлерной установки
Система «КОМПАКС-М» реализует Автоматизированную Систему Управления Безопасной Ресурсосберегающей Эксплуатацией (АСУБЭР) оборудования, на основе непрерывного мониторинга и диагностики состояния, обеспечивающую полное использование ресурса заложенного в оборудовании, при одновременном сохранении его ремонтопригодности и безопасности производства, контроль качества ремонта агрегатов, исключение отрицательного влияния человеческого фактора, переход от системы ППР к ремонтам по фактическому состоянию и представление объективной информации о состоянии оборудования управляющему персоналу предприятия всех уровней.
Система переводит отказы агрегатов из категории внезапных в категорию наблюдаемых, своевременно предупреждая персонал об изменении технического состояния оборудования с выдачей рекомендаций по неотложным действиям, которые необходимо выполнить для приведения оборудования к техническому состоянию «Допустимо».
Агрегат Н-1.
В насосной бойлерной установки в состоянии <Недопустимо> (НДП) в течении продолжительного времени (с момента внедрения системы «КОМПАКС-М») эксплуатируется насос Н-1. На трендах (рисунок 4.6) наблюдаются высокие значения СКЗ виброскорости (Ve) от 9,7 мм/с до 25 мм/с, при пороговых значениях требует принятия мер, недопустимо (ТПМ, НДП): 6,3 мм/с и 8 мм/с соответственно. Аналогично виброскорости происходят изменения виброускорения (Ае) (рисунок 4.7), но за пределы пороговых значений они не выходят. При этом выводятся экспертные сообщения: в состоянии недопустимо: ПРОВЕРЬ_ЦЕНТРОВКУ, НЕДОПУСТИМОЕ_ИЗМЕНЕНИЕ_V;НЕДОПУСТИМОЕ_ИЗМЕНЕНИЕ_А, РАЗРУШЕНИЕ_ПОДШИПНИКА. В спектре виброскорости присутствуют первые три гармоники оборотной частоты с преобладанием второй, этот факт говорит о несоосности валов электродвигателя и насоса. Вследствие этого возникают дополнительные напряжения на вал насоса, вызывающие рост вибрации агрегата. Руководствуясь производственной инструкцией, персонал около пяти раз останавливал для центровки и после проведения работ ему удалось вывести показания в зону Допустимо. персонал останавливает агрегат для выполнения центровки.
Агрегат Н-2.
Аналогичная ситуация наблюдается в этой же насосной с агрегатом Н-2. С начала регистрации вибросостояния насоса (рисунок 4.8) наблюдается повышенный уровень виброскорости, которая возросла на 7 единиц с 10,25 мм/с до 17,25 мм/с при пороговых значениях ТПМ, НДП на данном узле 6,3 мм/с, 8 мм/с соответственно. При этом экспертная система оповещает персонал следующими сообщениями: ПРОВЕРЬ_ЦЕНТРОВКУ, НЕДОПУСТИМОЕ_ИЗМЕНЕНИЕ_V.
Агрегат Н-3.
Системой КОМПАКС-М был предупреждён внезапный аварийный останов агрегата Н-3. При пуске данного агрегата на тренде виброускорения переднего подшипника двигателя наблюдается уровень, превышающий пороговое значение НДП (24 мм/с2), составляет он 26,58 мм/с2. В течении суток уровень виброускорения падает до допустимых значений (рисунок 4.9). Далее 04.05.2012 происходит резкий рост виброскорости (рисунок 4.10) до 23,42 мм/с (порог НДП 18 мм/с), так же значение виброперемещения Se в этот момент составляет 289 мкм (порог НДП 57 мкм). Далее происходит понижение уровней Ve до 16,6 м/с, Se до 205, 97 мкм. Персонал по рекомендациям системы «КОМПАКС-М» проводит остановки и применяет меры по снижению вибронагруженности данного узла (подтягивание опор электродвигателя, добавление смазки в подшипниковый узел), но кардинально ситуация не изменилась. Агрегат был остановлен и отправлен на ремонт. После запуска уровни Ae, Ve, Se составляют 13,9 мм/с2, 2,39 мм/с, 17,7 мкм соответственно.














