005 Основная часть с содержанием, введением и списком лит-ры (1217416), страница 4
Текст из файла (страница 4)
Акустический импедасный метод является наиболее распространенным средством неразрушающего контроля соединений в многослойных конструкциях и изделий из слоистых пластиков. Метод основан на различии механических импедансов дефектных и доброкачественных участков контролируемого изделия.
Метод свободных колебаний (МСК) определен в ГОСТ 23829-85 как «метод акустического неразрушающего контроля, основанный на возбуждении свободно затухающих упругих колебаний в контролируемом объекте или его части и анализе параметров этих колебаний». Различают интегральный и локальный варианты МСК. В первом используется колебания контролируемого объекта как единого целого, во втором (локальном) – только его части. В МСК информативным параметром служит изменение спектра свободных упругих колебаний контролируемых объектов.
Наиболее информативным считается метод определения фактического технического состояния оборудования по анализу его вибраций, которые могут порождаться силами различной природы - и механической, и электромагнитной, и гидро- и аэродинамической, и т. д.
-
Основные методы диагностики электропривода
Используемые в современных системах мониторинга технического состояния технологического оборудования методы диагностирования можно разделить на две основные группы. К первой относятся методы тестовой диагностики, требующие формирования искусственных возмущений, воздействующих на объект диагностики [6]. По степени искажения возмущений судят о состоянии объекта. Возмущения имеют известные характеристики, и предметом изучения являются только те искажения, которые возникают при их передаче через объект. Подобные методы строятся на базе достаточно простых информационных технологий и широко используются для диагностирования различных узлов на этапе их изготовления, а также машин и оборудования в неработающем состоянии.
Вторая группа включает в себя методы функциональной (рабочей) диагностики, используемые, в первую очередь, для машин, являющихся источником естественных возмущений в процессе их работы. Эти методы ориентированы, прежде всего, на анализ процессов формирования возмущений, а не их искажений во время распространения.
Ниже рассматриваются информационные технологии для функциональной диагностики.
Простейшей из основных является энергетическая технология, основанная на измерении мощности или амплитуды контролируемого сигнала. В качестве диагностического сигнала может использоваться температура (перепад температур), давление, шум, вибрация и многие другие физические параметры. Технология строится на измерении величин сигналов в контрольных точках и сравнении их с пороговыми значениями.
Развитием энергетической технологии является информационная частотная технология, предполагающая выделение из измеряемого сигнала составляющих в определенных частотных диапазонах и дальнейший энергетический анализ выделенных составляющих. Технология частотного анализа используется не только для контроля и диагностики машин, но и для их аварийной защиты
Еще одна, информационная фазо-временная технология, основана на сравнении формы сигналов, измеренных через фиксированные интервалы времени.
Сравнение формы сигналов, но уже с эталонной, можно осуществлять с помощью еще одной, информационной спектральной технологии, основанной на узкополосном спектральном анализе сигналов. При использовании такого вида анализа сигналов диагностическая информация содержится в соотношении амплитуд и начальных фаз основной составляющей и каждой из кратных ей по частоте составляющих. Такая технология применяется для анализа сигналов с датчиков давления, вибрации, шума, а также датчиков тока и напряжения в электрических машинах и аппаратах.
Перечисленные выше информационные технологии применялись еще в прошлом столетии для контроля работоспособности паровых машин. Лишь спектральная технология начала широко использоваться в середине этого века после создания относительно простых анализаторов спектра сигналов различной природы.
Параллельно развитию систем мониторинга на базе уже существующих информационных технологий во многих странах шел поиск новых методов анализа сигналов для решения диагностических задач. Так, в 1968 году специалистами Швеции был запатентован метод, давший понятие информационной технологии ударных импульсов. Вибрация, возбуждаемая короткими импульсами, значительно изменяет мгновенную (пиковую) амплитуду сигнала, практически не изменяя ее среднеквадратичное значение (мощность). Отношение пикового значения (пик) к среднеквадратичному (СКЗ), называемое пикфактором, является тем параметром, который реагирует на появление отдельных коротких импульсов. Так, у случайного сигнала без ударных импульсов типовое значение пикфактора лежит в пределах от 3 до 4, а при появлении редких, но сильных импульсов может превышать значения порядка 20-30.
Рассмотренная информационная технология позволяет использовать для решения диагностических задач простейшие средства измерения. Этот факт и определил широкое распространение технологии ударных импульсов, однако необходимость решения более сложных диагностических задач и существенно ограниченные возможности данной технологии явились основной причиной поиска новых, более совершенных диагностических технологий.
-
Описание системы диагностики электропривода
«КОМПАКС-М»
Система «КОМПАКС-М» предназначена для непрерывного измерения и анализа параметров абсолютной и относительной вибрации, температуры подшипников, давления перекачиваемого продукта, давления и уровня затворной жидкости в торцовых уплотнениях консольных центробежных насосов, тока потребления электропривода, напряжения постоянного и переменного тока, частоты вращения, спектра амплитуд и частот для оценки и прогнозирования технического состояния оборудования [7].
Система «КОМПАКС-М» изготовлена на основании Разрешения на применение № РРС 00-35857 от 14.09.09 федеральной службы по экологическому, технологическому и атомному надзору и соответствует техническим условиям КОБМ.421451.002 ТУ, техническим требованиям СА-03-002-05 и предназначена для обеспечения безопасной экологически чистой ресурсосберегающей технологии эксплуатации машинного оборудования взрывопожароопасных производств, предупреждения аварий, производственных неполадок и управления техническим состоянием оборудования путем непрерывного компьютерного мониторинга, диагностики и прогнозирования его технического состояния. На рисунке 3.2 изображена стойка с дисплеем системы «КОМПАКС-М».
Рисунок 3.2 Стойка с дисплеем системы
мониторинга «КОМПАКС-М»
Система обеспечивает отображение состояния технологической системы и оборудования на цветном мониторе на основе светофорных пиктограмм:
ЗЕЛЕНЫЙ - состояние НОРМА;
ЖЕЛТЫЙ - состояние ТРЕБУЕТ ПРИНЯТИЯ МЕР;
КРАСНЫЙ - состояние НЕДОПУСТИМО
Встроенная экспертная система автоматически определяет и прогнозирует неисправность контролируемого оборудования и выдает рекомендации персоналу по дальнейшим действиям. Система информирует персонал речевым сообщением о состоянии оборудования через акустическую систему.
На рисунке 3.3 показана структурная схема, характеризующая процесс работы системы мониторинга и диагностики состояния электропривода «КОМПАКС-М». После обработки сигналов с вращающегося оборудования, экспертная система «КОМПАКС» выявляет диагностические признаки из всех спектров сигналов, по измеренным данным строит тренды, и на основании базы знаний делает вывод о состоянии электропривода в виде речевого предупреждения, цветных пиктограмм и текстовых сообщений на дисплее.
В диагностику входят такие параметры, как
- вибрация подшипников,
- температура подшипников,
- ток потребления электропривода,
- напряжения постоянного и переменного тока,
- частота вращения, а также ряд других параметров, которые можно добавить исходя из возможностей эксплуатируемой системы.
Рисунок 3.3 Структурная схема работы системы «КОМПАКС-М»
-
Технические характеристики, компоненты и принцип работы системы диагностики электропривода «КОМПАКС-М»
Основные технические характеристики системы приведены в таблице 3.1.
Таблица 3.1- технические характеристики системы «КОМПАКС-М»
| Наименование характеристики | Значение |
| 34 |
| 445 |
| виброускорение | 65 |
| виброскорость | 65 |
| виброперемещение | 65 |
| температура | 52 |
| ток | 21 |
| самоконтроль | 151 |
| Параметры, получаемые из АСУ ТП: | |
| ток | 13 |
| частота вращения | 13 |
| 220±10% |
| напряжение, В | 50±0,4 |
| частота, Гц | |
| 225 |
| |
| виброускорение | 10 – 3000 |
| виброскорость | 10 – 1000 |
| виброперемещение | 10 – 200 |
| |
| виброускорение | ± 6 |
| виброскорость | ± 7 |
| виброперемещение | ± 8 |
| ± 1 |
Система «КОМПАКС-М» имеет взрывозащищенное исполнение и соответствует требованиям следующих стандартов: ГОСТ Р 51330.0-99 (МЭК 60079-0-98), ГОСТ Р 51330.10-99 (МЭК 60079-11-99), ГОСТ Р 51330.13-99 (МЭК 60079-14-96), гл. 7.3. Правил устройства электроустановок (ПУЭ). В роли измерителя выступает модуль PIM (Programmable Interface Module), изображенный на рисунке 3.4.
Модули PIM могут устанавливаться во взрывоопасных зонах любого класса в соответствии с гл. 7.3 ПУЭ, в которых возможно образование взрывоопасных смесей категорий IIA, IIB, IIC температурных классов Т1÷Т5 по классификации ГОСТ 12.1.011 и имеют маркировку взрывозащиты “0ExiaIICT5 в комплекте системы «КОМПАКС-М». Преобразователи пьезоэлектрические виброизмерительные AB-311FRU, AB-321FK, преобразователи термоэлектрические КТХК 3/2000 могут устанавливаться во взрывоопасных зонах любого класса в соответствии с гл. 7.3 ПУЭ, в которых возможно образование взрывоопасных смесей категорий IIA, IIB, IIC температурных классов Т1УГ6 по классификации ГОСТ 12.1.011 и имеют маркировку взрывозащиты 0ExiaIICT6 в комплекте системы «КОМПАКС-М».
Комплект GDU имеющие маркировку взрывозащиты [Exia]IIC в комплекте системы «КОМПАКС-М» предназначены для установки вне взрывоопасных зон. Диагностический контроллер, входящий в состав системы, предназначен для установки вне взрывоопасных зон и имеет маркировку взрывозащиты.
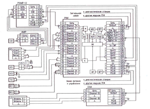
На рисунке 3.5 показана схема включения модуля PIM. Программируемый интерфейсный модуль PIM предназначен для:
- коммутации, фильтрации и усиления сигналов с датчиков генераторного и
параметрического типа, применяемых совместно с соответствующими модулями питания этих датчиков;
Рисунок 3.4 Структурная схема системы «КОМПАКС-М»
на базе модуля PIM
Рисунок 3.5 Схема включения модуля PIM
- гальванической развязки сигнального выхода и входов линии питания и управления от корпуса и клеммы защитного заземления;
- преобразования сигналов с измерительных датчиков в выходной ток;














