3 раздел 2 (1210353)
Текст из файла
Технические характеристики ключа выбора ПВ1-10 указаны в таблице 3.12.
Рисунок 3.9 - Схема ключа выбора режима ПВ1-10
Таблица 3.12 - Техническая характеристика ключа выбора ПВ1-10
| Параметры прибора | Величина |
| Напряжение питания, В | 220 |
| Частота, Гц | 50 |
| Номинальный ток контактов, А | 6 |
| Число коммутированных цепей, шт. | 4-2 |
| Фиксация коммутируемых цепей | 10º-120º |
| Коммутируемых цепей | 1-4 |
3.4.3 Блок ручного управления БРУ-22.
Блок ручного управления рассчитан на перемещения в автоматизированных системах управлениях техническими процессами и предназначен для переключения цепей управления исполнительными устройствами, индикации положения цепей управления.
Технические характеристики блока ручного управления БРУ-22 указаны в таблице 3.13.
Таблица 3.13 - Техническая характеристика блока ручного управления БРУ-22
| Параметры прибора | Величина |
| Напряжение питания, В | 220 |
| Частота, Гц | 50 |
| Температура окружающей среды, ºС | +5-+50 |
| Влажность, % | 30-80 |
| Потребляемая мощность, ВА | 2,5 |
| Масса, Кг | 0,5 |
3.4.4 Указатель положения регулирующего органа ДУП
Дистанционный указатель положения ДУП изображённый на рисунке 3.10 предназначен для передачи на щит оператора сведений о положение регулирующего органа в системе регулирования. Показания измерительного прибора ИП, включенного в измерительную диагональ моста соответствуют положению выходного вала исполнительного механизма в процентах от полного угла поворота вала.
Технические характеристики ДУП указаны в таблице 3.14.
Рисунок 3.10 - Принципиальная электрическая схема ДУП
Таблица 3.14 - Техническая характеристика ДУП.
| Параметры прибора | Величина |
| Напряжение питания, В | 220 |
| Частота, Гц | 50 |
| Потребляемая мощность, ВА | 23 |
| Температура окружающей среды, С0 | +5-+50 |
| Быстродействие, С | 3 |
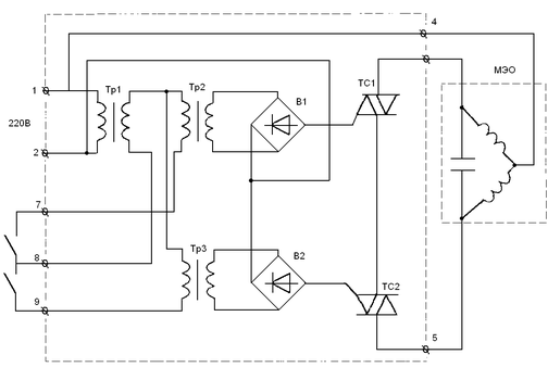
3.4.5 Пускатель бесконтактный реверсивный
Пускатель бесконтактный реверсивный типа ПБР-2 изображённый на рисунке 3.11. Предназначен для управлением асинхронным однофазным конденсаторным электродвигателем, который используется в качестве приводов исполнительном механизме типа МЭО-160/25-0,68.
Рисунок 3.11 - Принципиальная электрическая схема пускателя ПБР-2
Пускатель может управляться не только пассивными, но и активными сигналами с помощью дополнительных теристорных ключей, срабатывание которых происходит при подаче управляющего напряжения. Кроме того, пускатель имеет специальный выход для управления электромагнитным тормозом МЭО-400/25-0,25
Технические характеристики пускателя ПБР-2 указаны в таблице 3.15.
| Параметры прибора | Величина |
| Напряжение питания, В | 220 |
| Частота, Гц | 50 |
| Потребляемая мощность, ВА | 88 |
| Температура окружающей среды, С0 | От плюс5 до плюс50 |
| Токовый сигнал, мА | От плюс 5до плюс 10 |
| Габариты, мм | 240х90х196 |
Таблица 3.15 - Техническая характеристика пускателя ПБР-2
3.4.6 Регулирующий орган
В качестве регулирующего органа используется клапан односедельный прямого действия изображённый на рисунке 3.12.
Рисунок 3.12 - Регулирующий орган
3.4.7 Исполнительный механизм МЭО400/25-0,25
Предназначен для перемещения регулирующего органа в соответствии с командным сигналом регулятора.
Исполнительный механизм состоит из: редуктора, электродвигателя, блока сигнализации положения, штепсельного разъема, болта заземления, ручного привода. Редуктор является основным узлом, к которому присоединяются все остальные узлы, входящие в механизм.
В качестве электродвигателя применяется самотормозящийся однофазный асинхронный двигатель с короткозамкнутым ротором. Блок сигнализации положения предназначен для преобразования положения выходного вала механизма в пропорциональный электрический сигнал, либо изменение активного или реактивного сопротивления, а также для сигнализации и блокирования в крайних или промежуточных положениях выходного вала. При отклонении регулируемой величины от заданного значения на выходе электронного блока прибора появляется сигнал, в результате чего пускатель срабатывает и включает электродвигателя исполнительного механизма, который перемещает регулирующий орган в сторону заданного значения регулируемой величины.
Когда воздействие устройства обратной связи уравновесит воздействие внешнего сигнала, катушки пускателя обесточатся и электродвигатель остановится. Периодические включение двигателя будут продолжаться до тех пор, пока значение регулируемой величины не станет равным заданному.
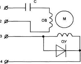
Для перемещения регулирующего органа применяется механизм электрический однооборотный типа МЭО400/25-0,25 изображённый на рисунке 3.13.
Рисунок 3.13 - Схема исполнительного механизма типа МЭО
3.5 Описание работы схем автоматизации
Функциональная схема систем автоматизации технологических процессов является основным техническим документом, определяющим структуру и характер систем автоматизации технологических процессов, а также оснащения их приборами и средствами автоматизации. На функциональной схеме дано упрощенное изображение приборов, подлежащих автоматизации, а также приборов, средств автоматизации и управления, изображаемых условными обозначениями по действующим стандартам, а также линии связи между ними.
Схема автоматизации предусматривают следующие системы регулирования и контроля в автоклаве:
3.5.1 Контроль вакуума в автоклаве
Для контролирование вакуума в автоклаве в качестве первичного преобразователя используем электрический преобразователь давления Метран100-ДИ (поз.1а,1б). Сигнал поступает на вторичный прибор программируемого контроллера ОВЕН 160 (поз.1в) который регистрирует показание.
48
Характеристики
Тип файла документ
Документы такого типа открываются такими программами, как Microsoft Office Word на компьютерах Windows, Apple Pages на компьютерах Mac, Open Office - бесплатная альтернатива на различных платформах, в том числе Linux. Наиболее простым и современным решением будут Google документы, так как открываются онлайн без скачивания прямо в браузере на любой платформе. Существуют российские качественные аналоги, например от Яндекса.
Будьте внимательны на мобильных устройствах, так как там используются упрощённый функционал даже в официальном приложении от Microsoft, поэтому для просмотра скачивайте PDF-версию. А если нужно редактировать файл, то используйте оригинальный файл.
Файлы такого типа обычно разбиты на страницы, а текст может быть форматированным (жирный, курсив, выбор шрифта, таблицы и т.п.), а также в него можно добавлять изображения. Формат идеально подходит для рефератов, докладов и РПЗ курсовых проектов, которые необходимо распечатать. Кстати перед печатью также сохраняйте файл в PDF, так как принтер может начудить со шрифтами.















