Диплом Фомин конечный (1195309), страница 3
Текст из файла (страница 3)
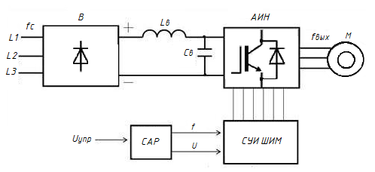
ПЧ состоит из следующих основных частей: выпрямителя, инвертора и системы управления.
В выпрямителе переменное напряжение сети преобразуется в напряжение постоянного тока. После него пульсирующее однополярное напряжение сглаживается с помощью фильтра.
Трехфазный инвертор осуществяет преобразование выпрямленного напряжения в трехфазное переменное напряжение заданной частоты и амплитуды, которое прикладывается к обмоткам статора электродвигателя. Инвертор состоит из шести транзисторных ключей, чаще всего используют силовые IGBT-транзисторы. По сравнению с тиристорами они имеют более высокую частоту переключения, что позволяет вырабатывать выходной сигнал синусоидальной формы с минимальными искажениями.
Структурная схема ПЧ представлена на рисунке 1.6.
Рисунок 1.6 - Структурная схема преобразователя частоты
Обозначения в схеме на рисунке 1.6:
-
В – выпрямитель;
-
АИН – автономный инвертор напряжения;
-
СУИ ШИМ – система управления импульсами широтно-импульсного преобразователя;
-
САР – система автоматического регулирования.
Управляющий сигнал напряжения
поступает на САР и является задатчиком скорости. После преобразования из САР выходит напряжение требуемой частоты на СУИ ШИМ, где формируются управляющие импульсы на транзисторные ключи, соединенные с выводами СУИ ШИМ. В АИН формируется напряжение заданной частоты в зависимости от частоты поступающих сигналов на транзисторные ключи.
Широтно-импульсное управление характеризуется периодом модуляции, внутри которого обмотка статора электродвигателя подключается поочередно к положительному и отрицательному полюсам выпрямителя. Чем больше частота модулирования сигналов, тем больше выходное напряжение приближено к синусоидальному закону, благодаря фильтрующим свойствам самих обмоток.
На рисунке 1.7 представлена двухполярная последовательность прямоугольных импульсов.
Рисунок 1.7 - Двухполярная последовательность прямоугольных импульсов
Такая система управления обладает высоким КПД.
На рисунке 1.8 представлена 3-х фазная мостовая схема автономного инвертора на IGBT-транзисторах.
Рисунок 1.8 - Трехфазная мостовая схема автономного инвертора на IGBT-транзисторах
Она состоит из шести диодов, соединенных по мостовой схеме, образующих какскад выпрямителя; входного фильтра, включающего
и
и шести IGBT-транзисторов V1-V6, включенными встречно-параллельно диодами обратного тока D1-D6, образующими каскад инвентора.
Существует два способа регулирования выходного напряжения инвертора:
-
амплитудным за счет изменения входного напряжения
; -
широтно-импульсным за счет изменения программы переключения вентилей V1-V6 при Uв = const.
-
РАЗРАБОТКА СИСТЕМЫ ЧАСТОТНОГО РЕГУЛИРОВАНИЯ НАСОСОВ
2.1 Структурная схема системы управления
В модернизируемой системе управление насосами будет осуществляться с помощью следующих элементов:
-
центробежного насоса с асинхронным электродвигателем с короткозамкнутым ротором. Насос включается при подаче на него трехфазного напряжения и предназначен для создания напора воды;
-
частотного преобразователя. ПЧ включается в зависимости от управляющего сигнала и преобразовывает трехфазное напряжение сети в трехфазное питающее напряжение насоса требуемой частоты;
-
датчиков уровня воды. Они предназначены для определения уровня воды в пруде;
-
программируемого реле. Предназначено для управления ПЧ и обработки сигналов от датчиков уровня воды;
-
графического терминала. Служит в качестве панели оператора для удобного раздельного и совместного управления фонтанами.
Энергетический обмен происходит по двум каналам.
-
Силовой канал. По этому каналу протекают высокие рабочие токи, необходимые для создания электромагнитного момента двигателя насоса. Представляет собой трехфазную питающую сеть напряжением 380 В и частотой 50 Гц, которая с помощью частотного преобразователя трансформируется и направляется в двигателю.
-
Информационный канал. По этому каналу протекают незначительные токи с номинальным напряжением 5 В. Основная цель информационного канала – создавать управляющие воздействия на управляемые элементы системы.
Структурная схема системы приведена на чертеже БР 13.03.02 025 Э12.
-
Построение алгоритма функционирования системы управления
Синтезируем алгоритм работы системы автоматики.
-
Проверяются сигналы от датчиков уровня воды.
-
Если уровень воды ниже положения нижнего датчика или превышает уровень положения верхнего датчика, то питание на насосы не подается. При отсутствии аварийных сигналов система готова к запуску.
-
Далее алгоритм работы зависит от команды оператора с графического терминала
Структурная схема панели оператора представлена на рисунке 2.1.
Рисунок 2.1 – Структурная схема панели оператора
При нажатии кнопки «пуск» из выходных каналов программируемого реле подаются управляющие сигналы на все преобразователи частоты системы и на дисплее программируемого реле загорается соответствующий индикатор пуска насосов.
При нажатии кнопок «фонтан 1» - «фонтан 4» запускаются соответственно 1-4 фонтаны.
При нажатии кнопок «центр 1» - «центр 4» запускаются насосы только центральных форсунок выбранных фонтанов.
При нажатии кнопок «круг 1» - «круг4» запускаются насосы только круговых труб с наклонными форсунками выбранных фонтанов.
-
При отстутсвии сигнала с программируемого реле двигатели останавливаются.
2.3 Выбор оборудования модернизируемой системы
Выберем оборудование для выполнения алгоритма работы, описанного в подразделе 2.2.
2.3.1 Подбор насоса
Для использования совместно с частотным преобразователем двигатель должен соответствовать следующим требованиям:
-
работать при различном напряжении питания;
-
работать при различной частоте питающего напряжения;
-
иметь изолированные подшипники.
В современных искусственных водоемах фонтана чаще всего устанавливаются центробежные насосы. В отличие от других типов насосного оборудования, они характеризуются меньшим количеством трущихся друг об друга механизмов. При помощи центробежного насоса можно получить струю, достигающую в высоту до 50 м.
Выберем насос КМ 80-65-160.
Технические характеристики этого насоса приведены в таблице 2.1.
| Серия | КМ |
| Номинальная подача, м³/ч | 50 |
| Напор, м | 32 |
| Частота вращения, об/мин | 2895 |
| Давление на входе в насос, кгс/см², не более | 6 |
| КПД, % | 71 |
| Напряжение питания, В | 380 |
| Частота тока, Гц | 50 |
| Мощность двигателя, кВт | 7.5 |
Таблица 2.1 - Технические характеристики насоса КМ 80-65-160
В насосе КМ 80-65-160 установлен двигатель АИР112М2Ж. Чертеж двигателя АИР112М2Ж представлен на рисунке 2.2.
Рисунок 2.2 - Чертеж двигателя АИР112М2Ж
Технические характеристики двигателя приведены в таблице 2.2.
Таблица 2.2 - Технические характеристики двигателя АИР112М2Ж
| Тип | АИР112М2Ж |
| Номинальная мощность, кВт | 7.5 |
| Частота вращения, об/мин | 2895 |
| КПД, % | 87 |
| cos φ | 0.88 |
| Номинальный ток статора, А | 14.9 |
| Кратность максимального момента | 2.3 |
| Кратность пускового тока | 7.5 |
| Кратность пускового момента | 2.2 |
| Масса, кг | 54 |
Основные конструктивные элементы двигателя.
-
Станина. Является опорой для всех элементов электродвигателя. Также на нем присутствуют ребра для охлаждения двигателя и крепежные отверстия.
-
Статор. На его обмотки подается напряжение сети, в результате чего создается вращающееся электромагнитное поля. Состоит из ферромагнитного сердечника с уложенными в нем обмотками, концы которых выводятся на клеммную коробку. Сердечник изготавливается из отдельных изолированных листов электротехнической стали, чтобы уменьшить потери на перемагничивание и «вихревые токи».
-
Ротор. Является вращающейся частью электродвигателя, в которой наводится индукционный ток при вращении в магнитном поле статора, в результате чего возникает электромагнитный момент. Находится внутри статора и состоит из алюминиевых (реже медных, латунных) стержней, замкнутых накоротко с торцов двумя кольцами.
-
Вал. Служит для передачи механического момента рабочему органу. Имеет жесткую механическую связь с ротором.
-
Вентилятор. Предназначен для охаждения двигателя. Приводится в движение за счет вала.
-
Подшипники. В них закреплен вал. Предназначены для уменьшения потерь на трение при вращении вала. Представляют собой небольшие металлические шарики, вращающиеся в полости колец.
Вычислим номинальный ток двигателя по формуле:
где
– номинальная мощность двигателя, Вт;
– номильнальное напряжение питания двигателя, В;
– КПД двигателя;
– коэффициент мощности двигателя.
Подставим в формулу 2.1 данные из таблицы 2.2:
Рассчитаем номинальный момент на валу двигателя по формуле:
где
– угловая частота двигателя.
где
- частота вращения двигателя, об/мин.
Подставим рассчитанное значение
в формулу (2.2):
Рассчитаем максимальный момент двигателя по формуле:
где
- кратность максимального момента.
Рассчитаем пусковой ток двигателя по формуле:
где
– кратность пускового тока двигателя.
;














