8. Раздел 4 - Моделирование (1193842), страница 2
Текст из файла (страница 2)
Для моделирования трехфазной ВЛ СЦБ 10 кВ зададим следующие параметры: длина – 50 км, марка провода АС-50, с активным сопротивлением – 29,75 Ом и индуктивностью – 16,7 мГн [41]. Данные параметры настраиваем в блоке, представленном на рисунке 4.2.
Рисунок 4.2 – Блок сопротивления линии three-phase series RL branch.
Так как источниками несинусоидальности токов и напряжений в рассматриваемой электрической системе являются электроприемники с нелинейной вольт-амперной характеристикой, то для моделирования несинусоидальной нагрузки (Non-Sinusoidal Load) используем блок Universal Bridge из базы данных SimPowerSystem, Power Electronics [40]. При моделировании задаём в диалоговом окне следующие параметры блока (рисунок 4.4). Для современных мощных диодов характерны следующие параметры [41]: сопротивление диода в открытом состоянии (Diode on-state resistance) – 0,01 Ом, индуктивность диода в открытом состоянии (Diode on-state inductance) – 0 Гн, минимальное напряжение анод-катод необходимое для открытия диода – 1 В. Таким образом, несинусоидальная нагрузка будет создавать в модели спектр гармоник токов и напряжений, подобный гармоникам, выделенным в результате анализа ПКЭ ВЛ 10 кВ СЦБ в третьей главе.
Рисунок 4.4 – Диалоговое окно трехфазного мостового диодного выпрямителя для задания его параметров
Моделирование устройства динамической фильтрации (УДФ) производим на основании анализа литературных источников [42-48]. УДФ подключено в сеть параллельно со стороны нагрузки за трансформатором, чтобы исключить специальный (отдельный) трансформатор для самого устройства. Оно содержит шесть IGВТ-транзисторов с шунтирующими обратными диодами, которые служат для исключения возможности появления обратного напряжения на транзисторах. Для поддержания электромагнитной совместимости и сглаживания гармоник, генерируемых самим устройством, оно включается в сеть через катушки индуктивности (дроссели). На стороне постоянного тока находится ёмкостный накопитель, ток которого принимает пульсирующие значения: положительные – при работе обратных диодов, и отрицательные – при работе транзисторов.
Результирующая схема ВЛ СЦБ 10 кВ с УДФ представлена в приложении Б.
Главным блоком устройства динамической фильтрации является система управления, действующая в два этапа: первый – это выделение информационного сигнала, второй – коммутация силовых ключей (транзисторов). Обзор систем управления УДФ представлен в [49-51].
Определение информационного сигнала строим на основе d-q метода при помощи преобразований Кларка и Парка [41, 52], или преобразований мгновенной трехфазной мощности в мощность двухфазной системы, которые вращаются в пространстве с фазовым сдвигом.
Взаимосвязь переменных и постоянных токов определяется по выражениям (4.1) и (4.2):
, (4.1)
(4.2)
где
– коэффициент передачи инвертора,
– вектор модуляции.
Дифференциальные уравнения (выражения (4.3) – (4.6)) трехфазного устройства динамической фильтрации получаем, пренебрегая индуктивностью линии:
(4.3)
(4.4)
(4.5)
(4.6)
где
– емкость накопительного конденсатора,Ф,
– индуктивность сглаживающих катушек, Гн,
,
,
– функции переключения, которые принимают значения 0,
[52].
Далее переходим к системе d-q координат и получаем следующие уравнения устройства динамической фильтрации (выражения (4.7)-(4.11)):
(4.7)
(4.8)
(4.9)
(4.10)
(4.11)
где
– частота питающей сети, рад; d, q – индексы для обозначения компонентов соответственно d- и q-осей.
Таким образом, данные уравнения представляют собой основу системы управления, не используя быстрое преобразование Фурье, что дает возможность генерации сигнала ошибки в сеть с наименьшей задержкой времени. Такая система выделения управляющего сигнала позволяет минимизировать ключевые элементы, снижая стоимость и габариты устройства динамической фильтрации.
Для коммутации транзисторами воспользуемся методом «слежения» или гистерезисной модуляции, называемым также – дельта-модуляцией. Принцип работы этого метода заключается в мониторинге за реальным током нагрузки и сравнении его с идеальным током, заданным законом модуляции. Описание данного принципа модуляции представлено в источниках [51, 53-55]. Физически такой коммутатор состоит из пропорционально-интегрального звена (ПИ-регулятора), на который поступает разность идеального и фактического тока, а далее сигнал передается на релейно-импульсный компаратор, где регулирование отклонений токов и напряжений задается шириной гистерезисной петли (рисунок 4.5).
Рисунок 4.5 - Структура релейной элемента и диаграммы изменения тока и напряжения транзисторного преобразователя
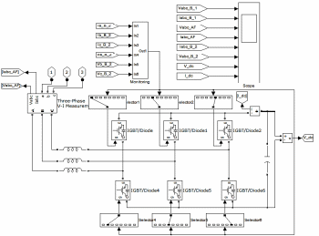
Для моделирования в среде MATLAB блоков системы управления, описанных выше, используем блок «Мonitoring», в котором происходит генерация идеальной синусоиды, которая совпадает по фазе и среднеквадратичному значению напряжения нагрузки. При обнаружении ошибки виртуальными измерителями между идеальной и подлинной синусоидой, происходит коммутация силовых ключей по заданному алгоритму, и устройство динамической фильтрации генерирует сигнал ошибки в сеть с небольшой задержкой во времени, тем самым, приводя форму напряжения на нагрузке ближе к идеальной синусоиде, в результате обеспечивается требуемое качество электрической энергии. Смоделированное устройство динамической фильтрации (Three-Phase Dynamic filtering device) показано на рисунке 4.6.
Рисунок 4.6 - Модель устройства динамической фильтрации
Параметры силовой части устройства динамической фильтрации [40], используемые для моделирования, с учётом заданной несинусоидальной нагрузки, определяются следующим образом.
-
индуктивность фильтрующего дросселя на выходе устройства динамической компенсации, исходя из оптимального падения напряжения на нем 20 %, равна (выражение 4.12):
. (4.12)
где
– напряжении сети, равное 400 В; fмод – частота модуляции, равная 250 Гц (5-ая гармоника); I – ток модуляции, равный 0,833 А.
В результате получаем L = 43 мГн. Данная индуктивность также будет полезна в режиме ОЗЗ, так как будет компенсировать емкостные токи замыкания на землю.
-
ёмкость накопительного конденсатора определяется по выражению 4.13:
, (4.13)
т.е. при мощности инвертора
= 1000 ВА, получаем С = 19 пФ.
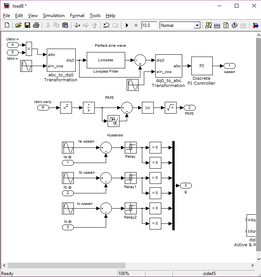
Система управления «Мonitoring» включает в себя три основных блока: Perfect sine wave, RMS, Hysterisis. Блок «Perfect sine wave» служит для генерации сигнала идеальной синусоиды с подобной нагрузке частотой и сдвигом фаз. Блок «RMS» необходим для вычисления среднеквадратического значения тока нагрузки. Вычисляемая разность между фактическими компенсирующими токами нагрузки и идеальными токами передается на релейный блок «Hysterisis», настраиваемый таким образом, чтобы выходные значения управляющего сигнала составляли значения +1 и -1, при этом ширина зоны гистерезиса по выходному сигналу была достаточно узкой, чтобы точно генерировать эталонный сигнал управления транзисторным инвертором. Промежуточные блоки системы управления УДФ «Мonitoring» представлены на рисунке 4.7.
Рисунок 4.7 – Промежуточные блоки системы управления устройством динамической фильтрации: а) - «Perfect sine wave»; б) - «RMS»; с) - «Hysterisis»
Рассмотрим последовательность работы системы управления устройством динамической фильтрации и мониторинга за параметрами ВЛ СЦБ 10 кВ:
-
измерение значений мгновенных токов нагрузки, которые передаются в микроконтроллер для обработки данных;
-
конвертирование величин из трехфазной системы координат a, b, c в d-q координат;
-
вычисление мгновенных значений искажающего сигнала в d-q координатах, являющегося разностью между идеальной и реальной синусоидой;
-
формируется сигнал управления ШИМ;
-
переключение транзисторов по управляющему сигналу ШИМ, формируя ток фильтра, противоположный сигналу искажения;
-
генерация этого сигнала в сеть с небольшой задержкой времени, необходимой для микропроцессорных вычислений и переключения транзисторов.
В результате попадания фильтрующего сигнала в сеть электроснабжения СЦБ происходит устранение несинусоидальности.
Далее рассмотрим результаты моделирования ВЛ СЦБ 10 кВ с УДФ.
-
Анализ результатов моделирования
В результате работы построенной имитационной модели были получены следующие результаты. На рисунке 4.8 представлен график кривой напряжения несинусоидальной нагрузки до подключения к сети устройства динамической фильтрации.
Рисунок 4.8 – График кривой напряжения на нагрузке без УДФ
Как видно из рисунка 4.8, напряжение в конце ВЛ СЦБ 10 кВ имеет значительное искажение.
Далее с помощью инструментального блока гармонического анализа сигналов «Powergui» определим состав высших гармонических составляющих (ВГС) в нашей системе электроснабжения. В диалоговом окне данного блока выбираем FFT Analysis. Наличие ВГС в процентах от первой гармоники определяется показателем полного коэффициента гармоник, или THD (Total Harmonic Distortion) [56]. На рисунке 4.9 представлен гармонический состав напряжения до подключения УДФ.
Рисунок 4.9 – Состав ВГС напряжения до включения УДФ
Из спектрального анализа ВГС наблюдаем, что наибольшее влияние оказывают 2, 4, 5, 21 гармоники, а общий гармонический коэффициент равен 18,64 %, что значительно превышает допустимые 5% [2].
При подключении в сеть устройства динамической фильтрации мы наблюдаем улучшение характеристик, т.е. значительное приближение формы кривых напряжения к синусоиде (рисунок 4.10).
Рисунок 4.10 – Напряжение на нагрузке после включения УДФ
Результаты эффекта улучшения гармонического состава очевидно демонстрирует рисунок 4.11, на котором изображен состав ВГС напряжения при включении УДФ.
Рисунок 4.11 – Состав ВГС напряжения после включения УДФ
Как можно заметить, ВГС полностью сглаживаются при использовании УДФ.
Изменение напряжения на емкостном накопителе УДФ показано на рисунке 4.12, в начальный момент времени происходит заряд конденсатора через обратные диоды, при определении управляющего сигнала напряжение на конденсаторе изменяется по периодическому закону.
Рисунок 4.12 – Напряжение на емкостном накопителе УДФ
Таким образом, мы наблюдаем качественную динамическую фильтрацию ВГС, что подтверждается уменьшением суммарного гармонического коэффициента до значения в 1,03 %, т.е. в 18 раз. Данный показатель удовлетворяет требованиям ГОСТ-32144, а значит, построенная модель компенсирующего устройства динамической фильтрации является эффективной и пригодной для внедрения в существующие сети СЦБ.
87














