ДИПЛОМ (1193795), страница 6
Текст из файла (страница 6)
2) предел прочности 610 МПа;
3) предел текучести 360 МПа;
4) ударная вязкость 6 Дж/см.
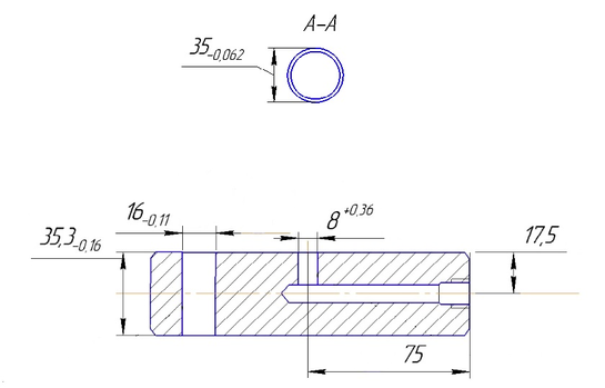
Поверхность пальца с 35 мм подвергается закалке ТВЧ до твердости 50…55 HRC на глубину 0,8...1,2Выбор способа получения заготовки
Заготовки изготовляются из проката обычной точности Ø37
мм по ГОСТ 2590-88. С учетом припусков на обработку длина проката принимается равной 150 мм. Масса проката составляет 1 метра 8,44 кг. В связи с тем, что заготовки отрезаются из проката дисковой пилой, торцовый припуск на одну сторону принимаем равным 5 мм. Деталь обладает достаточной жёсткостью, так как отношение её длины к диаметру не более 10. Что позволяет обрабатывать деталь с точностью h9.
(77)
Рассчитанная конструкторская жёсткость детали дает возможность обрабатывать её, используя обычные режимы резания. Кроме того, отсутствует необходимости для применения люнетов - устройств, применяющихся при обработки для увеличения жёсткости.
Все поверхности детали являются открытыми для обработки её резанием и возможно применить стандартные режущие инструменты.
Тогда заготовка будет иметь вид и размеры в соответствии с (рис.35).
Рисунок 35. Эскиз заготовки
Рисунок 36. Эскиз пальца
3.1 Разработка маршрута обработки детали
Таблица 3 - Назначение технологических схем обработки поверхностей
| № поверхности | Наименование поверхности | Требуемая точность, IT | Требуемая шероховатость, Ra | Технологические переходы | Достигаемая точность, IT | Достигаемая шероховатость, Ra |
| 1 2 | торец | h11 | 3,2 | Фрезеровать однократное | h11 | 3,2 |
| 3 | Диаметр 35,5 мм | h10 | 3.2 | Точение получистовое однократное | h10 | 3.2 |
| 5 | фаска | h12 | 25 | Точение однократное | h12 | 25 |
| 6 | фаска | h12 | 25 | Точение однократное Сверление Двойное | h12 h12 | 25 |
| 4 | Отверстие 16 мм | h11 | 3,2 | Сверление двойное | h11 h12 | 3.2 |
| 3 | Диаметр 35 мм | h9 | 1.6 | шлифование | h9 | 1.6 |
Таблица 4. - Маршрут обработки детали.
| N опер | Наименование операции | Расположение детали | Оборудование |
| 1 | 2 | 3 | 4 |
| 005 | Фрезерно-центровальная Фрезеровать поверхность 1-2 торцы в размер 11 L= | Фрезерно-центровальный МР-73 Закрепить в тисках. | |
| 010 | Токарная Обточить поверхность 3 Снять фаску поверхность 5-6,
12 14 : | Токарно-винторезный станок 16Б05П. Закрепить в центрах. Сверло 2301-0421 ГОСТ 2092-80, сверло с коническим хвостовиком 8 мм. Сверло 2301-0421 ГОСТ 2092-80, сверло с коническим хвостовиком 8,4 мм. Метчики М10 ГОСТ 3266-81
| |
| 015 | Сверлильная Сверлить отверстие 4
20 16 :
| Вертикально- сверлильный станок 2М125. Закрепить к столу станка прихватами. Сверло 2301-0421 ГОСТ 2092-80, сверло с коническим хвостовиком 16 мм, 8мм. | |
| 020 | Шлифование поверхность10 до h9 | Кругло-шлифовальный станок 3Б161. Закрепить в центрах. Привод поводковый патрон |
3.2 Расчет режимов резания операций
Таблица 5 параметры токарного станка 16Б05П
| Параметры 16Б05П | значения |
| Наибольший диаметр обрабатываемой детали,мм | 250 |
| Расстояние между центрами,мм | 500 |
| Число ступеней вращения шпинделя | 18 |
| Частота вращения шпинделя, 1/мин | 30-3000 |
| Число ступеней подачи суппорта | 18 |
| Подача суппорта, : Продольная Поперечная | 0,02-0,35 0,01-0,175 |
| Мощность главного электродвигателя, кВт | 1,5 |
| КПД | 0,85 |
| Наибольшая сила подачи, Н | 980 |
Подач S:
|
| (78) |
Где,
максималная подача станка;
минималная подача станка;
Частота вращения шпинделя n
|
| (79) |
Где,
максимальная частота вращения шпинделя станка;
минималная частота вращения шпинделя станка;
количество ступеней частоты вращения.
Скорректировав значения, из стандартного ряда получаем
-1,12;
-1,26.
Ступени подач S мм/об:
S1=Smin
S2=S1φ
S3=S1φ2
…
Smax=S1φZ-1
| S2=0,02*1,12=0,023 | S11=0,02*1,1210=0,063 |
| S3=0,02*1,122=0,026 | S12=0,02*1,1211=0,08 |
| S4=0,02*1,123=0,029 | S13=0,02*1,1212=0,079 |
| S5=0,02*1,124=0,0315 | S14=0,02*1,1213=0,088 |
| S6=0,02*1.125=0,036 | S15=0,02*1,1214=0,099 |
| S7=0,02*1,126=0,040 | S16=0,02*1,1215=0,12 |
| S8=0,02*1,127=0,042 | S17=0,02*1,1216=0,124 |
| S9=0,02*1,128=0,0496 | Sмах=0,02*1,1217=0,138 |
| S10=0,02*1,129=0,056 |
Частота вращения шпинделя n об/мин:
n1=nmin
n2=n1φ1
n3=n1φ21
…
nmax=n1φZ1-1
n2=30*1,26=38;
n3=30*1,262=51;
n4=30*1,263=62;
n5=30*1,264=78;
n6=30*1.265=98;
n7=30*1,266=123;
n8=30*1,267=153;
n9=30*1,268=193;
n10=30*1,269=246;
n11=30*1,2610=310;
n12=30*1,2611=386;
n13=30*1,2612=485;
n14=30*1,2613=608;
n15=30*1,2614=766;
n16=30*1,2615=968;
n17=30*1,2616=1215;
nмах=30*1,2617=1540
3.3 Расчет припуска аналитическим методом
Таблица 3
| Маршрут обработки | Элементы припуска, мкм | Расчетный минимальный припуск, мкм | Расчетный наименьший размер, мм | Допуск на промежуточные размеры, мкм | Предельные Размеры заготовки по переходам, мм | Предельные Значения припусков, мкм | |||||
|
|
|
|
| Наименьший d min | Наибольший d max | Наименьший Z min | Наибольший Z max | ||||
| 1 | 2 | 3 | 4 | 5 | 6 | 7 | 8 | 9 | 10 | 11 | 12 |
| заготовка | 150 | 250 | 482 | - | 2882 | 36,921 | 1800 | 37,0 | 38,8 | -- | -- |
| получистовое точение (h11 квалитет) | 60 | 60 | 24,1 | - | 2144 | 35,218 | 100 | 35,25 | 35,35 | 1750 | 3450 |
| Шлифование (h9 к ) | 30 | 30 | 19,29 | - | 279 | 35,06 | 62 | 35,07 | 35,122 | 180 | 22 |
Для определения допусков и допускаемые отклонения линейных размеров поковок. Рассчитываем массу заготовки, учитывая, что плотность стали 45
мм.
мм до размера h10 35.
мм L=135 мм t=0,85 мм за 2 прохода; выдержать размер 8
1х
- L=
; и 120- L=
; Сверлить диметр 8 выдержать размер 9 10 : Сверлить отверстие 7 выдержать размеры 15 13 нарезать резьбу выдержать размер
мм,
Выдержать размер
Сверлить отверстие 9 выдержать размер 17 18 15 :
мм, L=135мм; выдержать размер 21















