pz (1192892), страница 10
Текст из файла (страница 10)
Основные капиталовложения при внедрении установки воздушно-плазменной резки связаны с ее приобретением, покупкой.
По данным на 20.05.2017 г., стоимость установки воздушно-плазменной резки «Барс-107» составляет 145750 рублей.
Таким образом, размер капиталовложений на внедрение установки воздушно-плазменной резки окупится за 1,14 лет.
5 ЭФФЕКТИВНОСТЬ ВЕНТИЛЯЦИОННЫХ СИСТЕМ И ПУТИ ИХ СОВЕРШЕНСТВОВАНИЯ
Эффективность систем общеобменной вентиляции определяется, в первую очередь, достижением необходимого санитарно-гигиенического эффекта при относительно небольших энергозатратах и металлоемкости систем. Известно, что применение сосредоточенной подачи воздуха в совмещенных вентиляционно-отопительных системах позволяет резко сократить протяженность сетей воздуходов, за счет чего расход листовой стали можно уменьшить на 40 – 60%. Снижению металлоемкости также способствует применение для воздуховодов оцинкованных сталей толщиной 0,8 – 1,2 мм. Плотность воздуховодов обеспечивается сваркой сплошным швом, сборка на фланцах осуществляется также оцинкованными болтами и гайками, сами фланцы изготавливают из угловой стали или облегченными профилей толщиной 2 мм.
Основными путями снижения энергозатрат на вентиляцию сварочных цехов являются: 1)усовершенствование конструкций местных отсосов, их промышленное изготовление и повсеместное применение;
2) использование в дополнение к местной вентиляции рациональных схем подачи и удаления воздуха с минимальным коэффициентом 0 неравномерности распределения вредных веществ по объему помещения;
3) экономия металла за счет применения сосредоточенной подачи воздуха ли других вышеупомянутых мер.
В цехе 4 сварщика работают на фиксированных местах и выполняют сварку крупногабаритных изделий на сборочных плитах сварочными автоматами и полуавтоматами (в среде СО2). Наиболее трудно решить проблему местной вентиляции на нефиксированных рабочих местах, где суммарные валовые выделения сварочного аэрозоля составляют 650 г/ч. Первоначальным проектом не была предусмотрена местная вентиляция на сборочных плитах и для разбавления выделяющихся вредных веществтребовалась 150 00 м3/ч воздуха от систем общеобменной вентиляции. Столы для сварки, установленные в кабинах, подключены к общей вытяжной системе. Технико-экономический расчет показал, что по предложенной схеме, приведенные с 128 до74 тыс. руб. в год. Значительно сократился расход тепла и топлива на подогрев приточного воздуха.
Таким образом, можно рекомендовать применение местных отсосов, которые легко устанавливаются на сварочных полуавтоматах Ф-537 и А-547 и обеспечивают эффективное улавливание вредных веществ.
Местные отсосы не нарушают газовой защиты зоны сварки, качество сварных швов хорошее.
Представляет интерес применение столов сварщика не только с целью местного удаления воздуха, но одновременно и для общеобменной вентиляции. Для этого на нагнетательном участке воздуховода, подключенного к вентиляционному агрегату стола, необходимо установить эжектирующее устройство. Схема установки столов сварщика на сварочных участках представлена на рисунке 5.1.
Рисунок 5.1 - Схема установки столов сварщика на сварочных участках (отметка М – зона максимальной концентрации вредных веществ).
Если приток в рабочую зону я с небольшими скоростями, то горловину эжектора рекомендуется поместить на отметке М, где будет отмечена максимальная концентрация сварочного аэрозоля. Выбрасываемый вентилятором воздух будет эжектировать загрязненный воздух из верхней зоны цеха удалять его в атмосферу через вертикальную шахту. Оптимальной конструкцией воздухосмесителя является эжектор с диффузором на выходе, представленный на рисунке 5.2.
Рисунок 5.2 - Конструкция эжекторноговоздухосмесителя с диффузором
Несколько выше коэфициентэжекции, но хуже аэродинамические характеристики у бездиффузорного воздухосмесителя, представленного на рисунке 5.3.
Рисунок 5.3 - Конструкция эжекторноговоздухосмесителя без диффузора
Пример: Известно количество воздуха, удаляемого вентиляционным агрегатом стола сварщика типа С100.40,
2600 м3 /ч. Давление в выходном сечении сопла принимается 100-150 Па.
Количество эжектируемого воздуха
зависит главным образом от геометрического параметра
, представляющего отношение площади камеры смешения эжектора к площади сопла. Соотношение между коэффициентом эжекции
и параметром
показано на рисунке4. Приняв для воздухосмесителя с диффузором значение
находим по соответствующей экспериментальной кривой
Рисунок 5.4 - Зависимость коэффициента эжекциивоздухосмесителя от геометрического параметра m: 1 – бездифузорныйвоздухосмеситель; 2 – воздухосмеситель с диффузором.
Сопло.
Диаметр выходного сечения сопла эжектора определяется по формуле (1.1).
(5.1)
где
расход эжектирующего воздуха, поступающего через сопло м3/с;
статическое давление в выходном сечении сопла,
Па;
плотность эжектируемого воздуха,
.
м.
По конструктивным соображениям принимается
м.
Камера смешения.
Диаметр камеры смешения (в м) определяется по формуле (5.2).
, (5.2)
м.
Принимается
м.
Оптимальное расстояние от среза сопла до начала камеры смешения определяется по формуле (5.3).
(5.3)
м.
Входной коллектор воздухосмесителя.
Центральный угол входного коллектора
рекомендуется принять
. Длина коллектора (в м) определяется по формуле (5.4).
(5.4)
м.
Диаметр входного коллектора (в м) определяется по формуле (5.5).
(5.5)
При
,
м.
Диффузор.
Для эжекторныхвоздухосмесителей рекомендуется принять диффузоры с прямыми образующими, углами раскрытия
и параметром
(т.е. отношение площади выходного сечения диффузора к площади камеры смешения). Диаметр выходного сечения диффузора (в м) определяется по формуле (5.6).
(5.6)
При
м и
,
м.
Длина диффузора (в м) определяется по формуле (5.7).
(5.7)
При
,
м. При коэффициенте эжекции
, количество воздуха
(в м3/с), которое удаляется эжекторнымвоздухосмесителем из верхней зоны цеха, определяется по формуле (5.8).
(5.8)
Таким образом,
При создании вытяжной вентиляции на фиксированных местах сварки преимущественно применяются боковые отсосы, так как в расчет обычно принимается худший случай – сварка деталей максимальной высоты. Если по заданию производится сварка деталей средней высоты, то может быть применен графоаналитический метод расчета, представленный на рисунке 5.5.
Рисунок 5.5 - Графики для подбора типов местных отсосов при электросварке электродами диаметром 5 мм: 1 – нижний отсос; 2 – боковой отсос.
При этом необходимо по имеющимся аналитическим или экспериментальным зависимостям построить графики изменения расходавоздуха для данного типа отсоса и точка пересечения А покажет, какой тип отсоса для деталей данной высоты будет наиболее экономичным.
При правильном выборе отсосов и обеспечении требуемых расходов воздуха вредные вещества практически не попадают в зону дыхания сварщика.
Есть еще один путь экономии энергозатрат – использование низкопотенциальных тепловых отходов производства.
Бескалориферные приточно-вытяжные системы, в которых используются различные регенеративные устройства, позволяют значительно сократить расход дорогостоящих теплоносителей для нужд вентиляции и отопления цехов. В этих системах хорошо зарекомендовали себя эжекторные воздухосмесители.
Необходимо широко применять бескалориферные приточно-вытяжные системы в сварочном производстве, где имеются помещения с избыточными тепловыделениями, например, термические цехи для отжига готовых сварных узлов. Учитывая большие размеры сварных конструкций, в этих цехах применяются крупные, часто уникальные печи с выдвижным подом длиной до 25 м, в которых используется для нагрева природный газ с большой теплотворной способностью (~ 35 тыс. кДж). Расход топлива в таких крупных печах достигает 1500 м3/ч.
Рациональное использование тепла достигается с помощью рециркуляции дымовых газов для подогрева, подаваемого в печи воздуха. Однако эффективность таких рекуператоров не более 30-50%.
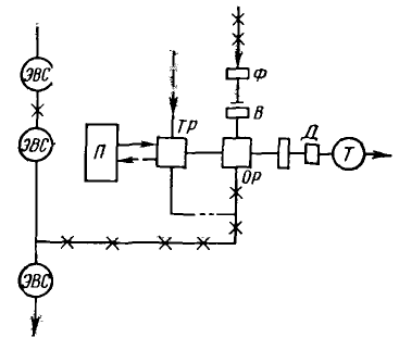
Полное использование тепла отходящих газов возможно при применении дополнительных рекуперационных устройств (кроме технологических) для нагрева воды или воздуха систем отопления и вентиляции. На рисунке 5.6 представлена схема размещения оборудования для одновременного использования тепла отходящих газов термической печи как для технологических целей, так и для нужд отопления и вентиляции.
Рисунок 5.6 - Схема использования тепла отходящих газов термических печей для технологических и отопительно-вентиляционных целей: П – печь; ТР – технологический рекуператор; ОР – отопительно-вентиляционный рекуператор; Д – дымосос; Т – дымовая труба; Ф – фильтр; В – вентилятор; ЭВС – эжекторныевоздухосмесители; --- трубопровод отходящих газов;---- подача компонентов горения;—х—х— подача нагретого воздуха для отопления и вентиляции; -..-..- подача предварительно подогретого воздуха.
За печью по пути движения отходящих газов последовательно установлены два рекуператора: технологический TP — для подогрева компонентов горения и отопительно-вентиляционный ОР — для подогрева воздуха. В холодное время года этот воздух используется для отопления и вентиляции производственных помещений, а в жаркое время — для дополнительного подогрева воздуха, подаваемого й технологический рекуператор.
До требуемой по расчету температуры нагревается не весь объем приточного воздуха, необходимого для отопления и вентиляции данного цеха, а только часть его. Эта часть воздуха нагревается до более высокой, чем требуется, температуры, затем транспортируется к эжекторным воздухосмесителям, где смешивается с эжектируемым воздухом и выпускается в обслуживаемые помещения. В случае необходимости воздух может быть увлажнен в воздухосмесителях и его параметры доведены до величин, требуемых санитарными нормами. За счет полной утилизации тепла отходящих газов термических печей возможно без увеличения энергозатрат применять более эффективные системы вентиляции сварочных цехов. Для широкого внедрения таких систем в практику сварочных производств требуется разработка методов их расчета и конструирования, определение экономичности и областей применения.
Дальнейшее совершенствование систем вентиляции и отопления (а также кондиционирования) сварочных производств должно пойти по пути создания автоматизированных систем, где поддержание необходимых метеорологических условий в цехах и содержание вредных веществ на уровне, не превышающем ПДК по всему объему помещения, производится автоматически.















