АС ПЗ Администрация (1189879), страница 4
Текст из файла (страница 4)
Общественные здания административного назначения оборудуются системами хозяйственно-питьевого и противопожарного водопровода и канализации, присоединяемыми, как правило, к наружным сетям [7, п. 8.1.12].
Согласно [7, п. 8.2.3] подводка горячей воды предусматривается к душевым, бытовым помещениям для рабочих, раздевальным для занимающихся, умывальным при санитарных узлах, помещениям для уборочного инвентаря, а также к другим помещениям в соответствии с их назначением. Желательна установка термостатических смесителей на все души.
В санитарных узлах и душевых с количеством приборов свыше трех предусматривается установка поливочных кранов диаметром 20 мм с подводкой холодной и горячей воды.
Здания высотой три этажа и более с плоской кровлей должны быть оборудованы системой внутренних водостоков с отводом воды в наружную дождевую канализацию, а при отсутствии последней – на благоустроенную поверхность земли. В этом случае должны быть приняты меры, предотвращающие замерзание стояков в зимнее время. На перепадах высот кровли более 1,5 м неорганизованный сброс на нижележащий уровень не допускается [9, п. 4.25].
1.2.5 Противопожарные требования
Класс функциональной пожарной опасности объекта защиты (здания, сооружения) определяется исходя из его целевого назначения, а также характеристик основного функционального контингента (возраста, физического состояния, возможности пребывания в состоянии сна и т.п.) и его количества.
Противопожарные расстояния между жилыми и общественными зданиями принимаются в зависимости от степени огнестойкости и класса их конструктивной пожарной опасности по [11, таблица 6.9]. Степень огнестойкости административного здания – II, класс конструктивной пожарной опасности – С0, класс функциональной пожарной опасности – Ф4.3.
Требуемый предел огнестойкости и класс пожарной опасности строительных конструкций зависят от степени огнестойкости здания и класса конструктивной пожарной опасности здания и определяются согласно [12, прил. 21, ст. 31].
Пожарно-технические характеристики проектируемого здания сведены в таблицу 1.5.
Таблица 1.5 – Пожарно-техническая классификация здания
| Степень огнестойкости здания | Предел огнестойкости строительных конструкций (мин), не менее | |||||
| Несущие элементы | Наруж-ные стены | Перекрытия междуэтаж-ные и чердачные | Лестничные клетки | |||
| Внутрен-ние стены | Лестнич-ные площадки и марши | |||||
| II | R 90 | E 15 | REI 45 | REI 90 | R 60 | |
| Класс конструктивной пожарной опасности здания | Класс пожарной опасности строительных конструкций, не менее | |||||
| Несущие элементы | Наруж-ные стены | Перекрытия междуэтаж-ные и чердачные | Стены лестнич-ных клеток | Лестнич-ные площадки и марши | ||
| C0 | К0 | К0 | К0 | К0 | К0 | |
| Класс функциональной пожарной опасности Ф4.3 | ||||||
Предельная площадь этажа в пределах пожарного отсека составляет 4000 м2.
Предельно допустимое расстояние от дверей наиболее удаленных помещений с выходами в тупиковый коридор или холл до эвакуационного выхода составляет 7 м, для помещений, расположенных между лестничными клетками и (или) наружными выходами – 15 м [8, таблица 6.4].
Материалы для обшивки стен и потолков в зальных помещениях физкультурно-спортивного назначения следует принимать со следующими пожарно-техническими характеристиками:
- каркас для подвесных потолков – НГ;
- обрешетка или каркас стен – Г2;
- облицовка стен и потолков – Г3.
По [13, таблица 1] противопожарное расстояние между жилыми и общественными зданиями составляет 8 м.
Согласно[13, 5.6.4] предусматриваемые в составе объектов Ф4.1, Ф4.2, Ф4.3 пищеблоки выделяются противопожарными перекрытиями и стенами не ниже 2-го типа.. Помещения производственного и складского назначения, технические помещения (лабораторные помещения, комнаты для трудового обучения, мастерские, кладовые горючих материалов и материалов в горючей упаковке, книгохранилища библиотек, серверные, электрощитовые и т.п.) за исключением помещений категорий В4 и Д, выделяются противопожарными перегородками не ниже 1-го типа и перекрытиями не ниже 3-го типа.
Лестницы 3-го типа, используемые для эвакуации, допускается устраивать на высоту до третьего этажа. Ширина таких лестниц должна быть не менее 0,8 м, а сплошные проступи их ступеней – не менее 0,2 м. Лестницы должны располагаться не ближе 1,0 м от оконных проемов, не считая оконно-дверных блоков, при поэтажных выходах на лестницу.
1.3 Проверка условий эвакуации людей из здания
Проверка правильности расположения эвакуационных путей и выходов из здания, достаточности их количества предусматривает расчёт параметров путей эвакуации (ширина, предельная удалённость от выхода) (рисунок 1.2).
По планировочному решению определяется расстояние от выхода из женской раздевальной до выхода на лестничную клетку. Это расстояние не должно превышать предельной величины, в зависимости от класса конструктивной пожарной опасности здания, а также плотности людского потока (свыше 5 чел/м2 ) [7, таблица 6.4]).
Фактические и нормативные параметры эвакуационных путей приведены в таблице 1.6.
Таблица 1.6 – Эвакуационные параметры помещений
| Наименование помещения | Класс конструктивной пожарной опасности | Ширина | |
| по СП | фактическое | ||
| Коридоры | С0 | Не менее 2,4 м | 2,8 м |
| Вход в конференц-зал | С0 | Не менее 1,2 м | 1,51 м |
| Вход в рабочие кабинеты | С0 | Не менее 0,7м | 1,01 м |
Согласно [7, п. 6.63]. помещения аудиторий, актовых залов и конференц-залов, залов собраний и зальные помещения физкультурно-спортивных сооружений следует размещать в соответствии с вместимостью не выше
3 этажа.
Расчёт параметров путей эвакуации показал, что проверка условий эвакуации людей из здания выполняется, фактическое расстояние до выхода соответствует нормируемому.
1.4 Объемно-планировочное решение здания
Здание непростой конфигурации, многоугольной формы приближенной к виду треугольника с гипотенузой являющейся радиолам. Здание бес подвальное. Надземных этажей – 3, высота первого этажа – 3,0 м, второго этажа – 3,0 м, третьего этажа – 3,0 м, технического этажа – 3,3 м. Размер здания в осях 42,4 × 42,4 м.
Планы этажей административного здания показаны на рисунках А.1-А.11 в приложении А.
1.4.1 Конструктивная система здания
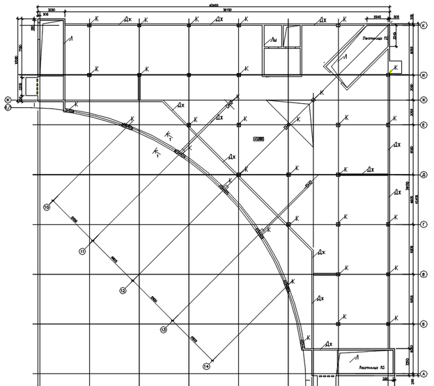
Конструктивная система здания – каркасная.
Вертикальными несущими элементами являются монолитные железобетонные колонны и стены, горизонтальными – сплошной диск перекрытия.
Устойчивость элементов каркаса и общая пространственная работа обеспечивается вертикальными диафрагмами жесткости (монолитными железобетонными стенами и колонами) и горизонтальным диском перекрытия (монолитным железобетонным перекрытием).
Конструктивная система здания изображена на рисунке 1.2.
Рисунок 1.2 Конструктивная схема здания
К – монолитная железобетонная колонна; Дж – диафрагма жесткости (монолитная железобетонная стена); ЛШ – лифтовая шахта; Л- диафрагма жесткости (монолитная железобетонная лестничная коробка)
1.4.2 Построение разреза здания
Разрез здания выполняется на основе решения плана с учётом принятой конструктивной системы. Плоскость разреза должна проходить по наиболее характерным частям здания для полного представления его объёмно-планировочного и конструктивного решения. Как правило, разрез выполняется по лестничной клетке или входу здания. На разрезе должны быть показаны основные конструкции. Разрез здания показан на рисунке А.8, А.7.
1.4.3 Разработка фасада здания
Очень важным и завершающим этапом эскизного проектирования является разработка архитектурного решения фасада здания. Архитектура фасада выявляет художественные и конструктивные достоинства и недостатки здания и является определяющим фактором его выразительности и цельности архитектурного образа. Поэтому при решении фасадов здания учтены основные положения теории архитектурной композиции: а) тектоника здания; б) приёмы и средства архитектурной композиции; в) принцип единства и соподчинённости. Фасад здания показан на рисунке А.9,10,11. Экспликация применяемых материалов указана в таблице Б.1.
1.5 Расчет необходимой площади оконных проемов по условию освещенности
Расчет необходимой площади оконных проемов по условию освещенности производится для зальных помещений из обеспечения необходимой видимости. Согласно [7, таблица 7.1] при боковом одностороннем освещении залов не для спортивных игр, площадь оконных проемов должна составлять 17% от площади пола помещения, при боковом двухстороннем освещении – 14%. Допускается увеличивать площадь световых проемов вплоть до 5%.
В соответствии с [8, п. 7.2] допускается увеличенная площадь светопрозрачных поверхностей ограждающих конструкций при условии, что приведенное сопротивление теплопередаче указанных конструкций более 0,56 м2·°С/Вт.
Подсчитанные площади световых проемов приведены в таблице 1.7.Таблица 1.7 – Требуемая площадь световых проемов
| № помещения | Наименование помещения | Площадь помещения, м2 | Требуемая площадь оконных проемов, м2 |
| 320 | Конференц-зал | 143,34 | 12,1 |
| 102 | Лестничная клетка Л2 | 75,6 | 24,8 |
| 113 | Лестничная клетка Л2 | 83,2 | 25,2 |
| 124 | Лестничная клетка Л2 | 75,6 | 24,8 |
| 107 | Кабинет на одно рабочее место | 17,06 | 2,8 |
Для освещения помещений по номерами№230,102,113,124 применяем витражи из алюминиевых фасадных систем «СИАЛ» КП50К-ТХ. Остекление рабочих кабинетов выполняется оконными блоками из поливинилхлоридных профилей с двойным остеклением.
1.6 Обоснование выбора конструктивных элементов
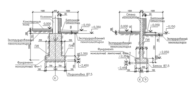
1.6.1 Фундаменты
Выбирая конструкции фундаментов для здания, возводимого рядом с существующим, следует учитывать тип и состояние конструкций фундаментов существующего здания, требования к действующему технологическому оборудованию на возможные динамические воздействия при производстве работ, конструктивные и технологические особенности проектируемого здания, возможности строительных организаций. Принятые конструкции фундаментов должны быть технологичны в строительном производстве. Конструкции фундаментов здания или сооружения должны характеризоваться минимальными величинами приведенных затрат, материалоемкости, энергоемкости, трудоемкости.
В проекте принят столбчатый монолитный железобетонный фундамент высотой 2,2 м размерами подошвы 1,4х1,4 м. и размерами столба 0,9х0,9м в количестве 30 шт.(V=140 м3) ,а также ленточный монолитный фундамент высотой 2,3м шириной 200 мм. ,общей длиной 217 п.м.(V=82м3)
1.6.1.1 Расчет глубины заложения фундамента
При определении глубины заложения подошвы фундамента необходимо учитывать следующие факторы:
-
конструктивные
-
климатические
-
инженерно-геологические
Глубина заложения фундамента по климатическим условиям зависит от глубины промерзания грунтов около фундаментов.
, (1.2)
где
– нормативная глубина промерзания;
– коэффициент, учитывающий влияние теплового режима сооружения, принимаемый для наружных фундаментов отапливаемых сооружений.
= 0,8 – для здания без подвалом, при расчетной среднесуточной температуре воздуха в помещении, примыкающем к наружным фундаментам, 15 0С [15, таблица 5.2].















