на печать лифт (1189714), страница 2
Текст из файла (страница 2)
- для управления механизмами лифта в соответствии с заданным алгоритмом работы;
- для индикации и связи;
- для контроля состояния лифта;
- для обеспечения безопасной эксплуатации лифта в соответствии с требованиями правил ПБ 10-558-03 и других нормативных документов.
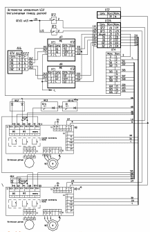
Управление лифтом осуществляется микропроцессорным устройством
управления серии УЭЛ. Конструктивно УЭЛ представляет собой навесной шкаф с габаритными размерами 1077х690х250мм. В состав устройства входят (рисунок 1.1):
1. клеммники;
2. автоматический выключатель главного привода QF1;
3. автоматические выключатели привода дверей QF2, QF3(для проходной кабины);
4. автоматический выключатель цепей ~110В QF4;
5. автоматический выключатель освещения кабины QF5;
6. пускатели главного привода КМ1, КМ2, КМ3 (нерегулируемый привод), КМ2, КМ3 (регулируемый привод);
7. пускатели привода дверей КМ4, КМ5 (проходная кабина) (для регулируемого привода дверей пускатели КМ4 и КМ5 могут не применяться);
8. трансформатор TV1;
9. реле аварии К1;
10. реле диспетчеризации К2;
11. реле освещения кабины К3;
12. реле служебное К4;
13. диоды, резисторы (на рис.1 не показаны);
14. предохранители;
15. пульт управления (кнопки, тумблеры) ;
16. плата центрального контроллера ЦПУ;
17. плата питания и защит ПК;
18. модули ключей МК;
19. модуль управления тормозом МТ или МТЕ-для лебедок ЕПМ;
Ввод напряжения в машинное помещение осуществляется через вводное устройство с емкостным фильтром, предотвращающим распространение радиопомех в питающую сеть.
Таблица 1 – Характеристики пассажирского лифта
| Грузоподъемность | - до 1000 кг |
| Скорость | - до 1,4 м/с (привод нерегулируемый) - до 1,6 м/с (привод регулируемый) |
| Число остановок | - до 30 |
| Двери шахты и кабины | - раздвижные, автоматические с выходом на одну или на две стороны. |
| Система управления | - кнопочная, смешанная: собирательная по приказам в двух направлениях, с вызовом порожней кабины на все этажи; собирательная по вызовам: - в двух направлениях (для общественных зданий и жилых повышенной комфортности) - при движении к основному посадочному этажу (для жилых зданий) - простое (для грузовых лифтов) |
| Напряжение сети | - 380В±10%, 50 Гц |
| Количество включений в час - при 50% ПВ - при 40% ПВ - при 40% ПВ | - до 150 - для жилых и больничных зданий при v=1,0 - 1,6 м/с - до 180 - для общественных зданий при v=1,0 м/с - до 200 - для общественных зданий при v=1,6 м/с, |
Рисунок 1.1 – Шкаф управления лифтом УЭЛ
(Исполнение шкафа под нерегулируемый привод)
-
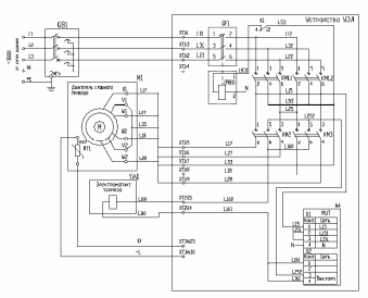
Управление главным приводом
В качестве приводного электродвигателя для лифтов с нерегулируемым приводом применен лифтовый малошумный трехфазный асинхронный двухскоростной электродвигатель повышенного скольжения с короткозамкнутым ротором[1]. Для лифтов с регулируемым приводом возможно применение как односкоростного, так и двухскоростного асинхронного и синхронного двигателя. Движение на номинальной скорости в лифтах с нерегулируемым приводом осуществляется на обмотке двигателя с меньшим количеством полюсов, а при замедлении и скорости ревизии - на обмотке двигателя с большим количеством полюсов (рисунок 1.2).
Рисунок 1.2 – Схема управления главным приводом
(нерегулируемый привод)
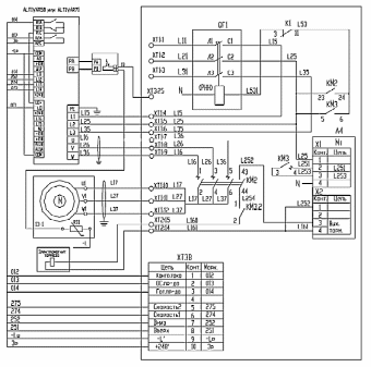
В лифтах с регулируемым приводом могут применяться односкоростные двигатели. При применении двухскоростного двигателя движение осуществляется всегда на обмотке с меньшим количеством полюсов (pисунок 1.3). При применении синхронного двигателя с лебедкой ЕПМ используется самоторможение за счет закорачивания обмоток двигателя при отключенном двигателе. Для управления тормозом с лебедкой ЕПМ используется специальный модуль тормоза МТЕ.
Рисунок 1.3 – Схема управления главным приводом (регулируемый привод)
При управлении двигателем с помощью преобразователя частоты, управление углом разгона и торможения осуществляется преобразователем частоты[1]. Устройство управления задает уровень скорости, на которой должна ехать кабина лифта и направление, в котором она должна двигаться. Устройство управления получает от преобразователя сигнал о готовности преобразователя частоты к работе, провод с маркировкой (014). Если по какой, то причине преобразователь частоты не готов к работе на устройстве управления высветится код ошибки (45). Направление задается выходами с маркировкой (251) вверх и (252) вниз. Уровень скорости задается устройством управления в двоичном коде с выходов с маркировкой (274) скорость1 и (275) скорость2.
Таблица 2 – соответствия состояния выходов скорости уровню скорости ( (1) соответствует +24В)
| 274 (Ск1) | 275 (Ск2) | Уровень скорости |
| 0 | 0 | Скорость удержания двигателя |
| 0 | 1 | Скорость ревизии |
| 1 | 0 | Скорость дотягивания |
| 1 | 1 | Номинальная скорость |
После получения команды на движение устройство управления включает пускатель главного привода и после этого дает команду направления движения на преобразователь частоты и ждет от преобразователя частоты сигналы «привод в работе» и сигнал «контроля тока» (входы с маркировкой (013) «привод в работе» и (012) «контроль тока»). После получения сигналов «контроля тока» и «привод в работе» устройство управления дает команду на растормаживание двигателя и задает уровень скорости. Для примера ниже приведена диаграмма движения кабины лифта в режиме «НОРМАЛЬНАЯ РАБОТА».
Рисунок 1.4 – Диаграмма движения лифта.
Для управления тормозом лебедки применен тормозной электромагнит постоянного тока, включаемый выпрямленным напряжением 220В, которое формируется модулем тормоза «МТ». Управление тормозом асинхронных двигателей осуществляется модулем МТ. Управление тормозом синхронных двигателей осуществляется модулем МТЕ на котором формируется форсирование напряжения при включении катушки и затем пониженное напряжение для удержание катушки тормоза во втянутом состоянии.
Питание катушек пускателей осуществляется однофазным переменным напряжением ~110В через модули ключей МК со встроенной защитой от заклинивания пускателей. При заклинивании пускателей ключ управления выключается и на модуле загорается красный светодиод Питание промежуточных реле, цепей телефонной связи и сигнализации, ремонтного напряжения осуществляется выпрямленным напряжением -24В от понижающего трансформатора.
1.3 Управление приводом дверей
Для плавного пуска и замедления дверей применяют регулируемый привод дверей[1]. Для реализации этого применяют частотные преобразователи типа «БУАД» или «ПРИЗМА» или WITTUR. С применением преобразователя частоты сигналы «ВКО» и «ВКЗ» и «РЕВЕРС» формирует преобразователь частоты. При включении питания «БУАД» не выдает сигналы «ВКЗ» и «ВКО». Система управления дает сигнал на открытие и после автоматической коррекции и определения длины пролета привод может нормально функционировать. Длину пролета преобразователь частоты просчитывает по импульсам от датчика (энкодера). Каждый привод защищается своим однофазным автоматическим выключателем на 2,5 А. На рисунке 1.5 изображено подключение БУАДа.
Рисунок 1.5 – Схема управления приводом дверей
1.4 Прочее оборудование.
Питание промежуточных реле, осуществляется выпрямленным напряжением - 24В от понижающего трансформатора. Предусмотрено также подключение ремонтного и др. электрооборудования к сети 220В через розетки, устанавливаемые на кабине, в приямке и машинном помещении. Кабина лифта оборудована грузовзвешивающим устройством[1]. Пpи загрузке кабины на 110% двери кабины не закрываются, приказы не регистрируются.
Пpи загрузке кабины лифта на 90% кабина по попутным вызовам не останавливается. Датчик контроля наличия пассажира в кабине (15кг) может не устанавливаться. Для контроля «пеpеподъема» и «пеpеспуска» кабины служит конечный выключатель (SE5), установленный на ограничителе скорости в машинном помещении, который срабатывает от кулачков, укрепленных на тросе ограничителя скорости. Движение кабины возможно только при условии исправности всех блокировочных и предохранительных устройств. Срабатывание любого устройства безопасности приводит к размыканию контактов в цепи безопасности и немедленной остановке кабины лифта. Для быстрого обнаружения неисправности в цепях безопасности лифта на клеммную рейку устройства управления выведены контрольные точки (выключателей ловителей кабины, приямка, дверей шахты).
В лифте также предусмотрена двухсторонняя громкоговорящая связь с крышей кабины, машинным помещением и диспетчерским пунктом. Вызов кабины на этаж осуществляется кнопками вызова, установленными на этажных площадках с вмонтированными световыми элементами, регистрирующими вызов. Для информации пассажиров, находящихся на этажной площадке, о том, в каком направлении будет дальше двигаться кабина лифта в административных зданиях, на каждом этаже могут устанавливаться световые указатели стрелок "Вверх" и "Вниз", включение которых происходит в момент начала замедления кабины к данному этажу. На посадочном этаже и в кабине (а также, по специальному заказу, на каждом этаже) устанавливаются информационные табло для индикации местоположения кабины и направления движения[1]. Кроме световой индикации местоположения кабины может применяться и звуковое оповещение о местоположении кабины: для звукового оповещения о местоположении кабины применяется специальное устройство.
1.5 Основные режимы работы лифта
Устройство управления позволяет реализовать следующие режимы работы лифта:
1. монтажный режим "РЕВИЗИЯ";
2. режим "РЕВИЗИЯ" - «РЕ» или «Р_» ;
3. режим "Управление из машинного помещения" ("МП1", "МП2") - «С1» и «С2»;
4. режим "НОРМАЛЬНАЯ РАБОТА" - «НР»,
5. "УТРЕННИЙ РЕЖИМ" и "ВЕЧЕРНИЙ РЕЖИМ” (для административных зданий) - «УР» и «ВР» ;
6. режим "C ПРОВОДНИКОМ" – «Рп» (для административных зданий);
7. "ПОГРУЗОЧНЫЙ РЕЖИМ" - «ПГ» или «Пг»;
8. режим "ПОЖАРНОЙ ОПАСНОСТИ " – «99» или «ПО»;
9. режим "ПЕРЕВОЗКА ПОЖАРНЫХ ПОДРАЗДЕЛЕНИЙ" – «ПП» (для лифтов, оборудованных для перевозки пожарных подразделений);
10. режим «БОЛЬНИЧНЫЙ» - «БР»;
11. режим «ВЫРАВНИВАНИЕ» ;
12. режим «ЭВАКУАЦИЯ»;
13. «ДИСТАНЦИОННОЕ ОТКЛЮЧЕНИЕ ЛИФТА»;
14. аварийное отключение лифта.
Перевод лифта в режимы «НОРМАЛЬНАЯ РАБОТА», "РЕВИЗИЯ", "ПОГРУЗКА" и "УПРАВЛЕНИЕ ИЗ МАШИННОГО ПОМЕЩЕНИЯ" осуществляется переключателем режимов работ, установленным в устройстве управления УЭЛ. Перевод в режим «ПОЖАРНАЯ ОПАСНОСТЬ» происходит автоматически из режимов "НОРМАЛЬНАЯ РАБОТА" или "ПОГРУЗКА" по сигналу датчика пожарной опасности. В режим "ПЕРЕВОЗКА ПОЖАРНЫХ ПОДРАЗДЕЛЕНИЙ" лифт переводится спец. ключом SF2 в посту приказов. В "УТРЕННИЙ РЕЖИМ", "ВЕЧЕРНИЙ РЕЖИМ", "РЕЖИМ С ПРОВОДНИКОМ" и в режим «ДИСТАНЦИОННОЕ ОТКЛЮЧЕНИЕ» лифт переводится из режима "НОРМАЛЬНАЯ РАБОТА" тумблерами в блоке задания режимов, установленном на посадочном этаже (для административных зданий). Для больничных лифтов перевод лифта в режим «БОЛЬНИЧНЫЙ» производится ключами с этажей и ключом в приказном посту. Для работы в режиме "РЕВИЗИЯ" дополнительно необходимо установить выключатель в посту ревизии (КБР) в положение "РЕВИЗИЯ". Перевод лифта в режим «ПОЖАРНАЯ ОПАСНОСТЬ» может быть выполнен ключом SF1, установленным в блоке задания режимов (для административных зданий) или в вызывном посту (для жилых зданий).
Также в систему управления заложен служебный режим работы лифта «Режим обслуживания инвалида»[1]. При работе лифтов в группе, когда один из лифтов группы предназначен для перевозки инвалидов, имеется требование принудительного вызова именно этого лифта на этаж.
Данное требование реализуется следующим образом:
- лифту, предназначенному для перевозки инвалидов необходимо назначить статус инвалидного (параметр программирования «bA» - тип лифта – выставить значение «1»), при этом количество лифтов в группе может быть несколько.
















