на печать лифт (1189714), страница 3
Текст из файла (страница 3)
Алгоритм работы лифта, предназначенного для перевозки инвалидов следующий:
- если на этаж, на котором инвалид нажал кнопку вызова приходит лифт, предназначенный для перевозки инвалидов, инвалид может сесть в лифт и нажав на кнопку приказа ехать по назначенному приказу;
- если на этаж, на котором инвалид нажал кнопку вызова приходит лифт, не предназначенный для перевозки инвалидов, при открытых дверях этого лифта он должен повторно нажать на вызов;
- после того, когда инвалид повторно нажал на кнопку вызова, лифт, предназначенный для перевозки инвалидов, переходит в режим обслуживания инвалида, при этом этот лифт больше не останавливается по вызовам и не регистрирует вновь поступившие приказы;
Лифт обслуживает ранее зарегистрированные приказы после чего «свободная кабина» едет на вызов, зарегистрированный инвалидом. После обслуживания этого вызова лифт выходит из режима обслуживания инвалида. Вышеописанные ситуации проверяются при проверке работы лифтов.
1.6.Описание платы центрального процессорного устройства (ЦПУ) в устройстве УЭЛ
Плата центрального процессора является интеллектуальным ядром всей системы управления, которая, получая информацию о состоянии лифта, выдает необходимые управляющие сигналы в соответствии с реализованным алгоритмом работы лифта.
На плате имеется двухразрядный семисегментный знакосинтезирующий индикатор.
На индикаторе высвечивается следующая информация:
- Режимы работы лифта;
НР- «НОРМАЛЬНАЯ РАБОТА»;
ПГ- «ПОГРУЗКА»;
Пг- «ПОГРУЗКА» по кнопке «ОТМЕНА»;
С1- режим «управление из машинного помещения МП-1»;
С2- режим «управление из машинного помещения МП-2»;
РЕ- режим «РЕВИЗИЯ»;
УР- «УТРЕННИЙ РЕЖИМ»;
ВР- «ВЕЧЕРНИЙ РЕЖИМ».
- Местоположение лифта в соответствии с запрограммированной индикацией;
- Коды ошибок, возникшие во время работы лифта;
- Служебные функции;
Имеется индикация состояния лифта:
- лифт в точной остановке (ДТО);
- двери лифта закрыты (ВКЗ);
- наличие человека в кабине (15кг.);
- лифт работает в группе.
Рисунок 1.6 – Плата центрального процессора с указанием назначения разъемов и индикации на плате
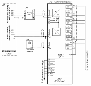
1.7 Схема подключения ACSM1 к устройству управления УЭЛ и описание назначения входов/выходов.
Внешний вид частотного привода ACSM1 и описание разъемов и внешних устройств, представлено на рисунке 1.7
Силовые разъемы:
1. Подключения к сети питания (U1, V1, W1).
2. Подключение к шине постоянного тока (UDC+, UDC-).
3. Подключение двигателя (U2, V2, W2).
4. Подключение тормозного резистора (R+, R-).
Разъемы управления:
1. Вход 24В, для подключения внешнего источника питания.
2. Релейный программируемый выход (нормально замкнутый и нормально разомкнутый).
3. Шесть цифровых входов и три цифровых входа/выхода (можно задавать как цифровой вход или как цифровой выход).
4. Два аналоговых входа (по току или по напряжению).
5. Два аналоговых выхода (1 токовый выход, 1 выход напряжения).
6. Вход для подключения термистора двигателя (для контроля температуры обмоток статора двигателя).
7. Разъем связи между приводами (когда привода работают в паре).
8. Разъем безопасного отключения двигателя. При извлечении этого разъема можно без снятия питающего напряжения с привода проводить техническое обслуживание механической части двигателя и лебёдки.
9. Интерфейс пользователя для подключения ПК или интеллектуальной панели управления к приводу для программирования и диагностики.
10. Блок памяти предназначен для хранения внутренней программы управления ПЧ. Если привод вышел из строя, то его можно заменить, оставляя блок памяти. При этом дополнительного программирования не требуется, т.к. в блоке памяти хранятся все персональные настройки привода.
Рисунок 1.7 – Внешний вид ACSM1.
Внешние устройства:
1. Аналоговые и цифровые устройства расширения ввода/вывода для подключения дополнительных аналоговых и цифровых сигналов.
2. Модуль интерфейса для подключения датчиков обратной связи: импульсный энкодер, абсолютный энкодер, резольвер.
3. Интерфейсные модули шины fieldbus, предназначены для подключения связи по каналу PROFIBUS, CANopen, DeviceNet или Ethernet/IP, для удаленного управления приводом.
Схема подключения ACSM1 к устройству управления УЭЛ представлена на рисунке 1.8.
Рисунок 1.8 – Схема подключения АВВ к УЭЛ
Таблица 3 – Описания назначения входов/выходов станции УЭЛ
| № провода | № клеммы | Функция |
| Силовые провода | ||
| L35 | U1 (L3 – L3’) | Фазы питающей сети |
| L25 | V1 (L2 – L2’) | |
| L15 | W1 (L1 – L1’) | |
| L36 | U2 | Фазы питания двигателя через пускатель |
| L26 | V2 | |
| L16 | W2 | |
| R+, R- | Подключение тормозного резистора | |
| Провода управления | ||
| 012 | 1 (X2:1) | Сигнал управления механическим тормозом (выходной сигнал реле RO NO) |
| 251 | 3 (X3.1:3) | Направление “вверх” (входной сигнал DI 1) |
| 252 | 4 (X3.1:4) | Направление “вниз” (входной сигнал DI 2) |
| 3p | 5 (X3.2:5) | +24 В преобразователя (+24VD) |
| -Lp | 6 (X3.2:6) | Общий провод преобразователя (DGND) |
| 274 | 7 (X3.2:7) | Код скорости 1 (входной сигнал DI 3) |
| 275 | 8 (X3.2:8) | Код скорости 2 (входной сигнал DI 4) |
| Эвак. | 12 (X3.3:12) | Сигнал включения режима эвакуации (входной сигнал DI 6) При отсутствии режима эвакуации – не подключать |
| 014 | 15 (X3.4:15) | Сигнал готовности преобразователя (выходной сигнал DIO 1) |
| 013 | 16 (X3.4:16) | Сигнал контроля тока (выходной сигнал DIO 2) |
| 277 | 1 (Х6:1) | +24 В преобразователя (OUT1) |
| 276 | 3 (X6:3) 4 (X6:4) | Разрешение работы преобразователя (входной сигнал IN1, IN2) Установить в пар. 46.07 - Нет |
1.8. Программирование преобразователя частоты.
Инструментом для программирования ПЧ является интеллектуальная панель управления[1]. Панель управления это внешнее дополнительное устройством, которое может подключаться к приводу ACSM1 с помощью кабеля. Комплект для установки панели управления позволяет монтировать панель на дверцах шкафов или внутри шкафа управления. Внешний вид представлен на рисунке 9.
Рисунок 1.9 – Внешний вид интеллектуальной панели управления.
На рисунке 1.9 приведены следующие обозначения:
1. Светодиод, обозначающий статус, – при нормальной работе горит зеленым цветом.
2. LCD дисплей. Разделен на 3 области:
2a. Область дисплея, отображающая режим управления: местное (LOC) и удаленное (REM) управление. Также справа отображается скорость задания.
2b. Центральная область дисплея, отображающая значения параметров и выбранные заранее сигналы (пар. 17.1 – 17.3), меню. Также отображает ошибки и предупреждения.
2с. Область дисплея, показывающая функции программных клавиш
(3 и 4). Также отображает часы реального времени (если настроено).
3 (4). Программные клавиши, функциональность которых зависит от контекста. Текст в нижней левой (правой) области LCD дисплея отображает функцию программной клавиши.
5. Клавиши вверх.
6. Клавиши вниз.
7. Клавиша, с помощью которой можно выбрать режим управления: местное (LOC) - от панели управления или удаленное (REM) - от станции управления.
8. Клавиша вызывает контекстное меню HELP (помощь).
9 (10). Клавиша остановки (пуска) в режиме местного управления (LOC).
1.9 Настройка ПЧ для режима «Нормальная работа».Компенсация момента инерции.
Для качественного управления движением лифта необходимо ввести расчетное значение момента инерции на валу двигателя[1]. Для этого требуется активировать параметр 88.03 «КОМП МОМ ИНЕРЦИИ», установив ВКЛЮЧЕНО. В параметре 88.04 «МОМЕНТ ИНЕРЦИИ» вводится значение момента инерции лифта, рассчитанное по формуле:
|
| (1) |
где J – момент инерции на валу двигателя, кг∙м2; m – движущаяся масса лифта (= масса кабины + масса противовеса + номинальная грузоподъемность лифта + масса канатов + масса уравновешивающих цепей (если имеются)), кг; d – диаметр канатоведущего шкива, м; GR – передаточное число редуктора; i – кратность полиспаста.
Ниже приведена таблица рекомендуемых значений момента инерции для лифтов с различной грузоподъемностью и скоростью при работе с асинхронным двигателем.
Таблица 4 – Рекомендуемые значения момента инерции
| Номинальные данные лифта | Момент инерции, кг·м2 |
| 400 кг, 1 м/с | 0.3 ÷ 0.35 |
| 400, 1.6 м/с | 0.4 ÷ 0.45 |
| 500 кг, 0.5 м/с | 0.5 |
| 630 кг, 1 м/c | 0.6 ÷ 0.65 |
| 630 кг, 1.6 м/c | 0.7 ÷ 0.75 |
| 1000 кг, 1 м/c | 0.8 ÷ 0.9 |
| 1000 кг, 1.6 м/c | 1 ÷ 1.2 |
Помехи при измерении скорости можно уменьшить с помощью фильтра скорости, посредством ФИЛЬТР СКОРОСТИ, где параметр 88.02– постоянная времени фильтра. Для настройки параметра требуется установить значение постоянной времени фильтра скорости. Механическая постоянная времени механизма рассчитывается по следующей формуле:
|
| (2) |
где -
– номинальная скорость двигателя, об/мин;
- общая инерция нагрузки и двигателя, кг∙м2;
- номинальный момент двигателя, Н∙м.
Рисунок 1.10 – Измерение скорости и фильтрация.
Далее рассмотрим пример расчета момента инерции лифта.
















