Моделирование_Эл_Схем_150129 (1178827)
Текст из файла
iМоделирование электронных схем
1. Создание проекта в программе OrCAD
1.1. Создать папку для данного проекта. Открыть программу CAPTURE_SIS (
).
1.2. В строке меню открыть: FILE->NEW->PROJECT.
Ввести имя и указать путь папку данного проекта, установить тип проекта ANALOG OR MIXED A/D
1.3. Далее в следующем окне выбрать CREATE A BLANK PROJECT. При создании проекта автоматически создается первая (Page1) страница первой схемы (SCHEMATIC1).
Рис. 1 Рабочее окно редактора схем
2. Составление схемы.
2.1. Для составления схемы необходимо подключить библиотеки компонентов (элементов). Для этого в правой части экрана в меню - выбрать значок PLACE PART
. В появившемся окне “нажать клавишу ” ADD LIBRARY, выделить нужные для данного проекта библиотеки (ANALOG, ABM, SOURSE, DIODE, EDIODE, JDIODE, BIPOLAR, POLYFET, SPECIAL, PHIL_FET, JFET, …), а затем “нажать клавишу ” OK. Библиотеки Capture содержат в себе символы аналоговых и дискретных (цифровых) компонентов, источников питания сигналов и “земли”. Окно (рис.2) «Place Part » позволяет не только выбрать и добавить библиотеки (Add Library), но и удалять ненужные библиотеки.
Рис.2. Выбор библиотеки и компонента
Выбранный из соответствующей библиотеки компонент перед размещением на листе схемы можно поворачивать или зеркально отображать. Для поворота используется клавиша R на клавиатуре. Для зеркального отображения выделенного элемента после нажатия правой кнопки мыши в появившемся меню надо выбрать MIRROR VERTICALLY или MIRROR HORIZONTALLY. При создании новой схемы удобно поместить сначала все компоненты схемы, а затем их поворачивать и размещать в нужном порядке и соединять проводами.
Для ускорения набора схемы предусмотрена возможность однократного выбора компонента и многократного помещения однотипных элементов на схему. При этом автоматически увеличивается на единицу индекс каждого следующего компонента, если в свойствах системы Options/Preference/Miscellaneous/Auto Reference установлена “галка” в Check box’e Automatically reference placed parts.
Для окончания копирования любого выбранного элемента на схему, необходимо “нажать клавишу” Esc. Затем выбрать следующий компонент и так же поместить на схему нужное количество копий, и т. д.
Компоненты для моделирования следует брать только из библиотек директории Library\PSpice. При этом, и в ней могут встретиться и не пригодные для моделирования компоненты.
OrCAD позволяет открывать сразу несколько проектов, поэтому если составляется схема, аналог которой уже имеется, то в целях сокращения времени на составление новой схемы, удобно скопировать готовую схему или отдельные её блоки из другого проекта, а затем удалить ненужные и добавить недостающие компоненты.
Для упорядочивания нумерации элементов по всему проекту необходимо из корня проекта в Tools/Annotate в закладке Packaging поставить точку в Unconditional reference update и затем нажать OK.
2.2. Элементы цепи соединяются проводниками (значок PLACE WIRE
). В местах поворота провода и в местах соединения провода с элементами и другими проводами для контакта необходимо щёлкнуть левой клавишей мышки.
Проводникам можно присваивать имена (значок PLACE NET ALIAS
). Проводники с одинаковыми именами – один проводник, поэтому в сложных схемах нет необходимости вводить длинные проводники, достаточно в разных участках схемы присвоить одинаковые имена отрезкам проводников. Если при вводе имя проводника оканчивается на цифру (номер), то после установки данного имени на проводник автоматически предлагается имя для следующего проводника с увеличенным на единицу номером. Всем проводникам схемы, временные диаграммы которых представляют интерес, желательно присвоить имена.
Ввод компонентов и проводников следует проводить с привязкой к сетке. Привязка к сетке отключается и включается кнопкой
(Snap to grid).
Рис.3. Выбор символа “земли” или источника питания
2.3. Общий (нулевой) проводник аналоговой схемы при моделировании должен быть обязательно соединен с элементом “земли”. Для аналоговых схем в меню PLACE GROUND
надо выбрать 0/SOURCE (
) (рис.3). Можно также в главном меню “кликнуть” опцию Place, в выпадающем меню “кликнуть” Ground… - появится окно Place Ground. В нём выделить строку 0/Source и нажать кнопку Ok.
В аналоговые схемы для моделирования необходимо из библиотеки SOURCE включить источники сигналов (VDC, VAC, VPULSE, VSIN, IDC,…) и, если необходимо, источники питания (VDC,…).
Для цифровых элементов источники питания вводить не надо, т.к. по умолчанию предполагается, что на них подано номинальное напряжение питания. Источником сигнала логического нуля (цифровой “землей”) является - $D_LO/SOURCE, а источником сигнала логической единицы - $D_HI/SOURCE.
2.4. Горячие клавиши:
Ctrl+z – Undo.
Ctrl+x – Cut.
Ctrl+c – Copy.
Ctrl+v – Paste.
Ctrl+Left Mouth Click – выделение нескольких объектов.
R – повернуть объект.
I – ZumIn.
O – ZumOut.
C – Centre.
3. Многостраничные и блочные схемы.
Схемы могут быть очень сложными и занимать несколько страниц. Для создания новой страницы схемы в корне проекта надо выделить SCHEMATIC1, нажать правую кнопку мыши, выбрать New Page. Для того чтобы проводники с одинаковыми именами на разных страницах воспринимались как один проводник необходимо на каждой странице, где есть этот проводник, использовать из Off Page Connector (
) межстраничные соединители с именем этого проводника
.
Сложные схемы можно разбивать на блоки. Для создания блока необходимо в корне проекта выделить .\Name_project, нажать правую кнопку мыши, выбрать New schematic и создать новую схему с именем блока, а затем в созданной схеме с именем блока создать необходимое количество страниц. После этого на его страницах надо составить схему блока. К каждому выводу блока должен ,быть подключен какой либо из портов: PORTRIGHT-L (
), PORTLEFT-L (
),… из меню Place port
с именем данного вывода.
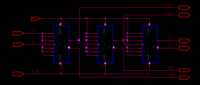
Рис.4. Пример схемы блока ACB3 - асинхронного счетчика на JK триггерах
На рис.4. приведен пример схемы блока асинхронного счетчика на JK триггерах, а на рис.5 - пример схемы блока трехразрядного двоичного цифроаналогового преобразователя (ЦАП) с источниками напряжения и весовыми резисторами. В этих схемах для наглядности входы имеют порты PORTLEFT-L, а выходы – порты PORTRIGHT-L.
Рис.5. Пример схемы блока DAC - трехразрядного ЦАП
После того, как составлены схемы блоков на листе основной схемы проекта, можно создавать и сами блоки. Для этого надо выбрать и нажать
, а в появившемся окне Place Hierarchical Block в строке Reference ввести позиционное обозначение блока в схеме, в строке Implementation Type выбрать Schematic View, а в строке Implementation Name имя схемы блока и в заключение нажать OK. После чего окно Place Hierarchical Block (рис.6) автоматически закроется. Далее надо выбрать свободный участок листа основной схемы, нажать левую кнопку мыши и, не отпуская её, провести диагональ прямоугольника модуля, а затем отпустить левую кнопку мыши. В результате этого на листе схемы появится прямоугольник модуля с портами выводов его схемы. Для наглядности необходимо отредактировать расположение портов и размеры модуля.
Рис.6. Окно создания блока
Рис.7. Пример схемы счетчика с емкостью 8+1
На рис.7. приведен пример схемы счетчика с емкостью 8+1 состоящей из дополнительного JK-триггера и двух созданных блоков ACB3 и DAC. В этой схеме цифровой генератор “отрицательного” импульса DSTM1 “сбрасывает” все триггеры счетчика в ноль, т.е. обеспечивает, необходимое для моделирования, однозначное начальное состояние. Параметры последовательности импульсов генератора DSTM1 устанавливаются в меню свойств (Edit Properties) последовательностью команд. В данном примере это один “отрицательный” импульс с длительностью 1 мкс и задержкой 1.5 мкс (us): COMMAND1 0us 1, COMMAND2 1.5us 0, COMMAND3 2.5us 1. Параметры цифрового генератора периодического сигнала DSTM2 (ON TIME, OFF TIME, DELAY, STARTVAL и OPPVAL) устанавливаются прямо на листе схемы. Для моделирования ко всем выводам блоков должны быть подключены отрезки проводников. Шина Q[2:0] объединяет выводы Q2,Q1,Q0 всех разрядов счетчика ACB3.
4. Формирование задания на моделирование
В верхней части экрана в меню выбрать NEW SIMULATION PROFILE
, ввести любое имя и нажать кнопку Create. В появившемся окне в закладке ANALYSIS в меню ANALYSIS TYPE надо выбрать один из трех режимов моделирования:
-
временные диаграммы (Time Domain (Transient)),
-
вольтамперные характеристики (DC Sweep) или
-
частотные характеристики (AC_Sweep/Noise).
В режиме Time Domain (Transient) первичным источником сканирования является только время, а в режиме AC_Sweep/Noise – только частота генератора переменного напряжения или тока (VAC, IAC из библиотеки SOURCE)
В режиме DC Sweep может быть два источника сканирования: первичный и вторичный (Primary Sweep и Secondary Sweep). В качестве каждого из этих источников может быть напряжение, ток, глобальный параметр или температура.
Для запуска процедуры моделирования на панели инструментов надо нажать кнопку RUN PSPICE
.
Характеристики
Тип файла документ
Документы такого типа открываются такими программами, как Microsoft Office Word на компьютерах Windows, Apple Pages на компьютерах Mac, Open Office - бесплатная альтернатива на различных платформах, в том числе Linux. Наиболее простым и современным решением будут Google документы, так как открываются онлайн без скачивания прямо в браузере на любой платформе. Существуют российские качественные аналоги, например от Яндекса.
Будьте внимательны на мобильных устройствах, так как там используются упрощённый функционал даже в официальном приложении от Microsoft, поэтому для просмотра скачивайте PDF-версию. А если нужно редактировать файл, то используйте оригинальный файл.
Файлы такого типа обычно разбиты на страницы, а текст может быть форматированным (жирный, курсив, выбор шрифта, таблицы и т.п.), а также в него можно добавлять изображения. Формат идеально подходит для рефератов, докладов и РПЗ курсовых проектов, которые необходимо распечатать. Кстати перед печатью также сохраняйте файл в PDF, так как принтер может начудить со шрифтами.
















