Работа №2 Исследование удельных объёмного и поверхностного сопротивлений твердых диэлектриков (1152102)
Текст из файла
Работа 2. Исследование удельных поверхностного и объёмного сопротивлений твёрдых диэлектриков
Цель работы: исследование зависимости удельных поверхностного и объемного сопротивлений от типа диэлектрика и внешних факторов (температуры, напряжения, времени).
1. Теоретическая часть
Все твердые диэлектрики обладают электропроводностью, которая обусловлена ионной и электронной проводимостями материала, причем в нормальных условиях определяющей является ионная проводимость, так как электронная настолько мала, что ею можно пренебречь.
Рис. 1 Рис. 2
Электропроводность диэлектрика измеряют, помещая его между обкладками конденсатора (рис. 1). При подключении постоянного напряжения к образцу диэлектрика ток, протекающий через него, сильно меняется во времени. При включении батареи напряженность электрического поля в диэлектрике изменяется во времени, следовательно, возникает ток смещения, который из-за поляризации диэлектрика в ε раз больше тока смещения в вакууме. В диэлектрике плотность этого тока:
Ток, протекающий в диэлектрике, состоит:
-
из тока сквозной проводимости, или тока утечки. Эта составляющая практически не зависит от времени. Она присутствует в диэлектрике благодаря наличию небольшого числа свободных носителей заряда (ионов);
-
тока поляризации, включающего в себя ток электронной и ионной поляризаций, токи релаксационных поляризаций (ионно-, электронно-, дипольно-релаксационных), ток структурной поляризации.
Токи электронной и ионной поляризаций протекают очень быстро (
с), токи релаксационных поляризацией особенно структурной, протекают значительно медленнее.
Ход кривой на участке 0-1 (см. рис. 2) обусловлен протеканием токов, связанных с быстрыми и медленными видами поляризации. На участке 1-2 токи, связанные с быстрыми видами поляризации, быстро исчезают. На участке 2-3 токи, связанные с медленными видами поляризации, медленно спадают во времени. Их называют токами абсорбции. Спустя определенное время остается лишь ток сквозной проводимости.
Чтобы учесть лишь ток сквозной проводимости при определении удельного объемного и удельного поверхностного сопротивлений, согласно действующему стандарту измерение сопротивлений диэлектрика проводят спустя минуту после включения батареи. При этом полагают, что токи абсорбции весьма малы и их можно не учитывать. Поскольку токи абсорбции все-таки присутствуют, измеренное сопротивление всегда несколько меньше истинного.
Ток проводимости диэлектрика подразделяют на объемный, протекающий через диэлектрик, и поверхностный, протекающий по его поверхности. Соответственно количественную оценку проводимости диэлектрика производят по значению удельного объемного и удельного поверхностного сопротивлений. Удельное объемное сопротивление количественно равно сопротивлению куба из данного материала с ребром в единицу длины при напряжении, приложенном к двум его противоположным граням. Удельное объемное сопротивление в СИ измеряется в ом-метрах (Ом•м). Часто используются единицы измерения
Ом – см = 10-2 Ом – м, а также мкОм – м, которая численно равна
Ом * мм2/м.
Удельное поверхностное сопротивление количественно равно сопротивлению квадрата любых размеров, выделенного на поверхности данного материала при напряжении, приложенном к двум противоположным сторонам этого квадрата. Удельное поверхностное сопротивление в СИ измеряется в омах.
Удельное объемное и удельное поверхностное сопротивления существенно зависят от температуры, влажности, приложенного напряжения и времени его воздействия.
Зависимость удельного объемного сопротивления от температуры хорошо аппроксимируется экспонентой:
где А и b – константы для данного материала, которые определяют экспериментально. T – абсолютная температура, К.
С ростом температуры сопротивление уменьшается, что объясняется увеличением числа свободных носителей заряда за счет усиления диссоциации примесей или основного материала.
Напряжение существенно влияет на сопротивление диэлектриков при больших значениях напряженностей электрического поля. С ростом напряженности сопротивление падает. Эта зависимость носит нелинейный характер.
Влажность оказывает очень сильное влияние на объемное и особенно на поверхностное сопротивление диэлектрика. При увлажнении сопротивление падает, так как вода сама обладает сравнительно высокой электропроводностью и активизирует все загрязнения в материале.
Рис. 3а
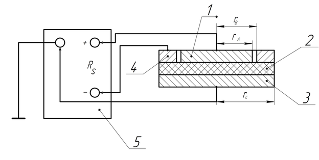
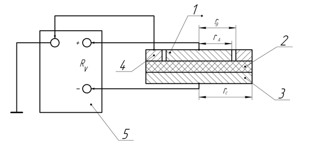
Для измерения удельного объемного и удельного поверхностного сопротивлений применяют стандартную трехэлектродную схему
(рис. 3 а, б). Сопротивление измеряют с помощью тераомметра.
Образцы твердых диэлектриков представляют собой круглее или квадратные пластинки, на которые нанесены металлические электроды.
Схему, представленную на рис. 6а, используют для измерения объемного сопротивления. 1 – электрод в форме диска, на который подается положительный потенциал, 2 – исследуемая пластина диэлектрика,
3 – электрод в форме диска, на который подается отрицательный потенциал, 4 – электрод в форме кольца, служащий для отвода поверхностной составляющей ионного тока, 5 – тераомметр.
При подаче напряжения ток протекает через толщу материала от электрода 1 к электроду 3. Охранное кольцо 4 в этой схеме служит для отвода поверхностной составляющей ионного, тока через диэлектрик. Непосредственно в результате измерения определяют объемное сопротивление диэлектрика Rv.
Рис. 3б
Удельное объемное сопротивление (в Ом-метрах) вычисляют по формуле:
где
– контактная поверхность электрода, м2; h – толщина образца, м; ra – радиус электрода 1, м.
Схему, представленную на рис. 6б, используют для измерения поверхностного сопротивления. 1 – электрод в форме диска, на который подается положительный потенциал, 2 – исследуемая пластина диэлектрика, 3 – электрод в форме диска, служащий для отвода объемной составляющей ионного тока, 4 – электрод в форме кольца, на который подается отрицательный потенциал, 5 – тераомметр.
Поверхностные токи протекают от электрода 1 к электроду 4. Электрод 3 используется для отвода объемной составляющей тока через диэлектрик. В результате измерения определяют поверхностное сопротивление диэлектрика Rs. Удельное поверхностное сопротивление для электродов кольцевой формы определяют по формуле
где rb – внутренний радиус электрода 2, м.
Стандартные размеры электродов для измерения удельного объемного и удельного поверхностного сопротивлений плоских образцов следующие:
dc не менее 0.074 м. Согласно ГОСТу сопротивление диэлектриков измеряют при напряжении 500 и 1000 В. При выполнении лабораторной работы основные измерения производят при напряжении не выше 100 В.
2. Описание лабораторного оборудования.
Для измерения величины сопротивления в данной работе используется тераомметр Е6-13А. Лицевая панель данного прибора приведена на рис. 4.
Где 1 – кнопка включения прибора в сеть
2 – установка нулевого значения прибора
3 – регулятор установки нулевого значения
4 – переключение пределов измерения
5 – шкала измерения
2. Порядок выполнения работы
1. Ознакомиться с инструкцией по эксплуатации тераомметра Е6-13А.
2. Ознакомиться с образцами, замерить их толщину h, и размеры электродов ra и rb, данные занести в таблицу:
| № пп | Материал | ra, м | rb, м | h, м | Sa, м2 | U, В | Rv, Ом | Rs, Ом | Pv, Ом * м | Ps, Ом |
3. Включить прибор в сеть нажав кнопку 1 “Сеть вкл”.
4. Осуществить калибровку прибора: зажать кнопку 2 “уст. 0” и вращением рукоятки 3 “уст. 0 точно” добиться установления стрелки прибора на значение “0”.
ВНИМАНИЕ! ЗАМЕНА ОБРАЗЦОВ В ИСПТАТЕЛЬНОЙ КАМЕРЕ ПОД НАПРЯЖЕНИЕМ КАТЕГОРИЧЕСКИ ЗАПРЕЩЕНА.
Напряжение на электродах отсутствует только при зажатой кнопке “уст. 0”
5. Измерить значения удельного поверхностного электросопротивления для приведенных образцов. Порядок измерения:
5.1. Подключить внешнее кольцо 4 (рис. 3б) измерительной установки к клемме “-” тераомметра, а нижний диск 3 к клемме “Земля” и установить исследуемый образец между электродами 1 и 3. (Все операции с электродами проводятся при зажатой кнопке “уст. 0”.)
5.2. Подать напряжение на электроды отключив кнопку 2 “уст. 0”
5.3. Путем переключения пределов измерения прибора с помощью центральной ручки 4 добиться отклонения стрелки прибора в рабочую область измерения. Зафиксировать полученное значение электросопротивления: если верхний предел измерения (установленный ручкой) кратен 3, то считывание осуществляется по нижней градуировке нижней шкалы, иначе по верхней градуировке нижней шкалы.
5.4. Зажать кнопку 2 “уст. 0”, тем самым сняв напряжение с электродов, и заменить исследуемый образец на следующий. Повторить пункты 5.2, 5.3 и 5.4 для остальных образцов.
6. Измерить значения удельного объемного электросопротивления для приведенных образцов. Порядок измерения:
6.1 Подключить нижний диск 3 (рис. 6а) к клемме “-” тераомметра, а внешнее кольцо 4 к клемме “Земля” и установить исследуемый образец между электродами 1 и 3. (Все операции с электродами проводятся при зажатой кнопке “уст. 0”.)
6.2 Подать напряжение на электроды отключив кнопку 2 “уст. 0”
6.3 Путем переключения пределов измерения прибора с помощью центральной ручки 4 добиться отклонения стрелки прибора в рабочую область измерения. Зафиксировать полученное значение электросопротивления: если верхний предел измерения (установленный ручкой) кратен 3, то считывание осуществляется по нижней градуировке нижней шкалы, иначе по верхней градуировке нижней шкалы.
6.4 Зажать кнопку 2 “уст. 0”, тем самым сняв напряжение с электродов, и заменить исследуемый образец на следующий. Повторить пункты 6.2, 6.3 и 6.4 для остальных образцов.
7. Занести полученные результаты в таблицу.
3. Содержание отчета
1. Привести схемы измерения сопротивлений.
2. Все результаты измерений и расчетов занести в таблицу.
3. Кратко объяснить полученные результаты.
4. Ответить на контрольные вопросы.
Характеристики
Тип файла документ
Документы такого типа открываются такими программами, как Microsoft Office Word на компьютерах Windows, Apple Pages на компьютерах Mac, Open Office - бесплатная альтернатива на различных платформах, в том числе Linux. Наиболее простым и современным решением будут Google документы, так как открываются онлайн без скачивания прямо в браузере на любой платформе. Существуют российские качественные аналоги, например от Яндекса.
Будьте внимательны на мобильных устройствах, так как там используются упрощённый функционал даже в официальном приложении от Microsoft, поэтому для просмотра скачивайте PDF-версию. А если нужно редактировать файл, то используйте оригинальный файл.
Файлы такого типа обычно разбиты на страницы, а текст может быть форматированным (жирный, курсив, выбор шрифта, таблицы и т.п.), а также в него можно добавлять изображения. Формат идеально подходит для рефератов, докладов и РПЗ курсовых проектов, которые необходимо распечатать. Кстати перед печатью также сохраняйте файл в PDF, так как принтер может начудить со шрифтами.
















