1 (1131253), страница 12
Текст из файла (страница 12)
Одним из существенных факторов при организации магистрали был и остается экономический. Дело в том, что затраты на прокладку кабеля в значительной степени определяют внешние условия (город, сельская местность, глубина залегания, наличие инженерных коммуникаций и т.д.), а не технические характеристики, например, пропускная способность. Поэтому чем больше абонентов смогут использовать один и тот же кабель, тем быстрее окупятся затраты на его прокладку, тем дешевле будет стоить каждому из них его эксплуатация. За 100 лет существования телефона были инвестированы огромные средства в создание методов и оборудования, позволяющих использовать одну и ту же магистраль одновременно для передачи нескольких разговоров. Такой технический прием называют мультиплексированием, или уплотнением.
Созданные в телефонии схемы мультиплексирования можно разделить на два больших класса: мультиплексирование с разделением частот и мультиплексирование с разделением по времени. Кроме этого, были разработаны методы мультиплексирования на основе разделения длин волн и на основе разделения кодов. Метод разделения длин волн применяют в оптоволоконных системах. Методы разделения кодов используют в системах беспроводной связи.
Мультиплексирование с разделением частот.
Идея мультиплексирования с разделением частот очень проста: весь диапазон частот полосы пропускания кабеля разбивают на поддиапазоны, которые называют каналами. По каждому каналу идет независимая передача.
12 голосовых каналов с пропускной способностью по 4000 Гц мультиплексируют в полосе от 60 до 108 кГц. Такое соединение называют группой. Пять групп по 12 каналов мультиплексируют в супергруппу, затем пять супергрупп - в мастер-группу. Современные стандарты МКТТ позволяют объединять до 230 000 голосовых каналов.
Мультиплексирование с разделением длины волны.
Этот способ мультиплексирования используется для волоконноптических каналов. Два волоконнооптических кабеля с импульсами разной длины волны подводят к одной призме. Свет, пройдя через призму (или дифракционную решетку), смешивается в единый луч, который на другом конце разделяется с помощью другой призмы. Поскольку каждый канал занимает лишь несколько ГГц, а пропускная способность одного оптоволоконного канала около 25 000 ГГц (быстрее преобразовывать световой сигнал в электрический пока не могут), то возможности оптоволокна для мультиплексирования огромны. Метод мультиплексирования с разделением длин волн применяется в технологии FTTC.
Мультиплексирование с разделением по времени.
Частотное мультиплексирование требует применения аналоговых схем и малопригодно для управления компьютером. Мультиплексирование с разделением времени или TDM-мультиплексирование (Time Division Multiplexing), наоборот, предполагает использование цифрового оборудования и хорошо соответствует возможностям компьютера. Следует отметить, что оно подходит только для работы с данными в цифровой форме. Поскольку по абонентской линии телефонный сигнал передают в аналоговой форме, то его надо сначала оцифровать.
Оцифровка сигнала происходит на местном узле коммутации, куда сходятся абонентские линии с аналоговыми сигналами.
На местном узле коммутации аналоговые сигналы с абонентских линий оцифровываются, объединяются и передаются на узлы коммутации следующего уровня по магистральным шинам. Здесь мы рассмотрим, как это все происходит.
Есть два основных метода преобразования аналогового сигнала в цифровую форму и обратно. Это метод импульсно-кодовой модуляции (ИКМ-метод) и разностный метод Дельта-модуляции.
Когда метод ИКМ начал развиваться, МКТТ не смогло сразу договориться и ввести единый стандарт на применение этого метода в телефонии. В результате возникло два варианта: европейский (Е1) и Т1, получивший распространение в США и Японии.
Стандарт Е1 предполагает мультиплексирование 30 каналов. Каждая из 30 линий сканируется с частотой 8 000 Гц. Результаты каждого измерения представляют 8-битовое число. Это означает, что в методе ИКМ используются 256 уровней. В случае стандарта Т1 используются 7 бит, т.е. 128 уровней.
Полученные 240 бит упаковывают в кадр. Кадр в стандарте Е1 содержит 32 канала по 8 разрядов и занимает 125 мксек. 30 каналов используют для передачи данных, а два - для целей управления. Таким образом, стандарт Е1 обеспечивает скорость 2,048 Мбит/сек и мультиплексирует 30 линий одновременно.
Стандарт Т1 позволяет мультиплексировать 24 линии, но в каждом канале под данные используются лишь 7 разрядов и один разряд для целей управления. Кадр в Т1 содержит 193 бита и занимает 125 мксек, что обеспечивает скорость в 1,544 Мбит/сек. Отметим, что в Е1 из 256 битов кадра 16 используются для служебных целей, в Т1 из 193 битов для служебных целей используются 24, т.е. Е1 экономнее.
Так как аналоговый сигнал оцифрован, возникает искушение сжать передаваемые данные. Примером такого метода может служить метод разностной импульсно-кодовой модуляции. Идея сжатия в этом методе состоит в том, что если разность между последовательными замерами сигнала не превосходит, например, 8 уровней, в то время как собственно значения колеблются в диапазоне ±64, то вместо 6 разрядов цифрового кода нам потребуется всего 3 уровня. Частный случай такого подхода – это дельта-модуляция. В этом методе предполагается, что соседние значения отличаются не более чем на ±1. Для голоса этот метод работает неплохо.
Другой метод основан на экстраполяции очередного значения на основе предыдущих. Это так называемый метод статистической импульсно-кодовой модуляции. В этом методе передается разница между предсказанием и фактическим значением. Очевидно, что на обоих концах канала должен быть использован один и тот же алгоритм предсказания.
TDM-мультиплексирование позволяет мультиплексировать уже мультиплексированные каналы. Так, согласно стандарту Т1, 4 канала Т1 могут быть объединены в один Т2, затем 6 в один Т3 и 7 в один Т4. Согласно Е1, могут группироваться только 4 канала, но зато есть 4 уровня вложенности, а не три, как в Т1. Поэтому скорость передачи в этом случае E1 = 2,048; Е2 = 8,848; Е3 = 34,304; Е4 = 139,264; Е5 = 565,148 Мбит/сек.
Стандарт SONET/SDH.
SONET (Synchronous Optical NETwork) – это интерфейс передачи по оптическим линиям связи, предложенный американской компанией Bell Core и стандартизированный ANSI. Позднее МККТ выпустил стандарт, совместимый с SONET и названный SDH (Synchronous Digital Hierarchy), который был опубликован в рекомендациях G.707, G.708, G.709. Этот стандарт был разработан для того, чтобы устранять разнобой в передаче сигналов по оптоволоконным линиям в области телефонии.
На первых порах каждая телефонная компания устанавливала свои стандарты TDM-мультиплексирования по оптическим линиям. В настоящее время многие телефонные компании, в том числе и в России, на своих магистральных линиях используют стандарт SDH.
Ниже кратко перечислены цели и конструктивные особенности стандарта SONET. Создание этого стандарта преследовало четыре основные цели:
-
позволить использовать разные физические среды в сети, что требует проработки стандартов кодировки на физическом уровне, выбора длины волны, частоты, временных характеристик, структуры кадра
-
унифицировать американские, европейские и японские цифровые системы, которые используют каналы 64 Кбит/сек. c импульсно-кодовой модуляцией, но по-разному
-
обеспечить иерархическое мультиплексирование нескольких цифровых каналов (на сегодня его используют до уровня Т3, хотя стандарт определяет и Т4)
-
определить правила функционирования, администрирования и поддержки оптических каналов связи
С самого начала было принято решение использовать в SONET традиционное TDM-мультиплексирование, где вся ширина оптоволоконной линии используется под один канал, который содержит временные слоты подканалов. Поэтому SONET создавали как синхронную систему. У нее есть главные часы, которые тактируют ее работу с частотой 10-9 сек. с высокой точностью.
Биты на линии SONET имеют строго выверенную длительность, контролируемую едиными главными часами. Когда позднее для высокоскоростного ISDN был предложен метод передачи, где кадры могли поступать через нерегулярные интервалы времени, то этот метод, в противоположность SONET, был назван асинхронным и известен ныне как ATM.
Система SONET состоит из переключателей, мультиплексоров и повторителей, соединенных оптическими линиями. В терминологии SONET сплошной фрагмент оптоволоконного кабеля между двумя устройствами называется секцией. Канал между двумя мультиплексорами, возможно, с несколькими повторителями между ними, называется линией. Канал между двумя оконечными абонентами называется путем.
Кадр SONET содержит 810 байт и занимает 125 мксек. SONET допускает топологию каналов связи «решетка», но чаще это двунаправленное кольцо. Так как система SONET синхронная, то кадры генерируются строго один за другим без перерывов вне зависимости от того, есть данные на передачу или нет. Скорость в 8000 кадров/сек. как раз соответствует каналам с ИКМ-модуляцией, используемым в цифровой телефонии. Исходя из этого, нетрудно подсчитать, что пропускная способность канала SONET равна 51,84 Мбит/сек.
Для описания кадра SONET представим его 810 байт в виде матрицы 9 строк на 90 столбцов, как показано на рисунке 2-46. Каждый элемент матрицы – один байт. Первые три элемента в каждой строке – это служебная информация, используемая для администрирования и управления передачей. Первые три элемента первых трех строк образуют заголовок секции, в следующих 6 строках – заголовок линии. Заголовки секции генерируются и проверяются в начале и в конце каждой секции. Аналогичным образом поступают на каждой линии с заголовком линии. 8000 кадров в секунду образуют основной канал, называемый Synchronous Transport Signal-1 (STS-1).
Рисунок 2-46. Устройство кадра SONET
Оставшиеся в 87 столбцах и 9 строках 783 байта приходятся на данные пользователей, которые образуют так называемый SPE-конверт (Synchronous Payload Envelope). Учитывая, что в SONET генерируется 8 000 кадров в секунду, получаем, что полезная пропускная способность составит 8000 х 783 х 8 = 50,112 Мбит/сек.
Мультиплексирование множественных потоков данных, называемых в SONET притоками, показано на рисунке 2-47. Мультиплексирование происходит побайтно. Например, когда три STS-1 притока, каждый со скоростью 51,84 Мбит/сек., объединяют в один STS-3 приток со скоростью 155,52 Мбит/сек., мультиплексор сначала берет 1-й байт 1-го притока, затем 1-й байт 2-го притока, затем 1-й байт 3-го. Только после этого он переходит ко вторым байтам этих притоков. Кадр STS-3 состоит из 270х9=2430 байтов и занимает 125 мксек. Таким образом, на этом уровне битовая скорость равна 155,52 Мбит/сек. На рисунке 2-48 приведены основные данные об иерархии мультиплексирования в SONET и SDH.
Скорость в АТМ равна 155 Мбит/сек. для того, чтобы сделать SONET и SDH совместимыми с АТМ на ранних этапах мультиплексирования.
Наличие заголовков секций, линий и путей говорит о наличии в SONET нескольких уровней протоколов передачи. Их четыре (они показаны на рисунке 2-49). Это уровень фотонов, или физический, уровень секций, линий и путей. Уровень фотонов определяет физические характеристики света и оптики. Уровень секции управляет передачей внутри секции, генерацией заголовка в начале секции и проверкой этого заголовка в конце секции.
Рисунок 2-49. Уровни протоколов передачи SONET
Уровень линии отвечает за мультиплексирование нескольких притоков разных линий в поток на одной линии на одном конце и демультиплексирование на другом. Уровень пути управляет передачей между оконечными пользователями.
Билет № 14.
Телефонные сети: структура, методы коммутации.
Коммутация
Третий важный компонент телефонной сети – работа телефонных станций, или, как мы их еще называем, узлов коммутации, а точнее, их основу – коммутаторы. В телефонных сетях используются два разных способа коммутации: коммутация каналов и коммутация пакетов.
Коммутация каналов и коммутация пакетов.
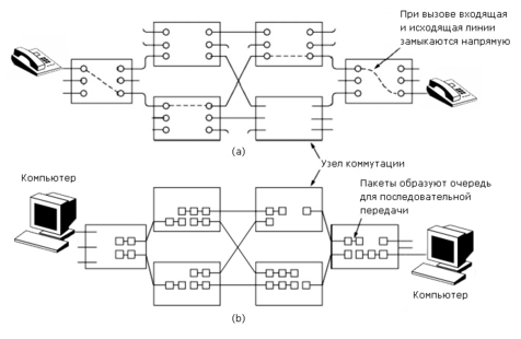
На рисунке 2-50 показаны схемы работы коммутатора при коммутации каналов и при коммутации пакетов. Каждый из шести прямоугольников на рисунке 2-50 (а) представляет узел коммутации определенного уровня. В данном случае у каждого узла по три входящие и по три исходящие линии. Когда по одной из входящих линий поступает сигнал вызова, то он направляется по одной из исходящих линий. В результате входящая и исходящая линии замыкаются напрямую, образуя как бы единую линию. На рисунке это показано пунктирной линией.
Рисунок 2-50. Коммутация каналов (а) и коммутация пакетов (b)
Рисунок 2-50 (а) существенно упрощает реальную ситуацию. Мы уже отмечали, что между узлами коммутации используют магистрали с мультиплексированием сотен и тысяч вызовов одновременно. Эти магистрали не обязательно используют кабели. Они могут быть реализованы с помощью радиорелейной связи. Однако в целом основная идея коммутации каналов на этом рисунке отображена верно: при наличии вызова создается физическое соединение за счет коммутации нескольких каналов, которое сохраняется до тех пор, пока не будут переданы данные и не поступит команда разрыва соединения. Для создания соединения сигнал вызова должен пройти от точки возникновения до места назначения и быть подтвержден сигналом, что соединение успешно создано.
Основной особенностью коммутации каналов является то, что создается канал точка-точка, до того как данные начнут передаваться. Время соединения исчисляется секундами, а при удаленных звонках - до минуты. Прежде чем соединение возникнет, сигнал вызова должен проложить маршрут. Это требует времени. Для многих компьютерных приложений такая большая задержка неприемлема или нежелательна.















