16042001 (1109974)
Текст из файла
16 апреля 2001 г.
Удобно ввести нумерацию поддеревьев, при которой одинаковые поддеревья получают одинаковые номера. Они записываются в вершинах, которыми начинаются соответствующие деревья.
.
Для определения того, как перенумеровано все это дерево, достаточно, как нетрудно убедиться, двух картин:
В общем случае, если речь идет о конечно детерминированных функциях, можно утверждать, что достаточно знание конечного числа конечных фрагментов дерева, для того чтобы найти образ любой последовательности букв исходного алфавита. Эти части также могут (что иногда удобно) задаваться так называемыми диаграммами переходов или диаграммами Мура, по имени американского математика, введшего их в рассмотрение. На этих диаграммах каждому ребру приписывается пара символов, первая компонента которой соответствует направлению движения (0 – влево, 1 – вправо), а вторая – элементу алфавита, приписанному ребру, по которому происходит движение:
.
Фактически это означает, что в каждой паре первая компонента – это какая-нибудь буква из
, а вторая – буква из
, которая получается, если в состоянии (оно же номер поддерева), записанном в вершине, из которой выходит ребро, поддать эту букву из
:
На диаграмме должно быть столько вершин, сколько задающих картинок (это в точности количество состояний).
Автоматные функции можно задавать двумя функциями – функцией перехода
и функцией выхода
. Здесь
– состояние в момент
,
– очередная буква, поддана на вход,
– очередная буква на выходе. Удобно по умолчанию считать
, когда это имеет смысл. Функция перехода определяет новое состояние по данным состоянии на данный момент и следующей входной букве, а функция выхода определяет следующую букву в образе.
Пример. Найдем функции перехода и выхода для функции единичной задержки:
,
. Нарисуем сначала диаграмму:
По ней легко определить, что
,
, т.е.
. При этом
.
Еще можно представлять диаграммы этих функций таблицами:
(единичная задержка) и
(функция четности), по схеме
.
Пусть теперь у нас есть два произвольных алфавита
и
. Занумеруем их буквы последовательностями из нулей и единиц; для этого обозначим
,
, а затем выберем произвольные инъективные отображения
при
и
при
. Это возможно, ибо по выбору
и
мощности областей значений превосходят мощности соответствующих областей определения этих функций кодирования. Выберем еще одно отображение, а именно, из множества состояний
в
(
), которое тоже может быть любым, но с одним ограничением – начальное состояние должно переходить в нулевой набор:
. После этого введем новые функции перехода и выхода, определенные уже на наборах из 0 и 1:
, от которых можно перейти к отдельным функциям для компонент:
,
.
и
- не всюду определенные булевы функции
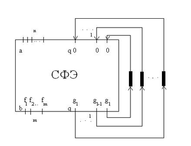
; построим СФЭ, реализующую их совместно.
Черные прямоугольники справа представляют функции единичной задержки.
Индукцией можно показать, что такая схема в любой момент времени
будет выдавать последовательность
, если на вход подавать
и лишь в самом начале подать нули на вход для набора-значения состояния (это соответствует
). После этого можно декодировать
, чтобы получить
, чем фактически будет реализована исходная конечно детерминированная функция
. Получена
Теорема. Любую автоматную функцию при надлежащей нумерации входных, выходных и букв состояний наборами из соответствующих декартовых степеней
можно реализовать СФЭ.
Ответ на вопрос, верно ли обратное, положителен. Любая СФЭ, в которой некоторое количество выходов соединено с таким же количеством входов (взаимно-однозначно) через реализованные функции единичной задержки, реализует какую-то автоматную функцию.
Заметим, что при построении СФЭ, реализующей нужную функцию, были использованы элементы четырех сортов:
,
,
, цикл, содержащий функцию единичной задержки. Если запретить ориентированные циклы, получится, что не существует никакой полной конечной системы автоматных элементов. Это означает, что если в вершинах, где ранее записывались
,
,
, разрешить помещение любых автоматных функций, но не допускать ориентированные циклы в этом графе-схеме, то не существует никакой конечной системы конечно детерминированных функций, с помощью которых можно было бы схемой из этих элементов реализовать любую автоматную функцию.
Характеристики
Тип файла документ
Документы такого типа открываются такими программами, как Microsoft Office Word на компьютерах Windows, Apple Pages на компьютерах Mac, Open Office - бесплатная альтернатива на различных платформах, в том числе Linux. Наиболее простым и современным решением будут Google документы, так как открываются онлайн без скачивания прямо в браузере на любой платформе. Существуют российские качественные аналоги, например от Яндекса.
Будьте внимательны на мобильных устройствах, так как там используются упрощённый функционал даже в официальном приложении от Microsoft, поэтому для просмотра скачивайте PDF-версию. А если нужно редактировать файл, то используйте оригинальный файл.
Файлы такого типа обычно разбиты на страницы, а текст может быть форматированным (жирный, курсив, выбор шрифта, таблицы и т.п.), а также в него можно добавлять изображения. Формат идеально подходит для рефератов, докладов и РПЗ курсовых проектов, которые необходимо распечатать. Кстати перед печатью также сохраняйте файл в PDF, так как принтер может начудить со шрифтами.
















