Совершенствование приводов многокрасочных рулонных машин по требованиям к неприводке печати (1095125)
Текст из файла
17
На правах рукописи
ЛЕБЕДЕВ ИГОРЬ СЕРГЕЕВИЧ
СОВЕРШЕНСТВОВАНИЕ ПРИВОДОВ
МНОГОКРАСОЧНЫХ РУЛОННЫХ МАШИН
ПО ТРЕБОВАНИЯМ К НЕПРИВОДКЕ ПЕЧАТИ
Специальность 05.02.13 – машины, агрегаты и процессы
(печатные средства информации)
АВТОРЕФЕРАТ
диссертации на соискание ученой степени
кандидата технических наук
Москва – 2013
Работа выполнена в ФГБОУ ВПО «Омский государственный технический университет» на кафедре «Основы теории механики и автоматического управления»
Научный руководитель: доктор технических наук,
профессор
Воронов Евгений Александрович
Официальные оппоненты: Пономарев Юрий Валентинович
доктор технических наук,
старший научный сотрудник,
ООО «НТ Граф», зам. директора
Разинкин Евгений Владимирович
кандидат технических наук,
ОАО «Полиграфический комплекс
«Пушкинская площадь»
Начальник отдела технического и
производственного развития
Ведущая организация: ЗАО «НИИПолиграфмаш»
Защита диссертации состоится « 28 » февраля_2013 г. в 16 часов на заседании диссертационного совета Д 212.147.01 при ФГБОУ ВПО «Московский государственный университет печати имени Ивана Фёдорова» по адресу: 127550, г. Москва, ул. Прянишникова, 2а, ауд.
С диссертацией можно ознакомиться в библиотеке ФГБОУ ВПО «Московский государственный университет печати имени Ивана Фёдорова».
Автореферат разослан «_18_ » января_ 2013 г.
Ученый секретарь
диссертационного совета
Д.212.147.01 Е.Д. Климова
Актуальность работы. Проблема совершенствования приводов многокрасочных рулонных машин секционного построения среди прочих задач направлена на постановку и решение задачи получения прогнозируемых значений неприводки печати. В рулонных машинах, являющихся наиболее быстроходными, линейная скорость проводки бумажной ленты составляет более 12 м/с, а расстояние между печатными парами в последовательных секциях – (1,5÷2,0) и более метров.
В этих условиях при установившемся режиме работы проводимая без проскальзывания в зоне печати лента растягивается или сжимается на участках между секциями в зависимости от согласованности вращения лентоведущих пар. Это становится причиной искажения размеров оттисков на ленте, наносимых на бумагу разными красками. При этом в пределах одного рабочего цикла печатания несовпадение красок может существенно ухудшать качество печати. В результате производимая продукция теряет на рынке свою привлекательность и конкурентоспособность.
Причиной этому является динамика в электромеханических системах приводов. Конструкторская мысль по мере внесения разного рода усовершенствований в машины постоянно способствовала появлению изменений конструкции приводов, облегчающих борьбу с этими явлениями, но адекватных научных разработок и инженерных методов расчёта появилось при этом недостаточно. Так, нет единого объяснения закономерностей изменения неприводки печати, названной динамической, в машинах с единым приводным двигателем и полностью отсутствуют результаты исследований неприводки печати в машинах с индивидуальными приводами печатных пар, недостаточно изучены условия их синхронизации. Всё это определяет актуальность и своевременность настоящего исследования.
Цель и задачи работы. Цель работы состоит в получении достоверных материалов для прогнозирования закономерностей изменений неприводки печати при комплектовании машин разными системами приводов и в разработке на этой основе практических аспектов дальнейшего совершенствования приводов многокрасочных рулонных машин секционного построения.
Достижение поставленной цели предусматривало решение следующих задач:
-
Обобщить имеющиеся в отрасли научные результаты по проблеме и сформировать актуальные нерешённые задачи.
-
Внести необходимые уточнения в разработанные ранее математические модели и произвести анализ закономерностей изменения неприводки печати в рабочем объекте с приводом печатных пар (ПП) от единого электродвигателя (ЕД).
-
Обосновать и конкретизировать модели и произвести анализ динамики в рабочем объекте с приводом ПП от индивидуальных электродвигателей (ИД).
-
Изучить закономерности динамических процессов на специально изготовленном макете, имитирующем условия проводки упругой ленты печатными парами с ИД.
-
Разработать рекомендации по направлениям совершенствования приводов на базе прогнозирования динамической неприводки печати.
Объектом исследования в диссертации являются ротационные приводы рулонных машин секционного построения, предназначенных для получения многокрасочной печати.
В них печатные пары технологически связаны проводимой ими непрерывной бумажной лентой, на которую последовательно накладываются изображения разными красками. Привод должен способствовать созданию условий для их правильного наложения.
Методы исследования. В теоретических исследованиях использованы известные методы теории колебаний, высшей математики, динамического анализа механизмов, а также решения математических моделей в более ранних исследованиях по рассматриваемой проблеме. Экспериментальное исследование проведено на специальном макете с использованием типовой и оригинальной измерительной аппаратуры.
Научная новизна работы состоит в следующем:
-
В уточнении закономерностей изменения «динамической» неприводки печати в рабочем объекте с ЕД с учётом упругости бумажной ленты и её реакции на внешние возмущения.
-
В разработке и анализе математической модели, описывающей динамические процессы в приводах с ИД.
-
В получении и истолковании результатов экспериментальных исследований на специальном макете.
Практическая значимость результатов исследований состоит в выработке рекомендаций по дальнейшему совершенствованию приводов многокрасочных рулонных машин на базе оптимизации режимов работы машин с ЕД и выдаче исходных данных при создании управляющих систем для достижения синхронизации ПП в машинах с ИД.
Полученные научные результаты реализованы в учебном процессе ОмГТУ при изучении специальных дисциплин, курсового и дипломного проектирования в процессе подготовки инженеров по специальности 15.03.01. «Динамика и прочность машин» и инженеров и бакалавров по специальностям 15.04.07 «Полиграфические машины и автоматизированные комплексы», 26.11.00.62 «Полиграфия». Они представляют интерес и полезность в полиграфическом производстве при решении указанных проблем в процессе эксплуатации машин, о чём свидетельствуют прилагаемые справки с полиграфических предприятий г. Омска.
Достоверность результатов исследования подтверждается использованием апробированных методов теоретических исследований на базе разделов высшей математики, теоретической механики, теории машин и механизмов и результатами экспериментальных исследований на специальном макете, а также результатами ранее выполненных экспериментов на макетах и реальных машинах в отрасли полиграфического машиностроения СССР.
Апробация работы. Основные положения диссертации доложены и получили одобрение на ежегодных научно-технических конференциях ППС ОмГТУ в 2008–2012 гг., на международных конференциях в г. Львове (Украина) в 2010 г. и в г. Омске в 2012 г.
Публикации по теме диссертационной работы. Опубликовано восемь научных статей, общим объёмом 2,34 печатных листа, две из которых находятся в изданиях, рекомендованных ВАК РФ. Объём научных публикаций, принадлежащих лично автору, составляет 1,41 печатных листа.
На защиту выносятся следующие положения:
-
теоретические зависимости, позволяющие прогнозировать изменения неприводки печати в системах приводов ПП от ЕД;
-
теоретические зависимости, предназначенные для анализа динамических процессов в системах приводов ПП от ИД;
-
результаты экспериментальных исследований на специальном макете;
-
рекомендации по направлениям совершенствования систем приводов на базе прогнозирования динамической неприводки печати.
Структура и объем работы. Диссертация изложена на 138 с. машинописного текста, содержит введение, четыре основные главы, заключение, 18 рисунков, 17 графиков, 14 таблиц и библиографический список из 103 наименований.
Во введении обоснована актуальность темы исследования, объяснена цель и перечислены поставленные задачи работы; сформулирована научная новизна и практическая ценность полученных результатов, указано количество публикаций по теме исследования и представлены сведения по апробации материалов диссертации.
В первой главе изложена сущность и состояние рассматриваемой научной проблемы, касающейся механики движущейся ленты и указаны причины, приводящие к изменению её натяжения при её проводке в машине. Дан анализ технических и научных материалов, посвящённых исследованиям и особенностям расчёта и проектирования приводов многокрасочных рулонных машин секционного построения, рассмотрена специфика разработки приводов, создающих условия для получения прогнозируемой динамической неприводки печати. Сделано обобщение результатов широкомасштабных тензометрических и других исследований приводов и неприводки печати в отрасли полиграфического машиностроения, в научно–исследовательских учреждениях и в высших учебных заведениях, готовящих специалистов для полиграфического производства страны. Конкретизированы задачи, поставленные при выполнении настоящей работы.
В результате проведенного анализа установлено следующее:
-
сущность проблемы состоит в том, что для рассматриваемого класса машин, оснащенного принципиально разными системами приводов ПП, неизменными остаются специфические требования к их динамическим свойствам, которые формируют требования технологического процесса, выполняемого машиной. Это заключение подтверждено множеством исследований различного технологического оборудования. Среди них работы А.П. Бессонова, В.Л. Вейца, И.И. Вульфсона, Вяч.А. Зиновьева, М.З. Коловского, Е.И. Ривина, А.И. Целикова, А.Д Шустова и др.;
-
особую актуальность проблема приобрела для наиболее быстроходных видов полиграфического оборудования – рулонных печатных машин секционного построения, которые комплектуются приводами ПП от единого двигателя и от индивидуальных двигателей. Исследованиями машин с приводами от единого электродвигателя занимались Е.А. Воронов, Е.Н. Гусак, Ю.В. Милицын, В.Н. Румянцев, И.П. Солонец. Вопросы неприводки печати на ленте изучал В.П. Митрофанов. В период с 1967 по 1989 г.г. проводились экспериментальные исследования машин ГАУ, ПОГ-60 и ПОГ-90 под руководством Климова Б.И. и Румянцева В.Н. На их базе в отрасли были получены первые рекомендации по совершенствованию приводов этих и других разновидностей машин;
-
аналогичных исследований машин с приводами от индивидуальных двигателей не проводилось.
Полученные ранее рекомендации и более поздние теоретические исследования позволили сформулировать основные выводы, которые использованы как исходные предпосылки настоящей работы:
-
динамика изменения натяжения ленты при работе машины не искажает общую динамику процессов, происходящих в системе привода;
-
динамические процессы в ленте, порождающие динамическую неприводку печати, непосредственно связаны с динамикой привода;
-
динамическая неприводка печати оказывает существенное влияние на качество производимой продукции.
Кроме того, в последние два десятка лет рынок предлагает машины с приводами печатных пар от индивидуальных электродвигателей. Здесь синхронизация ведущих ленту печатных пар осуществляется с помощью систем автоматического регулирования (САР). В основном это машины инофирм, которые работают примерно с той же быстроходностью и производят продукцию аналогичного качества. Ввиду отсутствия у отечественных специалистов и пользователей научных и технических сведений для такого класса машин настоящее исследование восполняет некоторый пробел с целью установления достоинств и недостатков таких приводов.
Во второй главе на основе введённого ранее понятия «динамической» неприводки печати выполнено теоретическое исследование закономерностей неприводки печати в рабочих объектах с приводами печатных пар от единого и индивидуальных электродвигателей, сделаны необходимые расчёты и представлен их анализ.
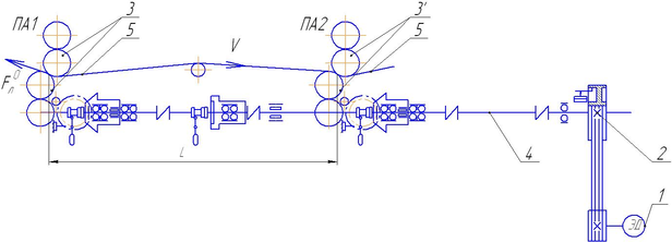
Проанализированные в диссертации принципиальные схемы приводов представлены на рис. 1 а, б.
На рис. 1 а печатные пары (ПП) 3, 3 связаны помимо бумажной ленты 5 ещё и участком горизонтального вала 4, выполняющим роль синхронизатора возникающих рассогласований. Его динамическая жёсткость назначается из условия, чтобы при максимальном рассогласовании ПП неприводка печати не превышала технологически допустимой величины. Поэтому необходимости в дополнительном управлении неприводкой здесь не возникает. К тому же динамика этого варианта привода изучена достаточно подробно и теоретически, и экспериментально.
На рис. 1 б печатные пары 3, 3 приводятся в движение с помощью индивидуальных электродвигателей 1, 1'. Предполагая отсутствие других синхронизирующих устройств помимо самой ленты 5 в процессе работы, нами установлено, что динамические свойства таких систем приводов не изучены, в особенности, применительно к проблеме, связанной с неприводкой печати на ленте. Поэтому нами разработаны и рассмотрены модели, позволяющие дать объяснение её особенностям, когда привод ПП осуществляется от ИД.
а) от единого электродвигателя
б) от индивидуальных электродвигателей
Характеристики
Тип файла документ
Документы такого типа открываются такими программами, как Microsoft Office Word на компьютерах Windows, Apple Pages на компьютерах Mac, Open Office - бесплатная альтернатива на различных платформах, в том числе Linux. Наиболее простым и современным решением будут Google документы, так как открываются онлайн без скачивания прямо в браузере на любой платформе. Существуют российские качественные аналоги, например от Яндекса.
Будьте внимательны на мобильных устройствах, так как там используются упрощённый функционал даже в официальном приложении от Microsoft, поэтому для просмотра скачивайте PDF-версию. А если нужно редактировать файл, то используйте оригинальный файл.
Файлы такого типа обычно разбиты на страницы, а текст может быть форматированным (жирный, курсив, выбор шрифта, таблицы и т.п.), а также в него можно добавлять изображения. Формат идеально подходит для рефератов, докладов и РПЗ курсовых проектов, которые необходимо распечатать. Кстати перед печатью также сохраняйте файл в PDF, так как принтер может начудить со шрифтами.
















