Диплом (1094907), страница 8
Текст из файла (страница 8)
Для технико-экономического сравнения рассмотрим два варианта схем электроснабжения:
-  
Двухлучевую схему с двух трансформаторными ТП (рисунок 2.3.1);
 -  
Петлевую схему (рисунок 2.3.2).
 
Питание в обоих случаях осуществляется от РУ-10 кВ питающей подстанции 110/10 кВ.
В виду незначительного расстояния от подстанции (0,5 км.) до района электроснабжение осуществляется без РП [ВСН-97-85],[6].
Вариант 1:
Двухлучевая схема сети электроснабжения района (рисунок 2.3.1).
Рисунок 2.3.1 Двухлучевая схема сети электроснабжения района.
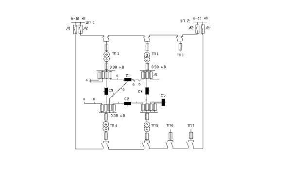
Построение сети 0.38 кВ выполняется в зависимости от категории электроприёмников потребителя: по концевой схеме для электроприёмников 3 категории надёжности (в) и по петлевой схеме для электроприёмников 2 категории надёжности (а или б) [1].
Вариант 2.
Петлевая схема электроснабжения района (рисунок 2.3.2)
Распределительные сети 0.38 кВ, питающие электроприёмники 2 категории надёжности (а и б), выполняются петлевыми. Для электроприёмников 3 категории надёжности (в) предусматриваются концевые вводы.
Петлевые сети 0.38 кВ содержат специальное распределительное устройство – так называемый соединительный пункт (С1, С2 и т. д.), конструкция которого предусматривает возможность установки предохранителей на подходящих к нему линиях [1].
Рисунок 2.3.2 Петлевая схема электроснабжения района.
Электрические сети городов, предназначенные для передачи и распределения энергии, выполняются преимущественно с использованием подземных кабельных линий. С помощью кабелей может быть осуществлено пересечение уличных магистралей значительным числом электрических кабелей любого напряжения, а также возможна прокладка этих линий вдоль магистралей. Для сооружения таких кабельных линий требуется небольшая территория. При этом удовлетворяются необходимые градостроительные и экологические требования.
Согласно ВСН-97-83 в районе жилой застройки с четырёхэтажными и выше домами электрические распределительные сети напряжением до 20 кВ рекомендуется выполнять кабельными.
Определим токи в кабельных линиях в проектируемом районе по формуле:
где:
Sp расчётная нагрузка электроприёмников из таблицы 2.2.1, кВ*А;
n - количество кабельных линий на магистраль, шт.
Для одного участка имеет место быть:
Согласно [1, таблица 1.5] годовое число часов использования максимума нагрузки Тм составляет 3000 часов для жилых домов с газовыми плитами и 3500 часов для жилых домов с электроплитами.
По [3, таблица 1.3.36] находим экономическую плотность тока Jэкон для кабелей с бумажной изоляцией с алюминиевыми жилами при Тм=3000¼5000 часов Jэкон=1.4 А/мм2.
Экономическое сечение Fэкон находим по формуле [8]:
где:
Jэкон =1.4, А/ мм2 - экономическая плотность тока;
Ip - расчётный ток кабельной линии по формуле 2.3.1.
По полученному нестандартному сечению кабельной линии выбираем стандартное ближайшее сечение F согласно[4].
Выбранное стандартное сечение проверяем в нормальном и послеаварийном режимах работы по условиям:
-  
допустимого нагрева;
 -  
допустимой потере напряжения;
 -  
по термической устойчивости токам коротких трехфазных замыканий (КЗ).
 
Допустимая нагрузка на кабель в условиях нормального режима определяется как[10]:
R1*R2*R3*Iном≥Iр, (2.3.6)
где:
R1 - поправочный коэффициент на число кабелей лежащих рядом в траншее;
R2 - поправочный коэффициент на температуру окружающей среды;
R3 - коэффициент загрузки кабельной линии;
Iном - номинальный ток для кабеля данного сечения и определённых характеристик (табличное значение по ПУЭ) [3],[11].
Допустимая нагрузка на кабель в условиях послеаварийного режима определяется как [10]:
Iр авар=2*Iр,(А), (2.3.7)
1,25*Iдоп≥Iр авар,(А), (2.3.8)
где:
1,25– допустимая (на период ликвидации аварийного режима) перегрузка для кабелей 10 кВ с бумажной изоляцией [1].
Проверяем кабель по допустимой потере напряжения в условиях нормального режима из условия:
где:
L- длина кабельной линии, км;
x0, r0 - удельное индуктивное и активное сопротивление кабеля, (Ом*км) [11];
Iр - расчётный ток для кабельной линии, А;
Проверяем кабель по допустимой потере напряжения в условиях после аварийного режима из условия:
Проверка кабельной линии на термическую стойкость произведена после расчёта тока короткого замыкания (см. раздел 2.6 и 2.7).
Пример расчёта:
Для кабельной линии РУ-10 кВ – ТП№22.
Выбираем кабель марки ААБлУ для прокладки по территории города:
L= 1,83км;
РТП22, ТП21, ТП 17, ТП16, ТП14,= 663,569+696,152+647,169+647,169+632,780+651,442=3291,112 кВт;
QТП22, ТП21, ТП 17, ТП16, ТП14,= 241,171+266,189+226,667+222,904+211,054+=1167,985, квар;
Sp= 3492,730, кВ*А;
Iр = 96,0, А;
Fэкон = 68,0, мм2;
F =95, мм2;
Iном =205, А.
Проверка кабеля по допустимым токам в условиях нормального режима:
R1*R2*R3*Iном≥Iр, (А);
R1=0,9 при 2 кабелях проложенных в одной траншее, расстояние в свету – 100мм;
R2=1,0 при температуре среды tср=+15С, расчётная температура земли tзем=+15С [3, таблица 1.3.3];
R3=0.62 – коэффициент загрузки кабельной линии для электроприемников 2 категории;
0.9*1.0*0.62*205≥114,39, А;
114,39≥96,0, А, удовлетворяет.
Проверка кабеля по допустимым токам в условиях после/аварийного режима:
Iр авар=2*Iр, А;
1,25*Iном≥Iр авар, А, получаем:
Iр авар =192,0, А;
1.25*205≥192,0,А;
256,3≥192,0, А, удовлетворяет.
Проверка кабеля по допустимой потере напряжения в нормальном режиме:
Cos=0.9, тогда Sin=0,44;
Проверка кабеля по допустимой потере напряжения в после/аварийном режиме:
1,0%≤10%, удовлетворяет.
Остальные расчёты аналогичны, результаты расчётов заносим в таблицы 2.3.1 – для первого варианта и в таблицу 2.3.2 – для второго варианта.
Таблица 2.3.1 Электрическая сеть 10 кВ проектируемого района города – двухлучевая схема.
|   Направление кабеля  |    № ТП п/п  |    Sтп0,4, кВ*А с учетом потерь  |    L, км  |    Sмагистр, кВ*А  |    Iмагистр Н.Р.  |    Iмагистр П.А.Р.  |    Количество параллельных кабелей  |    F, мм2  |    Iдоп, А  |    Iмакс доп перегр, А  |    ∆U н.р.  |    ∆U п.а.р.  |  
|   ГПП - ТП27  |    ТП-27  |    980,35  |    1,42  |    3597,909  |    103,9  |    207,7  |    1  |    95  |    114,39  |    256,3  |    0,42  |    0,84  |  
|   ТП27 - ТП26  |    ТП-26  |    786,22  |    0,33  |    2723,987  |    78,6  |    157,3  |    1  |    70  |    92,07  |    206,3  |    0,10  |    0,20  |  
|   ТП26 - ТП25  |    ТП-25  |    804,00  |    0,43  |    2024,024  |    58,4  |    116,9  |    1  |    70  |    92,07  |    206,3  |    0,09  |    0,19  |  
|   ТП25 - ТП24  |    ТП-24  |    768,17  |    0,37  |    1287,050  |    37,2  |    74,3  |    1  |    70  |    92,07  |    206,3  |    0,05  |    0,10  |  
|   ТП24 - ТП23  |    ТП-23  |    721,18  |    0,18  |    652,377  |    18,8  |    37,7  |    1  |    70  |    92,07  |    206,3  |    0,01  |    0,03  |  
|   Всего по магистрали  |    4059,904  |    2,730  |    3597,909  |    0,67  |    1,35  |  |||||||
|   ГПП - ТП20  |    ТП-20  |    787,62  |    2,01  |    2854,113  |    78,5  |    156,9  |    1  |    70  |    92,07  |    206,3  |    0,59  |    1,19  |  
|   ТП20 - ТП19  |    ТП-19  |    814,12  |    0,21  |    2144,888  |    61,9  |    123,8  |    1  |    70  |    92,07  |    206,3  |    0,05  |    0,10  |  
|   ТП19 - ТП18  |    ТП-18  |    810,00  |    0,19  |    1434,753  |    41,4  |    82,8  |    1  |    70  |    92,07  |    206,3  |    0,03  |    0,06  |  
|   ТП18 - ТП15  |    ТП-15  |    834,48  |    0,29  |    696,937  |    20,1  |    40,2  |    1  |    70  |    92,07  |    206,3  |    0,02  |    0,04  |  
|   Всего по магистрали  |    3246,218  |    2,700  |    2854,113  |    0,69  |    1,39  |  |||||||
|   ГПП - ТП22  |    ТП-22  |    763,19  |    1,83  |    3492,221  |    96,0  |    192,0  |    1  |    95  |    114,39  |    256,3  |    0,50  |    1,00  |  
|   ТП22 - ТП21  |    ТП-21  |    813,05  |    0,23  |    2786,210  |    80,4  |    160,9  |    1  |    70  |    92,07  |    206,3  |    0,07  |    0,14  |  
|   ТП21 - ТП17  |    ТП-17  |    744,89  |    0,23  |    2041,249  |    58,9  |    117,9  |    1  |    70  |    92,07  |    206,3  |    0,05  |    0,10  |  
|   ТП17 - ТП16  |    ТП-16  |    747,96  |    0,29  |    1355,561  |    39,1  |    78,3  |    1  |    70  |    92,07  |    206,3  |    0,04  |    0,09  |  
|   ТП16 - ТП14  |    ТП-14  |    753,62  |    0,28  |    684,777  |    19,8  |    39,5  |    1  |    70  |    92,07  |    206,3  |    0,02  |    0,04  |  
|   Всего по магистрали  |    3822,709  |    2,860  |    3492,221  |    0,68  |    1,37  |  |||||||
|   ГПП - ТП28  |    ТП-28  |    822,34  |    2,18  |    3745,611  |    108,1  |    216,3  |    1  |    95  |    114,39  |    256,3  |    0,67  |    1,34  |  
|   ТП28 - ТП3  |    ТП-3  |    814,66  |    0,71  |    3007,653  |    86,8  |    173,6  |    1  |    70  |    92,07  |    206,3  |    0,23  |    0,46  |  
|   ТП3 - ТП4  |    ТП-4  |    872,03  |    0,41  |    2281,482  |    65,9  |    131,7  |    1  |    70  |    92,07  |    206,3  |    0,10  |    0,20  |  
|   ТП4 - ТП2  |    ТП-2  |    779,38  |    0,26  |    1476,877  |    42,6  |    85,3  |    1  |    70  |    92,07  |    206,3  |    0,04  |    0,08  |  
|   ТП2 - ТП1  |    ТП-1  |    854,13  |    0,21  |    775,224  |    22,4  |    44,8  |    1  |    70  |    92,07  |    206,3  |    0,02  |    0,04  |  
|   Всего по магистрали  |    4142,536  |    3,770  |    3745,611  |    1,06  |    2,12  |  |||||||
|   ГПП - ТП35  |    ТП-35  |    812,47  |    1,33  |    3402,728  |    98,2  |    196,5  |    1  |    95  |    114,39  |    256,3  |    0,37  |    0,74  |  
|   ТП35 - ТП33  |    ТП-33  |    724,90  |    0,28  |    2708,633  |    78,2  |    156,4  |    1  |    70  |    92,07  |    206,3  |    0,08  |    0,16  |  
|   ТП33 - ТП32  |    ТП-32  |    759,24  |    0,24  |    2062,290  |    59,5  |    119,1  |    1  |    70  |    92,07  |    206,3  |    0,05  |    0,11  |  
|   ТП32 - ТП30  |    ТП-30  |    730,70  |    0,37  |    1415,164  |    40,9  |    81,7  |    1  |    70  |    92,07  |    206,3  |    0,06  |    0,11  |  
|   ТП30 - ТП29  |    ТП-29  |    843,45  |    0,19  |    753,375  |    21,7  |    43,5  |    1  |    70  |    92,07  |    206,3  |    0,02  |    0,03  |  
|   Всего по магистрали  |    3870,763  |    2,410  |    3402,728  |    0,58  |    1,16  |  |||||||
|   ГПП - ТП8  |    ТП-8  |    785,40  |    2,58  |    2829,426  |    81,7  |    163,4  |    1  |    70  |    92,07  |    206,3  |    0,79  |    1,58  |  
|   ТП8 - ТП6  |    ТП-6  |    749,94  |    0,29  |    2115,069  |    61,1  |    122,1  |    1  |    70  |    92,07  |    206,3  |    0,07  |    0,13  |  
|   ТП6 - ТП5  |    ТП-5  |    863,22  |    0,25  |    1476,138  |    42,6  |    85,2  |    1  |    70  |    92,07  |    206,3  |    0,04  |    0,08  |  
|   ТП5 - ТП7  |    ТП-7  |    810,44  |    0,33  |    747,233  |    21,6  |    43,1  |    1  |    70  |    92,07  |    206,3  |    0,03  |    0,05  |  
|   Всего по магистрали  |    3209,001  |    3,450  |    2829,426  |    0,93  |    1,85  |  |||||||
|   ГПП - ТП37  |    ТП-37  |    752,73  |    0,87  |    2946,247  |    85,1  |    170,1  |    1  |    70  |    92,07  |    206,3  |    0,28  |    0,56  |  
|   ТП37 - ТП36  |    ТП-36  |    727,89  |    0,23  |    2258,706  |    65,2  |    130,4  |    1  |    70  |    92,07  |    206,3  |    0,06  |    0,11  |  
|   ТП36 - ТП34  |    ТП-34  |    892,51  |    0,23  |    1594,768  |    46,0  |    92,1  |    1  |    70  |    92,07  |    206,3  |    0,04  |    0,08  |  
|   ТП34 - ТП31  |    ТП-31  |    879,75  |    0,45  |    779,029  |    22,5  |    45,0  |    1  |    70  |    92,07  |    206,3  |    0,04  |    0,08  |  
|   Всего по магистрали  |    3252,885  |    1,780  |    2946,247  |    0,41  |    0,82  |  |||||||
|   ГПП - ТП13  |    ТП-13  |    835,40  |    1,98  |    3797,137  |    109,6  |    219,2  |    1  |    95  |    114,39  |    256,3  |    0,62  |    1,23  |  
|   ТП13 - ТП12  |    ТП-12  |    825,88  |    0,39  |    3054,015  |    88,2  |    176,3  |    1  |    70  |    92,07  |    206,3  |    0,13  |    0,26  |  
|   ТП12 - ТП11  |    ТП-11  |    884,99  |    0,29  |    2312,614  |    66,8  |    133,5  |    1  |    70  |    92,07  |    206,3  |    0,07  |    0,15  |  
|   ТП11 - ТП10  |    ТП-10  |    916,65  |    0,31  |    1539,554  |    44,4  |    88,9  |    1  |    70  |    92,07  |    206,3  |    0,05  |    0,10  |  
|   ТП10 - ТП9  |    ТП-9  |    851,12  |    0,22  |    756,285  |    21,8  |    43,7  |    1  |    70  |    92,07  |    206,3  |    0,02  |    0,04  |  
|   Всего по магистрали  |    4314,038  |    3,190  |    3797,137  |    0,89  |    1,78  |  
Таблица 2.3.2 Электрическая сеть 10 кВ проектируемого района города – петлевая схема.
|   Направление кабеля  |    № ТП п/п  |    Sтп0,4, кВ*А с учетом потерь  |    L, км  |    Iмагистр Н.Р.  |    Iмагистр П.А.Р. (при повр верхнего участка), А  |    Iмагистр П.А.Р. (при повр нижнего участка), А  |    Количество параллельных кабелей  |    F, мм2  |    Iдоп, А  |    Iмакс доп перегр, А  |    ∆U н.р.  |    ∆U п.а.р.. (при повр верхнего участка)  |    ∆U п.а.р.. (при повр нижнего участка)  |  
|   ГПП - ТП20  |    ТП-20  |    787,62  |    2,01  |    78,47  |    39,00  |    354,72  |    1  |    185  |    172,98  |    387,5  |    0,21  |    0,00  |    4,53  |  
|   ТП20 - ТП19  |    ТП-19  |    814,12  |    0,21  |    58,97  |    78,05  |    315,71  |    1  |    150  |    153,45  |    343,8  |    0,00  |    0,01  |    0,05  |  
|   ТП19 - ТП18  |    ТП-18  |    810,00  |    0,19  |    39,45  |    118,62  |    276,68  |    1  |    120  |    133,92  |    300,0  |    0,00  |    0,02  |    0,05  |  
|   ТП18 - ТП15  |    ТП-15  |    834,48  |    0,29  |    19,16  |    156,94  |    236,12  |    1  |    95  |    114,39  |    256,3  |    0,00  |    0,07  |    0,11  |  
|   Перемычка ТП15 - ТП23  |    0  |    0,00  |    0,85  |    0,00  |    156,94  |    197,83  |    1  |    70  |    92,07  |    206,3  |    0,00  |    0,85  |    1,07  |  
|   ТП23 - ТП24  |    ТП-23  |    721,18  |    0,18  |    17,94  |    192,80  |    197,83  |    1  |    70  |    92,07  |    206,3  |    0,00  |    0,05  |    0,05  |  
|   ТП24 - ТП25  |    ТП-24  |    768,17  |    0,37  |    35,38  |    227,70  |    162,01  |    1  |    95  |    114,39  |    256,3  |    0,01  |    0,18  |    0,13  |  
|   ТП25 - ТП26  |    ТП-25  |    804,00  |    0,43  |    55,65  |    268,21  |    127,08  |    1  |    120  |    133,92  |    300,0  |    0,01  |    0,23  |    0,11  |  
|   ТП26 - ТП27  |    ТП-26  |    786,22  |    0,33  |    74,89  |    306,63  |    86,55  |    1  |    150  |    153,45  |    343,8  |    0,01  |    0,13  |    0,04  |  
|   ТП27 - ГПП  |    ТП-27  |    980,35  |    1,42  |    98,92  |    354,72  |    48,10  |    1  |    185  |    172,98  |    387,5  |    0,13  |    2,26  |    0,00  |  
|   Итого ГПП-ТП15  |    3246,218  |    2,700  |    0,212  |  ||||||||||
|   Итого ГПП-ТП23  |    4059,904  |    2,730  |    0,154  |  ||||||||||
|   Итого в П/Ав. Реж ГПП-ТП20  |    7306,122  |    6,280  |    3,80  |  ||||||||||
|   Итого в П/Ав. Реж ГПП-ТП27  |    7306,122  |    6,280  |    6,13  |  ||||||||||
|   ГПП - ТП22  |    ТП-22  |    763,19  |    1,83  |    96,01  |    38,82  |    397,98  |    1  |    240  |    198,09  |    443,8  |    0,16  |    0,00  |    3,40  |  
|   ТП22 - ТП21  |    ТП-21  |    813,05  |    0,23  |    76,60  |    79,80  |    359,16  |    1  |    185  |    172,98  |    387,5  |    0,00  |    0,01  |    0,06  |  
|   ТП21 - ТП17  |    ТП-17  |    744,89  |    0,23  |    56,12  |    117,50  |    318,19  |    1  |    150  |    153,45  |    343,8  |    0,00  |    0,02  |    0,06  |  
|   ТП17 - ТП16  |    ТП-16  |    747,96  |    0,29  |    37,27  |    154,39  |    280,49  |    1  |    120  |    133,92  |    300,0  |    0,00  |    0,06  |    0,11  |  
|   ТП16 - ТП14  |    ТП-14  |    753,62  |    0,28  |    18,83  |    192,02  |    243,60  |    1  |    95  |    114,39  |    256,3  |    0,00  |    0,09  |    0,11  |  
|   Перемычка ТП14 - ТП1  |    0  |    0,00  |    0,55  |    0,00  |    192,02  |    205,96  |    1  |    70  |    92,07  |    206,3  |    0,00  |    0,44  |    0,47  |  
|   ТП2 - ТП1  |    ТП-1  |    854,13  |    0,21  |    21,31  |    234,62  |    205,96  |    1  |    95  |    114,39  |    256,3  |    0,00  |    0,06  |    0,05  |  
|   ТП4 - ТП2  |    ТП-2  |    779,38  |    0,26  |    40,60  |    273,23  |    163,39  |    1  |    120  |    133,92  |    300,0  |    0,00  |    0,08  |    0,05  |  
|   ТП3 - ТП4  |    ТП-4  |    872,03  |    0,41  |    62,72  |    317,47  |    124,76  |    1  |    150  |    153,45  |    343,8  |    0,01  |    0,20  |    0,08  |  
|   ТП28 - ТП3  |    ТП-3  |    814,66  |    0,71  |    82,69  |    357,40  |    80,52  |    1  |    185  |    172,98  |    387,5  |    0,03  |    0,57  |    0,13  |  
|   ТП28 - ГПП  |    ТП-28  |    822,34  |    2,18  |    102,98  |    397,98  |    40,58  |    1  |    240  |    198,09  |    443,8  |    0,25  |    4,83  |    0,00  |  
|   Итого ГПП-ТП14  |    3822,709  |    2,860  |    0,172  |  ||||||||||
|   Итого ГПП-ТП1  |    4142,536  |    3,770  |    0,286  |  ||||||||||
|   Итого в П/Ав. Реж ГПП-ТП22  |    7965,245  |    7,180  |    6,36  |  ||||||||||
|   Итого в П/Ав. Реж ГПП-ТП28  |    7965,245  |    7,180  |    4,52  |  ||||||||||
|   ГПП - ТП35  |    ТП-35  |    812,47  |    1,33  |    93,55  |    38,17  |    349,10  |    1  |    185  |    172,98  |    387,5  |    0,11  |    0,00  |    1,95  |  
|   ТП35 - ТП33  |    ТП-33  |    724,90  |    0,28  |    74,47  |    73,71  |    310,94  |    1  |    150  |    153,45  |    343,8  |    0,00  |    0,02  |    0,09  |  
|   ТП33 - ТП32  |    ТП-32  |    759,24  |    0,24  |    56,70  |    109,29  |    275,40  |    1  |    120  |    133,92  |    300,0  |    0,00  |    0,03  |    0,07  |  
|   ТП32 - ТП30  |    ТП-30  |    730,70  |    0,37  |    38,91  |    145,69  |    239,81  |    1  |    95  |    114,39  |    256,3  |    0,01  |    0,11  |    0,19  |  
|   ТП30 - ТП29  |    ТП-29  |    843,45  |    0,19  |    20,71  |    187,10  |    203,42  |    1  |    70  |    92,07  |    206,3  |    0,00  |    0,05  |    0,06  |  
|   Перемычка ТП29 - ТП31  |    0  |    0,00  |    0,55  |    0,00  |    187,10  |    162,00  |    1  |    70  |    92,07  |    206,3  |    0,00  |    0,43  |    0,37  |  
|   ТП31 - ТП34  |    ТП-31  |    879,75  |    0,45  |    21,42  |    229,90  |    162,00  |    1  |    95  |    114,39  |    256,3  |    0,01  |    0,26  |    0,19  |  
|   ТП34 - ТП36  |    ТП-34  |    892,51  |    0,23  |    43,84  |    274,79  |    119,23  |    1  |    120  |    133,92  |    300,0  |    0,00  |    0,07  |    0,03  |  
|   ТП36 - ТП37  |    ТП-36  |    727,89  |    0,23  |    62,10  |    311,30  |    74,32  |    1  |    150  |    153,45  |    343,8  |    0,00  |    0,06  |    0,01  |  
|   ТП37 - ГПП  |    ТП-37  |    752,73  |    0,87  |    81,00  |    349,10  |    37,81  |    1  |    185  |    172,98  |    387,5  |    0,04  |    0,83  |    0,00  |  
|   Итого ГПП-ТП29  |    3870,763  |    2,410  |    0,124  |  ||||||||||
|   Итого ГПП-ТП31  |    3252,885  |    1,780  |    0,050  |  ||||||||||
|   Итого в П/Ав. Реж ГПП-ТП35  |    7123,648  |    4,740  |    1,87  |  ||||||||||
|   Итого в П/Ав. Реж ГПП-ТП37  |    7123,648  |    4,740  |    2,96  |  ||||||||||
|   ГПП - ТП8  |    ТП-8  |    785,40  |    2,58  |    77,79  |    39,30  |    364,31  |    1  |    185  |    172,98  |    387,5  |    0,34  |    0,00  |    7,66  |  
|   ТП8 - ТП6  |    ТП-6  |    749,94  |    0,29  |    58,15  |    74,42  |    325,06  |    1  |    150  |    153,45  |    343,8  |    0,00  |    0,02  |    0,10  |  
|   ТП6 - ТП5  |    ТП-5  |    863,22  |    0,25  |    40,58  |    114,49  |    289,90  |    1  |    120  |    133,92  |    300,0  |    0,00  |    0,03  |    0,08  |  
|   ТП5 - ТП7  |    ТП-7  |    810,44  |    0,33  |    20,54  |    155,58  |    249,84  |    1  |    95  |    114,39  |    256,3  |    0,00  |    0,10  |    0,15  |  
|   Перемычка ТП7 - ТП9  |    0  |    0,00  |    0,22  |    0,00  |    155,58  |    208,79  |    1  |    95  |    114,39  |    256,3  |    0,00  |    0,04  |    0,06  |  
|   ТП10 - ТП9  |    ТП-9  |    851,12  |    0,55  |    20,79  |    197,14  |    208,79  |    1  |    95  |    114,39  |    256,3  |    0,01  |    0,34  |    0,36  |  
|   ТП10 - ТП11  |    ТП-10  |    916,65  |    0,31  |    42,33  |    240,22  |    167,20  |    1  |    95  |    114,39  |    256,3  |    0,01  |    0,13  |    0,09  |  
|   ТП11 - ТП12  |    ТП-11  |    884,99  |    0,29  |    63,58  |    282,72  |    124,15  |    1  |    120  |    133,92  |    300,0  |    0,01  |    0,11  |    0,05  |  
|   ТП12 - ТП13  |    ТП-12  |    825,88  |    0,39  |    83,96  |    323,48  |    81,65  |    1  |    150  |    153,45  |    343,8  |    0,01  |    0,19  |    0,05  |  
|   ТП13 - ГПП  |    ТП-13  |    835,40  |    1,98  |    104,39  |    364,31  |    40,92  |    1  |    185  |    172,98  |    387,5  |    0,27  |    4,51  |    0,00  |  
|   Итого ГПП-ТП7  |    3209,001  |    3,450  |    0,346  |  ||||||||||
|   Итого ГПП-ТП9  |    4314,038  |    3,520  |    0,295  |  ||||||||||
|   Итого в П/Ав. Реж ГПП-ТП8  |    7523,039  |    7,190  |    5,47  |  ||||||||||
|   Итого в П/Ав. Реж ГПП-ТП13  |    7523,039  |    7,190  |    8,61  |  
2.4 Выбор схемы и параметров сети 0,4 кВ.
При построении схемы сети 0,4 кВ следует обратить внимание на требуемый уровень надёжности электроснабжения потребителей электроэнергии. К первой категории надёжности в проектируемом районе относятся: электродвигатели и другие электроприёмники противопожарных устройств, системы пожарной и охранной сигнализации в общеобразовательных школах, детских дошкольных учреждениях, поликлинике[6]. В схемах электроснабжения района для приёмников 1 категории предусматривается необходимость устройства АВР непосредственно на вводе[6]. Ко 2 категории относятся: жилые дома в 6 этажей и выше, административно-общественные здания, ЦТП, поликлиника, магазины с торговыми залами общей площадью более 220 кв.м.















