Диплом (1094907), страница 11
Текст из файла (страница 11)
При прокладке кабельных линий необходимо учитывать требования СНиП 2.07.01-89, в которых нормируется расстояния от силовых кабелей до:
-
фундаментов зданий, не менее 0.6 метра;
-
бортового камня улицы, дороги не менее 1.5 метра;
-
фундаментов опор ЛЭП до 1 кВ наружного освещения не менее 0.5 метра.
С учётом этих требований, прокладываем кабельные линии, как показано на рисунке 2.4.4. Проверка КЛ 0,4 кВ по термической стойкости не производится согласно[3]. Из таблицы 2.4.2 видно, что основным критерием при выборе сечения кабельных линий является допустимая потеря напряжения. Это требует значительного увеличения сечения токопроводящей жилы.
2.5 Расчёт режимов сетей 0,4 кВ и 10 кВ.
Целью электрического расчёта режимов сетей 0,4 кВ и10 кВ является определение потоков мощности, напряжений на шинах ТП и ЦП, потерь активной и реактивной мощности. Зная эти параметры можно производить оценку экономичности работы сети, определить качество напряжения и разработать те или иные мероприятия по улучшению этих сетей.
2.5.1 Расчёт режимов сетей 0,4 кВ.
Расчёт режимов производим по методике изложенной в литературе[10].
Известны мощности нагрузок зданий:
Sp=Pp+j*Qp, (кВ*А).
Известны сопротивления участков линий:
Zк.л.=rк.л.+j*xк.л., (Ом).
Потери мощности в линии определяются по выражению[10]:
где:
Рк, Qк- активные и реактивные мощности нагрузки в конце линии;
rк.л., xк.л - сопротивления кабельной линии.
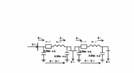
Приведём схему замещения для расчёта режимов сети 0,4 кВ на рисунке 2.5.1.
Рисунок 2.5.1 Схема замещения для расчёта режима сети 0,4 кВ.
Пример расчёта для участка сети 0,4 кВ ТП№3 – здание№1-6-11 – здание№8-1.
Sзд №1-6-11=100,08+j*29,023, кВ*А;
Sзд №8-1=12,5+j*6,05, кВ*А;
Zк.л. ТП - зд №1-6-11=0,03129+j*0,00574, Ом;
Zк.л. зд №1-6-11 - зд №8-1=0,3126+j*0,006, Ом;
Величину
в расчётах не учитываем, так как она очень мала из-за маленьких расстояний между зданиями (порядка 10-510-6).
Мощность в конце линии между зданиями №1-6-11 и №8-1:
Sкк.л. зд №1-6-11 - зд №8-1=Sзд №8-1=12,5+j*6,05, кВ*А.
Потери мощности в линии между зданиями №1-6-11 и №8-1:
Мощность в начале линии между зданиями №1-6-11 и №8-1:
+
= 12,5+j*6,05+0,42+j*0,01=12,92+j*6,06, кВ*А.
Мощность в конце линии ТП№3 – здание №1-6-11:
+
=12,92+j*6,06+100,08+j*29,023==113,00+ j*35,08, кВ*А.
Потери мощности в линии ТП№3 – здание №1-6-11:
Мощность, поступающая с шин ТП№3 к зданиям №1-6-11 и №8-1:
=
+
=113,00+j*35,08+3,03+j*0,56= =116,03+j*35,64, кВ*А.
Далее все расчёты аналогичны, результаты расчётов заносим в таблицу 2.5.1.
Таблица 2.5.1 Результаты расчёта потерь мощности и потоков мощности в сети 0,4 кВ.
| № ТП п/п | Номер здания | L, км | rкл н.р., Ом | xкл н.р., Ом | Sнагр, кВ*А | Sдоп, номер здания | Sконца линии, кВ*А | ∆Sлинии, кВ*А | Sначала линии, кВ*А |
| 2-10-1 | 0,26 | 0,01352 | 0,00514 | 302,62+117,048j | 9,86+3,74j | 312,48+120,79j | |||
| 2-3-2 | 0,07 | 0,02188 | 0,00298 | 106,272+44,124j | 2,01+0,27j | 108,28+44,4j | |||
| ТП-1 | 2-3-3 | 0,08 | 0,02500 | 0,00340 | 106,272+44,124j | 2,29+0,31j | 108,56+44,44j | ||
| 2-3-4 | 0,19 | 0,04247 | 0,00779 | 106,272+44,124j | 3,89+0,71j | 110,17+44,84j | |||
| 2-3-5 | 0,29 | 0,03785 | 0,01160 | 106,272+44,124j | 3,47+1,06j | 109,74+45,19j | |||
| 20-1 | 0,24 | 0,10728 | 0,01056 | 42+18,06j | 1,55+0,15j | 43,55+18,21j | |||
| 2-8-6 | 0,06 | 0,00507 | 0,00234 | 244,512+97,52j | 2,43+1,12j | 246,95+98,64j | |||
| ТП-2 | 3-1-7 | 0,08 | 0,01316 | 0,00324 | 164,34+47,011j | 2,66+0,66j | 167+47,67j | ||
| 3-1-8 | 0,08 | 0,01316 | 0,00324 | 164,34+47,011j | 2,66+0,66j | 167+47,67j | |||
| 15-1 | 0,04 | 0,00658 | 0,00162 | 161+40,411j | 1,26+0,31j | 162,26+40,72j | |||
| 2-3-9 | 0,15 | 0,03353 | 0,00615 | 106,272+44,124j | 3,07+0,56j | 109,35+44,69j | |||
| 1-4-10 | 0,03 | 0,02682 | 0,00264 | 76+22,04j | 1,16+0,11j | 77,16+22,15j | |||
| 1-6-11 | 0,07 | 0,03129 | 0,00574 | 100,08+29,023j | 8-1 | 113+35,08j | 3,03+0,56j | 116,03+35,64j | |
| ТП-3 | 1-6-12 | 0,13 | 0,04277 | 0,01053 | 102,33+29,912j | 3,37+0,83j | 105,7+30,74j | ||
| 1-6-15 | 0,19 | 0,03952 | 0,01501 | 100,08+29,023j | 2,97+1,13j | 103,05+30,15j | |||
| 1-6-16 | 0,11 | 0,03619 | 0,00891 | 100,08+29,023j | 2,72+0,67j | 102,8+29,69j | |||
| 8-1 | 0,06 | 0,31260 | 0,00600 | 12,5+6,05j | 0,42+1E-002j | 12,92+6,06j | |||
| 15-2 | 0,16 | 0,02632 | 0,00648 | 161+40,411j | 5,02+1,24j | 166,02+41,65j | |||
| 2-4-13 | 0,08 | 0,01788 | 0,00328 | 135+54,673j | 2,63+0,48j | 137,63+55,15j | |||
| 2-10-14 | 0,11 | 0,00718 | 0,00220 | 337,42+131,828j | 6,52+2j | 343,94+133,83j | |||
| ТП-4 | 3-1-17 | 0,09 | 0,01481 | 0,00365 | 164,34+47,011j | 3+0,74j | 167,34+47,75j | ||
| 3-1-18 | 0,11 | 0,01859 | 0,00458 | 164,34+47,011j | 5-2 | 170,45+49,38j | 4,05+j | 174,5+50,38j | |
| 5-2 | 0,06 | 0,37500 | 0,00348 | 6+2,37j | 0,11 | 6,11+2,37j | |||
| 14-1 | 0,06 | 0,00783 | 0,00240 | 200+65,8j | 2,4+0,74j | 202,4+66,54j | |||
| ТП-5 | 14-2 | 0,07 | 0,00914 | 0,00280 | 200+65,8j | 2,8+0,86j | 202,8+66,66j | ||
| 11-1 | 0,03 | 0,00196 | 0,00060 | 400+170,4j | 2,56+0,79j | 402,56+171,19j | |||
| 2-3-19 | 0,19 | 0,04247 | 0,00779 | 106,272+44,124j | 3,89+0,71j | 110,17+44,84j | |||
| 1-6-20 | 0,04 | 0,02500 | 0,00340 | 100,08+29,023j | 1,88+0,26j | 101,96+29,28j | |||
| 1-6-21 | 0,22 | 0,03718 | 0,01716 | 103,83+31,836j | 3,04+1,4j | 106,87+33,24j | |||
| ТП-6 | 1-6-22 | 0,12 | 0,03948 | 0,00972 | 100,08+29,023j | 2,97+0,73j | 103,05+29,75j | ||
| 5-3 | 0,1 | 0,62500 | 0,00580 | 5+1,975j | 0,13 | 5,13+1,98j | |||
| 6-1 | 0,18 | 0,11250 | 0,00819 | 30+7,53j | 0,75+5E-002j | 30,75+7,58j | |||
| 9-1 | 0,09 | 0,04023 | 0,00396 | 78+48,36j | 2,35+0,23j | 80,35+48,59j | |||
| 12-1 | 0,2 | 0,52100 | 0,01000 | 5,4+3,062j | 5-3 | 10,53+5,04j | 0,49+1E-002j | 11,02+5,05j | |
| 15-3 | 0,17 | 0,02797 | 0,00689 | 161+40,411j | 5,34+1,31j | 166,34+41,72j | |||
| 2-10-23 | 0,11 | 0,00718 | 0,00220 | 307,17+116,185j | 5,36+1,64j | 312,53+117,83j | |||
| ТП-7 | 2-4-24 | 0,09 | 0,02012 | 0,00369 | 135+54,673j | 2,96+0,54j | 137,96+55,22j | ||
| 2-6-25 | 0,12 | 0,01566 | 0,00480 | 189,81+76,667j | 4,54+1,39j | 194,35+78,06j | |||
| 2-3-26 | 0,22 | 0,03619 | 0,00891 | 106,272+44,124j | 3,32+0,82j | 109,59+44,94j | |||
| 2-6-27 | 0,19 | 0,01976 | 0,00751 | 189,81+76,667j | 5,73+2,18j | 195,54+78,84j | |||
| 2-3-28 | 0,04 | 0,01250 | 0,00170 | 117,472+48,94j | 1,4+0,19j | 118,87+49,13j | |||
| ТП-8 | 2-3-29 | 0,07 | 0,02188 | 0,00298 | 106,272+44,124j | 2,01+0,27j | 108,28+44,4j | ||
| 2-6-30 | 0,04 | 0,00522 | 0,00160 | 189,81+76,667j | 1,51+0,46j | 191,32+77,13j | |||
| 2-3-31 | 0,1 | 0,03125 | 0,00425 | 110,022+46,937j | 3,1+0,42j | 113,12+47,36j | |||
| 2-6-32 | 0,09 | 0,01175 | 0,00360 | 189,81+76,667j | 5-4 | 196,03+79,04j | 3,63+1,11j | 199,66+80,15j | |
| 3-1-33 | 0,11 | 0,01810 | 0,00446 | 164,34+47,011j | 3,66+0,9j | 168+47,91j | |||
| 1-6-34 | 0,09 | 0,04023 | 0,00738 | 100,08+29,023j | 3,03+0,55j | 103,11+29,58j | |||
| 1-4-35 | 0,04 | 0,02500 | 0,00340 | 76+22,04j | 20-2 | 97,85+31,11j | 1,83+0,25j | 99,67+31,36j | |
| ТП-9 | 1-4-36 | 0,17 | 0,05593 | 0,01377 | 76+22,04j | 2,43+0,6j | 78,43+22,64j | ||
| 2-4-43 | 0,06 | 0,01341 | 0,00246 | 135+54,673j | 7-1 | 155,16+59,6j | 2,57+0,47j | 157,72+60,07j | |
| 5-4 | 0,12 | 0,75000 | 0,00696 | 6+2,37j | 0,22 | 6,22+2,37j | |||
| 7-1 | 0,12 | 0,23400 | 0,01140 | 19,5+4,895j | 0,66+3E-002j | 20,16+4,93j | |||
| 20-2 | 0,12 | 0,23400 | 0,01140 | 21+9,03j | 0,85+4E-002j | 21,85+9,07j | |||
| 2-4-37 | 0,3 | 0,02535 | 0,01170 | 153+62,341j | 4,79+2,21j | 157,79+64,55j | |||
| 1-4-44 | 0,04 | 0,03576 | 0,00352 | 76+22,04j | 1,55+0,15j | 77,55+22,19j | |||
| 1-4-45 | 0,21 | 0,05481 | 0,01680 | 76+22,04j | 2,38+0,73j | 78,38+22,77j | |||
| ТП-10 | 1-4-46 | 0,22 | 0,05742 | 0,01760 | 76+22,04j | 2,49+0,76j | 78,49+22,8j | ||
| 1-8-47 | 0,16 | 0,02704 | 0,01248 | 139,52+42,029j | 3,98+1,84j | 143,5+43,86j | |||
| 13-3 | 0,17 | 0,02797 | 0,00689 | 150+112,5j | 6,81+1,68j | 156,81+114,18j | |||
| 15-4 | 0,04 | 0,00658 | 0,00162 | 161+40,411j | 1,26+0,31j | 162,26+40,72j | |||
| 2-4-42 | 0,07 | 0,00592 | 0,00273 | 135+54,673j | 18-1 | 287,77+128,49j | 4,07+1,88j | 291,84+130,37j | |
| 1-8-48 | 0,15 | 0,03120 | 0,01185 | 128,32+37,213j | 3,86+1,46j | 132,18+38,68j | |||
| 1-6-49 | 0,09 | 0,04023 | 0,00738 | 100,08+29,023j | 3,03+0,55j | 103,11+29,58j | |||
| ТП-11 | 1-6-50 | 0,21 | 0,04368 | 0,01659 | 100,08+29,023j | 3,28+1,25j | 103,36+30,27j | ||
| 14-3 | 0,09 | 0,01175 | 0,00360 | 200+65,8j | 3,61+1,11j | 203,61+66,91j | |||
| 16-2 | 0,06 | 0,07500 | 0,00546 | 54+17,82j | 1,68+0,12j | 55,68+17,94j | |||
| 18-1 | 0,05 | 0,01118 | 0,00205 | 57,5+40,25j | 19-2 | 150,6+73,42j | 2,17+0,4j | 152,77+73,82j | |
| 19-2 | 0,06 | 0,03750 | 0,00273 | 35+15,05j | 16-2 | 90,68+32,99j | 2,42+0,18j | 93,1+33,17j | |
| 2-8-38 | 0,07 | 0,00592 | 0,00273 | 263,412+103,757j | 3,28+1,52j | 266,7+105,27j | |||
| 2-6-39 | 0,09 | 0,01175 | 0,00360 | 189,81+76,667j | 3,41+1,04j | 193,22+77,71j | |||
| ТП-12 | 1-4-40 | 0,11 | 0,04917 | 0,00902 | 76+22,04j | 2,13+0,39j | 78,13+22,43j | ||
| 1-4-41 | 0,18 | 0,05922 | 0,01458 | 76+22,04j | 2,57+0,63j | 78,57+22,67j | |||
| 15-5 | 0,1 | 0,01645 | 0,00405 | 161+40,411j | 3,14+0,77j | 164,14+41,18j | |||
| 1-6-51 | 0,12 | 0,03948 | 0,00972 | 100,08+29,023j | 2,97+0,73j | 103,05+29,75j | |||
| 1-6-52 | 0,28 | 0,04606 | 0,01134 | 100,08+29,023j | 3,46+0,85j | 103,54+29,88j | |||
| ТП-13 | 3-1-53 | 0,1 | 0,01645 | 0,00405 | 179,94+50,926j | 3,98+0,98j | 183,92+51,91j | ||
| 3-1-54 | 0,03 | 0,00494 | 0,00122 | 169,59+49,552j | 1,07+0,26j | 170,66+49,81j | |||
| 3-1-55 | 0,08 | 0,01316 | 0,00324 | 182,34+51,529j | 3,27+0,81j | 185,61+52,33j | |||
| 17-1 | 0,18 | 0,08046 | 0,01476 | 54+17,82j | 1,8+0,33j | 55,8+18,15j | |||
| 2-3-56 | 0,08 | 0,02500 | 0,00340 | 106,272+44,124j | 2,29+0,31j | 108,56+44,44j | |||
| 3-1-57 | 0,08 | 0,01316 | 0,00324 | 164,34+47,011j | 2,66+0,66j | 167+47,67j | |||
| ТП-14 | 3-1-58 | 0,05 | 0,00823 | 0,00203 | 164,34+47,011j | 1,66+0,41j | 166+47,42j | ||
| 3-1-59 | 0,08 | 0,01316 | 0,00324 | 164,34+47,011j | 2,66+0,66j | 167+47,67j | |||
| 2-3-61 | 0,08 | 0,02500 | 0,00340 | 106,272+44,124j | 2,29+0,31j | 108,56+44,44j | |||
| 2-3-67 | 0,16 | 0,03576 | 0,00656 | 106,272+44,124j | 3,28+0,6j | 109,55+44,73j | |||
| 2-3-68 | 0,14 | 0,04375 | 0,00595 | 106,272+44,124j | 4,01+0,55j | 110,28+44,67j | |||
| ТП-15 | 14-4 | 0,09 | 0,01175 | 0,00360 | 200+65,8j | 3,61+1,11j | 203,61+66,91j | ||
| 14-5 | 0,12 | 0,01566 | 0,00480 | 200+65,8j | 4,81+1,47j | 204,81+67,27j | |||
| 15-6 | 0,07 | 0,01152 | 0,00284 | 161+40,411j | 2,2+0,54j | 163,2+40,95j | |||
| 3-1-60 | 0,14 | 0,02303 | 0,00567 | 164,34+47,011j | 4,66+1,15j | 169+48,16j | |||
| 2-3-62 | 0,09 | 0,02813 | 0,00383 | 106,272+44,124j | 2,58+0,35j | 108,85+44,47j | |||
| ТП-16 | 2-3-63 | 0,02 | 0,00625 | 0,00085 | 106,272+44,124j | 0,57+8E-002j | 106,85+44,2j | ||
| 3-1-64 | 0,11 | 0,01810 | 0,00446 | 164,34+47,011j | 3,66+0,9j | 168+47,91j | |||
| 2-3-65 | 0,19 | 0,04247 | 0,00779 | 106,272+44,124j | 3,89+0,71j | 110,17+44,84j | |||
| 20-3 | 0,04 | 0,06240 | 0,00198 | 42+18,06j | 0,9+3E-002j | 42,9+18,09j | |||
| 2-8-66 | 0,15 | 0,01268 | 0,00585 | 255,712+102,336j | 6,66+3,07j | 262,37+105,41j | |||
| ТП-17 | 3-1-69 | 0,02 | 0,00329 | 0,00081 | 164,34+47,011j | 0,67+0,16j | 165,01+47,17j | ||
| 2-3-76 | 0,04 | 0,01250 | 0,00170 | 106,272+44,124j | 1,15+0,16j | 107,42+44,28j | |||
| 3-1-77 | 0,13 | 0,02139 | 0,00527 | 164,34+47,011j | 4,33+1,07j | 168,67+48,08j | |||
| 3-1-70 | 0,12 | 0,01974 | 0,00486 | 164,34+47,011j | 3,99+0,98j | 168,33+47,99j | |||
| ТП-18 | 2-6-71 | 0,07 | 0,00914 | 0,00280 | 189,81+76,667j | 2,65+0,81j | 192,46+77,48j | ||
| 2-6-72 | 0,04 | 0,00522 | 0,00160 | 189,81+76,667j | 1,51+0,46j | 191,32+77,13j | |||
| 3-1-85 | 0,13 | 0,01697 | 0,00520 | 206,34+64,903j | 5,5+1,68j | 211,84+66,59j | |||
| 3-1-86 | 0,13 | 0,02139 | 0,00527 | 164,34+47,011j | 4,33+1,07j | 168,67+48,08j | |||
| 3-1-87 | 0,04 | 0,00658 | 0,00162 | 166,44+47,84j | 1,37+0,34j | 167,81+48,18j | |||
| ТП-19 | 10-2 | 0,18 | 0,02349 | 0,00720 | 184+78,384j | 6,51+1,99j | 190,51+80,38j | ||
| 12-2 | 0,13 | 0,81250 | 0,00754 | 5,4+3,062j | 0,22 | 5,62+3,06j | |||
| 15-7 | 0,13 | 0,02139 | 0,00527 | 161+40,411j | 4,08+j | 165,08+41,42j | |||
| 18-3 | 0,05 | 0,03125 | 0,00228 | 69+48,3j | 1,54+0,11j | 70,54+48,41j | |||
| 2-3-74 | 0,06 | 0,01875 | 0,00255 | 106,272+44,124j | 1,72+0,23j | 107,99+44,36j | |||
| ТП-20 | 2-8-88 | 0,06 | 0,00507 | 0,00234 | 269,712+105,836j | 2,95+1,36j | 272,66+107,2j | ||
| 2-6-89 | 0,24 | 0,02028 | 0,00936 | 189,81+76,667j | 5,89+2,72j | 195,7+79,38j | |||
| 15-8 | 0,06 | 0,00987 | 0,00243 | 161+40,411j | 1,88+0,46j | 162,88+40,87j | |||
| 2-3-73 | 0,13 | 0,04063 | 0,00553 | 106,272+44,124j | 3,73+0,51j | 110+44,63j | |||
| 2-3-75 | 0,13 | 0,04063 | 0,00553 | 106,272+44,124j | 3,73+0,51j | 110+44,63j | |||
| ТП-21 | 2-8-78 | 0,09 | 0,00761 | 0,00351 | 261,312+104,744j | 4,17+1,93j | 265,49+106,67j | ||
| 3-1-79 | 0,06 | 0,00987 | 0,00243 | 164,34+47,011j | 2+0,49j | 166,34+47,5j | |||
| 2-3-81 | 0,08 | 0,02500 | 0,00340 | 106,272+44,124j | 2,29+0,31j | 108,56+44,44j | |||
| 2-3-80 | 0,1 | 0,03125 | 0,00425 | 106,272+44,124j | 2,87+0,39j | 109,14+44,51j | |||
| ТП-22 | 3-1-82 | 0,07 | 0,01152 | 0,00284 | 164,34+47,011j | 2,33+0,57j | 166,67+47,58j | ||
| 2-8-83 | 0,04 | 0,00338 | 0,00156 | 272,112+116,84j | 2,05+0,95j | 274,16+117,79j | |||
| 3-1-84 | 0,12 | 0,01974 | 0,00486 | 164,34+47,011j | 3,99+0,98j | 168,33+47,99j | |||
| 1-3-90 | 0,13 | 0,05811 | 0,01066 | 63+18,27j | 1,73+0,32j | 64,73+18,59j | |||
| 1-3-91 | 0,15 | 0,06705 | 0,01230 | 63+18,27j | 2+0,37j | 65+18,64j | |||
| 1-3-92 | 0,14 | 0,06258 | 0,01148 | 63+18,27j | 1,86+0,34j | 64,86+18,61j | |||
| ТП-23 | 2-3-93 | 0,03 | 0,00938 | 0,00128 | 106,272+44,124j | 0,86+0,12j | 107,13+44,24j | ||
| 2-3-94 | 0,13 | 0,04063 | 0,00553 | 106,272+44,124j | 3,73+0,51j | 110+44,63j | |||
| 2-3-96 | 0,08 | 0,02500 | 0,00340 | 106,272+44,124j | 2,29+0,31j | 108,56+44,44j | |||
| 15-9 | 0,07 | 0,01152 | 0,00284 | 161+40,411j | 2,2+0,54j | 163,2+40,95j | |||
| 2-3-95 | 0,21 | 0,03455 | 0,00851 | 106,272+44,124j | 3,17+0,78j | 109,44+44,9j | |||
| 2-3-97 | 0,11 | 0,03438 | 0,00468 | 106,272+44,124j | 3,15+0,43j | 109,42+44,55j | |||
| ТП-24 | 2-3-98 | 0,03 | 0,00938 | 0,00128 | 106,272+44,124j | 0,86+0,12j | 107,13+44,24j | ||
| 2-6-101 | 0,12 | 0,01566 | 0,00480 | 189,81+76,667j | 4,54+1,39j | 194,35+78,06j | |||
| 10-3 | 0,17 | 0,02219 | 0,00680 | 184+78,384j | 6,15+1,88j | 190,15+80,27j | |||
| 2-8-99 | 0,18 | 0,01521 | 0,00702 | 244,512+97,52j | 7,3+3,37j | 251,81+100,89j | |||
| ТП-25 | 2-8-100 | 0,08 | 0,00676 | 0,00312 | 244,512+97,52j | 3,24+1,5j | 247,76+99,02j | ||
| 2-8-103 | 0,06 | 0,00507 | 0,00234 | 244,512+97,52j | 2,43+1,12j | 246,95+98,64j | |||
| 2-6-102 | 0,14 | 0,01827 | 0,00560 | 189,81+76,667j | 5,3+1,63j | 195,11+78,29j | |||
| 2-3-104 | 0,06 | 0,01875 | 0,00255 | 106,272+44,124j | 1,72+0,23j | 107,99+44,36j | |||
| 2-3-105 | 0,13 | 0,02906 | 0,00533 | 106,272+44,124j | 19-4 | 157,12+65,33j | 5,83+1,07j | 162,94+66,4j | |
| ТП-26 | 8-3 | 0,14 | 0,27300 | 0,01330 | 12,5+6,05j | 0,36+2E-002j | 12,86+6,07j | ||
| 9-2 | 0,05 | 0,00423 | 0,00195 | 195+120,9j | 8-3+19-5 | 244,18+142,11j | 2,34+1,08j | 246,52+143,19j | |
| 19-4 | 0,15 | 0,09375 | 0,00683 | 49+21,07j | 1,85+0,13j | 50,85+21,2j | |||
| 19-5 | 0,21 | 0,13125 | 0,00956 | 35+15,05j | 1,32+0,1j | 36,32+15,15j | |||
| 2-3-106 | 0,18 | 0,01872 | 0,00711 | 189,81+76,667j | 12-3 | 195,36+79,73j | 5,77+2,19j | 201,13+81,92j | |
| 1-3-107 | 0,17 | 0,07599 | 0,01394 | 63+18,27j | 2,26+0,42j | 65,26+18,69j | |||
| 1-3-108 | 0,13 | 0,05811 | 0,01066 | 63+18,27j | 1,73+0,32j | 64,73+18,59j | |||
| 1-6-109 | 0,08 | 0,03576 | 0,00656 | 100,08+29,023j | 2,69+0,49j | 102,77+29,52j | |||
| ТП-27 | 2-3-110 | 0,11 | 0,03438 | 0,00468 | 106,272+44,124j | 3,15+0,43j | 109,42+44,55j | ||
| 2-3-111 | 0,21 | 0,03455 | 0,00851 | 106,272+44,124j | 3,17+0,78j | 109,44+44,9j | |||
| 2-3-112 | 0,3 | 0,03915 | 0,01200 | 106,272+44,124j | 3,59+1,1j | 109,86+45,22j | |||
| 12-3 | 0,09 | 0,56250 | 0,00522 | 5,4+3,062j | 0,15 | 5,55+3,06j | |||
| 15-10 | 0,05 | 0,00823 | 0,00203 | 161+40,411j | 1,57+0,39j | 162,57+40,8j | |||
| 2-3-113 | 0,11 | 0,03438 | 0,00468 | 106,272+44,124j | 3,15+0,43j | 109,42+44,55j | |||
| 2-4-114 | 0,07 | 0,01565 | 0,00287 | 140+57,093j | 2,48+0,45j | 142,48+57,55j | |||
| 2-3-115 | 0,06 | 0,01875 | 0,00255 | 106,272+44,124j | 1,72+0,23j | 107,99+44,36j | |||
| ТП-28 | 1-8-116 | 0,16 | 0,02704 | 0,01248 | 155,92+56,533j | 5,15+2,38j | 161,07+58,91j | ||
| 1-6-117 | 0,09 | 0,04023 | 0,00738 | 100,08+29,023j | 3,03+0,55j | 103,11+29,58j | |||
| 1-3-118 | 0,13 | 0,05811 | 0,01066 | 81,9+24,507j | 2,94+0,54j | 84,84+25,05j | |||
| 1-3-120 | 0,18 | 0,05922 | 0,01458 | 63+18,27j | 1,76+0,43j | 64,76+18,7j | |||
| 1-3-119 | 0,12 | 0,07500 | 0,01020 | 63+18,27j | 2,23+0,3j | 65,23+18,57j | |||
| 1-3-121 | 0,04 | 0,05000 | 0,00364 | 63+18,27j | 1,49+0,11j | 64,49+18,38j | |||
| ТП-29 | 1-6-122 | 0,06 | 0,03750 | 0,00510 | 100,08+29,023j | 2,82+0,38j | 102,9+29,41j | ||
| 2-10-123 | 0,09 | 0,00740 | 0,00182 | 331,42+129,272j | 6,49+1,6j | 337,91+130,87j | |||
| 15-11 | 0,17 | 0,02797 | 0,00689 | 161+40,411j | 5,34+1,31j | 166,34+41,72j | |||
| 18-5 | 0,07 | 0,04375 | 0,00319 | 57,5+40,25j | 1,49+0,11j | 58,99+40,36j | |||
| 1-4-124 | 0,03 | 0,02682 | 0,00264 | 76+22,04j | 1,16+0,11j | 77,16+22,15j | |||
| ТП-30 | 2-10-125 | 0,16 | 0,01316 | 0,00324 | 308,22+119,456j | 9,96+2,45j | 318,18+121,91j | ||
| 2-6-126 | 0,18 | 0,02349 | 0,00720 | 189,81+76,667j | 6,82+2,09j | 196,63+78,76j | |||
| 18-6 | 0,09 | 0,04023 | 0,00396 | 80,5+56,35j | 2,69+0,26j | 83,19+56,61j | |||
| 2-3-132 | 0,12 | 0,03750 | 0,00510 | 106,272+44,124j | 3,44+0,47j | 109,71+44,59j | |||
| 3-1-133 | 0,08 | 0,01316 | 0,00324 | 166,59+47,899j | 2,74+0,67j | 169,33+48,57j | |||
| ТП-31 | 3-1-134 | 0,03 | 0,00494 | 0,00122 | 182,34+51,529j | 1,23+0,3j | 183,57+51,83j | ||
| 3-1-135 | 0,05 | 0,00823 | 0,00203 | 172,14+48,968j | 1,82+0,45j | 173,96+49,42j | |||
| 2-3-136 | 0,1 | 0,03125 | 0,00425 | 106,272+44,124j | 2,87+0,39j | 109,14+44,51j | |||
| 17-3 | 0,05 | 0,03125 | 0,00425 | 90+29,7j | 1,94+0,26j | 91,94+29,96j | |||
| 1-4-127 | 0,22 | 0,05742 | 0,01760 | 76+22,04j | 2,49+0,76j | 78,49+22,8j | |||
| 2-4-128 | 0,23 | 0,02392 | 0,00909 | 151,8+61,897j | 4,45+1,69j | 156,25+63,59j | |||
| ТП-32 | 1-4-130 | 0,04 | 0,03576 | 0,00352 | 76+22,04j | 1,55+0,15j | 77,55+22,19j | ||
| 14-6 | 0,05 | 0,00653 | 0,00200 | 200+65,8j | 2+0,61j | 202+66,41j | |||
| 14-7 | 0,13 | 0,01697 | 0,00520 | 200+65,8j | 5,21+1,6j | 205,21+67,4j | |||
| 2-4-129 | 0,07 | 0,01152 | 0,00284 | 162,6+73,993j | 2,54+0,63j | 165,14+74,62j | |||
| 1-4-131 | 0,05 | 0,04470 | 0,00440 | 76+22,04j | 1,94+0,19j | 77,94+22,23j | |||
| ТП-33 | 2-6-137 | 0,17 | 0,02219 | 0,00680 | 189,81+76,667j | 6,44+1,97j | 196,25+78,64j | ||
| 1-3-139 | 0,15 | 0,04935 | 0,01215 | 79,8+25,494j | 2,4+0,59j | 82,2+26,08j | |||
| 1-3-140 | 0,03 | 0,03750 | 0,00273 | 63+18,27j | 1,12+8E-002j | 64,12+18,35j | |||
| 18-8 | 0,13 | 0,05811 | 0,00572 | 80,5+56,35j | 3,89+0,38j | 84,39+56,73j | |||
| 2-8-144 | 0,07 | 0,00592 | 0,00273 | 244,512+97,52j | 2,84+1,31j | 247,35+98,83j | |||
| ТП-34 | 2-6-145 | 0,07 | 0,00914 | 0,00280 | 189,81+76,667j | 2,65+0,81j | 192,46+77,48j | ||
| 2-4-146 | 0,03 | 0,00671 | 0,00123 | 135+54,673j | 0,99+0,18j | 135,99+54,85j | |||
| 2-8-147 | 0,23 | 0,01501 | 0,00460 | 245,592+98,132j | 7,27+2,23j | 252,86+100,36j | |||
| 2-3-138 | 0,32 | 0,02704 | 0,01248 | 106,272+44,124j | 16-4 | 161,95+62,17j | 5,64+2,6j | 167,59+64,77j | |
| 1-8-141 | 0,12 | 0,03132 | 0,00960 | 133,32+39,633j | 4,2+1,29j | 137,52+40,92j | |||
| 1-4-142 | 0,15 | 0,04935 | 0,01215 | 76+22,04j | 2,14+0,53j | 78,14+22,57j | |||
| 1-4-143 | 0,07 | 0,06258 | 0,00616 | 76+22,04j | 2,71+0,27j | 78,71+22,31j | |||
| ТП-35 | 1-4-150 | 0,24 | 0,04992 | 0,01896 | 76+22,04j | 2,16+0,82j | 78,16+22,86j | ||
| 1-4-153 | 0,29 | 0,04901 | 0,02262 | 76+22,04j | 2,13+0,98j | 78,13+23,02j | |||
| 5-7 | 0,1 | 0,62500 | 0,00580 | 6+2,37j | 0,18 | 6,18+2,37j | |||
| 16-4 | 0,12 | 0,07500 | 0,01020 | 54+17,82j | 1,68+0,23j | 55,68+18,05j | |||
| 18-9 | 0,07 | 0,02188 | 0,00298 | 92+64,4j | 1,91+0,26j | 93,91+64,66j | |||
| 19-9 | 0,06 | 0,09360 | 0,00297 | 42+18,06j | 5-7 | 48,18+20,43j | 1,78+6E-002j | 49,96+20,49j | |
| 2-8-148 | 0,07 | 0,00592 | 0,00273 | 244,512+97,52j | 2,84+1,31j | 247,35+98,83j | |||
| ТП-36 | 1-4-149 | 0,07 | 0,06258 | 0,00616 | 76+22,04j | 2,71+0,27j | 78,71+22,31j | ||
| 2-8-151 | 0,06 | 0,00507 | 0,00234 | 263,412+103,757j | 2,81+1,3j | 266,23+105,06j | |||
| 20-4 | 0,1 | 0,04470 | 0,00440 | 84+36,12j | 2,59+0,25j | 86,59+36,37j | |||
| 2-8-152 | 0,07 | 0,00592 | 0,00273 | 244,512+97,52j | 2,84+1,31j | 247,35+98,83j | |||
| ТП-37 | 1-4-154 | 0,07 | 0,06258 | 0,00616 | 76+22,04j | 2,71+0,27j | 78,71+22,31j | ||
| 2-8-155 | 0,06 | 0,00671 | 0,00123 | 284,512+114,56j | 4,37+0,8j | 288,88+115,36j | |||
| 20-5 | 0,1 | 0,04470 | 0,00440 | 84+36,12j | 2,59+0,25j | 86,59+36,37j |
Итоговые результаты расчетов потерь мощности городской сети 0,4 кВ и мощности, передаваемой с шин 0,4 кВ каждой ТП, приведены в таблице 2.5.2.















