Диплом (1094907), страница 12
Текст из файла (страница 12)
Таблица 2.5.2 Итоговые результаты расчётов потерь мощности и потоков мощности, передаваемой в сеть 0,4 кВ с шин 0,4 кВ каждой ТП.
| № ТП | ∆S, кВ*А | Sтп, кВ*А |
| ТП-1 | 23,07+6,26j | 792,78+317,86j |
| ТП-2 | 9,01+2,74j | 743,21+234,7j |
| ТП-3 | 21,35+5,1j | 780,11+234,71j |
| ТП-4 | 16,09+4,19j | 823,3+287,08j |
| ТП-5 | 7,77+2,38j | 807,77+304,38j |
| ТП-6 | 20,7+4,71j | 710,49+240,06j |
| ТП-7 | 16,18+4,4j | 754,43+296,04j |
| ТП-8 | 13,75+3,53j | 727,14+296,86j |
| ТП-9 | 17,14+3,89j | 806,58+271,71j |
| ТП-10 | 23,25+7,68j | 854,77+331,08j |
| ТП-11 | 17,84+6,25j | 834,09+295,8j |
| ТП-12 | 14,53+4,36j | 780,75+269,27j |
| ТП-13 | 16,56+3,96j | 802,59+231,84j |
| ТП-14 | 11,57+2,34j | 717,14+231,63j |
| ТП-15 | 17,9+4,27j | 791,44+264,53j |
| ТП-16 | 16,27+3,22j | 705,77+247,67j |
| ТП-17 | 12,8+4,46j | 703,46+244,94j |
| ТП-18 | 13,66+3,95j | 763,96+269,19j |
| ТП-19 | 18,03+4,51j | 768,21+269,52j |
| ТП-20 | 12,44+4,77j | 739,23+271,81j |
| ТП-21 | 15,91+3,74j | 760,38+287,87j |
| ТП-22 | 11,24+2,89j | 718,31+257,88j |
| ТП-23 | 14,67+2,5j | 683,48+230,1j |
| ТП-24 | 17,87+4,6j | 710,5+292,03j |
| ТП-25 | 12,98+5,99j | 746,51+298,55j |
| ТП-26 | 15,18+4,01j | 712,57+332,24j |
| ТП-27 | 23,94+6,11j | 925,19+324,19j |
| ТП-28 | 20,23+5,02j | 773,67+278,7j |
| ТП-29 | 19,86+3,82j | 795,86+279,31j |
| ТП-30 | 20,63+4,92j | 675,16+279,43j |
| ТП-31 | 14,04+2,55j | 837,65+268,89j |
| ТП-32 | 15,7+4,82j | 719,5+242,39j |
| ТП-33 | 18,32+3,85j | 670,03+276,66j |
| ТП-34 | 13,74+4,53j | 828,66+331,52j |
| ТП-35 | 22,66+6,8j | 762,11+281,6j |
| ТП-36 | 10,95+3,13j | 678,88+262,57j |
| ТП-37 | 12,51+2,63j | 701,53+272,87j |
| Итого: | 600,34+158,88j | 28107,21+10207,48j |
2.5.2 Расчёт режимов сети 10 кВ.
На основании выводов сделанных в § 5.1. дальнейший расчет ведем для двух лучевой схемы.
Для расчёта режимов сети 10 кВ используем расчётные данные нагрузок ТП на шинах 0,4 кВ по таблице 2.5.2.
Расчётная нагрузка ТП определяется по формуле:
SрТП=S0,4+∆SТр+∆Sхх+j*Qci+j*Qcj, (кВ*А), (2.5.2)
где:
S0,4-расчётная нагрузка сети 0,4 кВ, передаваемая с шин ТП 0,4 кВ, кВ*А;
∆SТр-потери в трансформаторе ТП, кВ*А;
∆Sхх-потери холостого хода трансформатора ТП, кВ*А
Qci, Qcj -зарядная мощность, генерируемая линиями соседних участков i и j, квар.
Расчеты проводим аналогично расчётам режимов сети 0,4 кВ.
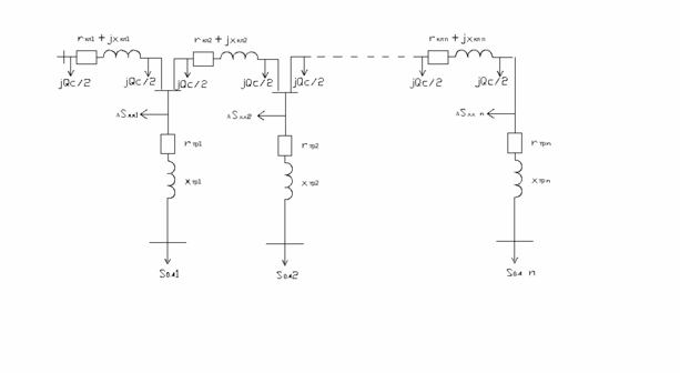
Обобщённая схема замещения для расчёта режимов сети 10 кВ представлена на рисунке 2.5.2.
Рисунок 2.5.2 Обобщённая схема замещения для расчёта режимов сети 10 кВ.
Справочные данные кабелей 10кВ приведены в таблице 2.5.3
Таблица 2.5.3 Справочные данные кабелей 10кВ [ПУЭ, 11, таблица 7.28].
| F каб. лин., мм2 | Ток, А, для трехжильного кабеля с бумажной изоляцией, проложенного в земле | Iдоп н.р, А, для трехжильного кабеля с бумажной изоляцией, проложенного в земле | Iдоп п.ав.р, А, для трехжильного кабеля с бумажной изоляцией, проложенного в земле | r0, Ом/км | x0, Ом/км | q0, квар/км |
| 16 | 75 | 41,85 | 93,8 | 1,940 | 0,102 | 5,9 |
| 25 | 90 | 50,22 | 112,5 | 1,240 | 0,091 | 8,6 |
| 35 | 115 | 64,17 | 143,8 | 0,890 | 0,087 | 10,7 |
| 50 | 140 | 78,12 | 175,0 | 0,620 | 0,083 | 11,7 |
| 70 | 165 | 92,07 | 206,3 | 0,443 | 0,080 | 13,5 |
| 95 | 205 | 114,39 | 256,3 | 0,326 | 0,078 | 15,6 |
| 120 | 240 | 133,92 | 300,0 | 0,258 | 0,076 | 16,9 |
| 150 | 275 | 153,45 | 343,8 | 0,206 | 0,074 | 18,3 |
| 185 | 310 | 172,98 | 387,5 | 0,167 | 0,073 | 10 |
| 240 | 355 | 198,09 | 443,8 | 0,129 | 0,071 | 21,5 |
Параметры кабельных линий сводим в таблицу 2.5.4.
Таблица 2.5.4 Параметры кабельных линий двухлучевой схемы.
| Направление кабеля | L, км | F каб. лин., мм2 | Qc, кВАр | Zкаб=r+jx, Ом |
| ГПП - ТП27 | 1,42 | 95 | 22,152j | 0,23146+5,538E-002j |
| ТП27 - ТП26 | 0,33 | 70 | 4,455j | 7,3095E-002+1,32E-002j |
| ТП26 - ТП25 | 0,43 | 70 | 5,805j | 9,5245E-002+1,72E-002j |
| ТП25 - ТП24 | 0,37 | 70 | 4,995j | 8,1955E-002+1,48E-002j |
| ТП24 - ТП23 | 0,18 | 70 | 2,43j | 3,987E-002+7,2E-003j |
| ГПП - ТП20 | 2,01 | 70 | 27,135j | 0,445215+8,04E-002j |
| ТП20 - ТП19 | 0,21 | 70 | 2,835j | 4,6515E-002+8,4E-003j |
| ТП19 - ТП18 | 0,19 | 70 | 2,565j | 4,2085E-002+7,6E-003j |
| ТП18 - ТП15 | 0,29 | 70 | 3,915j | 6,4235E-002+1,16E-002j |
| ГПП - ТП22 | 1,83 | 95 | 28,548j | 0,29829+7,137E-002j |
| ТП22 - ТП21 | 0,23 | 70 | 3,105j | 5,0945E-002+9,2E-003j |
| ТП21 - ТП17 | 0,23 | 70 | 3,105j | 5,0945E-002+9,2E-003j |
| ТП17 - ТП16 | 0,29 | 70 | 3,915j | 6,4235E-002+1,16E-002j |
| ТП16 - ТП14 | 0,28 | 70 | 3,78j | 6,202E-002+1,12E-002j |
| ГПП - ТП28 | 2,18 | 95 | 34,008j | 0,35534+8,502E-002j |
| ТП28 - ТП3 | 0,71 | 70 | 9,585j | 0,157265+2,84E-002j |
| ТП3 - ТП4 | 0,41 | 70 | 5,535j | 9,0815E-002+1,64E-002j |
| ТП4 - ТП2 | 0,26 | 70 | 3,51j | 5,759E-002+1,04E-002j |
| ТП2 - ТП1 | 0,21 | 70 | 2,835j | 4,6515E-002+8,4E-003j |
| ГПП - ТП35 | 1,33 | 95 | 20,748j | 0,21679+5,187E-002j |
| ТП35 - ТП33 | 0,28 | 70 | 3,78j | 6,202E-002+1,12E-002j |
| ТП33 - ТП32 | 0,24 | 70 | 3,24j | 5,316E-002+9,6E-003j |
| ТП32 - ТП30 | 0,37 | 70 | 4,995j | 8,1955E-002+1,48E-002j |
| ТП30 - ТП29 | 0,19 | 70 | 2,565j | 4,2085E-002+7,6E-003j |
| ГПП - ТП8 | 2,58 | 70 | 34,83j | 0,57147+0,1032j |
| ТП8 - ТП6 | 0,29 | 70 | 3,915j | 6,4235E-002+1,16E-002j |
| ТП6 - ТП5 | 0,25 | 70 | 3,375j | 5,5375E-002+1E-002j |
| ТП5 - ТП7 | 0,33 | 70 | 4,455j | 7,3095E-002+1,32E-002j |
| ГПП - ТП37 | 0,87 | 70 | 11,745j | 0,192705+3,48E-002j |
| ТП37 - ТП36 | 0,23 | 70 | 3,105j | 5,0945E-002+9,2E-003j |
| ТП36 - ТП34 | 0,23 | 70 | 3,105j | 5,0945E-002+9,2E-003j |
| ТП34 - ТП31 | 0,45 | 70 | 6,075j | 9,9675E-002+1,8E-002j |
| ГПП - ТП13 | 1,98 | 95 | 30,888j | 0,32274+7,722E-002j |
| ТП13 - ТП12 | 0,39 | 70 | 5,265j | 8,6385E-002+1,56E-002j |
| ТП12 - ТП11 | 0,29 | 70 | 3,915j | 6,4235E-002+1,16E-002j |
| ТП11 - ТП10 | 0,31 | 70 | 4,185j | 6,8665E-002+1,24E-002j |
| ТП10 - ТП9 | 0,22 | 70 | 2,97j | 4,873E-002+8,8E-003j |
На ТП №(137) установлены трансформаторы ТМ – 630/10, таблица 2.2.1. Параметры трансформаторов приведены в таблице 2.5.5[11, таблица 3.5].
















