Курсовой проект вариант 2,3 - Расчет кольцевых пластинок (1094674)
Текст из файла
Московский государственный университет инженерной экологии
Кафедра «Системы автоматизированного проектирования»
Расчетно-проектировочная работа по дисциплине:
"Методы и алгоритмы расчетов на прочность в САПР"
“Расчет кольцевых пластинок”
Вариант №2.3
Студент: Вольнов М.А.
Группа: М-38
Преподаватель: проф.
Луганцев Л.Д.
Москва 2008 г.
Задание
 
 
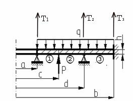
Рис. 1 Схема пластинки
Исходные данные для расчета
Исходные данные для проведения расчета поместим в таблицу 1.
Таблица 1
|   № варианта  |    Нагрузка  |    а, мм  |    с, мм  |    d, мм  |    b, мм  |    h, мм  |  
|   2.3  |    
  |    150  |    300  |    500  |    700  |    8  |  
 E=2
 Мпа;
=0,3;
т=220 Мпа;
nт=1,2.
Выполнить расчет конструкции.
Построить графики радиального и кольцевого изгибающих моментов, углов поворота нормали и прогибов пластинки.
Определить допускаемые значения нагрузки.
Содержание
-  
Расчет конструкции………………………………………………………………..4
-  
Составление расчетной схемы пластинки……………………………………4
 -  
Составление общих уравнений изгиба пластинки…………………………...5
 -  
Определение начальных параметров и опорных реакций…………………...5
 -  
Реализация граничных условий………………………………………………..6
 
 -  
 
2. Определение допускаемых значений нагрузки…………………………………..13
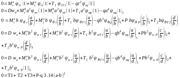
1. Расчет конструкции
-  
Составление расчетной схемы пластинки
 
Составим расчетную схему пластинки (рис.1.1).
Для решения задачи применим метод начальных параметров. В соответствии с этим методом необходимо на расчетной схеме показать участки нагружения, проставить реакции в опорах. В данной задаче пластина имеет три участка нагружения. На рис.1.1 участки нагружения обозначены цифрами:
участок 1: a ≤ r ≤c; участок 2: c≤ r ≤d; участок 3: d≤ r ≤b.
 
 
Рис. 1.1 Расчетная схема пластинки
-  
Составление общих уравнений изгиба пластинки
 
Запишем общие уравнения изгиба данной пластинки в форме метода начальных параметров (1.1)
 
 
-  
. Определение начальных параметров и опорных реакций
 
Определим начальные параметры и опопрные реакции для нашей пластинки. Предварительно составим список неизвестных:
 M
 , M
 , w0, T1, T2,T3.
Получилось шесть неизвестных, следовательно, необходимо сформулировать ровно шесть условий.
1. Граничные условия:
При r = a:
 M
 =0; (1.2)
w0=0 (1.3)
При r = b:
 
 (1.4) 
 
 (1.5) 
2. Уравнения, учитывающие дополнительные связи:
При r = d:
w(d)=0 (1.6)
3. Уравнения равновесия:
Составим уравнение равновесия всех сил в проекции на ось z:
 Fz=0: T1+ T2 +T3+P-q(b-a)=0 (1.7)
Составлено ровно 6 условий.
1.4. Реализация граничных условий
 Найдем неизвестные параметры M
 , M
 , w0, T1, T2, T3. Для этого составим систему (1.8) из шести алгебраических уравнений с шестью неизвестными :
 
 
 
(1.8)
По таблицам находим значения сопровождающих функций:
 
 
 
 
 
 
 
 
 
 
 
 
 
 
 
 
 
 
 
 
 
Подставим значения сопровождающих функций, тогда система примет вид:
 
 
 
(1.9)
Решая систему (1.9), найдем:
 
 
 Подставляем найденные значения в систему (1.1): 
 
По уравнениям (1.10) выполняем расчет пластины для ряда значений координаты r.
Для этого используем программу Mathcad. Нам необходимо ввести полученные уравнения изгиба для нашей пласины в программу, затем ввести аналитические уравнения сопровождающих функций (так как, для большей точности построения графиков, будем брать различные значения значения радиуса r в интервале от 150 мм до 700 мм включительно с шагом 1 мм, то ручной расчет значений сопровождающих функций при таких условиях - трудновыполнимая и долгая операция, по сравнению с компьютерным вычислением) затем построить графики меридионального изгибающего момента, кольцевого изгибающего момента, угла поворота нормали к пластине, прогиба пластины.
Ниже приведен код, показывающий процесс введения в Mathcad уравнений сопровождающих функций для прогиба пластинки и уравнения, описывающего прогиб нашей пластины.
 
 
 
 
 
 
 
 
 
 
 
 
 
 
 
 
 
 
 
 
 
 
 
 
 
 
 
 
 
 
 
 
 
 
 
 
 
 
 
 
 
 
 
 
 
 
 
 
 
 
 
Первый участок
 
 
 
 
 
 
 
 
 
 
 
 
   
Второй участок
 
 
 
 
 
 
 
 
 
 
 
 
 
 
 
 
 
 
 
 
 
Третий участок
 
 
 
 
 
 
 
 
 
 
 
 
 
 
 
 
 
 
 
 
 
 
 
Аналогично вводим формулы для расчета сопровождающих функций для уравнения меридионального изгибающего момента, кольцевого изгибающего момента, угла поворота нормали к пластине, а также, собственно, и сами эти уравнения, описывающие изгиб пластинки.
По результатам расчетов строим графики радиального и кольцевого изгибающих моментов, углов поворота и прогибов пластины соответственно (рис.1.2, 1.3, 1.4,1.5).
 
 
 
 
 
 
 
 
 
 
 
 
 
 
 
 
 
 
 
 
 
 
 
 
 
 
 
 
 
 
 
 
 
 
 
 
r,мм
 Mr/q
 ис.1.2. График радиального изгибающего  
 момента в пластине
r,мм
 Mt/q
 Рис.1.3. График кольцевого изгибающего
момента в пластине
r,мм
 Dφ/q
 Р
 ис.1.4. График углов поворота нормали к
пластине
r,мм
 Dw/q
 ис.1.5. График прогибов в пластине  
 
2. Определение допускаемых значений нагрузки
Опасным сечением пластины является сечение при r = 300 мм. Эквивалентные напряжения по третьей теории прочности в наиболее опасных точках этого сечения:
 
 (2.1)
Условие прочности пластины:
 
 (2.2)
Допускаемая величина силовой нагрузки:
 
 МПа.
Цилиндрическая жесткость пластины:
 
 Нмм, (2.3)
 D = 
  Нмм.
Наибольшие значения угла поворота и прогиба пластины при этой нагрузке:
 
 рад, (2.4)
    
 мм. (2.5)
Характеристики
Тип файла документ
Документы такого типа открываются такими программами, как Microsoft Office Word на компьютерах Windows, Apple Pages на компьютерах Mac, Open Office - бесплатная альтернатива на различных платформах, в том числе Linux. Наиболее простым и современным решением будут Google документы, так как открываются онлайн без скачивания прямо в браузере на любой платформе. Существуют российские качественные аналоги, например от Яндекса.
Будьте внимательны на мобильных устройствах, так как там используются упрощённый функционал даже в официальном приложении от Microsoft, поэтому для просмотра скачивайте PDF-версию. А если нужно редактировать файл, то используйте оригинальный файл.
Файлы такого типа обычно разбиты на страницы, а текст может быть форматированным (жирный, курсив, выбор шрифта, таблицы и т.п.), а также в него можно добавлять изображения. Формат идеально подходит для рефератов, докладов и РПЗ курсовых проектов, которые необходимо распечатать. Кстати перед печатью также сохраняйте файл в PDF, так как принтер может начудить со шрифтами.















