ЛР №11 - Исследование конвективного теплообмена при вынужденном движении газов в трубах (1094479)
Текст из файла
Московский Государственный Вечерний
Металлургический Институт
(МГВМИ)
Лабораторная работа № 11
Тема: «Исследование конвективного теплообмена при вынужденном движении газов в трубах.»
Группа: МО - 97
Студент:
Преподаватель: Могилевский Е. И.
Москва 2000 г.
Введение.
Конвективный перенос тепла осуществляется движущимися макро объемами жидкости, газа, поэтому интенсивность теплообмена зависит от характера движения среды и ее физических свойств. В зависимости от сил, вызывающих движение газов, теплопередача конвекцией рассматривается при свободном и вынужденном движении. В первом случае движение газов происходит под действием внутренних сил, во втором под действием внешних сил.
Вынужденное движение газов по своему характеру может быть ламинарным (Re < 2000) и турбулентным (Re > 104).
О
бласть Re = 2 ∙ 103 – 104 является переходной.
У
дельный тепловой поток конвекцией от какой либо поверхности к движущейся среде (газу) и наоборот обычно определяется по формуле:
Где: tn – средняя температура омываемой поверхности, ºС.
tср – средняя температура омывающей среды, ºС.
αк – коэффициент теплоотдачи конвекцией, который описывает в этом уравнении всю сложность процесса передачи тепла Вт/м2 ∙К.
Величина αк не может быть рассчитана на основании теоретических зависимостей, ее определяют пользуясь экспериментальными данными, представлены в виде критериальных уравнений.
В результате большого кол-ва экспериментальных работ и последующей обработки данных на основе теории подобия для целого рода случаев теплопередачи конвекцией при вынужденном движении воздуха по трубе были получены следующие критериальные уравнения при ламинарном движении воздуха:
N4 = 0,15R0,33 ∙ Cr0,1 (2)
При турбулентном движении воздуха:
N4 = 0,18Re0,8
В этих уравнениях N4 – критерий Нуссельта и находится по формуле:
Критерий Грасгофа находится по формуле:
β = 1/273; g = 9,8 м/с2.
αк – коэффициент теплоотдачи конвекцией от стенки трубы к воздуху
( или на оборот);
λ – коэффициент теплопроводности движущегося в трубе воздуха
(определяется при средней температуре потока), Вт/м2 ∙ К
υ – коэффициент кинематической вязкости воздуха при средней темпе-
ратуре потока м/с2.
Δt – разность температур между слоями воздуха находящимися у стенки и центра. Δt = 30ºС
d – диаметр трубы по которым движется воздух d = 0,015м.
g – ускорение силы тяжести g = 9,8 м/с2
Wср – скорость воздуха в трубе при средней температуре потока, м/с
t
ср = средняя температура потока, ºС
Для переходного режима значения N4 могут быть определены из графиков.
Определив значения N4 можно найти αк по формуле:
Цель работы:
Определение расчетным и опытным путем зависимости αк при вынужденном движении воздуха, а так же сравнение расчетных и экспериментальных данных.
Описание работы.
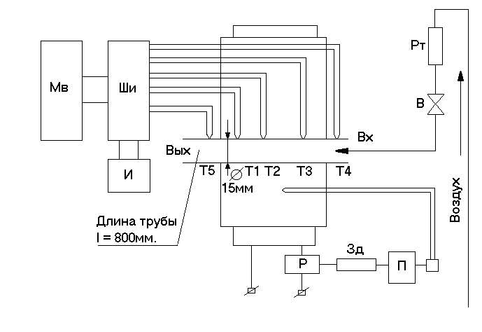
Установка представляет собой горизонтальную трубу с внутренним диаметром d = 0,015м, длиной l = 0,8м, с толщиной стенок
gст = 0,008м, помещенную в печь типа СУОЛ, температура которой поддерживается постоянной при помощи регулятора (Р). Через трубу подается воздух, расход которого измеряется ротолетром (Рт). Температура печи измеряется термопарой, сигнал с которой поступает на милливольтметр, установленный на печи. Температура воздуха на входе и выходе, а так же температура стенок трубы измеряется хромель-алюмелевыми термопарами подключенными через шаговый искатель (переключатель) к милливольтметру (МВ), установленному на пульте управления.
Рис. 1. Схема экспериментальной установки. МВ – милливольтметр, ШИ – шаговый искатель, И – индикаторная лампа, Р – регулятор, Зg – задатчик, П – преобразователь, Рт – ротаметр, В – вентиль.
Расчетная часть.
| Измеряемая величина | Номер замера | |||||||||
| Номер серии | 1 серия | 2 серия | 3 серия | |||||||
| Номер измерения | 1 | 2 | 3 | 1 | 2 | 3 | 1 | 2 | 3 | |
| Тем-ра возд. на вх. Т4 | 20 | 20 | 20 | 20 | 20 | 20 | 20 | 20 | 20 | |
| Тем-ра возд. на вх. Т5 | 190 | 190 | 190 | 200 | 190 | 200 | 200 | 200 | 190 | |
| Тем-ра трубы ºС | Точка 1 | 145 | 150 | 150 | 160 | 170 | 170 | 170 | 180 | 170 |
| Точка 2 | 440 | 440 | 440 | 430 | 420 | 420 | 410 | 400 | 400 | |
| Точка 3 | 380 | 380 | 380 | 360 | 360 | 360 | 350 | 340 | 340 | |
| Расход воздуха м3/ч | 3 | 5 | 6 | |||||||
| Тем-ра печи ºС | 460 | 450 | 420 | |||||||
При расчете определяется кол-во тепла, получаемое воздухом, от нагретой трубы в результате теплообмена конвекцией.
Q = Vвозд (Свых ∙ tвых – Свх ∙ tвх), Вт (4)
Где: Vвозд – расход воздуха, м3/с
Свых , Свх – теплоемкость воздуха, принимаемая равной
Дж/м3 ∙ К; 1,32 ∙ 103 Вт/м2 ∙ К
tвых, tвх – температура воздуха соответственно на выходе и входе трубы, ºС.
Интенсивность теплоотдачи от печи к воздуховоду определяется коэффициентом теплопередачи (К), который находят из уравнения:
Где: Fтр – теплопередающая поверхность трубы; Fтр = 0,038 м2.
tn – температура печи;
Δtлог – средняя логарифмическая разность температур воздуха и печи, ºС.
Коэффициент теплоотдачи конвекцией от внутренней стенки трубы к воздуху αк определяется из соотношения:
Где: α1 – коэффициент теплоотдачи от печи к наружно стенке трубы (м. т. примет равным 2330);
ρст – толщина стенки трубы, равная 0,008;
λст – коэффициент теплопроводности материала из которого изготовлена труба; равный 40,8 Вт/м ∙ К
-
Определяем коэффициент теплоотдачи для 1 серии:
Q = Vвозд (Cвых ∙ tвых - Cвх ∙ tвх) = 0,00083 ∙ 1,32 ∙ 103 (190 – 20) = 186 Вт.
-
Q = 0,00139 ∙ 1,32 ∙ 103 (193 – 20) = 317Вт
-
Q = 0,0017 (196 – 20) 1,32 ∙ 103 = 395Вт
Расчетная часть.
т
. к. известны значения Re и Cr, по графику определяем Nu; Nu = 9. Зная значение Nu , можно найти значение αк.
при tср = 190 + 20 / 2 = 105º.
2. Cr = 0,6 ∙ 104
ρ = 1,77 ∙ 10-4м2
По графику находим значение Nu; Nu = 17.
3. Cr = 0,6 ∙ 104
ρ = 1,77 ∙ 10-4м2
Из графика находим значение Nu; Nu = 19.
Зависимость коэффициента теплоотдачи конвекцией (αк) от скорости воздуха.
| 50 | ||||||||||||||||||||||||
| 40 | ||||||||||||||||||||||||
| 30 | ||||||||||||||||||||||||
| 20 | ||||||||||||||||||||||||
| 10 | ||||||||||||||||||||||||
4 5 6 7 8 9
Скорость воздуха.
Характеристики
Тип файла документ
Документы такого типа открываются такими программами, как Microsoft Office Word на компьютерах Windows, Apple Pages на компьютерах Mac, Open Office - бесплатная альтернатива на различных платформах, в том числе Linux. Наиболее простым и современным решением будут Google документы, так как открываются онлайн без скачивания прямо в браузере на любой платформе. Существуют российские качественные аналоги, например от Яндекса.
Будьте внимательны на мобильных устройствах, так как там используются упрощённый функционал даже в официальном приложении от Microsoft, поэтому для просмотра скачивайте PDF-версию. А если нужно редактировать файл, то используйте оригинальный файл.
Файлы такого типа обычно разбиты на страницы, а текст может быть форматированным (жирный, курсив, выбор шрифта, таблицы и т.п.), а также в него можно добавлять изображения. Формат идеально подходит для рефератов, докладов и РПЗ курсовых проектов, которые необходимо распечатать. Кстати перед печатью также сохраняйте файл в PDF, так как принтер может начудить со шрифтами.
















