Шпаргалочка (1094017), страница 3
Текст из файла (страница 3)
Адсорбенты, как правило, представляют собой порошковые или пористые вещества и материалы с развитой активной поверхностью зёрен или сообщающихся пор внутри материала. В качестве адсорбентов используют активные угли, синтетические сорбенты и некоторые отходы производства (золу, шлаки, опилки и пр.).
Три технологии адсорбционной очистки
Адсорбционную очистку сточных вод осуществляют одним из следующих способов:а) при интенсивном перемешивании адсорбента с водой, б) при фильтровании воды через неподвижный или движущийся слой адсорбента, в) в псевдоожиженном слое. Адсорбционные установки могут быть периодического или непрерывного действия.
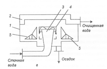
Противоточная технологическая схема
Здесь адсорбент вводят однократно в последнюю ступень, и он движется навстречу сточной воде. Процесс адсорбционной очистки идёт непрерывно при значительно меньшем расходе адсорбента, чем по схеме с последовательным его введением. Однако эта установка дороже и сложнее в эксплуатации.
1 — смесители, 2 — отстойники, 3 — приемники адсорбента, 4 — насосы
Цилиндрический одноярусный адсорбер:
1-колонна,2-воронка,3-труба,
4-решетка,5-сборник
Описание. Активный уголь через воронку по трубе непрерывно поступает под распределительную решетку (диам. отверстий 5…10 мм). Сточная вода захватывает зёрна адсорбента и проходит вместе с ними через отверстия решетки. Над решеткой образуется псевдо-ожиженный слой, в котором идет адсорбционная очистка воды. Избыток угля поступает в сборник, а оттуда на регенерацию. Очищенная вода отводится через желоба в верхней части колонны. Уносимые частицы угля попадают в тот же сборник.
Регенерация адсорбента
Важнейшая стадия адсорбционной очистки сточной воды — регенерация активного угля. Уловленные вещества извлекают из угля десорбцией насыщенным или перегретым водяным паром (200…300 °С, избыточное давление 0,3…0,6 МПа) либо нагретым инертным газом (120…140 °С). Расход пара при отгонке легколетучих веществ составляет 2,5…3 кг на 1 кг отгоняемого вещества, а для высококипящих он в 5…10 раз больше. После десорбции пары конденсируют и ценное органическое вещество извлекают из конденсата.
10.Механические методы очистки.
Конструкции отстойников.
Для удаления суспензий и взвесей из сточных вод используют периодические и непрерывные гидромеханические процессы:
— процеживание,
— гравитационное отстаивание,
— центробежное отстаивание,
— фильтрование.
Выбор метода зависит от размера частиц примесей, физико-химических свойств и концентрации дисперсных частиц, расхода сточных вод и необходимой степени очистки.
Гидромеханические методы не обеспечивают очистку промстоков от нано-коллоидных и растворённых примесей.
Горизонтальный отстойник имеет 2 (или более) параллельных отделения в виде прямоугольных резервуаров глубиной 1,5…4 м, длиной 8…12 м, шириной 3…6
Для равномерного распределения сточной воды служит поперечный лоток.
1 — входной лоток; 2 — отстойная камера; 3 — выходной лоток; 4 приямок
Горизонтальные отстойники рекомендуются при расходах сточных вод свыше 15 000 м3сут–1. Эффективность отстаивания достиг 60 %.
Вертикальный отстойник
1 — цилиндрич часть,2 — центральная труба,3 — желоб, 4 — коническая часть
Вертикальный отстойник это резервуар, цилиндрический или квадратный в плане, с коническим днищем. Сточную воду подводят по центральной трубе. После поступления внутрь отстойника вода движется снизу вверх к желобу. Для лучшего её распределения и предотвращения образования мути труба снабжена раструбом и распределительным щитом.
Частицы твёрдых примесей осаждаются в восходящем потоке воды. Каждая частица увлекается водой вверх, но одновременно под действием силы тяжести должна падать
Радиальный отстойник
1-корпус,2-желоб,3-распределительное устройство,4-успокоительная камера,
5- скребковый механизм
Радиальный отстойник имеет круглый в плане резервуар. Сточная вода движется от центра к периферии, где её скорость минимальна.
Трубчатый отстойник
Сначала проводят отстаивание, затем промывку трубок от осадка. Для успешного осаждения необходимы равномерное распределение воды по трубкам и ламинарный режим течения.
11.Очистка вод в центробежных ап-тах.
Гидроциклоны и центрифуги.
Т
онкодисперсные твёрдые взвеси, характеризующиеся продолжительным временем самостоятельного осаждения, выделяют из сточных вод принудительно, под действием центробежных сил в гидроциклонах, центрифугах и сепараторах.
Гидроциклон
Сточную воду тангенциально подают внутрь гидроциклона. При вращении жидкости под действием центробежной силы внутри гидроциклона образуется ряд потоков. Жидкость, войдя в цилиндрическую часть, приобретает вращательное движение и движется около стенок по винтовой спирали вниз к сливу. Часть ее с крупными частицами удаляется из гидроциклона. Другая часть (осветленная) поворачивает и движется вверх около оси гидроциклона.
В открытом гидроциклоне с внутренним цилиндром и конической диафрагмой сточную воду тангенциально подают в пространство, ограниченное внутренним цилиндром. Поток по спирали движется вверх. Дойдя до верха цилиндра, он разделяется на два потока. Один из них (осветленная вода) движется к центральному отверстию диафрагмы и, пройдя ее, попадает в лоток. Другой поток, с оседающими взвешенными частицами, направляется в пространство между стенками цилиндра и гидроциклона и поступает в коническую его часть.
С
хема: 1 — корпус, 2 — внутренний цилиндр, 3 — кольцевой лоток,4 — диафрагма
Многоярусные гидроциклоны. В многоярусных гидроциклонах рабочий объем разделён коническими диафрагмами на несколько ярусов, каждый из которых работает самосто-ятельно. В этой конструкции использован принцип тонкослойного отстаивания: полнее используется объём аппарата, при одной и той же степени очистки уменьшается время пре-бывания сточных вод в аппарате.
Многоярусный гидроциклон (схема): 1-конические диафрагмы, 2-лоток, 3- водослив, 4-маслосборная воронка,5-распределительные лотки, 6- шламоотводящая щель
Сточная вода из аванкамер через щели поступает в пространство между ярусами, где движется по спирали к центру. При этом твердые частицы осаждаются на нижние диафрагмы ярусов. Осадок сползает вниз и через щели попадает в коническую часть. Осветленная вода поступает в кольцевой лоток.
Центробежное фильтрование достигается подачей разделяемой водной дисперсии во вращающийся перфорированный барабан, обтянутый сеткой или фильтровальной тканью. Осадок остается на стенках барабана. Его удаляют вручную или механическим скребком. Центрифуги бывают периодического или непрерывного действия; горизонтальные, вертикальные или наклонные, они различаются по пространственному расположению главного вала и по способу выгрузки осадка из ротора (ручная, механизированная скребковая, поршневая, шнековая, центробежная).
Горизонтальная шнековая центрифуга ОГШ
5 — шнек; 6 — ротор центрифуги
12/19.Классификация аэротенков.
Аэротенк — это инженерное внутризаводское сооружения для биоочистки промстоков. Представляет собой ж/б аэрируемый резервуар, через который протекает смесь сточной воды с активным илом. Аэрация необходима для насыщения воды кислородом и поддержания ила во взвешенном состоянии.
Обычно аэротенк разделён на две части: регенератор и аэрационную часть, где идёт основной процесс очистки. Регенератор позволяет очищать более концентрированн сточн воды и повысить производительность всего очистного сооружения.
Аэрационная часть представляет собой открытый бассейн с 2-, 3- и 4-коридорными устройствами принудительной аэрации.
Аэротенки подразделяются по :
— по гидродинамическому режиму: на аэротенки-вытеснители, аэротенки-смесители и аэротенки промежуточного типа (с рассредоточенным вводом сточных вод);
— по способу регенерации активного ила: аэротенки с отдельной регенерацией и без неё;
— по нагрузке на активный ил: на высоконагружаемые (для неполной очистки), обычные и низконагружасмые (с продлённой аэрацией);
— по количеству ступеней: 1-, 2- и многоступенчатые;
— по режиму ввода сточных вод: проточные, полупроточные, с переменным рабочим уровнем и контактные;
— по конструкции: аэротэнки-отстойники, аэротэнки-осветлители и т.п.
Аэротенк-вытеснитель
В аэротенках-вытеснителях воду и ил подают в начало сооружения, а смесь отводят в конце. Аэротенк имеет от 1до 4 коридоров. Теоретически режим потока поршневой, без продольного перемешивания. На практике продольное перемешивание всё же происходит. В начале сооружения скорость окисления примесей выше вследствие их повышенной концентрации. Изменение состава смеси по длине аэротенка затрудняет адаптацию ила и снижает его активность. Такие аэротенки применяют для окисления малоконцентрированных вод
Аэротенк-смеситель
В аэротенках-смесителях воду и ил вводят равномерно вдоль длинных сторон коридора аэротенка. Благодаря полному смешению в них сточной воды с илом выравниваются и концентрации ила по длине аппарата, и скорости окисления.
Такие аэротенки служат для очистки концентрированных промстоково ,характеризующихся заметными колебаниями по составу и количеству загрязнений.
Аэротенк с рассредоточенной подачей сточной воды
Сточную воду распределяют по длине аэротенка, а затем отводят с торца. Возвратный ил подают в начало аэротенка. Это вытеснителъно-смесительные сооружения.
13.Классификация биофильтров.
Капельные и высоконагружаемые б.
Аэрофильтры
Биофильтры — это очистные сооружения в виде аппаратов, в корпусе которых размещается кусковая насадка (загрузка) и предусмотрены распределительные устройства для сточной воды. В биофильтрах сточная вода фильтруется через слой загрузки, покрытый плёнкой, содержаащей микроорганизмы, окисляющие органические вещества в воде в процессе питания ими и получения энергии для своей жизнедеятельности.Тем самым органические примеси удаляются из сточной воды. При этом масса активной биоплёнки увеличивается. Отработанная (омертвевшая) биоплёнка смывается протекающей сточной водой и выносится из биофильтра.
Биоплёнка выполняет такие же функции, что и активный ил. Она адсорбирует и перерабатывает биологические вещества сточных вод. Окислительная мощность биофильтров ниже мощности аэротенков.
















