Задание для курсовой работы. Расчёт центробежного насоса (1093913)
Текст из файла
Задание для курсовой работы
"РАСЧЕТ ЦЕНТРОБЕЖНОГО НАСОСА"
по курсу "МЕХАНИКА ЖИДКОСТИ И ГАЗА"
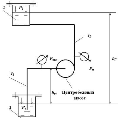
Центробежный насос подает воду с температурой toС и плотностью r из аппарата 1 в аппарат 2. Давление в аппарате 1 - Ра, в аппарате 2 - Рб. Геометрическая высота подъема жидкости - hГ. Длина всасывающего трубопровода - l1, нагнетательного - l2. Шероховатость всех трубопроводов принять D=0,5 мм. Местными сопротивлениями всасывающего трубопровода являются : всасывающая коробка с обратным клапаном E=4,5 ; два плавных поворота на 90оC d/R=1. Местными сопротивлениями нагнетательного трубопровода являются : два плавных поворота на 90oC d/R=1,2; внезапное расширение с f2/f1 = 0. Потерями в переходных конических патрубках на всасывающем и нагнетательном трубопроводах пренебречь.
Определить:
1. необходимый напор насоса;
2. выбрать тип насоса по каталогу и определить диаметр рабочего колеса, обеспечивающий получение требуемого напора;
3. построить характеристику выбранного насоса;
4. пересчитать характеристику насоса на частоту вращения, составляющую 80,90 и 110% от расчетной
и построить полученные характеристики;
5. основные геометрические размеры колеса и спиральной камеры выбранного насоса;
6. допустимую высоту всасывания hвс;
7. мощность электродвигателя и тип электродвигателя по каталогу.
Схема наносной установки
Характеристики
Тип файла документ
Документы такого типа открываются такими программами, как Microsoft Office Word на компьютерах Windows, Apple Pages на компьютерах Mac, Open Office - бесплатная альтернатива на различных платформах, в том числе Linux. Наиболее простым и современным решением будут Google документы, так как открываются онлайн без скачивания прямо в браузере на любой платформе. Существуют российские качественные аналоги, например от Яндекса.
Будьте внимательны на мобильных устройствах, так как там используются упрощённый функционал даже в официальном приложении от Microsoft, поэтому для просмотра скачивайте PDF-версию. А если нужно редактировать файл, то используйте оригинальный файл.
Файлы такого типа обычно разбиты на страницы, а текст может быть форматированным (жирный, курсив, выбор шрифта, таблицы и т.п.), а также в него можно добавлять изображения. Формат идеально подходит для рефератов, докладов и РПЗ курсовых проектов, которые необходимо распечатать. Кстати перед печатью также сохраняйте файл в PDF, так как принтер может начудить со шрифтами.















