Дипломчик (1089131), страница 3
Текст из файла (страница 3)
Этот способ вычисления
приемлем для импульсных ТТЛ и лазеров с модулированной добротностью. В то же время он непригоден, если зависимость степени когерентности от времени задержки имеет сложный характер с множеством экстремумов, как, например, для многомодовых ГЛ, имеющих поликвазнмонохроматический спектр излучения, или если видность интерференционной картины при изменении разности хода изменяется чрезвычайно медленно, как, например, в одночастотных лазерах, где
при
м.
Приближенная оценка больших
часто производится по измеренной ширине сигнала биений
между двумя независимыми одночастотными лазерами, идентичными по конструкции и работающими в одинаковых условиях. В этом случае ширина сигнала биений несет информацию о частотных и фазовых флуктуациях и суммарной технической ширине линии генерации лазеров. При этом под средним временем когерентности понимают
.
Наряду с описанными методами определение
и
в ряде случаев производится расчетным путем, когда измеряются количество одновременно генерируемых линий и типов колебаний их относительные интенсивности, расстояние между ними и флуктуации отдельных частот, и по известным соотношениям, связывающим
со спектральным составом излучения для конкретных моделей лазера, восстанавливается вид функции
, который в свою очередь позволяет вычислить
и
. Однако для такой расчетной оценки
,
,
необходимо гарантировать высокую стабильность энергетических, пространственных и особенно спектральных параметров излучения.
-
Разработка установки для измерения временной когерентности
2.1 Основы теории построения установки
Разрабатываемая установка для измерения временной когерентности будет основываться на интерференционном методе, то есть использоваться интерферометр Майкельсона.
| Рис 2.1 Схема интерферометра Майкельсона |
Случайные функции (световое поле):
Интенсивность мгновенная:
Интенсивность усредненная (фотоприемника):
где
– время реакции фотоприемника.
Подставляем в (2.4) выражения (2.1) и (2.2) получим:
Подставляем в (2.5) выражение (2.6) и получим:
Раскрываем скобки и получаем:
С учетом формул (2.9), (2.10), (2.11), (2.12) получаем:
Нормированный интерференционный член:
Рис 2.2 Интерференционная картина
V=0 V=0.5 V=1
Рис. 2.3 Интерференционная картина при различных значениях видимости
Видимость интерференционной картины определяется:
Чем больше разница между максимальной и минимальной интенсивностями, тем отчетливее интерференционная картина. Отчетливость интерференционной картины количественно характеризуется ее видимостью.
Максимальная видимость (V=1) достигается при
, а минимальная (V=0) – при
, то есть когда интерференционная картина отсутствует.
где
– комплексная степень когерентности, связан с наблюдаемым контрастом интерференционного поля.
Рис. 2.4 График функции временной когерентности
Теорема Винера-Хинчина определяет связь между энергетическим спектром излучения и его корреляционной функцией
Определим
для m частотного излучения опираясь на теорему Винера-Хинчина.
Построим график
для многочастотного излучения
При m=1
Рис. 2.5 График функции временной когерентности одночастотного излучения
При m=2
Рис. 2.6 График функции временной когерентности двухчастотного излучения
При m=3
Рис. 2.7 График функции временной когерентности трехчастотного излучения
2.2 Разработка опто-электронной схемы установки
Рис.2.8 Блок-схема установки
1 – исследуемый полупроводниковый лазер
1’ – исследуемый He-Ne лазер
2 – блок питания лазера
3 – линза
4 – поляризатор
5 – четвертьволновая пластинка
6 – полупрозрачное зеркало (светоделитель)
7 – зеркало
8 – электро-динамический привод
9 – юстировочные винты
10, 10’ – подвижное зеркало (в двух положениях)
11 – фотоприемник
12 – блок питания фотоприемника
13 – апертура фотоприемника
14 – генератор синусоидальных колебаний
15 – осциллограф
Из лазера (1) выходит расходящийся пучок, линзой (3) коллимируем его, то есть делаем параллельным.
Поляризатор (4) и четвертьволновая пластинка (5) образуют оптический вентиль, который препятствует отраженным лучам попадать в резонатор лазера, чтобы не нарушить режим генерации.
Полупрозрачное зеркало (6) делит излучение на два луча. Один луч отражается от подвижного зеркала (10), которое задает запаздывание, а другой от зеркала на электро-динамическом приводе, на которое подается синусоидальное напряжение (это нужно для того что бы промодулировать сигнал) с генератора (14).
Лучи интерферируют на полупрозрачном зеркале и попадают на фотоприемник (11), сигнал с которого подается на осциллограф (15), на который так же подается синхронизация с генератора синусоидальных колебаний (14).
На осциллографе наблюдаем интерференционную картину (чередование темных и светлых полос). Вычисляем максимальное и минимальное значение и находим контраст, поочередно перекрывая зеркала находим интенсивности от них и рассчитываем функцию временной когерентности. Строим график и анализируем его.
Для упрощения юстировки установки можно вместо зеркал поставить триппель-призмы, которые отражают луч в направлении падающего луча, схема установки показана на рис. 2.
Рис.2.9 Блок-схема установки с триппель-призмами
1 – исследуемый полупроводниковый лазер
1’ – исследуемый He-Ne лазер
2 – блок питания лазера
3 – линза
4 – поляризатор
5 – четвертьволновая пластинка
6 – полупрозрачное зеркало (светоделитель)
7 – триппель-призма
8 – электро-динамический привод
9, 9’ – подвижная триппель-призма (в двух положениях)
10 – фотоприемник
11 – блок питания фотоприемника
12 – апертура фотоприемника
13 – генератор синусоидальных колебаний
14 – осциллограф
Используя триппель-призмы вместо зеркал позволяет изменять плечо не нарушая ход лучей.
2.3 Используемые элементы установки
При разработке установки были использованы следующие элементы, которые были мною доработаны:
Рис. 2.10 He-Ne лазер
Параметры:
P = 1 мВт;
= 0,63 мкм;
= 1 мрад;
= 30 см;
= 1,6 ГГц; типы колебаний ТЕМ00, количество 2÷3.
Лазер полупроводниковый
Рис.2.11 Полупроводниковый лазер с блоком питания
P = 5 мВт;
= 0,65 мкм; типы колебаний ТЕМ00, количество 2÷3.
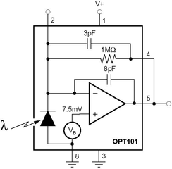
Фотоприемник
| Рис. 2.12 OPT101P | Рис. 2.13 Фотоприемник (1 – микросхема, 2 – выключатель, 3 – блок питания фотоприемника, 4 – выход на осциллограф) |
Ретроотражатели
Рис. 2.14 Ретроотражатели (1 – триппель-призма, 2 – зеркало)
-
Проведение инженерного эксперимента
Для проведения эксперимента была собрана установка (рис. 3.1)
Рис. 3.1 Фотография установки
1 – He-Ne лазер
2 – поляризатор
3 – четвертьволновая пластинка
4 – зеркало на электро-динамическом приводе
















