Лабораторная_работа_ФАПЧ (1088915)
Текст из файла
Лабораторная работа №4.
Исследование систем фазовой автоматической подстройки частоты.
Цель работы: исследование основных характеристик системы фазовой автоматической подстройки частоты (ФАПЧ), полосы удержания, полосы схватывания, статической характеристики управителя, а также формы напряжения на управителе в различных режимах работы системы.
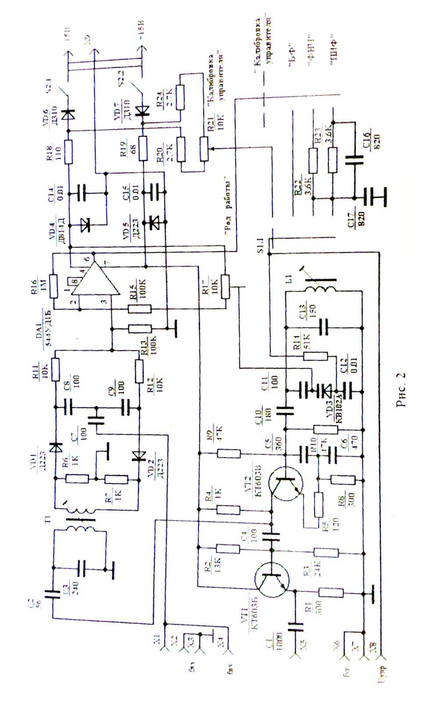
Структурная схема системы ФАПЧ.
Таблица значений снятых в п.п. 3-6 и рассчитанные значения полосы удержания и полосы схватывания.
Собственная частота генератора – 3339,5 кГц.
Осциллограммы напряжений на управителе (п.п. 7-8) :
1. Режим «БФ», F=3506,1 кГц
2. Режим «БФ», F=3291,41 кГц
3. Режим «БФ», F=3268,89 кГц.
4. Режим «БФ», F=3190,74 кГц
5. Режим «БФ», F=3110,19 кГц
6. Режим «ФНЧ», F=3331,52кГц.
7. Режим «ФНЧ», F=3286,9 кГц
8. Режим «ФНЧ», F=3282,6 кГц
9. Режим «ФНЧ», F=3172,99 кГц.
10. Режим «ФНЧ», F=3087,96 кГц
п. 9
Напряжение на управителе в крайних точках полосы удержания
-01,86 В – 3045,66 кГц
+02,09 В – 3268,82 кГц
Таблица значений напряжений на варикапе (статическая характеристика управителя).
Характеристики
Тип файла документ
Документы такого типа открываются такими программами, как Microsoft Office Word на компьютерах Windows, Apple Pages на компьютерах Mac, Open Office - бесплатная альтернатива на различных платформах, в том числе Linux. Наиболее простым и современным решением будут Google документы, так как открываются онлайн без скачивания прямо в браузере на любой платформе. Существуют российские качественные аналоги, например от Яндекса.
Будьте внимательны на мобильных устройствах, так как там используются упрощённый функционал даже в официальном приложении от Microsoft, поэтому для просмотра скачивайте PDF-версию. А если нужно редактировать файл, то используйте оригинальный файл.
Файлы такого типа обычно разбиты на страницы, а текст может быть форматированным (жирный, курсив, выбор шрифта, таблицы и т.п.), а также в него можно добавлять изображения. Формат идеально подходит для рефератов, докладов и РПЗ курсовых проектов, которые необходимо распечатать. Кстати перед печатью также сохраняйте файл в PDF, так как принтер может начудить со шрифтами.
















