КУРСОВИК ПО КТО (1088635)
Текст из файла
Оглавление.
Введение. | ||
| 1. | Выбор схемотехники, уровня технологии и параметров БМК БИС. | |
| 2. | Расчет основных и произвольных компоновочных параметров логической схемы устройства. | |
| 3. | Расчет энергетических характеристик МКМ. | |
| 4. | Выбор система охлаждения МКМ и обоснование требований к элементам его конструкций. | |
| 5. | Описание принципов обеспечения помехоустойчивости конструкции МКМ. | |
| 6. | Расчет конструкции коммутационных элементов. | |
| 7. | Выбор и обоснование общей конструкции МКМ. | |
| 8. | Расчет параметров системного и функционального быстродействия МКМ. | |
| 9. | Выбор и обоснование технических решений по конструкции разъемного соединителя для МКМ. | |
| 10 | Технологическая часть. | |
| 11 | Таблицы расчетов | |
| Заключение. | ||
| Литература. |
Введение.
Темой данного курсового проекта является проектирование быстродействующего обрабатывающего устройства в объеме одного МКМ на бескорпусных БИС.
Актуальность применения МКМ подчеркивает тот факт, что смене поколений СВТ характерны свои принципы проектирования и компоновки элементов и устройств, методы обработки информации, проблемы конструктивно-технологического порядка. Переход к каждому последующему поколению связан с изменением этих принципов и традиций, которые ведут к увеличению быстродействию, надежности, минимизации конструкций и уменьшения стоимости.
1. Выбор схемотехники, уровня технологии и параметров БМК МКМ.
-
Выбор значения М2 и М3
Задано: Nmaxэффек=225000, i=1,2,3,4, МП-принцип, М1=10, М4=36
Расчет:
М1*М2*М3*М4=Nmaxэффек
М1*M4=10*36=360 элэ
M2*M3=Nmaxэффек/(M1*M4)=225000/360=625 элэ
M2*M3=625
Если М2=25, то М3=25
Примем:
М1=10, М2=25, M3=25, M4=36
1.2. Определение максимальной интеграции БИС.
Логические элементы в модулях БИС используются со средней эффективностью равной 0,5. При этом эффективность использования структурных элементов по уровням компоновки равно:
для i=1: ЭЭ1=0,7
для i=2: ЭЭ2=0,8
для i=3: ЭЭ3=0,9
Nmaxmax=Nmaxэффект/Ээф=225000/0.5=450000 элэ
Максимальная интеграция рассчитывается по формулам:
.
Вычислим, сведя результаты в таблицу 1.1:
Табл. 1.1
| Уровень компоновки I | Схемная интеграция | Max интеграция | ||
| Ni | Mi | Nsi | Msi | |
| i=1 | 10 | 10 | 14 | 14 |
| i=2 | 250 | 25 | 434 | 31 |
| i=3 | 6250 | 25 | 12152 | 28 |
| i=4 | 225000 | 36 | 437500 | 36 |
1
.3. Определение уровней полупроводниковой технологии () МКМ
= 10/(N3)1/4 = 10/(6944)1/4 = 1,1 мкм
1.4 . Выбор схемотехники.
Строим МКМ на основе схемотехники КМОП.
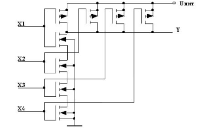
Рис. 1. Принципиальная схема 4-х входового элемента И-НЕ
2. Расчет основных и произвольных компоновочных параметров логической схемы устройства.
Результаты расчетов сведены в таблицу 1:
3. Расчет энергетических характеристик МКМ.
Расчитаем мощность, потребляемую одним ЛЭ, задержку и напряжение
Расчитаем мощность, потребляемую одним ЛЭ, задержку и напряжение
Принимаем UБЛЭ=3,7 в, тогда
Зная, заданную максимальную эффективную интеграцию и энергетические параметры одного ЛЭ, определим параметры всей БИС:
Анализируя параметры рассеивания мощности для КМОП, ТТЛ и ЭСЛ видно, что РТТЛ и РЭСЛ в 5-20 раз выше, чем PКМОП, при этом возникает не решаемая проблема отвода тепла. Следовательно, в качестве схемотехники СБИС выбираем КМОП технологию.
4. Выбор системы охлаждения МКМ и обоснование требований к элементам конструкций.
Из п.3 известно:
PМКМ = 34 Вт
Для выбора системы охлаждения воспользуемся отношением
P / S [ PS ], где
P = PМКМ, Вт;
S - площадь корпуса МКМ, см2;
PS – плотность, Вт / см2 (выбирается по специальной таблице в зависимости от вида системы охлаждения).
Вид Системы Охлаждения Плотность теплового потока, Ps [Вт/см]
Естественная(Воздушная) 0.2
Принудительная воздушная 1.0
Жидкостная система 20
Испарительная система 200
Специальная система >200
Выражая отсюда площадь, получим
S P / PS
Таким образом, площадь корпуса может быть найдена по формуле
S = Lкор2, где
Lкор – сторона корпуса (корпус квадратный).
Подставляя численные значения получим
Lкор =127 мм
Тогда площадь корпуса
S = 9,22 = 161,29 см2
Выберем принудительную воздушная систему охлаждения (PS < 1,0 ).
161,29 34/ 1 161,29 34 (выполняется).
Таким образом, для конструкции МКМ необходима принудительная воздушеая система охлаждения.
5. Описание принципов обеспечения помехоустойчивости конструкции.
Обеспечение помехоустойчивости является одним из самых важных факторов при проектировании устройств ВТ.
Для правильного функционирования МКМ недопустимы даже кратковременные искажения информации, т.к. они приводят к ошибкам в конечных результатах и, как следствие, к потерям машинного времени для повторного вычисления. Причиной разного рода искажений являются помехи.
Помехи, как правило, имеют характер кратковременных импульсов. Различают помехи внешние и внутренние. К внешним относятся помехи от промышленной сети электропитания, сильноточных переключателей, атмосферных осадков. Защита от таких помех осуществляется конструктивно на уровне непосредственно ЭВМ (устройства защиты, стабилизаторы), поэтому непосредственно для МКМ их влияние можно не рассматривать.
К внутренним помехам относятся такие помехи, амплитуда и длительность воздействия которых находятся в прямой зависимости от амплитуды и длительности фронтов сигнала ЛЭ. Предотвращение воздействия таких помех есть прямая задача конструирования непосредственного устройства ЭВМ, в нашем случае МКМ. Внутренние помехи обусловлены:
-
емкостными и индуктивными связями между сигнальными цепями ЛЭ (перекрестные помехи);
-
наличием общих участков цепи схемной «земли», экранов и цепей питания (кондуктивные помехи);
-
неполным согласованием цепей связи, колебательных режимов, резонансных явлений и (колебательные помехи).
Обеспечение помехоустойчивости МКМ достигается конструктивными особенностями, среди которых:
-
одинаковое и достаточное число контактов земли и питания;
-
правильное распределение контактов питания и земли по отношению к сигнальным контактам на корпусе ;
-
правильный выбор топологии и трассировки цепей питания в кристалле;
-
правильная компоновка и трассировка логических цепей в кристалле;
-
правильная развязка цепей питания за пределами корпуса;
Проведем расчет числа контактов питания и земли.
Общее число внешних контактов МКМ может быть рассчитано по формуле:
mобщМКМ=mi+mE0+mE1
где: mi – число внешних связей;
mE0 – число контактов нулевого потенциала;
mE1 – число потенциальных контактов.
Так как mi=mвхi+mвыхi , при этом mвыхi=mi/(Ki+1), где Ki=mвхi/mвыхi, можно записать для КМОП (mE0=mE1=mвыхi/6) следующую формулу:
mобщМКМ=mi+mi/(3*(Ki+1))
Подставляя значения из таблицы, получим:
mобщМКМ= 910,68+910,68/(3*(1+1))=1062 шт
и полагая mE0 = mE1, получим mE0 = mE1=(1062-910)/2 = 152/2=76 шт
Возьмем по 79 выводов на нулевые или потенциальные контакты.
В итоге, mобщмкм=910+76+76=1062
Следует заметить, что часть выводов будет отведена под внутренние соединения (к ОЗУ).
Чтобы избежать наводок со стороны линий питания и земли на логические цепи необходимо равномерно распределить контакты земли и питания по корпусу .
Для обеспечения экранировки и простоты топологии цепи питания и земли выполним сплошными отдельными слоями. Расположение логических цепей по отношению к цепям питания и земли определяют два варианта компоновки цепей в кристалле – с открытым и закрытым структурным звеном.Первый вариант характеризуется лучшим быстродействием, но худшей экранировкой. Второй вариант – наоборот. В силу критерия лучшей помехозащищенности к МКМ выбираем вариант закрытого структурного звена.(см. рис 2)
Логические цепи компонуются по слоям X и Y, причем между слоями в любых направлениях необходимо ввести экраны (земляные слои). Структура конструкции кристалла строится по принципу структурных звеньев.
Для перехода со слоя на слой используем переходные отверстия с обеспечением максимального КПД.
Также необходимо добавить в структуру кристалла специальные разделительные элементы (конденсаторы р-n структуры) для развязки элементов логической схемы по высокой и низкой частоте.
6. Расчет конструкции коммутационных элементов.
6.1 Расчет среднего числа связей в логической цепи
Lкр = 5,6 / = 5,6 / 1,1 = 5 мм
Расчет производим по формулам (5.6), (5.8), (5.9) и сводим в таблицу 3
6.2. Расчет средних длин связей и средних длин логических цепей.
Произведем расчет средней длины связи и средней длины цепи по формулам (6.7) и (6.8) соответственно. При расчете используем интеграцию схемы Nmaxэффект и максимальную интеграцию БМК Nmaxmax, а также значения функционального объема Mi и Msi соответственно.
Размер кристалла Lкр=5 мм, коэффициент k=1/3.
Расчет шага размещения структурных элементов на внутренних уровнях компоновки МКМ ведется исходя из максимального числа элементов на текущем уровне Msi и конечных размерах кристалла.
Характеристики
Тип файла документ
Документы такого типа открываются такими программами, как Microsoft Office Word на компьютерах Windows, Apple Pages на компьютерах Mac, Open Office - бесплатная альтернатива на различных платформах, в том числе Linux. Наиболее простым и современным решением будут Google документы, так как открываются онлайн без скачивания прямо в браузере на любой платформе. Существуют российские качественные аналоги, например от Яндекса.
Будьте внимательны на мобильных устройствах, так как там используются упрощённый функционал даже в официальном приложении от Microsoft, поэтому для просмотра скачивайте PDF-версию. А если нужно редактировать файл, то используйте оригинальный файл.
Файлы такого типа обычно разбиты на страницы, а текст может быть форматированным (жирный, курсив, выбор шрифта, таблицы и т.п.), а также в него можно добавлять изображения. Формат идеально подходит для рефератов, докладов и РПЗ курсовых проектов, которые необходимо распечатать. Кстати перед печатью также сохраняйте файл в PDF, так как принтер может начудить со шрифтами.
















