Курсовик (1088563)
Текст из файла
Министерство образования
Российский Федерации.
Московский государственный институт
Радиотехники, электроники и автоматики.
Курсовая работа
по
схемотехнике
Исполнитель:
студент:
группа: ВРУ – 3 – 03
Руководитель:
Теряев Б.Г.
Москва 2005.
Задание.
Задан транзистор КТ352Б. Выбрать рабочую точку на вольтамперной характеристике и определить для нее комплексные Y – параметры транзистора.
Теоретическая часть.
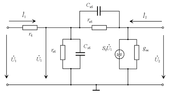
Для определения параметров биполярного транзистора используются различные малосигнальные эквивалентные схемы замещения, представляющие транзистор в виде активного четырехполюсника. Будем рассматривать одну из таких схем, предложенную Джаколетто:
Схема представляет собой активный четырехполюсник, приближенно описывающий свойства биполярного транзистора, включенного по схеме с общим эмиттером. Для данной схемы считается, что амплитуда воздействующего тока изменяется незначительно, а частота может изменяться в пределах от 0 до fT; fT – частота, на которой коэффициент передачи тока, описываемого транзистора, включенного по схеме с общим эмиттером, равен единице. Усилительные свойства транзистора имитируются генератором тока S0U1. Элементами схемы также являются:
rб - объемное дифференциальное сопротивление базы;
rэб - дифференциальное сопротивление открытого эмиттерного перехода;
Cэб – емкость этого перехода;
rкб - дифференциальное сопротивление смещенного в обратном направлении коллекторного перехода;
Cкб – емкость этого перехода;
gэк – проводимость подложки.
Численные значения параметров этих элементов зависят от положения исходной рабочей точки. При работе транзистора в активном режиме выполняется соотношение:
Данный четырехполюсник можно описать матричным уравнением:
Элементы Y – матрицы определяются выражениями:
g11, g12 ,g21, g22 – низкочастотные g-параметры.
- постоянная времени входной цепи транзистора.
Расчетная часть.
Крутизна транзистора:
Статический коэффициент передачи тока:
Низкочастотные g-параметры:
Коэффициент деления резистивного делителя, состоящего из сопротивления rб и резистивной проводимости gбэ внутреннего перехода база – эмиттер:
UT – температурный потенциал,
Из этой формулы выразим объемное сопротивление базы rб через известные параметры:
Найдем частоту единичного усиления:
|h21э| - модуль коэффициента передачи тока на высокой частоте измерения fизм.
|h21э| = 2, fизм = 100 МГц (справочные данные).
f1 = |h21э|* fизм = 2*100 = 200 МГц
Постоянную времени входной цепи найдем по формуле:
Рассчитаем емкость коллекторного перехода для выбранной рабочей точки:
Запишем комплексные Y-параметры в функциях угловой частоты:
Вторичные параметры:
Заключение.
Эквивалентные схемы замещения приборов являются базисом для построения математических моделей, используемых в компьютеризированных системах автоматического проектирования электронных схем. На данный момент разработаны различные математические модели, используемые в компьютерных программах схемотехнического моделирования. В то же время, ни одна модель не может достоверно описывать свойства электронного прибора в широком диапазоне воздействующих токов, напряжений и температур. Поэтому, глубокое понимание принципов работы электронных приборов необходимо для правильного выбора конкретной программы моделирования при разработке определенных видов электронных схем, а также интуитивного анализа достоверности результатов работы схемы, моделируемой при помощи компьютера.
Литература.
-
В.Н. Павлов, В.Н. Ногин. «Схемотехника аналоговых электронных устройств». 3-е изд. – М.: Горячая линия – Телеком, 2005.
-
Степаненко И.П. «Основы микроэлектроники». 2-е изд. – М.: Лаборатория Базовых знаний, 2001.
-
К.М. Брежнева, Е.И. Гантман, Т.И. Давыдова и др.; Под ред. Б.Л. Перельмана. – М.: Радио и связь, «Транзисторы для аппаратуры широкого применения»: справочник, 1982.
Характеристики
Тип файла документ
Документы такого типа открываются такими программами, как Microsoft Office Word на компьютерах Windows, Apple Pages на компьютерах Mac, Open Office - бесплатная альтернатива на различных платформах, в том числе Linux. Наиболее простым и современным решением будут Google документы, так как открываются онлайн без скачивания прямо в браузере на любой платформе. Существуют российские качественные аналоги, например от Яндекса.
Будьте внимательны на мобильных устройствах, так как там используются упрощённый функционал даже в официальном приложении от Microsoft, поэтому для просмотра скачивайте PDF-версию. А если нужно редактировать файл, то используйте оригинальный файл.
Файлы такого типа обычно разбиты на страницы, а текст может быть форматированным (жирный, курсив, выбор шрифта, таблицы и т.п.), а также в него можно добавлять изображения. Формат идеально подходит для рефератов, докладов и РПЗ курсовых проектов, которые необходимо распечатать. Кстати перед печатью также сохраняйте файл в PDF, так как принтер может начудить со шрифтами.
















