Лекция 6 (1087450), страница 2
Текст из файла (страница 2)
Рис. 4. Схема АОСФ (а) и лучевая картина дифракции (б).
Ток ФП I(t) пропорционален интенсивности света, усредненной по площади фотокатода. Можно показать, что ток ФП содержит радиочастотную составляющую с частотой Ω несущего колебания сигнала s(t), которую можно выделить полосовым фильтром, включенным последовательно с ФП. Считая, что сигнал и транспарант пространственно согласованы, т.е. период пространственной несущей транспаранта равен длине волны сигнала (что означает к=K), то в результате математических преобразований можно получить выражение для комплексной огибающей тока ФП (9), представляющее собой функцию свертки комплексных огибающих обрабатываемого и опорного сигналов.
Для получения взаимной корреляционной функции сигналов достаточно изменить направление записи опорного сигнала на противоположное (т.е. просто развернуть транспарант на 180о
что представляет собой корреляционную функцию комплексных огибающих
и
сигналов s(t) и T(x) соответственно.
При соответствующем выборе импульсной характеристики транспаранта, чтобы обеспечивалось пространственное совмещение обеих комплексных огибающих сигналов
и
, можно получить на выходе ФП автокорреляционную функцию комплексной огибающей сигнала
, т.е. реализуется согласованная фильтрация.
Если в схеме на рис. 4 в качестве опорного транспаранта использовать еще один АОМ, то в результате приходим к схеме процессора, называемой конвольвером (рис.5).
В конвольвере выходной сигнал представляет собой радиоимпульс с удвоенной несущей частотой 2Ω. Комплексная огибающая радиоимпульса есть свертка комплексных огибающих входных сигналов.
Рис. 5. Акустооптический конвольвер.
4. Акустооптический анализатор спектра с пространственным интегрированием (АОСПИ)
Спектральный анализ основан на трансформирующих свойствах линзы и представляет собой наиболее естественную процедуру обработки сигналов в оптических системах.
Принцип работы акустооптического анализатора спектра иллюстрируется рис. 6.
Радиочастотный СВЧ-сигнал возбуждает в звукопроводе АОМ акустические колебания, пространственный спектр которых определяется спектром СВЧ-сигнала и передаточной характеристикой электроакустического преобразователя. При освещении АОМ когерентным светом в фокальной плоскости линзы формируется фурье-спектр оптического сигнала, дифрагирующего на АОМ. Каждой фурье-гармонике этого спектра соответствует определенная фурье-компонента спектра анализируемого СВЧ-сигнала. Распределение мощности света в фокальной плоскости линзы, отображающее спектр СВЧ-сигнала, регистрируется, например, с помощью фотоприемника, перед которым располагается сканирующая щель или с помощью линейки фотодиодов.
Рис. 6. Акустооптический анализатор спектра с пространственным интегрированием
1 – АОМ, 2 – сферические (или цилиндрические) линзы, 3 – падающий световой пучок, 4 – дифрагированный световой пучок, 5 – экран с диафрагмой, 6 – фотоприемник.
Основные рабочие характеристики АОСПИ определим, рассматривая в качестве воздействующего сигнала гармоническое колебание с частотой Ω в линейном режиме дифракции. В качестве трансформирующей линзы Л3 будем использовать цилиндрическую линзу. i – угол падения световой волны на входе АОМ, s – угол направления на дифракционный порядок.
Для гармонического воздействия распределение комплексной амплитуды света в фокальной плоскости трансформирующей линзы имеет вид:
где k = 2π/λ; А – коэффициент пропорциональности
Соответствующее распределение интенсивности, регистрируемое фотоприемником, имеет вид:
Входящая в (9) функция [sinc(…)]2 называется аппаратной функцией акустооптического спектроанализатора, она определяет его основные рабочие характеристики: частотное разрешение и полосу анализа.
Ширина главного максимума аппаратной функции по критерию Рэлея (при котором ширина главного максимума определяется по уровню 0,4) составляет:
Частотное разрешение:
Так, например, для АОМ типа ОРТ-1
Полоса анализа (полоса одновременно анализируемых частот) – определяется рабочей полосой частот ΔfАОМ
Разрешающая сила спектроанализатора – количество разрешаемых спектральных составляющих
(для критерия разрешения по Рэлею)
где WАОМ – параметр, называемый базой АОМ.
Например, для АОМ типа ОРТ-1 Nр = 2500.
5. Применение акустооптических процессоров для обработки сигналов фазированных антенных решеток
Акустооптические процессоры для обработки сигналов линейных антенных решеток (АР) используются для определения углового положения цели и одновременного спектрального анализа широкополосных сигналов, принимаемых элементами линейной АР.
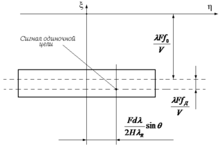
Пример такого процессора, имеющего четыре канала для оценки направления, показан на рис. 7.
Сигналы здесь принимаются антенной решеткой 4, преобразуются в СВЧ - блоке 3 и подаются на АО-процессор, в котором световой луч лазера 1 отклоняется в двух плоскостях с помощью четырехканального АОМ 2 и регистрируется двумерной матрицей фотодетекторов, расположенной в фокальной плоскости. Величина отклонения светового луча по вертикали соответствует частоте принятого сигнала, по горизонтали – пеленгу. На рис. 7б показана область наблюдения выходных сигналов в фокальной плоскости трансформирующей линзы. Здесь приняты следующие обозначения: d – расстояние между элементами АР; F – фокусное расстояние трансформирующей линзы; λ – длина волны света; λR – длина волны принимаемого радиосигнала; V – скорость распространения звуковой волны в АОМ; θ – угол, определяющий направление на источник радиосигнала; f0 = fR – fG - промежуточная частота, близкая к центральной частоте АОМ; fR – частота радиосигнала; fG – частота гетеродина; fД – доплеровский сдвиг частоты.
Выходная дифрактограмма, наблюдаемая в фокальной плоскости трансформирующей линзы, отображает в соответствующем масштабе пространственно-временной спектр принимаемых радиосигналов, т.е. визуализирует угловое и частотное распределения радиоисточников в пространстве.
Рис. 7. Многоканальный АО-анализатор спектра для определения частоты и пеленга (а):
1 - лазер; 2 - многоканальный АОМ; 3 - СВЧ-блок; 4 - антенная решетка;
б – область наблюдения выходных сигналов в фокальной плоскости трансформирующей линзы.
6















