Лекция 2 (1087442), страница 3
Текст из файла (страница 3)
Рис. 15
Равенство (6.1) определяет красную границу фотоэффекта
Примесное поглощение (примесная фотопроводимость) имеет место тогда, когда энергии квантов не хватает для образования электронно-дырочной пары, но ее достаточно, чтобы возбудить примесный атом до состояния, когда образуется свободный электрон и связная дырка или свободная дырка и связный электрон.
Красная граница для п/п материалов
В фотоприемниках с внутренним фотоэффектом используются две формы фотоэффекта:
1. Эффект фотопроводимости
2. Фотогальванический эффект
Эффект фотопроводимости используется в фоторезисторах. Под воздействием падающего на п/п материал оптического излучения (в результате поглощения полупроводником фотонов) в нем образуются дополнительные дырки и электроны (фотоносители), что приводит к уменьшению сопротивления фоторезистора.
Фоторезисторы наиболее простые и дешевые фотоприемники, однако они имеют малую чувствительность и низкое быстродействие.
Фотогальванический эффект возникает в полупроводниках с внутренним потенциальным барьером (например с p-n переходом или с переходом металл-полупроводник). Внутреннее электрическое поле перехода разделяет возникшие под воздействием оптического излучения фотоносители. Пространственно разделенные фотоносители разных знаков (дырки и электроны) создают фотоЭДС.
Рис. 17. Упрощенная структура фотодиода (а) и схема энергетических зон в p-n переходе в отсутствие падающего излучения (б) и при облучении светом (в)
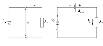
Схемы включения фотодиода (ФД)
Рис. 18. Схемы включения фотодиода.
а – фотогальванический режим; б – фотодиодный режим
Еобр – напряжение источника обратного напряжения
Рис. 19. Вольт-амперные характеристики фотодиода.
2. Основные характеристики ФД
1. Квантовая эффективность (квантовый выход) - отношение среднего числа эмитированных электронов (или других носителей) к среднему числу падающих фотонов.
2. Интегральная (общая) чувствительность Si [отношение среднего тока ФД к среднему значению мощности оптического излучения, падающего на детектор (ед. измерения-А/Вт)].
[А/Вт, А/лм] (1 Вт=683 лм на λ=555 нм).
3. Пороговая чувствительность Pпор (пороговая мощность в единичной полосе частот) определяет уровень мощности светового потока, при котором сигнал на выходе фотодетектора равен среднеквадратическому напряжению шумов (ед. измерения – Вт/Гц1/2).
4. Спектральная характеристика (зависимость квантовой эффективности или чувствительности ФД от длины волны падающего на него монохроматического излучения.
5. Постоянная времени фотодиода (характеризует быстродействие). Определяется временем нарастания фронта импульса. Это время от начала воздействия входного светового потока до момента, когда выходной сигнал ФД достигает 0,63 от максимального значения. (e=2,73; 1/e =0,37)
6. Частотная характеристика (зависимость чувствительности ФД от частоты синусоидальной модуляции интенсивности оптического излучения).
Ширина полосы пропускания f = 0,35/ .
7. Темновой ток (ток ФД при отсутствии внешнего облучения).
3. Основные типы фотодиодов
Основными приемниками излучения в ВОСП являются полупроводниковые фотоприемники на основе кремния и германия: p-i-n фотодиоды и лавинные фотодиоды (ЛФД).
ФД на основе структур типа р+-i-n + , называемых pin-фотодиодами,
i – слой с собственной проводимостью, обладающий большим сопротивлением; р+ и n + – сильно легированные слои р и n – типа.
Преимущество pin-ФД – высокие быстродействие и чувствительность.
Повышенное быстродействие рin-ФД обусловлено малыми величинами барьерной емкости перехода и сопротивления объемов р+ и n + -областей и переходом от процессов диффузии фотоносителей к их дрейфу в сильном электрическом поле.
Высокая чувствительность рin-ФД обусловлена резким снижением потерь фотоносителей, которые происходят в результате процессов рекомбинации.
Типичные характеристики p-i-n фотодиодов
Кремниевые p-i-n фотодиоды: максимальная квантовая эффективность до 90%;
диапазон длин волн 0,4…1,12 мкм; площадь светочувствительного окна 1 мм2; темновой ток 1…100 нА; емкость 1 пф и менее; быстродействие 1 нс и менее.
Германиевые p-i-n фотодиоды: максимальная квантовая эффективность 50-60%;
диапазон длин волн 0,6…1,4 мкм; площадь светочувствительного окна 0,01 мм2; темновой ток 100…1000 нА; емкость 1 пф и менее; быстродействие 0,1 нс.
p-i-n фотодиоды на InGaAs имеют аналогичные характеристики, но диапазон длин волн 1,1 …1,65 мкм.
Быстродействие современных ФД до нескольких ГГц. Чувствительность 0,5…0,9 А/Вт
Лавинные ФД (ЛФД),
ЛФД относятся к ФП с внутренним усилением.
Эффект лавинного умножения заключается в следующем: фотоносители, генерируемые под действием света в области обратносмещенного р-n- перехода, при обратном напряжении, близком к пробивном, приобретают дополнительную энергию, достаточную для ионизации узлов кристаллической решетки с образованием новых электронно-дырочных пар.
Преимущество ЛФД - значительное увеличение чувствительности.
Недостаток более высокий уровень шумов и высокое напряжение питания.
Материалы для ЛФД
| Тип и состав материалов | Si | Ge | InGaAs |
| Напряжение смещения, В | 300 | 30 | 80 |
| Обратный ток, нА | 1–10 | 100–1000 | 100 |
| Фактор усиления, М | 100 | 20 | 15 |
Схемы фотоприемных устройств на основе фотодиодов и операционных усилителей
Рис. 22
Входное сопротивление ОУ при замкнутой петле обратной связи уменьшается и становится равным
где Rо.с. – сопротивление в цепи обратной связи; Ко – коэффициент усиления ОУ при разомкнутой петле ОС.
12















