Optic_lr_metod_1-5 (1087406), страница 2
Текст из файла (страница 2)
7. Ответы на контрольные вопросы (устно).
-
Контрольные вопросы
-
На каких принципах основана работа светодиода?
-
На каких принципах основана работа фотодиода?
-
Чем отличается светодиод от фотодиода?
-
Чем отличается полупроводниковый светодиод от полупроводникового лазера?
-
Как определить квантовый выход светодиода?
-
Как определяется угловая расходимость светодиода?
-
В каких единицах измеряется ослабление мощности излучения светодиода?
-
Как измерить плотность мощности на единицу поверхности?
-
Как изменяется плотность мощности на единицу поверхности от расстояния до светодиода?
-
Каким способом можно уменьшить угловую расходимость светодиода?
-
Как определить качество светодиода по его квантовому выходу?
Лабораторная работа № 2
Исследование диаграммы направленности излучения светодиодов и числовой апертуры волоконных световодов
-
Цель работы
Исследование пространственного распределения излучения светодиодов, полупроводниковых лазеров и волоконных световодов. Определение некоторых характеристик световодов по диаграмме направленности излучения.
2. Особенности пространственного распределения излучения различных источников
В настоящее время в качестве источников света используют: лампы накаливания, газоразрядные лампы, газовые и твердотельные лазеры, полупроводниковые светодиоды и лазеры. Каждый из них имеет характерное угловое распределение излучения. Лампы накаливания и газоразрядные имеют разнонаправленное диффузное излучение. Светодиоды имеют направленное излучение с большой угловой расходимостью. Полупроводниковые лазеры имеют излучение с разной расходимостью по двум осям координат ортогональных к направлению излучения. Газовые лазеры обладают излучением с очень малой расходимостью (рис.1).
Вид источника, характер излучения и его пространственное распределение определяют возможность использования излучения в оптических системах. Так, например, лампы накаливания имеют непрерывное спектральное распределение, соответствующее излучению "черного тела" при температуре равной температуре спирали (≈2700К). Газоразрядные лампы имеют линейчатый спектр излучения. Их излучение является также диффузным, т.е. рассеивается в разные стороны под разными углами. Это затрудняет фокусировку излучения и использование его в спектроанализаторах.
Рис.1. Пространственное распределение излучения лампы (а), светодиода (б), полупроводникового лазера (в), твердотельного или газового лазера (г)
Светодиоды излучают в сравнительно узком спектральном диапазоне 30-50 нм с ярко выраженным цветом (синий, зеленый, желтый, оранжевый, красный). Лазеры имеют когерентное излучение с очень узким спектром излучения (3…5 нм). Существуют так называемые одночастотные лазеры с очень узкой спектральной полосой ≈100 кГц.
Лампы и светодиоды имеют диффузный характер излучения с излучающей поверхности. Это приводит к тому, что оптическая система не позволяет собрать излучение в пятно менее размера излучающей площади.
Излучение лазера обладает пространственной когерентностью (точки поверхности фронта излучения в каждый момент времени находятся на равном удалении от точек поверхности предшествующего момента). Благодаря этому лазерное излучение может быть сфокусировано в пятно соизмеримое с длинной волны излучения.
Количественной характеристикой пространственного распределения излучения от источника является диаграмма направленности излучения (рис. 2), т.е. распределение энергии относительно оси излучения. Обычно у светодиодов излучение имеет вид конуса с круглым сечением. Диаграмму направленности излучения, или распределение энергии относительно оси светодиода, можно измерить фотоприемником. Параметром, характеризующим расходимость излучения, является ширина диаграммы направленности или угол расходимости . Определяется он как угол между касательными к точкам диаграммы соответствующим 1/2 Pmax (рис. 2.).
1/2 Рmax
Рmax
1/2 Рmax
Рис. 2. Распределение энергии излучения световода относительно оси излучения
Излучение, выходящее из любой оптической системы или из волоконного световода также характеризуются расходимостью (или сходимостью) и характеризуют некоторые свойства оптической системы.
Излучение, выходящее из волоконного световода, имеет диаграмму направленности, показанную на рис. 2. Важнейшим параметром волоконного световода (оптического волокна) является числовая апертура (NA), определяемая как NA=sin. С другой стороны, известно, что NA=
, где nс и nоб - показатели преломления сердцевины и оболочки. Используя алгебраические преобразования, найдем: NA=
где
- разница показателей преломления сердцевины и оболочки световода.
Величина NA является важным параметром световода, определяющим допустимые углы ввода излучения в световод.
Величины и NA - характеризуют также устойчивость световода к внешним механическим воздействиям.
-
Описание стенда
Схема стенда представлена на рис. 3.
ИП R1 R2 VD1 МЛ УИ VD2 mA
ОВ
Ш
Рис. 3. Схема стенда для измерения диаграммы направленности и апертуры световода
Схема включает: источник питания ИП, блокировочный резистор R1, регулятор тока R2, светодиод VD1, микролинзу МЛ, оптическое волокно ОВ, штекер с выходным концом волокна Ш, устройство углового измерения УИ, фотодиод VD2, миллиамперметр мА.
-
Задание по лабораторной работе
При проведении лабораторной работы необходимо соблюдать следующую последовательность:
-
Ознакомиться с описанием лабораторной работы, описанием стенда и основными характеристиками светодиода.
-
Осмотреть и определить основные устройства стенда и его контрольно-измерительные приборы.
-
Провести собеседование с преподавателем и ответить на контрольные вопросы.
-
Вывести сопротивление R2 в крайнее левое положение.
-
Включить блок питания и убедиться в его работоспособности по индикаторной лампочке.
-
Провести измерение углового распределения излучения светодиода и построить диаграмму направленности.
-
Определить ширину диаграммы направленности и числовую апертуру световода NA.
-
Рассчитать разницу показателей преломления сердцевины и оболочки Δn световода.
5. Представление результатов
Результаты работы должны быть представлены в следующем виде:
-
Функциональная схема стенда.
-
Диаграммы направленности излучения из световода, светодиода и полупроводникового лазера.
-
Результаты измерения , NA, Δn.
-
Ответы на контрольные вопросы (устно).
6. Контрольные вопросы
-
Какими свойствами обладает излучение от различных источников света?
-
Как экспериментально измерить диаграмму направленности излучения?
-
Какой параметр характеризует расходимость излучения?
-
Чем характеризуется диффузное и когерентное излучение?
-
Какие параметры характеризуют пространственное распределение излучения?
-
Какие технические параметры световода можно определить по распределению излучения в дальнем поле?
-
Как рассчитать разницу показателей преломления n сердцевины и оболочек световода?
-
Каким способом можно уменьшить расходимость излучения?
-
Как определить скорость распространения света в оптическом волокне?
-
От чего зависит апертура оптического волокна?
-
От чего зависит скорость распространения света в оптическом волокне?
Лабораторная работа № 3
Измерение длины оптических волокон
и оптических кабелей
1. Цель работы
Ознакомление с техникой формирования оптических импульсов, методами ввода излучения в оптическое волокно и кабели, методами исследования и измерения параметров выходного импульсного сигнала с помощью осциллографа, методом измерения длины оптического кабеля по времени задержки выходного оптического сигнала относительно импульса на входе.
2. Особенности формирования и исследования импульсных оптических сигналов и метод измерения длины волоконно-оптического кабеля
Оптические волокна широко используются для передачи информационных импульсно-кодовых последовательностей. Преимуществом передачи импульсных сигналов по сравнению с аналоговыми является более высокая помехоустойчивость, надежность воспроизведения информации на выходном конце линии. Формирование оптических импульсов в информационных линиях связи производится с помощью оптоэлектронных передающих модулей с источником излучения в виде полупроводникового лазера и схемой модуляции тока лазера ключевым транзистором.
Передающий оптоэлектронный модуль (ПОМ) питается от источника постоянного напряжения +6В и –6В, которое подается к штырям на задней стенке модуля в соответствии с маркировкой. На задней стенке имеется также штекер для подачи импульсного управляющего напряжения. На лицевой стороне модуля имеется втулка разъема под штекер 2.5 мм, которым, как правило, оконцовывается волокно или оптический кабель. Излучающая площадка светодиода расположена так, что при вводе штекера излучение попадает в сердцевину оптического волокна.
Регистрация импульсных оптических сигналов на выходном конце волокна осуществляется приемным оптоэлектронным модулем (ПРОМ), включающим фотодиод и широкополосный импульсный усилитель. На торцевой части данного модуля имеется втулка под штекер оптического кабеля. При вводе штекера во втулку ПРОМ излучение, выходящее из волокна попадает в центральную часть фотодиода (ФД). На задней панели ПРОМ расположен разъем, для подачи напряжения питания и снятия усиленного сигнала.
В настоящей лабораторной работе передающий и приемный модули используются для измерения длины оптических волокон и кабелей по времени задержки между импульсом, подаваемым на вход волокна, и импульсом, принимаемым ПРОМ на выходе волокна.
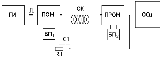
3. Описание стенда
Функциональная схема стенда для измерения длины волокна и кабеля приведена на рис. 1, где приняты следующие обозначения: генератор импульсов ГИ, передающий ПОМ и приемный ПРОМ оптоэлектронные модули, блоки питания модулей БП1 и БП2, оптический кабель ОК, осциллограф ОСц, регулировочное сопротивление R1 и конденсатор C1.
Рис.1. Схема стенда для измерения длины оптического кабеля
Стенд работает следующим образом: генератор импульсов формирует электрические импульсы с задаваемой периодичностью, длительностью и амплитудой. Формируемые электрические импульсы подаются через переменный резистор R1 и конденсатор С1 на осциллограф. Одновременно они преобразуются в ПОМ в оптические импульсы, которые направляются в волоконно-оптический кабель. Прошедшие по кабелю оптические импульсы принимаются приемным оптоэлектронным модулем ПРОМ, где преобразуются снова в электрический импульс, усиливаются и также подаются на осциллограф. На осциллографе наблюдаются одновременно два электрических импульса: от генератора и от прошедшего через кабель оптического импульса.















