форма 51 дз (1087386), страница 4
Текст из файла (страница 4)
Рисунок 2.19. Сигналы переключения профиля дороги (график показывает изменение составляющей ускорения, определяемой профилем дороги)
На каждом из участков значение составляющей ускорения, определяемой профилем дороги, точно соответствует представленной математической модели системы.
В результате моделирования были получены следующие графики поведения системы:
Рисунок 2.20. График колебаний системы на протяженности дороги
На графике можно отметить 3 участка с различным характером колебаний, свойства которых были рассмотрены в пунктах 2.1-2.3. Рассмотрим график изменения скорости колебаний системы при движении по всей протяженности дороги.
Рисунок 2.21. График изменения скорости колебаний системы при движении по всей протяженности дороги.
График изменения скорости колебаний позволяет установить высокочастотный характер колебаний и выделить три участка с различными свойствами колебаний.
Рассмотрим фазовый портрет колебаний системы.
Рисунок 2.22. Фазовый портрет системы при движении на всей протяженности дороги
Фазовый портрет подтверждает гармонический высокочастотный характер колебаний.
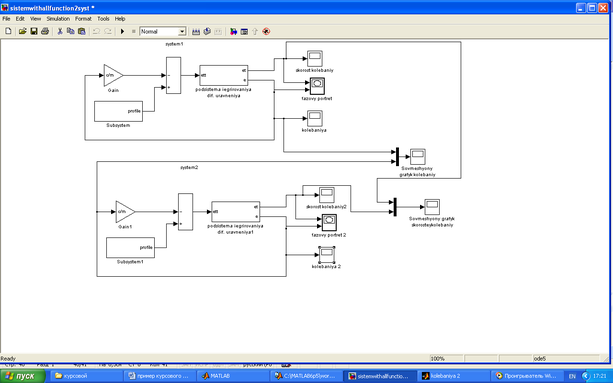
Моделирование движения двух систем «подрессорный груз – колесо».
В соответствии с математической моделью системы разработаем модель ее колебаний при движении по дороге в среде Simulink. Схема моделирования приведена на рисунке 2.23.
Рисунок 2.23. Схема одновременного моделирования двух систем.
Определение профиля дороги для второй системы происходит по схеме, представленной на рисунке 2.24.
Рисунок 2.24. Схема определения профиля дороги для движения 2-й системы
Она отличается от схемы, представленной на рисунке 2.17 измененным параметром времени в блоке If и тем, что подсистема, определяющая экспоненциальный профиль дороги, заменена блоком Ground, исключающим влияние данного профиля на колебания системы. Изменены также параметры блока корректировки (см. рис.2.25).
Рисунок 2.25. Параметры блока корректировки системы 2
График, показывающий корректное переключение системы, приведен на рисунке 2.26.
Рисунок 2.27. Сигналы переключения профиля дороги (график показывает изменение составляющей ускорения, определяемой профилем дороги)
На каждом из участков значение составляющей ускорения, определяемой профилем дороги, точно соответствует представленной математической модели системы.
В результате моделирования были получены следующие графики поведения системы 2:
Рисунок 2.28. График колебаний системы на протяженности дороги
На графике можно отметить 3 участка с различным характером колебаний, свойства которых похожи на рассмотренные в пунктах 2.1-2.3, но отличаются амплитудами, фазами и частотами колебаний, а соответственно и формой их наложения. Рассмотрим график изменения скорости колебаний системы при движении по всей протяженности дороги.
Рисунок 2.29. График изменения скорости колебаний системы при движении по всей протяженности дороги.
График изменения скорости колебаний позволяет установить высокочастотный характер колебаний и выделить три участка с различными свойствами колебаний.
Рассмотрим фазовый портрет колебаний системы.
Рисунок 2.30. Фазовый портрет системы при движении на всей протяженности дороги
Фазовый портрет подтверждает гармонический высокочастотный характер колебаний. На нем хорошо видны 2 отличающихся участка колебаний.
Сравним колебания 2 – х систем. Рассмотрим совмещенный график колебаний обоих систем.
Рисунок 2.31. Совмещенный график колебаний двух систем
На вышеприведенном графике видно, что двукратное увеличение скорости приводит не менее чем к четырехкратному увеличению амплитуды колебаний подрессорного груза.
Рассмотрим совмещенные графики скоростей колебаний двух систем:
Рисунок 2.32. Совмещенные графики скоростей колебаний двух систем
Из вышеприведенного графика видно, что двукратное увеличение скорости движения приводит не менее чем к 8 – кратному увеличению скорости колебаний подрессорного груза.
Список используемой литературы.
-
Herman Mann, Michael Sevcenko. Multipole modeling of multidisciplinary systems. — Website: http://virtual.cvut.cz/course, Czech Technical University in Prague, 2001.
-
Controllab Products B. V. Справочная система программы 20-Sim. — Website: http://www.20sim.com, Netherlands, 2001.
-
Клиначёв Н. В. Моделирование систем в программе VisSim: Справочная система. — Offline версия [vsmhlpru.zip]. — Website: http://vissim.nm.ru/vsmhlpru.zip, http://vissim.nm.ru/help/vissim.htm, Челябинск, 2002.
-
Лазарев Ю. Моделирование процессов и систем в Matlab. Учебный курс. – СПб.: Питер; Издательская группа BHV, 2005.
Искать в Rambler
Искать в Yandex
hh -decompile c:\__\ c:\__\tau_knv.chm
















