форма 5 дз (1087384)
Текст из файла
МОСКОВСКИЙ ГОСУДАРСТВЕННЫЙ УНИВЕРСИТЕТ
ПРИБОРОСТРОЕНИЯ И ИНФОРМАТИКИ
Кафедра ___22.04.01 Информационное обеспечение робототехнических и мехатронных систем
УТВЕРЖДАЮ
Заведующий кафедрой___
_________ (_____________)
«___»_________200__г.
Для студентов 5 курса факультета_ИС
Специальностей ____22.04.01_____
(шифры специальностей )
Задание на индивидуальную домашнюю работу
по 3451 «Моделирование систем»
(шифр и наименование учебной дисциплины)
Обсуждена на заседании кафедры
(предметно-методической секции)
«__»___________200__г.
Протокол № __
МГУПИ – 2007 г.
Задание
В отчете должны быть представлены в соответствии с полученным от преподавателя номером задачи и номером варианта:
-
Описание системы, представленной в задаче;
-
Модель системы, реализованную в подсистеме Simulink пакета Matlab на основе полученного описания;
-
Результаты вычислительного эксперимента и их объяснение.
Задача № 1
Переменная сила Q, изменяющаяся по гармоническому закону (П 1.1) или (П 1.2), передается на фундамент машиной с неуравновешенным ротором (рис. 1).
Рис. 1. Машина с неуравновешенным ротором
где
и
- амплитуда возмущающей силы;
и
- частота возмущающей силы.
Пусть
,
,
,
. Гармонические законы сменяют друг друга с периодом в 50 с. Время моделирования ограничим 100 секундами. Выберем k = 0.4 с
- это собственная частота рассматриваемой системы. Если она не совпадает с частотой возмущающей силы, в данный момент передаваемой на фундамент (то есть
или
), то значение координаты q, по оси которой будут происходить колебания, определяется следующими уравнениями для гармонического закона (П 1.1) –
для гармонического закона (П4.1.2) –
, (П 1.4) где: а = 1 с
- инерционный коэффициент. Начальные условия примем нулевые:
Построить модель данной системы и модель для двух таких машин, работающих одновременно и независимо друг от друга. Вторая машина обладает аналогичным поведением, за исключением того, что переменная сила
для нее задается теми же законами, но с иными параметрами:
где:
и
- амплитуда возмущающей силы;
и
- частота возмущающей силы.
Варианты заданий приведены в таблице 1.
| Номер по журналу | 1 | 2 | 3 | 4 | 5 | 6 | 7 | 8 | 9 | 10 |
| H3, см | 1,5 | 1,6 | 1,7 | 1,8 | 1,9 | 2 | 2,1 | 2,2 | 2,3 | 2,4 |
| H4, см | 6,5 | 6,4 | 6,3 | 6,2 | 6,1 | 6 | 5,9 | 5,8 | 5,7 | 5,6 |
| ω3, с-1 | 0,15 | 0,16 | 0,17 | 0,18 | 0,19 | 0,2 | 0,21 | 0,22 | 0,23 | 0,24 |
| ω4, с-1 | 0,7 | 0,65 | 0,63 | 0,6 | 0,58 | 0,56 | 0,55 | 0,54 | 0,53 | 0,52 |
| Номер по журналу | 11 | 12 | 13 | 14 | 15 | 16 | 17 | 18 | 19 | 20 |
| H3, см | 2,5 | 2,6 | 2,7 | 2,8 | 2,9 | 3,2 | 3,1 | 3,5 | 3,3 | 3,4 |
| H4, см | 5,5 | 5,4 | 5,3 | 5,2 | 5,1 | 4,9 | 4,8 | 4,7 | 4,6 | 4,5 |
| ω3, с-1 | 0,25 | 0,26 | 0,27 | 0,33 | 0,34 | 0,35 | 0,36 | 0,37 | 0,38 | 0,44 |
| ω4, с-1 | 0,46 | 0,45 | 0,44 | 0,43 | 0,42 | 0,4 | 0,39 | 0,38 | 0,37 | 0,7 |
В работе должны содержаться схемы данной системы в среде Simulink, графики колебаний, скоростей колебаний и фазовые портреты колебаний системы под действием каждого из возмущающих воздействий, а также при их переключении. Кроме того, должны быть приведены графики переключения сигналов, демонстрирующие корректное переключение сигналов в момент времени равный 50 секунд.
Задача № 2
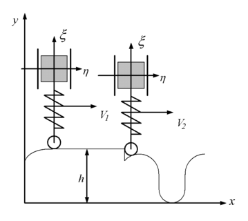
Дан неровный участок со сложным профилем. По нему движутся две идентичные системы, каждая из которых представляет собой подрессорный груз массой m = 0.7 кг, прикрепленный к безотрывно движущемуся с постоянной горизонтальной скоростью
(для первой системы) и
(для второй системы) колесу (рис.2).
Рис.2. Система “подрессорный груз-колесо”
Известно, при скорости
система движется в течение отрезка времени Time
= 20 c по участку, описываемому уравнением (П4.3.1), а далее с периодичностью Time
= 30 c для скорости
и Time
= 27 с для скорости
Профиль участка описывается уравнениями (П 2.2) и (П 2.3) поочередно:
где: h – предел, к которому стремится высота неровности; γ – параметр, характеризующий кривизну профиля;
и
- амплитуды колебаний.
Пусть h = 1 м, γ = 1,
= 0.8 м,
= 0.7 м.
Первая система в начальный момент времени расположена в начале пути, а вторая расположена в начале косинусоидального участка. В начальный момент времени начинает двигаться первая система со скоростью
, а вторая остается на месте. Как только первая система достигает конца экспоненциального участка, начинает свое движение вторая система со скоростью
(где
), и далее обе системы движутся вместе.
Так как
, (где
), дифференциальные уравнения, описывающие вертикальные колебания
(в начальный момент времени отсутствующие) первого груза записываются следующим образом:
для уравнения (П4.3.1) –
для уравнения (П4.3.2) –
для уравнения (П4.3.3) –
где: с – жесткость упругой подвески.
Движение второго груза описывается уравнениями (П 2.5) и (П 2.6) при условии, что
.
Построить модель данной системы, взяв данные из таблицы 2. Время t2' рассчитать по формуле:
| Номер по журналу | 1 | 2 | 3 | 4 | 5 | 6 | 7 | 8 | 9 | 10 |
| v1 | 1 | 1,5 | 2 | 2,5 | 3 | 3,5 | 4 | 4,5 | 5 | 6 |
| v2 | 2 | 2 | 1 | 1,5 | 1,5 | 5 | 2 | 5 | 3 | 3 |
| t1 | 10 | 12 | 14 | 16 | 18 | 20 | 18 | 16 | 14 | 12 |
| t2 | 10 | 12 | 15 | 15 | 20 | 12 | 15 | 10 | 12 | 15 |
Характеристики
Тип файла документ
Документы такого типа открываются такими программами, как Microsoft Office Word на компьютерах Windows, Apple Pages на компьютерах Mac, Open Office - бесплатная альтернатива на различных платформах, в том числе Linux. Наиболее простым и современным решением будут Google документы, так как открываются онлайн без скачивания прямо в браузере на любой платформе. Существуют российские качественные аналоги, например от Яндекса.
Будьте внимательны на мобильных устройствах, так как там используются упрощённый функционал даже в официальном приложении от Microsoft, поэтому для просмотра скачивайте PDF-версию. А если нужно редактировать файл, то используйте оригинальный файл.
Файлы такого типа обычно разбиты на страницы, а текст может быть форматированным (жирный, курсив, выбор шрифта, таблицы и т.п.), а также в него можно добавлять изображения. Формат идеально подходит для рефератов, докладов и РПЗ курсовых проектов, которые необходимо распечатать. Кстати перед печатью также сохраняйте файл в PDF, так как принтер может начудить со шрифтами.
















