форма 51 дз (1087386), страница 2
Текст из файла (страница 2)
Данный график представляет собой производную от функции, приведенной на графике колебаний системы, и имеет общий с ней период изменения 157, 17 сек. 21 полуволн графика скорости колебаний системы получают свое начало в точках пересечения графика колебаний с нулевой осью.
Максимальная скорость колебаний системы 0,89 м/с.
Фазовый портрет колебаний системы представлен на рисунке 1.16.
Рисунок 1.16 Фазовый портрет колебаний системы под действием возмущающей силы Q3
Фазовый портрет колебаний системы показывает, что колебания системы имеют вынужденный незатухающий характер, каждая фаза колебаний содержит 10 волн. Значительное возрастание амплитуды колебаний связано с резонансными явлениями, вызванными близостью частоты собственных колебаний системы и частоты вынуждающей силы.
Моделирование системы под действием возмущающей силы Q4.
Моделирование колебаний системы под действием возмущающей силы Q4 производится по той же схеме, что и под действием возмущающей силы Q1. Единственным отличием будет задание параметров возмущающего воздействия, приведенное на рисунке 1.17.
Все остальные параметры, а также схема моделирования, останутся теми же, что и при моделировании колебаний системы под действием возмущающего воздействия Q1.
Рисунок 1.17 Параметры возмущающего воздействия при моделировании колебаний системы под действием силы Q4
В результате моделирования получены следующие графики колебаний системы.
Рисунок 1.18 График колебаний системы под действием возмущающей силы Q4
Из графика видно, что тело совершает колебания сложной формы со следующими параметрами:
-
общий период повторения Т= 62, 82 сек;
-
колебание сложной формы включает 4 волны;
-
максимальная амплитуда колебания 0,371 м;
-
минимальная амплитуда колебания 0,203м.
Рассмотрим график изменения скорости колебаний системы под действием возмущающей силы Q4, представленный на рисунке 19.
Рисунок 1.19 График изменения скорости колебаний системы под действием возмущающей силы Q2
Данный график представляет собой производную от функции, приведенной на графике колебаний системы, и имеет общий с ней период изменения 62, 82 сек
Максимальная скорость колебаний системы 0,191 м/с.
Фазовый портрет колебаний системы представлен на рисунке 20.
Рисунок 1.20. Фазовый портрет колебаний системы под действием возмущающей силы Q2
Фазовый портрет колебаний системы показывает, что колебания системы имеют вынужденный незатухающий характер, каждая фаза колебаний содержит 4 волны.
Моделирование системы под действием комбинации возмущающих сил Q1 и Q2.
В соответствии с математической моделью системы разработаем модель ее движения, под действием двух возмущающих сил, попеременно сменяющих друг друга, в среде Simulink. Схема моделирования приведена на рисунке 1.21.
Рисунок 1.21 Схема моделирования системы под действием комбинации 2-х возмущающих сил
Блоки возмущающих воздействий задаются так же, как и при моделировании системы с одной возмущающей силой для блоков Q1 и Q2.
Переключение сигналов в момент времени 50 сек. оформлено как подпрограмма. Ее вид приведен на рисунке 1.22.
Рисунок 1.22 Схема подпрограммы переключения возмущающих воздействий Q1 и Q2
Подпрограмма переключения оформлена как блок оператора if посылающий сигналы возмущающих воздействий на сумматор. Главным недостатком данного способа реализации переключения сигналов является то, что в случае, если возмущающая сила Q1 в момент времени равный 50 секунд имеет ненулевое значение, то в дальнейшем это значение продолжает учитываться на сумматоре как постоянная составляющая сигнала. Для устранения этого недостатка в модель введено корректирующее ступенчатое воздействие, параметры которого приведены на рис.1.23.
Время включения воздействия принято равным 50 сек. Амплитуда воздействия равна величине возмущающего воздействия Q1 в момент времени 50 сек.
Рисунок 1.23 Параметры корректирующего воздействия
При моделировании системы получен следующий график, иллюстрирующий переключение сигналов возмущающих воздействий Q1 и Q2.
Рисунок 1.24. График переключения сигналов возмущающих воздействий
Все остальные параметры останутся теми же, что и при моделировании колебаний системы под действием возмущающего воздействия Q1.
В результате моделирования получены следующие графики колебаний системы.
Рисунок 1.25. График колебаний системы под действием двух возмущающих сил Q1 и Q2
Из графика видно, что тело совершает сложные колебания, для которых не представляется возможным определить период переключения. Заметно, что в момент времени, равный 50 сек, частота и амплитуда колебаний резко изменяются.
Рассмотрим график изменения скорости колебаний системы под действием комбинации возмущающих сил Q1 и Q2 , представленный на рисунке 1.26.
Рисунок 1.26. График изменения скорости колебаний системы под действием двух возмущающих сил Q1 и Q2
Данный график представляет собой производную от функции, приведенной на графике колебаний системы. Скорость колебаний системы так же значительно изменяется в момент времени 50 сек.
Максимальная скорость колебаний системы 0,231 м/с.
Фазовый портрет колебаний системы представлен на рисунке 1.27.
Рисунок 1.27. Фазовый портрет колебаний системы под действием двух возмущающих сил Q1 и Q2
Из графика видно, что фазовый портрет системы колебаний системы под действием попеременно сменяющих друг друга возмущающих воздействий Q1 и Q2 является комбинацией неполных фазовых портретов колебаний системы под отдельным действием возмущающих воздействий Q1 и Q2 с обрывом в зоне значений скоростей и амплитуд колебаний, достигаемых к моменту времени 50 сек.
Моделирование системы под действием комбинации возмущающих сил Q3 и Q4.
Моделирование колебаний системы будем производить по той же схеме, что и для комбинации возмущающих сил Q1 и Q2, изменив лишь параметры возмущающих воздействий и параметры блока корректировки в подпрограмме переключения сигналов возмущающих воздействий. Вид параметров изменяемых блоков приведен на рисунках 1.28 и 1.29.
Рисунок 1.28 Параметры блоков возмущающих воздействий при моделировании колебаний системы под действием переменной возмущающей силы Q3 и Q4
Рисунок 1.29 Параметры блока корректировки
При моделировании системы получен следующий график, иллюстрирующий переключение сигналов возмущающих воздействий Q3 и Q4.
Рисунок 1.30 График переключения сигналов возмущающих воздействий
В результате моделирования получены следующие графики колебаний системы.
Рисунок 1.31 График колебаний системы под действием двух возмущающих сил Q3 и Q4
Из графика видно, что тело совершает сложные колебания, для которых не представляется возможным определить период переключения. В момент времени, равный 50 сек. заметно изменение частоты колебаний.
Рассмотрим график изменения скорости колебаний системы под действием комбинации возмущающих сил Q3 и Q4 , представленный на рисунке 1.32.
Рисунок 1.32 График изменения скорости колебаний системы под действием двух возмущающих сил Q3 и Q4
Данный график представляет собой производную от функции, приведенной на графике колебаний системы.
Максимальная скорость колебаний системы 0,759 м/с.
Фазовый портрет колебаний системы представлен на рисунке 1.33.
Рисунок 1.33. Фазовый портрет колебаний системы под действием двух возмущающих сил Q3 и Q4
Из графика видно, что фазовый портрет системы колебаний системы под действием попеременно сменяющих друг друга возмущающих воздействий Q3 и Q4 является комбинацией неполных фазовых портретов колебаний системы под отдельным действием возмущающих воздействий Q3 и Q4 с обрывом в зоне значений скоростей и амплитуд колебаний, достигаемых к моменту времени 50 сек.
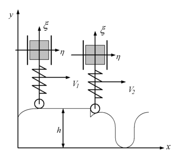
Описание задачи 2.
Дан неровный участок со сложным профилем. По нему движутся две идентичные системы, каждая из которых представляет собой подрессорный груз массой m = 0.7 кг, прикрепленный к безотрывно движущемуся с постоянной горизонтальной скоростью
(для первой системы) и
(для второй системы) колесу (рис.2.1).
Рис.2.1. Система “подрессорный груз-колесо”
Известно, при скорости
система движется в течение отрезка времени Time
= 20 c по участку, описываемому уравнением (П 3.1), а далее с периодичностью Time
= 30 c для скорости
и Time
= 27 с для скорости
Профиль участка описывается уравнениями (П4.2.2) и (П4.2.3) поочередно:















