Вариант4 (1087276)
Текст из файла
1. Что такое интегральная схема. Что такое степень интеграции. Что такое БИС(большая интегральная схема) и БГИС( большая гибридная интегральная схема)
2. Из приведенных технологических операций выделить лишь те, которые относятся к изготовлению тонкопленочных ГИС( гибридных интегральных схем):
Термовакуумное испарение Катодное распыление
Ионно-плазменное распыление(трехэлектродная система)
Диффузия
Фотолитография
Маскирование
Эпитаксия
Монтаж дискретных компонентов
3. Что такое фотолитография
4. Какая технологическая операция эпитаксиально планарной технологии ответственна за размерность?
Маскирование
Фотолитография
Термическая диффузия
Эпитаксия
5. На рисунке 1 изображена структура биполярного интегрального транзистора изготовленная по эпитаксиально-планарной технологии. Какие из указанных областей сделаны диффузионными какие эпитаксиальными?
При ответе дать областям названия.
6. Что такое слой 6 на рисунке. Для чего он нужен?
7. На рисунке изображен МОП транзистор с индуцированным n каналом. Привести последовательность технологических операций планарной технологии для получения такой структуры
8. В чем состоит идея технологии самосовмещения (или самосовмещенного затвора) и какие задачи улучшения параметров МОП транзисторов она решает
9. Какую логическую функцию выполняет элемент “ИЛИ”
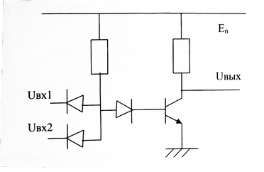
10. Какую логическую функцию выполняет приведенная на рисунке логика. Как она называется.
Характеристики
Тип файла документ
Документы такого типа открываются такими программами, как Microsoft Office Word на компьютерах Windows, Apple Pages на компьютерах Mac, Open Office - бесплатная альтернатива на различных платформах, в том числе Linux. Наиболее простым и современным решением будут Google документы, так как открываются онлайн без скачивания прямо в браузере на любой платформе. Существуют российские качественные аналоги, например от Яндекса.
Будьте внимательны на мобильных устройствах, так как там используются упрощённый функционал даже в официальном приложении от Microsoft, поэтому для просмотра скачивайте PDF-версию. А если нужно редактировать файл, то используйте оригинальный файл.
Файлы такого типа обычно разбиты на страницы, а текст может быть форматированным (жирный, курсив, выбор шрифта, таблицы и т.п.), а также в него можно добавлять изображения. Формат идеально подходит для рефератов, докладов и РПЗ курсовых проектов, которые необходимо распечатать. Кстати перед печатью также сохраняйте файл в PDF, так как принтер может начудить со шрифтами.
















