3 (1087234)
Текст из файла
Лабораторная работа М-6
Исследование КМОП-инвертора.
Наиболее перспективной областью применения МОП-транзисторов в интегральных схемах являются устройства с дополнительной симметрией, т.е. устройства, содержащие на одной подложке транзисторы n- и p- типа проводимости канала. Подобные схемы называют комплиментарными МОП-схемами (КМОП).
Схема1.
На схеме1 приведена схема КМОП-инвертора, являющаяся основной более сложных интегральных схем.
В статическом состоянии КМОП-инвертора из двух последовательно включенных транзистора один всегда открыт, другой заперт, по цепи источник питания общая точка схемы ток не протекает, следовательно, не потребляется мощность от источника питания.
Мощность потребляется только в течение переходных процессов (во время переключения транзисторов). Потребляемая мощность прямо пропорциональна частоте переключения инвертора.
Отсюда ясно, что основным преимуществом КМОП-устройств является малая потребляемая мощность.
Цель работы: Ознакомление с принципом действия КМОП-инвертора и снятие его основных характеристик.
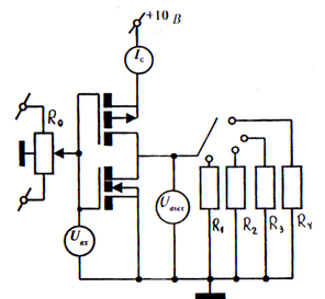
Схема2. Для исследования КМОП-инвертора.
| Uвх.,В | 0 | 0,5 | 1 | 1,5 | 2 | 2,5 | 3 | 3,5 | 4 |
| Uвых.,В | 8 | 6 | 3 | 0,8 | 0,6 | 0,4 | 0,2 | 0,13 | 0,1 |
Uвых
| Ic | 2 | 5 | 4 | 3 | 2 | 1 | 0,8 | 0,5 | 0 |
| Uвх.,В | 0 | 1 | 2 | 3 | 4 | 5 | 6 | 7 | 8 |
| P | 20 | 50 | 40 | 30 | 20 | 10 | 8 | 5 | 0 |
P
Uвх
При Uвх = -5В
| Rн ,Ом | 0,5 | 1 | 5 | 10 |
| Uвых.,В | 5 | 6,6 | 8,9 | 10 |
При Uвх = -7В
| Rн ,Ом | 0,5 | 1 | 5 | 10 |
| Uвых.,В | 5,2 | 7,1 | 9,1 | 10 |
При Uвх = -10В
| Rн ,Ом | 0,5 | 1 | 5 | 10 |
| Uвых.,В | 5,6 | 7,2 | 9,2 | 10 |
Uвых
Rн
Характеристики
Тип файла документ
Документы такого типа открываются такими программами, как Microsoft Office Word на компьютерах Windows, Apple Pages на компьютерах Mac, Open Office - бесплатная альтернатива на различных платформах, в том числе Linux. Наиболее простым и современным решением будут Google документы, так как открываются онлайн без скачивания прямо в браузере на любой платформе. Существуют российские качественные аналоги, например от Яндекса.
Будьте внимательны на мобильных устройствах, так как там используются упрощённый функционал даже в официальном приложении от Microsoft, поэтому для просмотра скачивайте PDF-версию. А если нужно редактировать файл, то используйте оригинальный файл.
Файлы такого типа обычно разбиты на страницы, а текст может быть форматированным (жирный, курсив, выбор шрифта, таблицы и т.п.), а также в него можно добавлять изображения. Формат идеально подходит для рефератов, докладов и РПЗ курсовых проектов, которые необходимо распечатать. Кстати перед печатью также сохраняйте файл в PDF, так как принтер может начудить со шрифтами.
















