Lab1 (1086831)
Текст из файла
МГТУ МИРЭА
| ЛАБОРАТОРНАЯ РАБОТА №1 |
| по дисциплине |
| Устройства генерирования и формирования сигналов |
| на тему |
| « Исследование режимов работы транзисторного |
| усилителя мощности » |
| Выполнил студент 4-го курса | |
| Проверила: | |
| Ендовицкая Л.Г. |
Москва 2011
Цель работы: изучить зависимость формы коллекторного тока и тока базы транзистора от режима его работы.
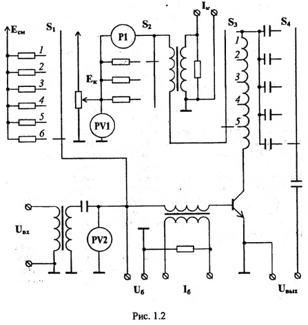
Описание лабораторной установки
Структурная схема установки
Принципиальная схема установки
Исследование режимов работы усилителя мощности от
сопротивления нагрузки при Θ=80o
1. p=0.2; Ik=3,7 mA; Uвых=1,6 В; P0=88.8 мВт; P1=5,92 мВт; η==0,067
2. p=0.4; Ik=3,5 mA; Uвых=4,4 В; P0=84 мВт; P1=15,4 мВт; η=0,18
3. p=0.6; Ik=3,15 mA; Uвых=8,8 В; P0= 75,6 мВт; P1=27,72 мВт; η=0,37
4. p=0.8; Ik=2,0 mA; Uвых=9,7 В; P0=48 мВт; P1= 19,4 мВт; η=0,4
5. p=1; Ik=1,4 mA; Uвых=11 В; P0=33,6 мВт; P1=15,4 мВт; η=0,46
| Граничный режим при p=0.6 | |
| Недонапряженный режим при p=0.4
| Перенапряженный режим при p=0.8
|
| Перенапряженный режим при p=0.2
| Перенапряженный режим при p=1
|
Исследование режимов работы усилителя мощности при изменении напряжения питания
1. Ek=14 В; Ik=2,0 mA; Uвых=4.5 В
2. Ek=24 В; Ik=3,15 mA; Uвых=7 В
3. Ek=30 В; Ik=3,7 mA; Uвых=8.2 В
Исследование режимов работы усилителя мощности
при изменении напряжения возбуждения
| 1. при пониженном напряжении возбуждения | 2. при повышенном напряжении возбуждения |
|
|
|
Динамическая характеристика усилителя мощности
| граничный режим при p=0,6 | |
| недонапряженный режим при p=0,4 | перенапряженный режим при p=0,8 |
| недонапряженный режим при p=0,2 | перенапряженный режим при p=1 |
Вывод: В данной лабораторной работе была исследована зависимость формы коллекторного тока и тока базы от изменения: сопротивления нагрузки, амплитуды напряжения возбуждения, напряжения питания и напряжения смещения.
Характеристики
Тип файла документ
Документы такого типа открываются такими программами, как Microsoft Office Word на компьютерах Windows, Apple Pages на компьютерах Mac, Open Office - бесплатная альтернатива на различных платформах, в том числе Linux. Наиболее простым и современным решением будут Google документы, так как открываются онлайн без скачивания прямо в браузере на любой платформе. Существуют российские качественные аналоги, например от Яндекса.
Будьте внимательны на мобильных устройствах, так как там используются упрощённый функционал даже в официальном приложении от Microsoft, поэтому для просмотра скачивайте PDF-версию. А если нужно редактировать файл, то используйте оригинальный файл.
Файлы такого типа обычно разбиты на страницы, а текст может быть форматированным (жирный, курсив, выбор шрифта, таблицы и т.п.), а также в него можно добавлять изображения. Формат идеально подходит для рефератов, докладов и РПЗ курсовых проектов, которые необходимо распечатать. Кстати перед печатью также сохраняйте файл в PDF, так как принтер может начудить со шрифтами.
















