lr_04and06 (1086830)
Текст из файла
МОСКОВСКИЙ ИНСТИТУТ РАДИОТЕХНИКИ И АВТОМАТИКИ (ТЕХНИЧЕСКИЙ УНИВЕРСИТЕТ)
Лабораторные работы
по предмету
УСТРОЙСТВА ГЕНЕРАЦИИ
И
ФОРМИРОВАНИЯ СИГНАЛОВ
Выполнил:
ст. гр. ВРУ-3-02
Проверил:
Ендовицкая Л.Г.
2005
Лабораторная работа № 4
“Частотная модуляция в автогенераторах на транзисторах”
Цель работы
Изучить способы осуществления частотной модуляции, статические характеристики и спектральный состав частотно-модулированного сигнала.
Описание лабораторной установки
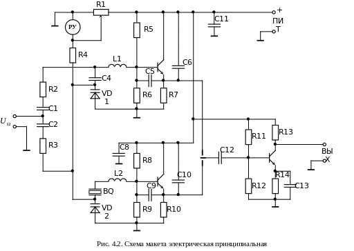
Структурная схема лабораторной установки приведена на рис. 4.1, а принципиальная схема макета на рис. 4.2.
Схема (рис. 4.2) содержит два автогенератора, эмиттерный повторитель и УВЧ. Оба автогенератора построены по емкостной трехточечной схеме на транзисторах VT1 и VT2 с ОК. Частота колебаний LC-генератора и кварцевого генератора может изменяться при подаче соответственно на VD1 и VD2 некоторого обратного напряжения. Выходные напряжения от автогенераторов подаются на измерительные приборы через эмиттерный повторитель VT3.
Экспериментальные данные
1) Снять зависимость
, данные показаны в таблице 4.1. Статическая модуляционная характеристика показана в виде графика на рис. 4.3.
Таблица 4.1.
| 0 | 1 | 2 | 3 | 4 | 5 | 6 | 7 | 8 | 9 | 10 | |
| 7,82 | 7,90 | 7,96 | 8,01 | 8,05 | 8,08 | 8,11 | 8,14 | 8,17 | 8,19 | 8,22 | |
| 9,002 | 9,003 | 9,003 | 9,003 | 9,004 | 9,004 | 9,004 | 9,004 | 9,004 | 9,004 | 9,005 |
2) Наблюдение спектра частотного модулятора при изменении модулирующей частоты и модулирующего напряжения. Спектр наблюдали на экране анализатора спектра, все графики спектра показаны на рис. 4.4 – 4.8 в одном масштабе.
| F = 3000 кГц U = 0,5 В Рис. 4.4 | |
| F = 3000 кГц U = 2,0 В Рис. 4.5 | |
| F = 10000 кГц U = 2,0 В Рис. 4.6 | |
| F = 10000 кГц U = 7,0 В Рис. 4.7 | |
| F = 15000 кГц U = 7,0 В Рис. 4.8 | |
Выводы
-
Частотный модулятор с кварцем имеет значительно меньшую модуляционную характеристику, что объясняется высокой стабильностью кварцевого резонатора.
-
Частотный модулятор с LC контуром легко позволяет легко осуществлять частотную модуляцию при помощи варикапа в LC цепи.
-
При увеличении модулирующего напряжения или частоты модулирующего сигнала увеличивается и спектр радиосигнала.
Лабораторная работа № 6
“Исследование импульсных модуляторов”
Цель работы
Изучить физические процессы в модуляторах с емкостным накопителем и накопителем в виде искусственной длинной линии, зависимость формы напряжения при нагрузке от режима работы и параметров схем импульсных модуляторов.
Описание лабораторной установки
В работе используются два модулятора – с емкостным накопителем и накопителем на длинной линии. Лабораторный макет показан на рис. 6.1.
Экспериментальные данные
1) Подключить генератор и осциллограф к импульсному модулятору с емкостным накопителем. Установить параметры импульсного модулятора:
,
,
. Установить значение зарядного сопротивления
,
, нагрузочное сопротивление
. После данной подготовки исследовать влияние на форму и амплитуду выходных импульсов изменение:
– зарядных сопротивлений (рис. 6.2 – 6.5)
– зарядных емкостей (рис. 6.6 – 6.8)
– длительности запирающего сигнала (рис. 6.9 – 6.12)
– сопротивлений нагрузки (рис. 6.13 – 6.17)
2) Исследовать влияние изменения параметров при работе с длинной линией (рис. 6.18 – 6.28)
– исследование влияния сопротивления нагрузки (рис. 6.23 – 6.28)
Все данные представлены ниже в виде графиков рис. 6.2 – 6.28.
| Рис. 6.2. Переключатель S2 в положение 2 | |
| Рис. 6.3. Переключатель S2 в положение 3 | |
| Рис. 6.4. Переключатель S2 в положение 4 | |
| Рис. 6.5. Переключатель S2 в положение 5 | |
| Рис. 6.6. Переключатель S2 в положение 3 Переключатель S3 в положение 3 Переключатель S1 в положение 1 | |
| Рис. 6.7. Переключатель S2 в положение 3 Переключатель S3 в положение 3 Переключатель S1 в положение 2 | |
| Рис. 6.8. Переключатель S2 в положение 3 Переключатель S3 в положение 3 Переключатель S1 в положение 3 | |
| Рис. 6.9. | |
| Рис. 6.10. | |
| Рис. 6.11. | |
| Рис. 6.12. | |
| Рис. 6.13. Переключатель S3 в положение 1 | |
| Рис. 6.14. Переключатель S3 в положение 2 | |
| Рис. 6.15. Переключатель S3 в положение 3 | |
| Рис. 6.16. Переключатель S3 в положение 4 | |
| Рис. 6.17. Переключатель S3 в положение 5 | |
| Рис. 6.18. Переключатель S1 в положение 1 | |
| Рис. 6.19. Переключатель S1 в положение 2 | |
| Рис. 6.20. Переключатель S1 в положение 3 | |
| Рис. 6.21. Переключатель S1 в положение 4 | |
| Рис. 6.22. Переключатель S1 в положение 5 | |
| Рис. 6.23. Переключатель S2 в положение 1 | |
| Рис. 6.24. Переключатель S2 в положение 2 | |
| Рис. 6.25. Переключатель S2 в положение 3 | |
| Рис. 6.26. Переключатель S2 в положение 4 | |
| Рис. 6.27. Переключатель S2 в положение 5 | |
| Рис. 6.28. См. рис. 6.27. В данном случае более широкая развертка. | |
Характеристики
Тип файла документ
Документы такого типа открываются такими программами, как Microsoft Office Word на компьютерах Windows, Apple Pages на компьютерах Mac, Open Office - бесплатная альтернатива на различных платформах, в том числе Linux. Наиболее простым и современным решением будут Google документы, так как открываются онлайн без скачивания прямо в браузере на любой платформе. Существуют российские качественные аналоги, например от Яндекса.
Будьте внимательны на мобильных устройствах, так как там используются упрощённый функционал даже в официальном приложении от Microsoft, поэтому для просмотра скачивайте PDF-версию. А если нужно редактировать файл, то используйте оригинальный файл.
Файлы такого типа обычно разбиты на страницы, а текст может быть форматированным (жирный, курсив, выбор шрифта, таблицы и т.п.), а также в него можно добавлять изображения. Формат идеально подходит для рефератов, докладов и РПЗ курсовых проектов, которые необходимо распечатать. Кстати перед печатью также сохраняйте файл в PDF, так как принтер может начудить со шрифтами.
















