Инструкция по работе с Electronics Workbench (1086634), страница 2
Текст из файла (страница 2)
2.9.5. кнопка
и компонент Seven-Segment Display – семисегментный индикатор, параметры которого задаются с помощью соответствующего диалогового окна.
2.10. Строка группы INSTRUMENTS и некоторые компоненты
2.10.1. кнопка
и компонент Multimeter – тестер, параметры которого задаются с помощью соответствующего диалогового окна;
2.10.2. кнопка
и компонент Function Generator – функциональный генератор, параметры которого задаются с помощью соответствующего диалогового окна;
2.10.3. кнопка
и компонент Oscilloscope – осциллограф, параметры которого задаются с помощью соответствующего диалогового окна;
2.10.4. кнопка
и компонент Bode Plotter – графопостроитель, параметры которого задаются с помощью соответствующего диалогового окна.
2.11. Строка группы MISCELLANEOUS и некоторые компоненты
2.11.1. кнопка
и компонент Fuse – предохранитель, максимальный ток которого задается с помощью соответствующего диалогового окна;
2.11.2. кнопка
и компонент DC Motor – электродвигатель постоянного тока, параметры которого задаются с помощью соответствующего диалогового окна.
-
Составление схем и моделирование их работы
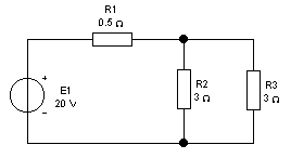
3.1. Составление простейших электрических схем постоянного тока.
Рассмотрим эту процедуру на примере:
Дана схема, состоящая из одного последовательно включенного резистора
R1= 0,5 Ом и двух параллельно включенных R2=R3= 3 Ома, которая питается от источника постоянной ЭДС 20 В.
Задание: Построить и рассчитать схему. Проверить на модели все токи и напряжения.
-
I шаг-моделирование идеального источника постоянной ЭДС 20 В (r = 0) .
В строке основных групп компонентов отыскиваем группу Sources
и нажимаем на кнопку
.
Открывается строка компонентов этой группы,
в ней находим кнопку
и удерживая ее мышкой переносим на экран. На экране
появляется 1-ый компонент схемы
, который редактируем с помощью диалогового окна, нажимая правую кнопку мыши.
Используя Component Properties, открываем следующее окно.
В нем устанавливаем необходимое напряжение и даем обозначение.
В результате на экране получаем источник постоянной ЭДС 20 В.
-
II шаг-моделирование трех резисторов 0,5Ом, 3,0Ома и 3,0Ома.
В строке основных групп компонентов отыскиваем группу Basic
и нажимаем на кнопку
.
Открывается строка компонентов этой группы,
в ней находим кнопку
и удерживая ее мышкой переносим на экран три резистора по очереди.
На экране появляются три остальных компонента схемы,
которые редактируем с помощью диалогового окна.
Меняем величину сопротивления всех трех резисторов, обозначаем их и поворачиваем второй и третий с помощью команды
.
В результате на экране получаем источник постоянной ЭДС и три резистора подготовленные для соединения в схему
.
-
III шаг-соединение компонентов в схему.
Для соединения компонентов проводниками нужно подвести указатель мыши к выводу компонента. При этом на выводе появляется черная точка. Нажав на левую кнопку мыши, нужно переместить ее указатель к выводу компонента, с которым нужно
соединиться.
Например:
Соединяя таким образом все компоненты, получаем расчетную схему.
2
3
3.1.4. IV шаг-расчет токов и напряжений в схеме.
Для расчета воспользуемся методом эквивалентных преобразований.
Согласно теоретическим представлениям эквивалентное сопротивление будет:
Далее рассчитываем токи I1, I2 и I3
И наконец, рассчитываем напряжение U23
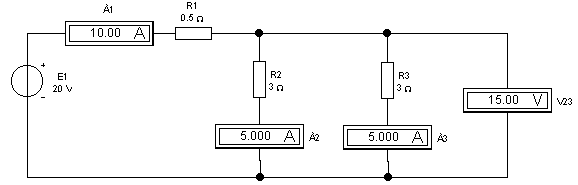
3.1.5 Vшаг-моделирование вольтметра, трех амперметров и их соединение в схему.
В строке основных групп компонентов отыскиваем группу Indicators
и нажимаем кнопку
.
Открывается строка компонентов этой группы,
и в ней с помощью кнопок
и
вызываем на экран вольтметры и амперметры.
На экране получаем один вольтметр и три амперметра
.
Редактируем типы измерительных приборов, их обозначения и расположение на схеме аналогично предыдущим компонентам с помощью диалоговых окон.
Увеличивая размеры расчетной схемы так, чтобы измерительные приборы поместились в ней, получаем схему для моделирования.
2
3
-
VI шаг-включение схемы для моделирования и получение результатов.
Нажав в правом верхнем углу клавишу
, получаем показания приборов.
2
3
Остановка процесса осуществляется с помощью той же клавиши
.
-
Если необходим реальный источник постоянного напряжения (r 0), то можно составить схему из идеального источника ЭДС E1 и резистора r и выделить эту схему в виде специальной электрической цепи.
Для этого нажимаем кнопку
и появляется диалоговое окно Subcircuit ,
в котором редактируем данную электрическую цепь.
Сначала необходимо ввести имя цепи, например Er, затем скопировать eё по команде Copy from Circuit.
В результате в строке основных групп компонентов схем под кнопкой
, где хранятся все специальные цепи, появляется новый компонент.
Теперь нажав на нее, получаем предварительное окно
и затем, придерживая с помощью мышки кнопку
, получим список специальных цепей
.
В этом списке выбираем необходимый компонент, например Subcircuit “Er”, по команде Accept получаем специальную цепь
, которая представляет реальный источник постоянного напряжения E1=20 В с внутренним сопротивлением r = 20 Ом.
-
Поскольку в данной программе не предусмотрен ваттметр, то его также собирают в виде специальной схемы и помещают под кнопкой
.
При необходимости с помощью этой кнопки вызываем предварительное окно
и затем, придерживая с помощью мышки кнопку
, получим список специальных цепей
.
В этом списке выбираем необходимый компонент, например Subcircuit
“wattmetr”, нажимаем кнопку Accept и получаем специальную цепь,
которая встраивается специальным образом в схему для измерений. Так как у ваттметра нет собственного индикатора показаний, то используется вольтметр, который присоединяется к дополнительным выводам прибора. Показания в вольтах в этом случае надо считать как ватты.
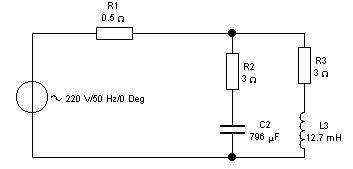
3.2. Составление простейших электрических схем переменного тока.
Рассмотрим эту процедуру на примере:
Дана разветвленная схема переменного тока, состоящая из резисторов R1= 0,5 Ом, R2=R3= 3 Ома, конденсатора С2= 796 мкФ и индуктивности L3= 12,7 мГн, которая питается от источника переменного напряжения 220 В и частотой 50 Гц.
Задание: Построить и рассчитать схему. Проверить на модели все токи, напряжения и мощность.
-
I шаг-моделирование источника переменного напряжения 220 В и частотой 50 Гц.
В строке основных групп компонентов отыскиваем группу Sources
и нажимаем на кнопку
.
Открывается строка компонентов этой группы,
в
ней находим кнопку
и удерживая ее мышкой переносим на экран.
На экране появляется 1-ый компонент схемы,
который не требует редактирования.
-
II шаг-моделирование трех резисторов 0,5 Ом, 3,0 Ом и 3,0 Ом, конденсатора
796 мкФ и индуктивности 12,7 мГн.
В строке основных групп компонентов отыскиваем группу Basic
и нажимаем на кнопку
.
Открывается строка компонентов этой группы,
в
ней находим кнопки
,
и
, удерживая мышкой кнопки переносим на экран резисторы, емкость и индуктивность по очереди.
На экране появляются остальные компоненты схемы,
которые редактируем с помощью диалогового окна.
Изменяем сопротивления всех трех резисторов, емкость конденсатора и индуктивность катушки, обозначаем и поворачиваем изображения элементов.
В результате на экране получаем источник переменного напряжения, три резистора, конденсатор и индуктивность, подготовленные для соединения в схему
-
III шаг-соединение компонентов в схему.
Расчетную разветвленную схему получаем, соединяя все компоненты.
3.2.4. IV шаг-расчет токов, напряжений и мощности в схеме.
Для расчета воспользуемся методом эквивалентного сопротивления в комплексном виде. Сначала рассчитаем реактивные сопротивления
Затем комплексные сопротивления ветвей
Далее сопротивление двух параллельных ветвей и эквивалентное сопротивление цепи:
И, наконец, рассчитываем токи, напряжения и мощность:
Определяем активную мощность цепи согласно известной формуле
3.2.5 Vшаг-моделирование вольтметра, трех амперметров и ваттметра и их соединение в схему.
В строке основных групп компонентов отыскиваем группу Indicators
и нажимаем кнопку
.
Открывается строка компонентов этой группы,
и в ней с помощью кнопок
и
вызываем на экран вольтметры и амперметры.
















