ПрЗан1ОУ (1086633)
Текст из файла
ПРАКТИЧЕСКОЕ ЗАНЯТИЕ 1
Расчет и моделирование электронных схем на ОУ, используемых в интерфейсе между аналоговыми датчиками и ПЛК
Масштабирующие преобразователи применяются для приведения выходного сигнала первичного измерительного преобразователя (датчика) к стандартному уровню для дальнейшего преобразования в цифровую форму и обработке в микропроцессорных системах управления. Такие преобразователи по существу являются усилителями, которые преимущественно выполняются на ОУ в интегральном исполнении, при этом чаще всего используются три схемы включения ОУ, показанные на рис. 3 – 5.
Инвертирующий и неинвертирующий усилитель
Задание 1. Собрать усилитель. Варианты смотри в конце лаб. работы.
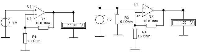
Усилитель на рис. 3. называется инвертирующим по той причине, что на его выходе сигнал находится в противофазе с входным. Его выходное напряжение определяется формулой
а б
Рис. 3. Инвертирующий усилитель
Вывод формулы:
Д
ля данных на схеме имеем
Моделирование в интегрированном пакете «Electronics Workbench» подтверждает это.
а б
Рис. 4. Неинвертирующий усилитель
Вывод формулы для неинвертирующего усилителя (рис. 4):
Расчет:
и моделирование совпадают.
Ч
астным случаем неинвертирующего усилителя является повторитель напряжения (рис. 5) с единичным коэффициентом передачи; он обладает весьма высоким входным сопротивлением и используется для согласования высокоомных датчиков с последующими низкоомными преобразователями.
Рис. 5. Повторитель
Сумматоры
Задание 2. Собрать сумматор. Подобрать резисторы для получения нужной суммы. Варианты смотри в конце лаб. работы.
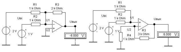
К базовым аналоговым вычислительным устройствам относятся сумматоры. Они используются в различных измерительных преобразователях и корректирующих звеньях, а также при моделировании систем управления. Как правило, эти устройства выполняются на базе ОУ по схеме инвертирующего усилителя, обеспечивающего максимальную точность.
Схема двухвходового сумматора представлена на рис. 6, а. Каждый вход сумматора соединяется с инвертирующим входом ОУ через резистор R1=R2. Инвертирующий вход называется суммирующим узлом, поскольку суммируются все входные токи и ток обратной связи. Как и в обычном инвертирующем усилителе, напряжение на инвертирующем входе равно нулю, следовательно, равен нулю и ток, втекающий в ОУ. Таким образом,
а) б)
Рис. 6. Сумматор инвертирующий (а) и неинвертирующий (б) с усилителем
Для рис. 6, б :
(4)
Компаратор
Задание 3. Собрать триггер Шмитта (компаратор с гистерезисом)
Варианты смотри в конце лаб. работы. Нарисовать петлю гистерезиса.
Компаратор является одним из важнейших элементов преобразовательной техники, в частности, аналого-цифровых преобразователей, систем предельного контроля и т.п.
Простейший компаратор (рис. 8) состоит из ОУ без обратной связи, опорное напряжение Un подается на неинвертирующий вход ОУ, а на инвертирующий вход поступает суммарный входной сигнал Uвх' от источника помехи (шум) Uш и входного сигнала Uвх.
При Uвх' >Un на выходе компаратора устанавливается напряжение питания ОУ Uвых= -Uпит (отрицательное). В противоположном случае (Uвх'<Un) получаем Uвых= Uпит.
Р
ис. 8. Компаратор напряжения
Если напряжение Uвх', поступающее на вход компаратора, содержит помеху Uш, то, как видно из осциллограмм на рис. 8, это приводит к ложным срабатываниям. Для их предотвращения применяют цепь положительной обратной связи, за счет которой часть выходного напряжения подается на неинвертирующий вход. Такой компаратор называется компаратором с гистерезисом ( или триггер Шмита), его принципиальная схема показана на рис. 9, а передаточная характеристика сигналов — на рис. 10.
При введении в схему элементов положительной обратной связи (делитель на резисторах Rl, R2) изменяется опорное напряжение. При высоком уровне выходного напряжения +Uпит опорное напряжение Un возрастает на величину ΔU1=(Uпит-Un)Rl/(Rl+R2).
Р
ис. 9. Компаратор с гистерезисом
Рис. 10. Передаточная характеристика компаратора с гистерезисом
В результате компаратор будет переключаться из состояния с высоким уровнем выходного напряжения при новом значении Un' = Un+ ΔU1. Как только входное напряжение Uвх превысит опорное напряжение Un' (точка В на рис. 10), выходное напряжение компаратора начнет уменьшаться и через резистор R2 передаваться на неинвертирующий вход, стимулируя дальнейшее падение выходного напряжения. За счет положительной обратной связи этот процесс происходит лавинообразно, и компаратор быстро переключается в противоположное состояние (точка С на рис. 10). Поскольку на выходе компаратора действует теперь напряжение Uвых=-Uпит, на его вход по цепи обратной связи передается напряжение ΔU2=-(Uпит+Un)Rl/(Rl+R2). В этом случае устанавливается новое опорное напряжение для состояния с низким выходным уровнем (точка D на рис. 10): Un'=Un+ΔU2.
Ширина петли гистерезиса 2ΔU изменяется варьированием коэффициента передачи делителя на резисторах Rl, R2.
| ФИО студента | № вар | Лабораторная работа по ОУ | ||
| Зад 1 Uвых | Зад 2 Uвых | Зад 3 R1 | ||
| АНДРЕЕВ П. И. | 1 | 2 | 1 | 2 |
| БЛАЖНОВ Э. Е. | 2 | 3 | 9 | 4 |
| БОРЖАНСКАЯ А. А. | 3 | 4 | 12 | 5 |
| ГЕРАСИМОВА О. Г. | 4 | 5 | 15 | 8 |
| ГОРБАЧЕВ Д. М. | 5 | 6 | 18 | 10 |
| ГОРНОСТАЕВ А. С. | 6 | 7 | 21 | 2 |
| ДЕГТЕРЕВ В. Ю. | 7 | 8 | 24 | 4 |
| ЕГОРОВ А. А. | 8 | 9 | 1 | 5 |
| ЗАКАТОВА Т. А. | 9 | 10 | 9 | 8 |
| КЛОЧКОВА Е. А. | 10 | 11 | 12 | 10 |
| КУЗНЕЦОВ А. В. | 11 | 12 | 15 | 2 |
| МАСЛОВ А. Е. | 12 | 13 | 18 | 4 |
| МИХЕЕВ В. О. | 13 | 14 | 21 | 5 |
| МОСТОВЕНКО А. И. | 14 | 15 | 24 | 8 |
| ОХРИМЕНКО А. С. | 15 | 16 | 1 | 10 |
| ПАВЛОВСКИЙ В. В. | 16 | 17 | 9 | 2 |
| ПЕТРОЧЕНКОВ М. В. | 17 | 18 | 12 | 4 |
| ПРОКОФЬЕВ А. В. | 18 | 19 | 15 | 5 |
| СЕМИЛЕТОВ Р. К. | 19 | 20 | 18 | 8 |
| СМИРНОВ А. А. | 20 | 21 | 21 | 10 |
| ТОПС А. В. | 21 | 22 | 24 | 2 |
| ТРАВКИН П. Е. | 22 | 23 | 12 | 4 |
| ХРЕНОВ А. А. | 23 | 24 | 15 | 5 |
| ШАМШУРИНА М. А. | 24 | 25 | 18 | 8 |
| АРХИПОВ А. А. | 25 | 26 | 1 | 10 |
| БУРЬЯНОВ А. В. | 26 | 27 | 9 | 2 |
| ЗОЛОТОВ С. С. | 27 | 28 | 12 | 4 |
| КОРОЛЕВ А. И. | 28 | 29 | 15 | 5 |
| КРУТИКОВ А. Н. | 29 | 30 | 18 | 8 |
| КРУЧЕНКОВ В. А. | 30 | 31 | 21 | 10 |
| ЛЕОНИДОВ И. А. | 31 | 32 | 24 | 2 |
| МАСКАЕВ М. А. | 32 | 33 | 1 | 4 |
| НОВИКОВ А. А. | 33 | 34 | 9 | 5 |
| ОВЧАРОВ С. В. | 34 | 35 | 12 | 8 |
| ПЕТРОЧЕНКО И. К. | 35 | 36 | 15 | 10 |
| ПЕТРУХИН А. Е. | 36 | 37 | 18 | 2 |
| РОМАНОВ А. В. | 37 | 38 | 21 | 4 |
| ЯШИН С. В. | 38 | 39 | 24 | 5 |
Характеристики
Тип файла документ
Документы такого типа открываются такими программами, как Microsoft Office Word на компьютерах Windows, Apple Pages на компьютерах Mac, Open Office - бесплатная альтернатива на различных платформах, в том числе Linux. Наиболее простым и современным решением будут Google документы, так как открываются онлайн без скачивания прямо в браузере на любой платформе. Существуют российские качественные аналоги, например от Яндекса.
Будьте внимательны на мобильных устройствах, так как там используются упрощённый функционал даже в официальном приложении от Microsoft, поэтому для просмотра скачивайте PDF-версию. А если нужно редактировать файл, то используйте оригинальный файл.
Файлы такого типа обычно разбиты на страницы, а текст может быть форматированным (жирный, курсив, выбор шрифта, таблицы и т.п.), а также в него можно добавлять изображения. Формат идеально подходит для рефератов, докладов и РПЗ курсовых проектов, которые необходимо распечатать. Кстати перед печатью также сохраняйте файл в PDF, так как принтер может начудить со шрифтами.
















