Раздел 2 лекции (1085182), страница 5
Текст из файла (страница 5)
(схема разделения диапазона от fн до fв на VII поддиапазонов)
Переключение поддиапазона вместо Р, настроенных на fн или fв могут подключаться другие резонаторы. Предусмотрены следующие поддиапазоны: I,II,III,IV,V,VI,VII
При перестройке одного из этих поддиапазонов, эффективность помехи увеличивается в 2 или 3 раза:
-
Работа 2-х полукомплектов в одном поддиапазоне – каждый литер станции состоит из двух полукомплектов, включающих в себя все кроме АНТ и работающих на общую АНТ. При этом способе среднее время воздействия увеличивается в 2 раза.
-
Формирование узкополосного спектра; при подавлении высокопотенциальных РЛС или РЛС, находящихся на небольшой дальности, условие K ≥ Кп может не выполняться.
С помощью переключателей У-Ш, спектр помехи можно сузить примерно в 3 раза, соответственно увеличивается спектр, плотность мощности помехи и величина K.
-
При наличии аппаратуры «Карамель», станция может формировать помехи на фиксированных частотах.
-
Формирование помехи на одной из десяти фиксированных частот.
-
СВК станции «Азалия».
Обеспечивает контроль основных параметров станции при предполетной подготовке и в ходе полета.
Контролируемые параметры:
-
работа станции в заданном диапазоне частот - контролируется по поочередному появлению сигналов на резонаторах верхней и нижней границы выбранного диапазона;
-
мощность помехового сигнала - контролируется с помощью измерителя проходящей мощности, расположенного в направленном отражателе, косвенный контроль производится по температуре датчика;
-
ширина спектра помехового сигнала - контролируется по наличию помехового сигнала и уровня модулирующего напряжения (с выхода ГВЧШ);
-
Изделие «Смальта-У» (ЛО01). Назначение и ТТД.
Предназначено для защиты самолетов фронтовой авиации путем формирования активных ответных помех РЛС ОНЦ из зон, расположенных вне зоны поражения ЗРК противника. Размещается на борту вертолёта МИ-8СМВ.
(схема с участием самолета МИ-8СМВ, расположенного все зоны действия ЗРК)
Таблица 3. Основные ТТД станции "Смальта-У".
| Диапазон длин волн | см |
| Чувствительность ПРМ | не хуже 90 дБ/Вт |
| Мощность ПРД | 200 Вт |
| ДНА | 4 –х лепестковая (ϴ°аз ≅ 5.5°; ϴ°ум ≅ 9°, ϴ°Р ≅22.5°) |
| Ширина спектра помехи | НИ – 60…80 кГц ИИ – 0,3…3 МГц |
| Количество РЛС подавления | до 2 РЛС с НИ и до 8 с ИИ |
| Питание | 27В; Pпот ~ 5кВт 220В (400 Гц) Pпот ~ 8кВА |
| Масса | 1 т |
-
Работа станции в режиме ретрансляции.
При подавлении РЛС с непрерывным излучением, станцию можно рассматривать как активный ретранслятор. Имеются 4 одинаковых канала усиления. На каждом борту вертолета имеются ПРМ и ПРД антенны. В зависимости от направления полета они переключаются с помощью антенного переключателя (АП).
ПРМ АНТ состоит из 4 рупоров, сигнал на которых фокусируется диэлектрической линзой. В зависимости от направления прихода сигнала, поступающего на один из входных рупоров. Сигнал, приходящий из рупоров, обрабатывается входным УВЧ и поступает на промежуточный УВЧ, в котором осуществляется его модуляция по фазе. Ширина спектра UМОД составляет несколько кГц. Затем сигнал поступает на один из 4 входных рупоров диаграммообразующей системы (ДОС).
ДОС имеет 4 входных и 4 выходных рупора, между которыми установлены рассеивающая диэлектрическая линза. Сигнал рассеянной линзы попадает на все 4 выходных рупора ДОС. При этом внутри ДОС, сигнал до 4 выходных рупоров проходит путь разной длины, вследствие чего сигнал на выходе ДОС различен по фазе. Сигналы с выхода ДОС попадают на фазовращатели, компенсирующие пройденный путь, усиливается выходным УВЧ и подаются на 4 рупора выходной АНТ (ПРД АНТ). ПРД АНТ представляет собой ФАР. Геометрические соотношения в ДОС выбраны таким образом, что образующиеся разности фаз меж соседними рупорами ПРД АНТ обеспечивают формирование волнового фронта, распределенного в направлении, строго противоположном падающей волне. Свойство обратимости АНТ–ДНА – это соответствие сигналов на прием и передачу. Применение ДОС обеспечивает участие в формировании помехового сигнала всех выходных УВЧ, что повышает энергетический потенциал помехи в 4 раза.
При наличии 2-х сигналов, благодаря принципу суперпозиции, обеспечивается подавление обеих РЛС.
УВЧ, входящие в состав тракта ретрансляции, построены на ЛБВ. ЛБВ представляет собой СВЧ прибор, обеспечивающий усиление сигнала, амплитудную или фазовую модуляцию. Помимо ЛБВ применяются СОВЧ и СОН.
PВЫХ ≅ 100Вт.
-
Работа станции в режиме генерации.
При подавлении РЛС с импульсным излучением, для формирования маскирующей помехи её необходимо излучать не только во время существования импульса, но и во время паузы между ними. Для этого необходимо воспроизводить импульсы на частоте облучающей РЛС. Эту задачу решает система определения и воспроизведения частоты.
При приеме импульсных сигналов, через коммутатор сигналы всех каналов ретрансляции подаются на «Размножитель сигнала 4х8». В нем сигналы всех 4 каналов суммируются и подаются одновременно на 8 выходов. Сигналы с выхода размножителя подаются на 8 одинаковых линеек СОВЧ. В каждой линейке СОВЧ независимо от других реализуется поиск сигнала по частоте с помощью перестраиваемого гетеродина.
5 мая.
Принцип действия ФАР.
На вибраторы, рупоры поступают сигналы с одинаковой частотой, отличающиеся определенным набегом фаз. С помощью КОМ1, сигналы подаются на нижнюю часть схемы, где происходит запоминание частоты (суммирование).
Размножитель сигналов 4х8 + схема определения и воспроизведения частот образуют систему определения и воспроизведения частоты (СОВЧ).
Суммированный сигнал подаётся на 8 линеек СОВЧ. В каждой линейке СОВЧ – беспоисковое определение частоты.
Для ускорения поиска по частоте, она осуществляется в 2 этапа:
-
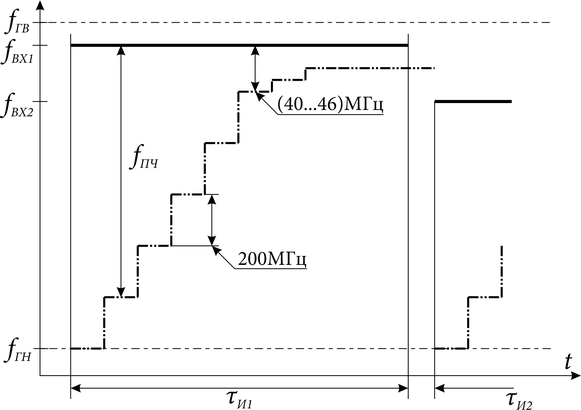
На первом этапе грубого поиска гетеродин перестраивается дискретно на ΔfГ I = 200 МГц до тех пор, пока промежуточная частота не попадет в полосу пропускания частот УПЧ KУПЧ = 40…240 МГц.
-
Второй этап. Точный поиск. Гетеродин перестраивается дискретно на ΔfГ II = 3МГц до тех пор, пока промежуточная частота не попадёт в полосу Δ fПР = (40...46) МГц.
После этого перестройка прекращается. Гетеродин продолжает вырабатывать колебания на данной частоте неограниченно долго (в реальности — до прихода следующего импульса) и эти колебания используются в тракте ретранслятора для формирования помехи.
Таким образом, с точностью до 3 МГц мы определяем и формируем сигнал.
Поскольку во всех 8 линейных СОВЧ присутствуют одинаковая смесь входных сигналов, возможно определение частоты одного и того же сигнала двумя или более линейками СОВЧ. Для предотвращения этого линейка СОВЧ, в которой поиск завершится раньше других, вырабатывает сигнал, запрещающий другим линейкам СОВЧ настройку на эту частоту.
Количество подавляемых импульсных РЛС равно количеству линеек СОВЧ.
Поскольку на выходах размножителя сигналов информация о том, каким каналом принят каждый отдельный сигнал отсутствует, эту информацию необходимо восстановить. Эта задача решается с помощью СОН.
СОН предназначен для восстановления информации о том, в каком канале принят каждый отдельный сигнал. СОН состоит из 4-х одинаковых схем сравнения частот. Каждая схема сравнения частот представляет собой супергетеродинный приемник.
На вход смесителя подается сигнал из соответствующего приемного канала, а на гетеродинный вход через КОМ2 поочередно подаются сигналы с выходов линеек СОВЧ от 1 до 8.
Сигнал разностной частоты подается на УПЧ, имеющий полосу пропускания (40...46) МГц.
При появлении сигнала на выходе УПЧ (сигнал появляется когда частота промежуточной ступени (40...46) МГц), определитель номера луча вырабатывает команду, по которой устройство управления подключает выход j-ой линейки СОВЧ через КОМ1 к i-ому входу промежуточного УВЧ.
В промежуточной УВЧ осуществляется амплитудная модуляция сигналов шумовым напряжением. Полученный помеховый сигнал с шириной спектра около 3 МГц, поступает на соответствующий вход ДОС и далее обрабатывается как и в случае с непрерывным сигналом.
















