Счетчики_виды (1085135), страница 2
Текст из файла (страница 2)
3.3.6 ПРИМЕНЕНИЕ СЧЕТЧИКОВ В ИЗМЕРИТЕЛЬНОЙ ТЕХНИКЕ
На рисунке внизу последовательно включены 6 счетчиков с модулем 10 (двоично - десятичные). Информационные выходы Qi каждого каскада через преобразователь BCD кода подключены к семисегментному индикатору.
В целом устройство может решать три задачи: считать количество импульсов, измерять их частоту следования и длительность.
Перед любыми измерениями необходимо очистить счетчики, подав на вход R импульс сброса. 1) Для подсчета количества импульсов необходимо подать их на оба входа схемы И (или только на один, а на другой 1). Пусть на эти входы поступило N=1997 импульсов.Тогда на выходах младшего счетчика останется код QQ0 = 1997 mod 10 = 7. На выход переноса пройдет CR0 =1997 \ 10 = 199 импульсов, и далее QQ1 = (199 mod 10) = 9 и CR1 = 199 \ 10 = 19. В конце счета на выходах счетчиков будет зафиксирован BCD код = 0000 0000 0001 1001 1001 0111, а на индикаторах высветится число 001997. Внимание! У счетчиков на схемах младший разряд находится слева, а в числах - справа. В общем виде десятичный эквивалент BCD кода на выходах будет иметь вид: N = QQ(n-1) * 10^(n-1) + ... + QQ1 * 10^1 + QQ0 * 10^0. Из этого выражения следует, что N находится в диапазоне: 1 < = N <= 999999.
2) При измерении частоты входных импульсов, их необходимо подвести к входу "a", а на вход "b" подать импульс калиброванной длительности T равной 10^i (i =..-1,0,1,..), например T = 1сек, как на рисунке внизу.
Частота повторения импульсов на входе "a" равна по определению: F = 1/dt. Из диаграмм "b" и "c" можно найти период повторения dt = T / N, с погрешностью dt / T.Тогда F = N / T и при T = 1с частота F = N. Диапазон измерения находится в пределах: (1...(10^6)-1)Гц. Для измерения длительности импульса на вход "a" необходимо подать сигнал с частотой F = 10^i (i=2,3,..), например F =10^6[Гц]. Длительность импульса T = N * dt = N / F и диапазон ее измерения равен (1..999999)мксек.
3.3.7 ЗАДАЧИ И УПРАЖНЕНИЯ
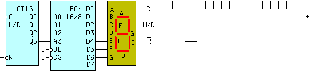
На входы реверсивного счетчика импульсов подаются приведенные внизу послед вательности импульсов. Какая шестнадцатиричная цифра будет высвечена на семисегментном индикаторе в момент времени отмеченный знаком + ?
Пояснения : 1) Так как вход (R)eset имеет наивысший приоритет, то при ~R = 0 счетчик обнуляется, независимо от состояния остальных входов. 2) При U/~D = 0 (Down - вниз) счетчик работает на вычитание, а при U/~D = 1 (Up - вверх) - на сложение. 3) Счетчик имеет прямой динамический вход (срабатывает по положительному перепаду, об этом свидетельствует стрелка внутрь у входа C), поэтому необходимо подсчитать отдельно количество положительных перепадов для режимов суммирования (4) и вычитания (1) и получить ответ : цифра 3.
Какой десятичный код будет зафиксирован на выходах Q3Q2Q1Q0 счетчика при поступлении на его вход 4 импульсов и начальных значениях на выходах Q3Q2Q1Q0 = 1100 ?
Пояснения : 1) Находим десятичный (DEC) эквивалент двоичного кода 1100(BIN) = 12(DEC) . 2) Обращаем внимание, что счетчик вычитающий (вход C "-1"). 3) Очевидно, что ответом будет код = 8.
Два счетчика включены последовательно. Определить десятичный эквивалент выходного кода Q2Q1Q0 второго счетчика. Число импульсов, поступивших на вход C равно 94.
Пояснения : 1) Обращаем внимание, что оба счетчика - суммирующие и перед поступлением импульсов обнуляются импульсом R=1. 2) Число импульсов прошедших на выход переноса CR первого счетчика равно CR = (0 + SUM(C)) \ M = 94\4 = 3. 3)Выходной код второго счетчика равен остатку от деления Q = 3 mod 5 = 3.
На входы реверсивного счетчика импульсов подаются приведенные внизу последовательности импульсов. Какая шестнадцатиричная цифра (0..9AbCdEF) будет высвечена на семисегментном индикаторе в момент времени отмеченный знаком + ?Ниже приведены содержимое памяти и рисунок схемы.
АДРЕС: 0 1 2 3 4 5 6 7 8 ...
КОД : 07 39 4f 6f 7d 77 7c 06 07 ...
Пояснения : 1) Реверсивный счетчик c прямым динамическим входом С (-->). 2)Импульсом ~R=0 счетчик обнуляется 3)Подсчитайте число активных перепадов импульсов C для режима сложения (U/~D=1) и вычитания (U/~D=0). 4)Найдите результирующий код на адресных входах микросхемы памяти. 5)Найдите в памяти HEX код хранящийся по этому адресу.6)Распишите этот код в двоичном виде, например 06 = 00000110 (BIN) т.е. светиться будет цифра 1(сегменты C и B). сегменты = GFEDCBA.















