048.Дешифраторы (1085124)
Текст из файла
Дешифраторы
Дешифраторы - это достаточно широкое понятие. В цифровой и вычислительной технике нередко применяются различные методы шифрования и последующей дешифровки данных. Устройства, применяемые в этом случае для шифрования, называются шифраторами, а устройства, применяемые для дешифровки, называются, соответственно, дешифраторами. Но здесь речь пойдет совсем не о них. В цифровой технике, на ряду со счетчиками, регистрами и тому подобными элементами, широко применяется элемент, так же называемый дешифратором. Наверно правильно будет называть его: "Простой линейный дешифратор". Его назначение - преобразовать двоичный код в линейный. Рассмотрим это подробнее.
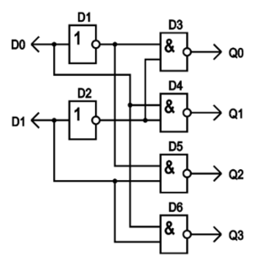
На вход дешифратора подается двоичное число, имеющее N двоичных разрядов (не менее двух). Для этого дешифратор имеет N специальных входов. Дешифратор так же имеет несколько выходов. Их количество никогда не превышает 2 в степени N. Почему, узнаем чуть позже. Выходной сигнал появляется лишь на том выходе дешифратора, номер которого соответствует двоичному числу на его входе. Рассмотрим это подробнее на примере. На рис. 1. приведена внутренняя схема дешифратора формата 2/4 (то есть два входа, четыре выхода).
Рис. 1.
Это минимальный дешифратор (меньше двух входов быть не может). На вход D0 подается младший разряд двух разрядного двоичного числа, а на вход D1 - старший разряд. Внутри дешифратора каждый из входных сигналов инвертируется. В результате получаются четыре сигнала: два прямых и два инвертированных. Затем эти сигналы подаются на выходные элементы "2И-НЕ" (D3 - D6). На каждый выходной элемент приходит один сигнал от D0, и один от D1, но каждый из них либо прямой, либо инверсный. Разводка сигналов сделана так, что при нужном сочетании сигналов на входе дешифратора на обоих входах соответствующего выходного элемента присутствуют логические единицы. Результат работы такого дешифратора хорошо понятен из его таблицы истинности:
| D1 | D0 | Q3 | Q2 | Q1 | Q0 |
| 0 | 0 | 1 | 1 | 1 | 0 |
| 0 | 1 | 1 | 1 | 0 | 1 |
| 1 | 0 | 1 | 0 | 1 | 1 |
| 1 | 1 | 0 | 1 | 1 | 1 |
Посмотрим внимательно на таблицу. Что мы можем увидеть?
1. Сигналы на входах D0 и D1 принимают все возможные комбинации значений. Этих комбинаций четыре (2 в степени 2). Ровно столько же имеется выходов у дешифратора. Для каждой комбинации - один выход. Такой дешифратор называется полным дешифратором. Если число выходов дешифратора меньше, чем число возможных комбинаций входных сигналов, то такой дешифратор называется неполным.
2. Если на входы дешифратора подано некое двоичное число, то на том его выходе, номер которого соответствует этому числу, появляется сигнал логического нуля. На остальных выходах устанавливается сигнал логической единицы. Это значит, что рассматриваемый дешифратор имеет инверсные выходы. В общем случае возможен дешифратор с прямыми выходами. У них на всех выходах ноль, а на активном выходе единица. Но так уж сложилось, что на практике применяются исключительно дешифраторы с инверсными выходами.
Основное предназначение дешифратора - выбирать (активизировать) одно из нескольких цифровых устройств по их номеру. Например, к описанному выше дешифратору можно подключить четыре микросхемы, имеющие вход выбора микросхемы CS (Chip Select). К каждому выходу дешифратора подключается вход CS одной из микросхем. Входы CS микросхем всегда выполняются таким образом, что при высоком логическом уровне на этом входе, микросхема отключается. При низком уровне на входе CSмикросхема становится активной. Подав на вход дешифратора код номера нужной микросхемы, мы включим ее, а остальные окажутся выключенными.
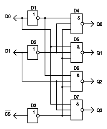
Реально выпускаемые микросхемы дешифраторов сами обычно имеют вход выбора микросхемы CS. На рис. 2. показана схема дешифратора, имеющего такой вход.
Рис. 2.
Как видно из схемы, сигнал выбора микросхемы поступает на инвертор D3. Инвертированный сигнал поступает на все выходные элементы. Если на вход CS подать сигнал логической единицы, то после элемента D3, уже нулевой сигнал, поступит на один из входов каждого из выходных элементов "3И-НЕ" (D4 - D7) и запрещает их работу. Как известно, при наличии сигнала логического нуля на одном из входов элемента "И-НЕ", сигнал на его выходе всегда будет равен единице. Это значит, что в случае, если микросхема не выбрана, на всех ее выходах установится логическая единица и все устройства, подключенные к этому дешифратору так же окажутся невыбранными.
Если на вход CS подать сигнал логического нуля, то на выходные элементы поступит логическая единица и дешифратор включится. В этом режиме описываемый дешифратор работает аналогично дешифратору, выполненному по первой схеме.
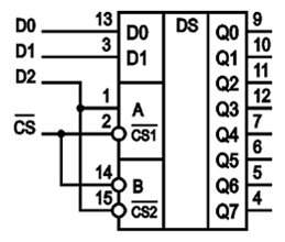
Реальные микросхемы дешифраторов строятся по несколько более сложной схеме. По сложившейся традиции цифровые микросхемы имеют не менее 14 выводов. Делать микросхемы с неиспользуемыми выводами - недопустимое расточительство. Поэтому разработчики дешифраторов стараются максимально рационально использовать все имеющиеся выводы. В случае разработки микросхем, реализующих простые логические элементы, в каждый корпус помещают несколько элементов (обычно однотипных). В случае дешифраторам похожая картина. На рис. 3. изображено условное обозначение микросхемы К155ИД4 и схема ее внутреннего устройства.
| К155ИД4 |
|
|
| Рис. 3. | ||
Микросхема содержит два дешифратора формата 2/4. У каждого их них кроме основного входа выбора элемента имеется дополнительный вход выбора. Причем, если у одного из встроенных дешифраторов дополнительный вход выбора прямой а основной инверсный, то у другого оба входа выбора инверсные. Для того, что бы активизировать верхний по схеме дешифратор, нужно на оба входа (выв. 14 и 15) одновременно подать сигнал логического нуля. Для активизации нижнего по схеме дешифратора на вход A (выв. 1) нужно подать сигнал логической единицы, а на вход CS1 (выв. 2) - сигнал логического нуля.
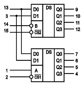
Такое построение микросхемы позволяет использовать входящие в нее два дешифратора не только независимо друг от друга, но и составлять из них более сложный дешифратор формата 3/8. Схема включения в этом режиме показана на рис. 4.
Рис. 4.
Сигнал, поступающий на вход D2 схемы всегда включает один из дешифраторов и выключает другой. Поэтому при низком уровне сигнала на входе D2 работают выходы Q0 - Q3, а при высоком уровне на D2 работают выходы Q4 - Q7.
Таблица истинности дешифратора, изображенного на рис. 4. приведена на рис. 5.
В этой таблице знак «X» означает, что на этом входе может присутствовать любое значение (0 или 1). При этом сигнал ни на одном из выходов не изменится.
Мы рассмотрели дешифратор имеющий три входа данных и, соответственно, восемь выходов. Аналогичным образом теоретически можно построить дешифраторы с любым количеством входов. На практике применяются дешифраторы на два, на три и на четыре входа. Дешифраторы форматом большим, чем 4/16 промышленностью невыпускаются. Это связано с тем, что такие дешифраторы должны были бы иметь чересчур большое количество выводов. Для микросхем малой степени интеграции это экономически не выгодно.
| Входы
| ||||||||||||||||||||||||||||||||||||||||||||||||||||||||||||||||||||||||||||||||||||||||||||||||||||||||||||||||||||||||||||||||||||
| Рис. 5. | ||||||||||||||||||||||||||||||||||||||||||||||||||||||||||||||||||||||||||||||||||||||||||||||||||||||||||||||||||||||||||||||||||||
Дешифраторов с более, чем тремя входами данных, выполненных в виде отдельных микросхем, практически не производят, так как они имели бы недопустимо большое количество выводов. Однако наличие входов выбора микросхемы позволяет каскадировать дешифраторы. На рисунке 6 приведена схема дешифратора с пятью входами данных и тридцатью двумя выходами. Дешифратор собран по схеме каскадирования. Для построения такой схемы потребовался один дешифратор на два входа и четыре дешифратора на три входа.
Рис. 6.
Характеристики
Тип файла документ
Документы такого типа открываются такими программами, как Microsoft Office Word на компьютерах Windows, Apple Pages на компьютерах Mac, Open Office - бесплатная альтернатива на различных платформах, в том числе Linux. Наиболее простым и современным решением будут Google документы, так как открываются онлайн без скачивания прямо в браузере на любой платформе. Существуют российские качественные аналоги, например от Яндекса.
Будьте внимательны на мобильных устройствах, так как там используются упрощённый функционал даже в официальном приложении от Microsoft, поэтому для просмотра скачивайте PDF-версию. А если нужно редактировать файл, то используйте оригинальный файл.
Файлы такого типа обычно разбиты на страницы, а текст может быть форматированным (жирный, курсив, выбор шрифта, таблицы и т.п.), а также в него можно добавлять изображения. Формат идеально подходит для рефератов, докладов и РПЗ курсовых проектов, которые необходимо распечатать. Кстати перед печатью также сохраняйте файл в PDF, так как принтер может начудить со шрифтами.














