042.D-триггеры (1085118)
Текст из файла
D-триггеры
В RS-триггерах для записи логического нуля и логической единицы требуются разные входы, что не всегда удобно. При записи и хранении данных один бит может принимать значение, как нуля, так и единицы. Для его передачи достаточно одного провода. Как мы уже видели ранее, сигналы установки и сброса триггера не могут появляться одновременно, поэтому можно объединить эти входы при помощи инвертора, как показано на рисунке 1.
Рисунок 1. Схема D-триггера (защелки)
Такой триггер получил название D-триггер. Название происходит от английского слова delay - задержка. Конкретное значение задержки определяется частотой следования импульсов синхронизации. Условно-графическое обозначение D-триггера на принципиальных схемах приведено на рисунке 2.
Рисунок 2. Условно-графическое обозначение D-триггера (защелки)
Таблица истинности D-триггера достаточно проста, она приведена в таблице 1. Как видно из этой таблицы, этот триггер способен запоминать по синхросигналу и хранить один бит информации.
Таблица 1. Таблица истинности D-триггера
| С | D | Q(t) | Q(t+1) | Пояснения |
| 0 | x | 0 | 0 | Режим хранения информации |
| 0 | x | 1 | 1 | |
| 1 | 0 | x | 0 | Режим записи информации |
| 1 | 1 | x | 1 |
Нужно отметить, что отдельный инвертор при реализации триггера на ТТЛ элементах не нужен, так как самый распространённый элемент ТТЛ логики - это "2И-НЕ". Принципиальная схема D-триггера на элементах 2И-НЕ” приведена на рисунке 9.
Ещё проще реализуется D-триггер на КМОП логических элементах. В КМОП микросхемах вместо логических элементов “И” используются обычные транзисторные ключи. Схема D-триггера приведена на рисунке 10.
Рисунок 10. Схема D-триггера, реализованная на КМОП элементах
При подаче высокого уровня синхросигнала C транзистор VT1 открывается и обеспечивает передачу сигнала с входа D на инверсный выход Q через инвертор D1. Транзистор VT2 при этом закрыт и отключает второй инвертор, собранный на транзисторах VT2 и VT3. При подаче низкого потенциала на вход C включается второй инвертор, который вместе с инвертором D1 и образует триггер.
Во всех рассмотренных ранее схемах синхронных триггеров синхросигнал работает по уровню, поэтому триггеры называются триггерами, работающими по уровню. Ещё одно название таких триггеров, пришедшее из иностранной литературы - триггеры-защёлки. Легче всего объяснить появление этого названия по временной диаграмме, приведенной на рисунке 11.
Рисунок 11. Временная диаграмма D-триггера (защелки)
По этой временной диаграмме видно, что триггер-защелка хранит данные на выходе только при нулевом уровне на входе синхронизации. Если же на вход синхронизации подать активный высокий уровень, то напряжение на выходе триггера будет повторять напряжение, подаваемое на вход этого триггера.
Входное напряжение запоминается только в момент изменения уровня напряжения на входе синхронизации C с высокого уровня на низкий уровень. Входные данные как бы "защелкиваются" в этот момент, отсюда и название – триггер-защелка.
Принципиально в этой схеме входной переходной процесс может беспрепятственно проходить на выход триггера. Поэтому там, где это важно, необходимо сокращать длительность импульса синхронизации до минимума. Чтобы преодолеть такое ограничение были разработаны триггеры, работающие по фронту.
Явление метастабильности.
До сих пор мы предполагали, что сигнал на входе триггера может принимать только два состояния: логический ноль и логическая единица. Однако синхроимпульс может прийти в любой момент времени, в том числе и в момент смены состояния сигнала на входе триггера.
Если синхросигнал попадёт точно на момент перехода входным сигналом порогового уровня, то триггер на некоторое время может попасть в неустойчивое метастабильное состояние, при котором напряжение на его выходе будет находиться между уровнем логического нуля и логической единицы. Это может привести к нарушению правильной работы цифрового устройства.
Состояние метастабильности триггера подобно неустойчивому состоянию шарика, находящегося на вершине конического холма. Такая ситуация иллюстрируется рисунком 1. Обычно триггер не может долго находиться в состоянии метастабильности и быстро возвращается в одно из стабильных состояний. Время нахождения в метастабильном состоянии зависит от уровня шумов схемы и использованной технологии изготовления микросхем.
Рисунок 1. Иллюстрация явления метастабильности.
Временные параметры триггера в момент возникновения состояния метастабильности и выхода из этого состояния приведены на рисунке 2. Время tSU (register setup time or tSU) на этом рисунке это минимальное время перед синхроимпульсом, в течение которого логический уровень сигнала должен оставаться стабильным для того, чтобы избежать метастабильности выхода триггера. Время tH (register hold time or tH) это минимально необходимое время удержания стабильного сигнала на входе триггера для того, чтобы избежать метастабильности его выхода. Время состояния метатастабильности случайно и зависит от многих параметров. На рисунке 2 оно обозначено tMET.
Рисунок 2. Иллюстрация явления метастабильности.
Вероятность того, что время метастабильности превысит заданную величину, экспоненциально уменьшается с ростом времени, в течение которого выход триггера находится в метастабильном состояние.
где t – это коэффициент обратно пропорциональный коэффициенту усиления и полосе пропускания элементов, входящих в состав триггера.
Склонность триггеров к метастабильности обычно оценивается величиной, обратной скорости отказов. Это значение выражается как интервал времени между отказами. Его можно определить по формуле:
где t0 = tSU – tH
fс – тактовая частота
fd – частота с которой меняются входные данные
Для того чтобы можно было оценить эту величину, приведём таблицу для двух микросхем. Последняя строчка этой таблицы эквивалентна времени метастабильности tMET = 5 нс.
Таблица 3. Сравнительные характеристики КМОП и Bi-КМОП триггеров
| Условия измерения | SN74ACT | SN74ABT |
| fc = 33МГц, fd = 8МГц | 8400 лет | 8.1*109 лет |
| fc = 40МГц, fd = 10МГц | 92 дня | 1400 лет |
| fc = 50МГц, fd = 12МГц | - | 2 часа |
Метастабильное состояние не всегда приводит к неправильной работе цифрового устройства. Если время ожидания устройства после прихода импульса синхронизации достаточно велико, то триггер может успеть перейти в устойчивое состояние, и мы даже ничего не заметим. То есть если мы будем учитывать время метастабильности tmet то метастабильность никак не скажется на работе остальной цифровой схемы.
Если же это время будет неприемлемым для работы схемы, то можно поставить два триггера последовательно, как это показано на рисунке 3. Это снизит вероятность возникновения метастабильного состояния.
Рисунок 3. Схема снижения вероятности возникновения метастабильного состояния на выходе триггера.
Для сравнения приведем MBTF для новой схемы. Сравнение производится тех же самых микросхем, что и в предыдущем примере. Время метастабильности tMET = 5 нс для 50МГц, tMET = 5 нс для 67МГц, tMET = 5 нс для 80МГц.
Таблица 4. Сравнительные характеристики КМОП и Bi-КМОП триггеров
| Условия измерения | SN74ACT | SN74ABT |
| fc = 33МГц, fd = 8МГц | 2.62*1028 лет | 4.77*1047 лет |
| fc = 40МГц, fd = 10МГц | 3,56*1019 дня | 2.18*1034 лет |
| fc = 50МГц, fd = 12МГц | 4.9*1010 | 1*1021 лет |
| fc = 67МГц, fd = 16МГц | 417 лет | 1.28*109 лет |
| fc = 80МГц, fd = 20МГц | - | 2900 лет |
D-триггеры, работающие по фронту.
Фронт сигнала синхронизации, в отличие от высокого (или низкого) потенциала, не может длиться продолжительное время. В идеале длительность фронта равна нулю. Поэтому в триггере, запоминающем входную информацию по фронту не нужно предъявлять требования к длительности тактового сигнала.
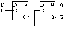
Триггер, запоминающий входную информацию по фронту, может быть построен из двух триггеров, работающих по потенциалу. Сигнал синхронизации будем подавать на эти триггеры в противофазе. Схема такого триггера приведена на рисунке 12.
Рисунок 12. Схема D-триггера, работающего по фронту
Рассмотрим работу схемы триггера, приведенной на рисунке 12 подробнее. Для этого воспользуемся временными диаграммами, показанными на рисунке 13. На этих временных диаграммах обозначение Q΄ соответствует сигналу на выходе первого триггера. Так как на вход синхронизации второго триггера тактовый сигнал поступает через инвертор, то когда первый триггер находится в режиме хранения, второй триггер пропускает сигнал на выход схемы. И наоборот, когда первый триггер пропускает сигнал с входа схемы на свой выход, второй триггер находится в режиме хранения.
Рисунок 13. Временные диаграммы D-триггера.
Обратите внимание, что сигнал на выходе всей схемы в целом не зависит от сигнала на входе "D" схемы. Если первый триггер пропускает сигнал данных со своего входа на выход, то второй триггер в это время находится в режиме хранения и поддерживает на выходе предыдущее значение сигнала, то есть сигнал на выходе схемы тоже не может измениться.
В результате проведённого анализа временных диаграмм мы определили, что сигнал в схеме, приведенной на рисунке 12 запоминается только в момент изменения сигнала на синхронизирующем входе "C" с единичного потенциала на нулевой.
Динамические D-триггеры выпускаются в виде готовых микросхем или входят в виде готовых блоков в составе больших интегральных схем, таких как базовый матричный кристалл (БМК) или программируемых логических интегральных схем (ПЛИС).
Условно-графическое обозначение D-триггера, запоминающего информацию по фронту тактового сигнала, приведено на рисунке 12.
Характеристики
Тип файла документ
Документы такого типа открываются такими программами, как Microsoft Office Word на компьютерах Windows, Apple Pages на компьютерах Mac, Open Office - бесплатная альтернатива на различных платформах, в том числе Linux. Наиболее простым и современным решением будут Google документы, так как открываются онлайн без скачивания прямо в браузере на любой платформе. Существуют российские качественные аналоги, например от Яндекса.
Будьте внимательны на мобильных устройствах, так как там используются упрощённый функционал даже в официальном приложении от Microsoft, поэтому для просмотра скачивайте PDF-версию. А если нужно редактировать файл, то используйте оригинальный файл.
Файлы такого типа обычно разбиты на страницы, а текст может быть форматированным (жирный, курсив, выбор шрифта, таблицы и т.п.), а также в него можно добавлять изображения. Формат идеально подходит для рефератов, докладов и РПЗ курсовых проектов, которые необходимо распечатать. Кстати перед печатью также сохраняйте файл в PDF, так как принтер может начудить со шрифтами.














