041.JK-триггеры (1085116)
Текст из файла
JK-триггеры
Прежде чем начать изучение JK-триггера, вспомним принципы работы RS-триггера. Напомню, что в этом триггере есть запрещённые комбинации входных сигналов. Одновременная подача единичных сигналов на входы R и S запрещены. Очень хотелось бы избавиться от этой неприятной ситуации.
Таблица истинности JK-триггера практически совпадает с таблицей истинности синхронного RS-триггера. Для того чтобы исключить запрещённое состояние, схема триггера изменена таким образом, что при подаче двух единиц JK-триггер превращается в счётный триггер. Это означает, что при подаче на тактовый вход C импульсов JK-триггер изменяет своё состояние на противоположное. Таблица истинности JK-триггера приведена в таблице 1.
Таблица 1. Таблица истинности JK-триггера.
| С | K | J | Q(t) | Q(t+1) | Пояснения |
| 0 | x | x | 0 | 0 | Режим хранения информации |
| 0 | x | x | 1 | 1 | |
| 1 | 0 | 0 | 0 | 0 | Режим хранения информации |
| 1 | 0 | 0 | 1 | 1 | |
| 1 | 0 | 1 | 0 | 1 | Режим установки единицы J=1 |
| 1 | 0 | 1 | 1 | 1 | |
| 1 | 1 | 0 | 0 | 0 | Режим записи нуля K=1 |
| 1 | 1 | 0 | 1 | 0 | |
| 1 | 1 | 1 | 0 | 1 | K=J=1 счетный режим триггера |
| 1 | 1 | 1 | 1 | 0 |
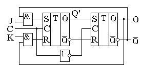
Один из вариантов внутренней схемы JK-триггера приведен на рисунке 1.
Рисунок 1. Внутренняя схема JK-триггера.
Для реализации счетного режима в схеме, приведенной на рисунке 8.22, введена перекрестная обратная связь с выходов второго триггера на входы R и S первого триггера. Благодаря этой обратной связи на входах R и S никогда не может возникнуть запрещенная комбинация.
Приводить временные диаграммы работы JK-триггера не имеет смысла, так как они совпадают с приведёнными ранее диаграммами RS- и T-триггера. Условно-графическое обозначение JK-триггера приведено на рисунке 2.
Рисунок 2. Условно-графическое обозначение JK-триггера.
На этом рисунке приведено обозначение типовой цифровой микросхемы JK-триггера, выполненной по ТТЛ технологии. В промышленно выпускающихся микросхемах обычно кроме входов JK-триггера реализуются входы RS-триггера, которые позволяют устанавливать триггер в заранее определённое исходное состояние.
В названиях отечественных микросхем для обозначения JK-триггера присутствуют буквы ТВ. Например, микросхема К1554ТВ9 содержит в одном корпусе два JK-триггера. В качестве примеров иностранных микросхем, содержащих JK-триггеры можно назвать такие микросхемы, как 74HCT73 или 74ACT109.
Так как JK-триггер является универсальной схемой, то рассмотрим несколько примеров использования этого триггера. Начнем с примера использования JKтриггера в качестве обнаружителя коротких импульсов.
Рисунок 3. Схема обнаружения короткого импульса.
В данной схеме при поступлении на вход “C” импульса триггер переходит в единичное состояние, которое затем может быть обнаружено последующей схемой (например, микропроцессором). Для того, чтобы привести схему в исходное состояние, необходимо подать на вход R уровень логического нуля.
Теперь рассмотрим пример построения на JK-триггере ждущего мультивибратора. Один из вариантов подобной схемы приведен на рисунке 4.
Рисунок 4. Схема ждущего мультивибратора.
Схема работает подобно предыдущей схеме. Длительность выходного импульса определяется постоянной времени RC цепочки. Диод VD1 предназначен для быстрого восстановления исходного состояния схемы (разряда емкости C). Если быстрое восстановление схемы не требуется, например, когда длительность выходных импульсов гарантированно меньше половины периода следования входных импульсов, то диод VD1 можно исключить из схемы ждущего мультивибратора.
В качестве последнего примера применения универсального JK-триггера, рассмотрим схему счетного T-триггера. Схема счетного триггера приведена на рисунке 5.
Рисунок 5. Схема счетного триггера, построенного на JK-триггере.
В схеме, приведенной на рисунке 5, для реализации счетного режима работы триггера на входы J и K подаются уровни логической единицы.
Характеристики
Тип файла документ
Документы такого типа открываются такими программами, как Microsoft Office Word на компьютерах Windows, Apple Pages на компьютерах Mac, Open Office - бесплатная альтернатива на различных платформах, в том числе Linux. Наиболее простым и современным решением будут Google документы, так как открываются онлайн без скачивания прямо в браузере на любой платформе. Существуют российские качественные аналоги, например от Яндекса.
Будьте внимательны на мобильных устройствах, так как там используются упрощённый функционал даже в официальном приложении от Microsoft, поэтому для просмотра скачивайте PDF-версию. А если нужно редактировать файл, то используйте оригинальный файл.
Файлы такого типа обычно разбиты на страницы, а текст может быть форматированным (жирный, курсив, выбор шрифта, таблицы и т.п.), а также в него можно добавлять изображения. Формат идеально подходит для рефератов, докладов и РПЗ курсовых проектов, которые необходимо распечатать. Кстати перед печатью также сохраняйте файл в PDF, так как принтер может начудить со шрифтами.















