038.Логический элемент 2И-НЕ КМОП и его характеристики.mht (1085107)
Текст из файла
Логический элемент 2И-НЕ КМОП и его характеристики
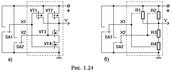
Рассмотрим схему логического элемента 2И-НЕ на микросхемах КМОП серии, приведенную на рисунке 1.24,а. При рассмотрении принципа работы логического элемента схему рисунка 1.24,а можно заменить эквивалентной схемой, приведенной на рисунке 1.24,б. На эквивалентной схеме сопротивления резисторов равны сопротивлениям между выводами сток-исток соответствующих полевых транзисторов.
Пунктирными линиями, идущими к резисторам R1–R4, отражается тот факт, что сопротивления указанных резисторов зависят от положения переключателей SA1, SA2. Закрытому транзистору соответствует сопротивление десятки МОм, а открытому – сотни Ом.
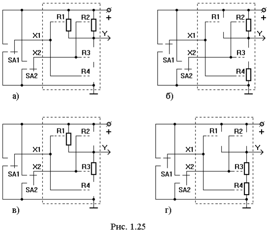
Выберем напряжение питания микросхемы 9 В. Пусть на входах Х1, Х2 действуют напряжения, соответствующие логическим нулям. В этом случае транзисторы VТ1,VТ2, будут открыты, а транзисторы VТ3, VТ4 закрыты. Эквивалентная схема для этого случая приведена на рисунке 1.25,а. Для закрытых транзисторов между выводами сток-исток на схеме показан разрыв электрической цепи, а для открытых транзисторов между указанными выводами сопротивление мало. Рассматривая делитель напряжения в цепи питания, приходим к выводу, что на выходе логического элемента будет напряжение логической единицы.
Эквивалентные схемы логического элемента 2И-НЕ КМОП еще для трех случаев приведены на рисунке 1.25.
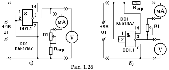
Для исследования зависимостей выходного напряжения от тока нагрузки для логических элементов КМОП используют те же схемы подключения приборов, что и для ТТЛ. Следует, однако, учитывать, что логические элементы КМОП не допускают короткого замыкания на выходе элемента в состоянии логической единицы. Для снятия зависимости выходного напряжения от тока нагрузки в состоянии логической единицы на выходе элемента собирают приборы по схеме, приведенной на рисунке 1.26,а. На рисунке 1.26,б приведена схема подключения приборов для снятия зависимости выходного напряжения от тока нагрузки в состоянии логического нуля на выходе элемента. Напряжение логической единицы и напряжение логического нуля зависят от выбранного напряжения питания логического элемента. При конструировании цифровых устройств необходимо в справочной литературе найти максимально допустимые токи нагрузки для используемых микросхем. Если таких данных нет, то рекомендуется не допускать напряжение логической единицы менее 0,9-0,8 от напряжения питания, а напряжение логического нуля - более 0,1-0,2 от напряжения питания.
Если сопротивление нагрузки очень велико (нагрузкой являются логические элементы КМОП), то в статическом режиме напряжение логической единицы на выходе элемента равно напряжению питания, а напряжение логического нуля – нуль вольт. Напряжение логического нуля для КМОП элемента отличается от нуля, если к выходу КМОП элемента подключен элемент ТТЛ.
Зависимости выходного напряжения от тока нагрузки в состоянии логической единицы и логического нуля на выходе элемента показаны соответственно на рисунке 1.27,а,б.
Передаточная характеристика элемента 2И-НЕ микросхемы К561ЛА7 приведена на рисунке 1.27,в. Особенностью передаточной характеристики логических элементов КМОП является то, что изменение состояния на выходе элемента происходит при входном напряжении, примерно равным половине напряжения питания.
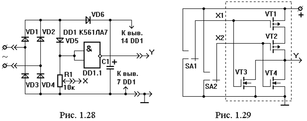
Для снятия передаточной характеристики логического элемента 2И-НЕ КМОП при различных питающих напряжениях удобно собрать приборы по схеме, приведенной на рисунке 1.28. Амплитуда переменного входного напряжения не должна превышать 15 В (напряжение питания микросхем КМОП).
Входную характеристику логических элементов КМОП не снимают, т.к. эти элементы имеют очень большое входное сопротивление, которое для многих случаев можно считать бесконечно большим.
Схема логического элемента 2ИЛИ-НЕ КМОП приведена на рисунке 1.29. Анализ работы этого элемента легко провести самостоятельно по аналогии с анализом работы элемента 2И-НЕ.
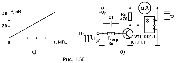
Логические элементы КМОП в статическом режиме практически не потребляют ток от источника питания, если нагрузка логического элемента отключена. Как и в случае ТТЛ микросхем, в момент быстрого переключения элемента из одного состояния в другое возникают токи короткого замыкания. С увеличением частоты переключения ток, потребляемый микросхемой от источника питания, будет возрастать. На рисунке 1.30,а показана зависимость потребляемой мощности от источника питания в зависимости от частоты переключения.
На рисунке 1.30,б приведена схема подключения приборов для снятия зависимости потребляемой микросхемой мощности в зависимости от частоты прямоугольных импульсов напряжения на входе элемента. Электронный ключ на транзисторе VT1 с ускоряющим конденсатором С1 позволяет получить импульсы необходимой амплитуды.
Характеристики
Тип файла документ
Документы такого типа открываются такими программами, как Microsoft Office Word на компьютерах Windows, Apple Pages на компьютерах Mac, Open Office - бесплатная альтернатива на различных платформах, в том числе Linux. Наиболее простым и современным решением будут Google документы, так как открываются онлайн без скачивания прямо в браузере на любой платформе. Существуют российские качественные аналоги, например от Яндекса.
Будьте внимательны на мобильных устройствах, так как там используются упрощённый функционал даже в официальном приложении от Microsoft, поэтому для просмотра скачивайте PDF-версию. А если нужно редактировать файл, то используйте оригинальный файл.
Файлы такого типа обычно разбиты на страницы, а текст может быть форматированным (жирный, курсив, выбор шрифта, таблицы и т.п.), а также в него можно добавлять изображения. Формат идеально подходит для рефератов, докладов и РПЗ курсовых проектов, которые необходимо распечатать. Кстати перед печатью также сохраняйте файл в PDF, так как принтер может начудить со шрифтами.











